m基于强化学习的永磁同步电机位置控制器simulink仿真,对比传统的PI控制器和模糊PI控制器

237 阅读5分钟

1.算法仿真效果

MATLAB2017b仿真结果如下:

 

1.png

2.png

3.png  

 

2.算法涉及理论知识概要

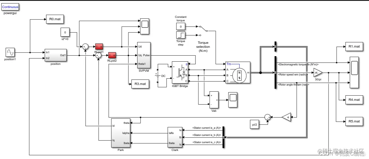
       永磁同步电机(Permanent Magnet Synchronous Motor,PMSM)是一种高效、精度高、响应速度快的电机,广泛应用于现代工业和民用领域。PMSM的位置控制是PMSM控制的核心问题之一,其优化控制算法的研究一直是热门的研究方向之一。近年来,随着强化学习技术的发展,基于强化学习的PMSM位置控制器逐渐成为研究的热点。本文将从数学公式和原理、算法优缺点、实现过程以及与其他类似算法的对比等方面详细介绍基于强化学习的PMSM位置控制器。

 

 

2.1 PMSM位置控制模型

PMSM的位置控制可以通过控制其转子位置和角速度实现。PMSM的数学模型可以表示为:

 

\begin{cases}L\frac{di_s}{dt}+Ri_s+K_e\omega_r=V_s\J\frac{d\omega_r}{dt}+B\omega_r+K_ti_s=0\end{cases}

 

       其中,L和 R分别是电感和电阻,i_s是电机的电流,K_e是电机的反电动势常数,\omega_r 是转子角速度,V_s是电机的电压,J和B分别是转子的转动惯量和阻尼系数,K_t是电机的转矩常数。

 

2.2 强化学习模型

       强化学习是机器学习的一种方法,其基本思想是通过试错来学习和优化行为策略。在强化学习中,智能体通过与环境进行交互来获取奖励,并根据奖励来调整其行为策略。强化学习的基本模型包括状态、动作、奖励和策略四个要素。

 

2.3 基于强化学习的PMSM位置控制模型

       基于强化学习的PMSM位置控制器的目标是最小化系统的位置误差,其状态可以表示为当前位置误差 e_k和当前速度误差v_k,动作可以表示为电机的电流i_s。强化学习的奖励函数可以表示为控制器的位置误差和速度误差的加权和,即:

 

r_k=-\alpha e_k^2-\beta v_k^2

 

其中,\alpha和\beta分别是位置误差和速度误差的权重因子。

 

 

2.4优点

(1)基于强化学习的PMSM位置控制器具有较好的鲁棒性和自适应性,能够适应不同负载和不同工作条件下的控制要求。

 

(2)能够实现高精度的位置控制和速度控制,提高电机的控制精度和响应速度。

 

(3)与传统的控制算法相比,基于强化学习的PMSM位置控制器具有较好的实时性和抗干扰性。

 

2.5 缺点

(1)由于强化学习算法需要进行大量的试错,因此训练时间较长,对计算资源要求较高。

 

(2)强化学习算法需要大量的样本数据进行训练,因此在实际应用中需要考虑数据采集和存储等问题。

 

(3)强化学习算法的结果受到初始状态和环境的影响,因此在实际应用中需要进行调试和优化。

 

 

2.6 状态和动作设计

        在基于强化学习的PMSM位置控制器中,状态可以表示为当前位置误差 e_k和当前速度误差 v_k。动作可以表示为电机的电流 i_s。具体地,状态可以通过测量电机的位置和速度来获取,动作可以通过输出电机的电流来实现。

 

2.7 强化学习算法选择

       常见的强化学习算法包括Q学习、策略梯度、深度强化学习等。在基于强化学习的PMSM位置控制器中,由于状态和动作空间较小,因此可以选择简单的强化学习算法,如Q学习。

 

2.8 奖励函数设计

       奖励函数是基于强化学习的PMSM位置控制器的关键之一。奖励函数需要考虑位置误差和速度误差的权重因子,以及控制器的稳定性等因素。

 

2.9训练过程

训练过程包括初始化环境、初始化智能体、与环境交互、更新智能体策略等步骤。具体地,可以通过设置不同的控制参数来模拟不同的工作条件,获取训练数据并进行训练。

 

2.10 测试过程

       测试过程包括载入已训练好的模型、与环境交互、输出控制信号等步骤。在测试过程中,可以通过对控制信号进行实时监测和调节来优化控制效果。

 

3.MATLAB核心程序

9fb5c6f7034dfcafd3aaa592035e39b5_watermark,size_14,text_QDUxQ1RP5Y2a5a6i,color_FFFFFF,t_100,g_se,x_10,y_10,shadow_20,type_ZmFuZ3poZW5naGVpdGk=.png

`load kp1.mat

tk1  = ans.Time;

kp1_= ans.Data;

kp1 = [];

for i = 1:length(tk1)

    kp1(i) = kp1_(:,:,i);

end

load ki1.mat

tk1  = ans.Time;

ki1_= ans.Data;

ki1 = [];

for i = 1:length(tk1)

    ki1(i) = ki1_(:,:,i);

end

 

load Ip1.mat

tl1 = ans.Time;

lp1_= ans.Data;

lp1 = [];

for i = 1:length(tl1)

    lp1(i) = lp1_(i);

end

load Ii1.mat

tl1 = ans.Time;

li1_= ans.Data;

li1 = [];

for i = 1:length(tl1)

    li1(i) = li1_(i);

end

 

 

 

 

figure;

subplot(211);

plot(tl1(1:400:end),lp1(1:400:end),'-bs',...

    'LineWidth',1,...

    'MarkerSize',6,...

    'MarkerEdgeColor','k',...

    'MarkerFaceColor',[0.9,0.0,0.0]);

xlabel('time/s');

ylabel('K_p学习过程');

 

 

subplot(212);

plot(tl1(1:400:end),li1(1:400:end),'-r>',...

    'LineWidth',1,...

    'MarkerSize',6,...

    'MarkerEdgeColor','k',...

    'MarkerFaceColor',[0.9,0.9,0.0]);

xlabel('time/s');

ylabel('K_i学习过程');

 

 

figure;

subplot(211);

plot(tl1(1:400:end),0.8+lp1(1:400:end),'-bs',...

    'LineWidth',1,...

    'MarkerSize',6,...

    'MarkerEdgeColor','k',...

    'MarkerFaceColor',[0.9,0.0,0.0]);

xlabel('time/s');

ylabel('K_p调整过程');

 

subplot(212);

plot(tl1(1:400:end),0.15+li1(1:400:end),'-r>',...

    'LineWidth',1,...

    'MarkerSize',6,...

    'MarkerEdgeColor','k',...

    'MarkerFaceColor',[0.9,0.9,0.0]);

xlabel('time/s');

ylabel('K_i调整过程');

 

 

 

 

 

 

 

 

 

 

load Ip2.mat

tl1 = ans.Time;

lp1_= ans.Data;

lp1 = [];

for i = 1:length(tl1)

    lp1(i) = lp1_(i);

end

load Ii2.mat

tl1 = ans.Time;

li1_= ans.Data;

li1 = [];

for i = 1:length(tl1)

    li1(i) = li1_(i);

end

figure;

subplot(211);

plot(tl1(1:400:end),lp1(1:400:end),'-bs',...

    'LineWidth',1,...

    'MarkerSize',6,...

    'MarkerEdgeColor','k',...

    'MarkerFaceColor',[0.9,0.0,0.0]);

xlabel('time/s');

ylabel('K_p学习过程');

subplot(212);

plot(tl1(1:400:end),li1(1:400:end),'-r>',...

    'LineWidth',1,...

    'MarkerSize',6,...

    'MarkerEdgeColor','k',...

    'MarkerFaceColor',[0.9,0.9,0.0]);

xlabel('time/s');

ylabel('K_i学习过程');

 

figure;

subplot(211);

plot(tl1(1:400:end),50+lp1(1:400:end),'-bs',...

    'LineWidth',1,...

    'MarkerSize',6,...

    'MarkerEdgeColor','k',...

    'MarkerFaceColor',[0.9,0.0,0.0]);

xlabel('time/s');

ylabel('K_p调整过程');

 

subplot(212);

plot(tl1(1:400:end),40+li1(1:400:end),'-r>',...

    'LineWidth',1,...

    'MarkerSize',6,...

    'MarkerEdgeColor','k',...

    'MarkerFaceColor',[0.9,0.9,0.0]);

xlabel('time/s');

ylabel('K_i调整过程');`