字节跳动面试题+答案,全答对的 30K 以上

296 阅读8分钟

首先看问题(答案见后面)

**1、**变量a是一个64位有符号的整数,初始值用16进制表示为:0x7FFFFFFFFFFFFFFF;变量b是一个64位有符号的整数,初始值用16进制表示为:0x8000000000000000。则a+b的结果用10进制表示为多少?

A.1

B.-1

C.263+262+…+22+21+2^0

D.–(263+262+…+22+21+2^0)

**2、**TCP建立连接的三次握手中,第二次握手发送的包会包含的标记,最正确的描述是?

A.ACK

B.SYN,ACK

C.SYN,PSH

D.SYN

**3、**栈是先进后出的数据结构。给定一个大小为3的初始状态为空的栈,已知一组数据经过这个栈后,最终的数据顺序依次为:1 3 2 4 ,问原始的进栈数据不可能是以下的那组?

A.2 3 1 4

B.1 4 2 3

C.4 2 3 1

D.3 1 2 4

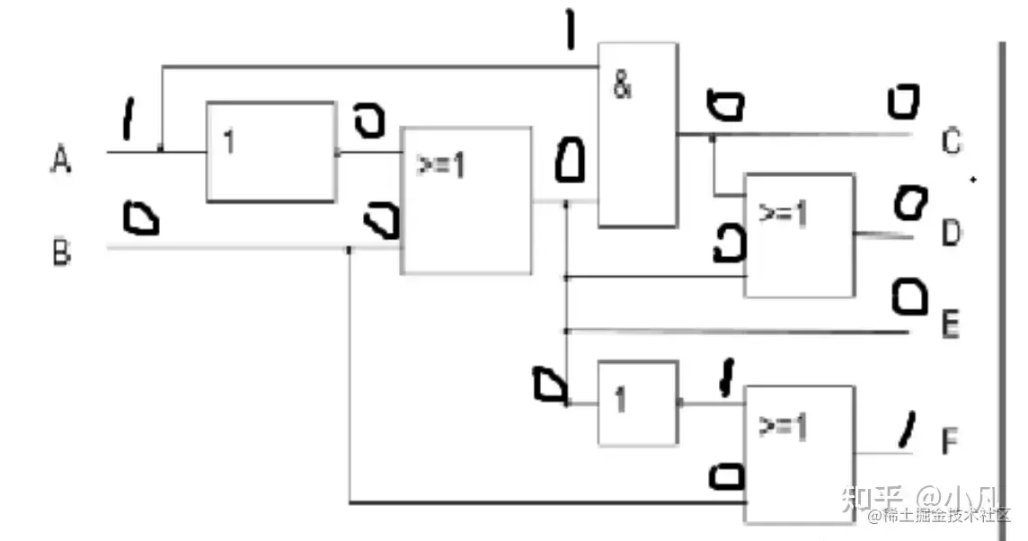
**4、**电路中其中三个门电路非门,与门,或门的示意图及性质分别如下所示:

非门,使输入的电平编程相反电平:

与门,使输入两个高电平,输出高电平,其他情况下输出低电平:

或门。当且仅当输入两个低电平时,输出低电平,否则输出高电平:

现在对以下的电路中的 A 和 B 引脚分别持续输入一个高电平( 1 )和一个低电平( 0 ),问最终电路的引脚 C 、 D 、 E 、 F 分别输出的电平是什么?

A.C=0,D=1,E=0,F=1

B.C=1,D=1,E=1,F=0

C.C=1,D=1,E=0,F=1

D.C=0,D=0,E=0,F=1

**5、**操作系统中可以使用LRU(least recently used)内存淘汰旧数据的策略,如果内存需要加载新数据但空间又不足,则会按照最近访问时间进行排序,并将最老的数据淘汰,假设现在内存空间大小为5,原本内存中没有数据,对内存中数据的访问顺序如下:1,2,5,3,4,6,1,4,3,6,7,8,3,9

A.缺页次数:9

B.缺页次数:4

C.缺页次数:10

D.缺页次数:5

**6、**下面的程序中, int32-t 表示一个有符号的 32 位整数,程序的入口是 main 函数,问最终 res 的结果是多少?

A.–(231+230+…+22+21+2^0)

B.0

C.-1

D.程序会死循环

**7、**给定一个如下所示的图,图中的边代表了两个节点间的距离。如果使用迪杰斯特拉算法对节点 1 和节点 8 求最短路径,则当完成计算时,算得节点1 到节点 8 的最短路径是?同时当完成节点 1 到节点 8 的最短路径计算时,节点 1 到哪些节点(除了 1 和 8 )的最短路径也已经计算完毕?( )

**8、**x86 CPU在实模式下解释代码时看到一个地址为2330H:5041H,请问它最终在内存中要找的地址是多少?

A.28341H

B.5374H

C.52740H

D.7371H

**9、**有三个程序J1,J2,J3。程序在单核CPU执行时,三个程序需要的资源如下所示:

优先级高的程序可以抢占优先级低的程序的CPU,但不能抢占IO。问当所有任务执行完毕时,共消耗的时间是?

A.170ms

B.160ms

C.120ms

D.130ms

**10、**给定整数m以及n各数字A1,A2,…An,将数列A中所有元素两两异或,共能得到n(n-1)/2个结果,请求出这些结果中大于m的有多少个。

答案仅供参考

**1、**答案解析:正确答案: B

(1)a+b的16进制表示为:OxFFFFFFFFFFFFFFF(16位F),转为2进制为111……111(64位1,每个F->4位2)。

(2)有符号数:是针对二进制来讲的。用最高位作为符号位,“0”代表“+”,“1”代表“-”。所以a+b的结果是一个负数。

(3)计算机中负数是以补码的形式保存的,将补码转换成原码的计算方式如下:

①. 对于正数,原码与补码相同。

②.对于负数,将补码除符号位之外,按位取反,末位加1,即得到原码。

(4)a + b = 111……111(64位1)

取反:100……000(1位1,后面63位0)

加一:100……00(中间62位0)

10进制:-1。

2、答案解析:正确答案: B

附上tcp建立连接的三次握手过程图(第二次握手包含的标记是SYN,ACK),所以选B:

**3、**答案解析:正确答案: C

注意栈的大小为3

**4、**答案解析:正确答案: D

**5、**答案解析:正确答案: C

内存空间5,所以前5个都是缺页的,因为内存空间中并没有这五个,然后6置换1,1置换2,然后4.3.6都有不用置换,7置换5,8置换4,3有了,然后9置换3,总共十次。

**6、**答案解析:正确答案: D

以char为例

f(1,0):

a=2 b=-1

a=3 b=-2

a=127 b=-126

a=128 b=-127 溢出–>a=-128 b=-127 char范围:-128~127

return a+b:-128-127实际上是1(char范围),继续循环

而原例为int_32t,临界情况 a+b: -232+(-232+1)=1,也继续循环。

因此死循环。

**7、**答案解析:正确答案: C

初始状态:路径长度0:(1)

路径长度1:(1,5)

路径长度2:(1,3)

路径长度3:(1,3,4),(1,2)

路径长度4:(1,5,8)

节点1到8的最短路径长度为4; 2,3,4,5节点的最短路径已经计算完毕; 其中到5节点的最短路径最小为1;

应该选C,感觉出题人玩文字游戏把自己绕进去了

8、答案解析:正确答案: A

实模式下内存空间的访问

8086处理器(CPU)内的寄存器都是16位的,地址线上的地址由CPU提供。CPU用两个16位的值合成一个20位的值:将一个16位的值乘以16(相当于这个16位的值保存在20位寄存器的低16位中,然后将低16位往高位移动了4位)再加上另一个16位的值。将这个由2个16位合成的值提供给20根地址线作为访问内存的地址值。被乘以16的那个值被称为段基址,没有被乘以16的那个值被称为偏移地址。

CPU在实模式下,段寄存器中的值就是段基址,如果想要通过汇编程序访问某个内存单元,那么就需要指定一个段寄存器和一个偏移地址或以“段基址值:偏移地址值”的格式。CPU会将段寄存器的值乘以16再与偏移地址相加后,才将这个结果提供给地址线;用段基址和偏移地址的形式给出的表达式,CPU也会给段基址乘以16与偏移地址相加后,才将这个结果提供给地址线。

Figure 2. 实模式下访问内存(得出内存地址)的方式

这就是说,在汇编程序中,得用段基址:偏移地址的方式访问内存,因为CPU形成内存地址的方式是“段基址* 16 + 偏移地址”。

按照“段:偏移地址”的方式访问内存是CPU对内存的一种管理方式

**9、**答案解析:正确答案: D

因为优先级高的程序可以抢占优先级低的程序的CPU,但不能抢占IO,

所以J1在CPU之后不能抢占J2的IO,J2在IO之后可以抢占J3的CPU。

CPU:J1 40ms + J3 10ms + J2 20ms +J1 20ms

IO:J2 50ms + J1 60ms + J3 20ms

所以共消耗时间为130ms,选D。

**10、**答案解析:

直接计算肯定是超时的,所以这问题不能使用暴力破解,考虑到从高位到地位,依次进行位运算,如果两个数异或结果在某高位为1,而m的对应位为0,则肯定任何这两位异或结果为1的都会比m大。

由此,考虑使用字典树(TrieTree)从高位到第位建立字典,再使用每个元素依次去字典中查对应高位异或为1, 而m为0的数的个数,相加在除以2既是最终的结果;直接贴出代码如下,非原创,欢迎讨论;

补充:queryTrieTree在搜索的过程中,是从高位往低位搜索,那么,如果有一个数与字典中的数异或结果的第k位大于m的第k位,那么该数与对应分支中所有的数异或结果都会大于m, 否则,就要搜索在第k位异或相等的情况下,更低位的异或结果。queryTrieTree中四个分支的作用分别如下:

  1. aDigit=1, mDigit=1时,字典中第k位为0,异或结果为1,需要继续搜索更低位,第k位为1,异或结果为0,小于mDigit,不用理会;

  2. aDigit=0, mDigit=1时,字典中第k位为1,异或结果为1,需要继续搜索更低位,第k位为0,异或结果为0,小于mDigit,不用理会;

  3. aDigit=1, mDigit=0时,字典中第k位为0,异或结果为1,与对应分支所有数异或,结果都会大于m,第k位为1,异或结果为0,递归获得结果;

  4. aDigit=0, mDigit=0时,字典中第k位为1,异或结果为1,与对应分支所有数异或,结果都会大于m,第k位为0,异或结果为0,递归获得结果;

更多面试题