输出并联均流电路设计

207 阅读6分钟

目前市面上的设备通常都是使用1KW以下的电源供电,而针对大型一点的用电设备,功率可能会到3KW、甚至5KW以上,如果对此整体设计一个高功率的电源,应用的器件应力会非常大,相应的体积和成本也会成倍的增加。

而如果选择用多个低功率电源并联使用达到高功率输出(如3个1KW电源并联,达到3KW输出功率),设计难度会降低很多,同时从系统的角度考虑,这样也能节省成本,为了实现电源模块的并联输出,这里就需要用到并联均流技术

关键词: 输出并联、均流电路模块

1、均流电路常见方式

我们要如何实现电流均流呢?当两个模块并联使用时,经常会出现一个模块输出电流高,一个模块输出电流低的情况,这种时候,如果我们能够让输出电流高的模块电压下降,或者输出电流电流低的模块电压升高,就可以实现各个模块电流往均流方向调节。

一般有以下几种方式,可以实现模块的均流功能:

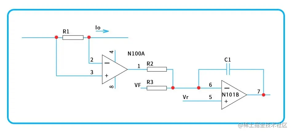
输出阻抗法(下垂法)

这种方法是通过调节模块的输出阻抗,达到近似均流的目的。如下图,单独使用时,如果模块输出电流增大,通过电流检测电阻R1将电流信号放大,叠加到电压环负反馈输入端,经过与基准电压Vr比较后,输出信号通过环路反馈,使得输出电压降低,降低模块输出电流。

图片

模块并联使用时,假设模块1输出电流大,电流信号通过负反馈使得模块1输出电压降低,此时模块1输出电流下降,故而模块2输出电流就会增加。最终两个模块实现均流。

而这种均流方法,随着电流的增加,输出电压会降低,对于有电压精度要求的后端设备来说是不合适的,且均流精度相对较低。

主从设置法

这种方法就是通过人为的设置一个主模块,其余的模块全部已主模块为参考分配电流,如下图:

图片

图中每个电源模块都是双环控制系统,在这种控制系统中,工程师将模块l设定为主模块并使其以电压控制工作,其余的模块设置为从模块,按电流型控制方式工作。

Ur为主模块的基准电压,Uf为输出电压反馈信号。经过电压误差放大器,得到误差电压Ue,成为主模块的电流基准,与Ui1(该参数反映主模块电流的大小)比较后,产生控制电压Uc1,控制调制器和驱动器工作。其中主模块电流将按电流基准Ue调制。

模块并联使用时,各个从模块的电压误差放大器接成跟随器的形式,主模块的电压误差Ue输入各跟随器,跟随器输出均为Ue,成为各个从模块的电流基准,因此各个从模块的电流均按Ue值调制,与主模块电流基本一致,从而实现模块间的均流。

这种方法能够较好的确保产品实现稳定的运行,且不会出现电流分配特性差等问题。但是这种均流方式需要主从模块之间有通讯连接,且如果主模块失效,整个电源系统就不能正常工作,因此主模块的稳定性决定了整个系统可靠性,故只能均流,不适合构成冗余并联系统。

平均电流法

这种均流方法要求并联各模块的电流放大器输出端,通过一个相同阻值的电阻R接到一条公用母线上,称为均流母线(ShareBus),如下图:

图片

上图为并联模块中每个单一模块都按平均电流自动均流的电路原理图。由上图可知,电压放大器的输入为Vr´和反馈电路Vr,Vr´是基准电压Vr和均流控制电压VC之和,它与Vf进行比较放大后产生Ve(误差电压放大),Ve控制PWM及驱动器对功率级的输出进行调整。

模块并联使用时,所有模块的输出经过电流采样放大,接入共同的均流母线。根据基尔霍夫定律,所有支路流进母线的电流之和为0,可知:

图片

此时Vb反应的是所有模块的电流平均值,Vi和Vb之差为均流误差,经过误差放大器后得到控制电压Vc。当Vb=Vi时,表示各模块均流;当Vb≠Vi时,说明电流分配不均,不均模块的Vi与均流母线Vb的误差控制信号与Vr相加后输入到电压放大器,输出误差信号Ve,从而调整模块输出,使得各模块的均流。

此方法能够比较精准的实现均流,但是当均流母线接地,或者某一模块失效时,都会使得模块的电压降低,导致输出故障。

母线峰值电流法

峰值电流法,要求并联各模块电流放大器的输出端,通过一个相同的二极管D接到同一条均流母线上(ShareBus),如下图:

图片

模块并联使用时,均流母线Vb等于Vi-Vdf(二极管压降)。也就是说此时的均流母线电压,与各模块中最大的Vb正相关。这种均流方式,能够自动的将负载电流最大的模块变成主模块,其余模块通过控制回路,将输出电流向主模块靠拢。

这种方法,能够在其中一个模块失效时,其余模块会再次选择一个主模块,保证系统仍然能够正常工作,但是由于均流母线和模块电流采样电压相差一个二极管压降,导致其余模块无法和主模块保持电流完全一致,对均流精度有一定的影响。

2、小 结

根据不同的市场应用环境和产品需求定位,可以选择不同的均流方案,目前市面上常见的均流方式为母线峰值电流法:如金升阳的LMF1000系列,通过母线峰值均流法,不仅能够实现较高的均流精度,而且还能实现并联冗余功能,保证某一模块失效后,对后端不会产生较大的影响,大大提高系统的可靠性和稳定性。   

图片

随着对市场需求的探索和研究,金升阳始终如一,深耕电源技术创新,为客户提供更优质,更稳定的一站式电源解决方案。(买电子元器件就上唯样商城)