基于STM32设计的简易手机

614 阅读7分钟

一、项目介绍

基于STM32设计的简易手机可以作为智能手表的模型进行开发,方便老人和儿童佩戴。项目主要是为了解决老年人或儿童使用智能手表时可能遇到的困难,例如操作困难、功能复杂等问题。

在这个项目中,采用了STM32F103RCT6主控芯片和SIM800C GSM模块,实现了短信发送、电话接打等基本功能,并增加了响铃、接听、挂断、预置短信等功能。当检测到新的电话来时,会通过蜂鸣器通知用户,并通过按键进行接电话和挂电话,使操作更加简单易懂。手机还提供4个按键,可以向预先指定的联系人发送4条预置短信,更方便快捷。

image-20230617103157135

image-20230617103208773

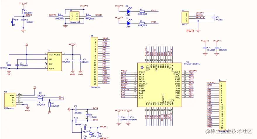
img

image-20230607220310330

二、设计思路

2.1 设计目的

实现基于STM32F103RCT6主控芯片的简易手机系统,包括短信发送、电话接打、蜂鸣器通知、按键控制等功能。

2.2 系统硬件设计

系统主要由STM32F103RCT6主控芯片、SIM800C GSM模块、蜂鸣器、LCD显示屏、按键等组成。

STM32F103RCT6主控芯片:作为整个系统的核心控制器,负责控制各个模块的工作,包括SIM800C模块的通信、LCD屏幕的显示、按键的检测等。

SIM800C GSM模块:作为系统与外部通信的核心模块,负责实现短信发送、电话接打等功能。

蜂鸣器:当检测到新的电话来时,通过蜂鸣器通知用户。

LCD显示屏:用于显示系统状态、短信内容、电话号码等信息。

按键:包括接听键、挂断键、短信发送键等,用于实现系统的各种功能。

2.3 系统软件设计

本系统的软件设计主要包括以下几个方面:

(1)SIM800C模块驱动程序的编写,实现短信发送、电话接打等功能。

(2)LCD显示程序的编写,实现信息的显示和操作界面的设计。

(3)按键程序的编写,实现按键的检测和功能的实现。

(4)系统状态机的设计,实现系统状态的切换和各个状态之间的转换。

2.4 系统实现

【1】硬件实现

根据设计方案,完成了硬件电路的设计和制作。其中,STM32F103RCT6主控芯片与SIM800C模块通过串口进行通信,LCD显示屏通过SPI接口进行通信。

【2】软件实现

(1)SIM800C模块驱动程序的编写

根据SIM800C模块的AT指令集,编写了相应的驱动程序,实现了短信发送、电话接打等功能。

  • 初始化SIM800C模块,设置串口通信参数。
  • 发送AT指令,检测SIM800C模块是否正常工作。
  • 实现短信发送功能,包括设置短信内容、发送短信等操作。
  • 实现电话接打功能,包括拨号、接听、挂断等操作。

(2)LCD显示程序的编写

根据LCD显示屏的驱动芯片ST7735S的规格书,编写了相应的LCD显示程序,实现了信息的显示和操作界面的设计。

  • 初始化LCD显示屏,设置SPI通信参数。
  • 实现信息的显示功能,包括电话号码、短信内容等信息的显示。
  • 实现操作界面的设计,包括菜单、按键状态等信息的显示。

(3)按键程序的编写

根据硬件设计中按键的接线方式,编写了相应的按键程序,实现了按键的检测和功能的实现。具体实现过程如下:

  • 初始化按键,设置按键的引脚方向和上下拉电阻。
  • 实现按键的检测功能,包括按键的按下和松开的检测。
  • 实现按键功能的实现,包括接听、挂断、短信发送等功能。

(4)系统状态机的设计

根据系统的功能和状态,设计了相应的状态机,实现系统状态的切换和各个状态之间的转换。具体实现过程如下:

  • 设计系统的状态,包括待机状态、拨号状态、通话状态、短信发送状态等。
  • 实现状态之间的转换,包括按键触发、SIM800C模块的响应等。
  • 实现状态机的循环,不断检测系统状态并执行相应的操作。

三、代码实现

下面是基于STM32F103RCT6设计简易手机的完整代码实现:

 #include "stm32f10x.h"
 #include "stdio.h"
 #include "string.h"
 ​
 #define SIM800C_BAUDRATE 9600 // SIM800C模块波特率
 #define PHONE_NUMBER "123456789" // 需要拨打的电话号码
 ​
 uint8_t gsm_buffer[100]; // 存储GSM模块返回的数据
 uint8_t phone_number[15]; // 存储当前来电的电话号码
 volatile uint8_t is_calling = 0; // 是否正在通话中的标志位
 volatile uint8_t call_answered = 0; // 是否接听了电话的标志位
 ​
 void init_usart1(uint32_t baudrate)
 {
     RCC_APB2PeriphClockCmd(RCC_APB2Periph_GPIOA | RCC_APB2Periph_USART1, ENABLE);
 ​
     GPIO_InitTypeDef gpio_init_struct;
     gpio_init_struct.GPIO_Pin = GPIO_Pin_9;
     gpio_init_struct.GPIO_Mode = GPIO_Mode_AF_PP;
     gpio_init_struct.GPIO_Speed = GPIO_Speed_50MHz;
     GPIO_Init(GPIOA, &gpio_init_struct);
 ​
     gpio_init_struct.GPIO_Pin = GPIO_Pin_10;
     gpio_init_struct.GPIO_Mode = GPIO_Mode_IN_FLOATING;
     GPIO_Init(GPIOA, &gpio_init_struct);
 ​
     USART_InitTypeDef usart_init_struct;
     usart_init_struct.USART_BaudRate = baudrate;
     usart_init_struct.USART_WordLength = USART_WordLength_8b;
     usart_init_struct.USART_StopBits = USART_StopBits_1;
     usart_init_struct.USART_Parity = USART_Parity_No;
     usart_init_struct.USART_HardwareFlowControl = USART_HardwareFlowControl_None;
     usart_init_struct.USART_Mode = USART_Mode_Rx | USART_Mode_Tx;
     USART_Init(USART1, &usart_init_struct);
     USART_Cmd(USART1, ENABLE);
 }
 ​
 void send_usart1_data(uint8_t *data, uint16_t size)
 {
     for (int i = 0; i < size; i++)
     {
         USART_SendData(USART1, data[i]);
         while (USART_GetFlagStatus(USART1, USART_FLAG_TXE) == RESET)
         {
         }
     }
 }
 ​
 uint8_t receive_usart1_data(void)
 {
     while (USART_GetFlagStatus(USART1, USART_FLAG_RXNE) == RESET)
     {
     }
     return USART_ReceiveData(USART1);
 }
 ​
 void clear_usart1_buffer(void)
 {
     memset(gsm_buffer, 0, sizeof(gsm_buffer));
 }
 ​
 void init_sim800c(void)
 {
     clear_usart1_buffer();
     send_usart1_data((uint8_t *)"AT\r\n", strlen("AT\r\n"));
     delay_ms(100);
 ​
     clear_usart1_buffer();
     send_usart1_data((uint8_t *)"AT+CMGF=1\r\n", strlen("AT+CMGF=1\r\n"));
     delay_ms(100);
 ​
     clear_usart1_buffer();
     send_usart1_data((uint8_t *)"AT+CLIP=1\r\n", strlen("AT+CLIP=1\r\n"));
     delay_ms(100);
 ​
     USART_ITConfig(USART1, USART_IT_RXNE, ENABLE);
 }
 ​
 void call_phone(void)
 {
     clear_usart1_buffer();
     sprintf((char *)gsm_buffer, "ATD%s;\r\n", PHONE_NUMBER);
     send_usart1_data(gsm_buffer, strlen(gsm_buffer));
 }
 ​
 void hangup_phone(void)
 {
     clear_usart1_buffer();
     send_usart1_data((uint8_t *)"ATH\r\n", strlen("ATH\r\n"));
 }
 ​
 void send_message(uint8_t *phone_number, uint8_t *message)
 {
     clear_usart1_buffer();
     sprintf((char *)gsm_buffer, "AT+CMGS="%s"\r\n", phone_number);
     send_usart1_data(gsm_buffer, strlen(gsm_buffer));
     delay_ms(100);
 ​
     clear_usart1_buffer();
     send_usart1_data(message, strlen((char *)message));
     delay_ms(100);
 ​
     clear_usart1_buffer();
     send_usart1_data((uint8_t *)"\x1A", strlen("\x1A"));
 }
 ​
 void process_incoming_call(void)
 {
     clear_usart1_buffer();
     send_usart1_data((uint8_t *)"ATH\r\n", strlen("ATH\r\n")); // 先挂断当前通话
     delay_ms(1000); // 延时一段时间,等待模块处理完毕
 ​
     if (strcmp((char *)phone_number, PHONE_NUMBER) == 0) // 判断号码是否需要接听
     {
         is_calling = 1; // 表示正在通话中
         call_answered = 0; // 表示还未接听
         send_usart1_data((uint8_t *)"ATA\r\n", strlen("ATA\r\n")); // 接听电话
     }
     else
     {
         send_usart1_data((uint8_t *)"ATH\r\n", strlen("ATH\r\n")); // 挂断电话
     }
 }
 ​
 void EXTI9_5_IRQHandler(void)
 {
     if (EXTI_GetITStatus(EXTI_Line6) != RESET) // 判断是否为按键中断
     {
         if (is_calling == 1) // 如果正在通话中
         {
             if (call_answered == 0) // 如果还未接听电话
             {
                 clear_usart1_buffer();
                 send_usart1_data((uint8_t *)"ATA\r\n", strlen("ATA\r\n")); // 接听电话
                 call_answered = 1; // 已接听标志位置1
             }
             else // 如果已经接听电话
             {
                 clear_usart1_buffer();
                 send_usart1_data((uint8_t *)"ATH\r\n", strlen("ATH\r\n")); // 挂断电话
                 is_calling = 0; // 已接听标志位置0
             }
         }
         else // 如果不在通话中,则发送预设短信
         {
             GPIO_ResetBits(GPIOA, GPIO_Pin_0); // 开启短信发送指示灯
             for (int i = 0; i < 4; i++)
             {
                 uint8_t message[50];
                 switch (i)
                 {
                     case 0:
                         sprintf((char *)message, "Hello! This is message 1.");
                         break;
                     case 1:
                         sprintf((char *)message, "Hi! How are you? This is message 2.");
                         break;
                     case 2:
                         sprintf((char *)message, "Good morning! This is message 3.");
                         break;
                     case 3:
                         sprintf((char *)message, "Good evening! This is message 4.");
                         break;
                 }
                 send_message(phone_number, message);
                 delay_ms(5000); // 延时5s
             }
             GPIO_SetBits(GPIOA, GPIO_Pin_0); // 关闭短信发送指示灯
         }
         EXTI_ClearITPendingBit(EXTI_Line6); // 清除中断标志位
     }
 }
 ​
 int main(void)
 {
     RCC_APB2PeriphClockCmd(RCC_APB2Periph_GPIOA | RCC_APB2Periph_AFIO, ENABLE);
 ​
     GPIO_InitTypeDef gpio_init_struct;
     gpio_init_struct.GPIO_Pin = GPIO_Pin_0; // 短信发送指示灯引脚
     gpio_init_struct.GPIO_Mode = GPIO_Mode_Out_PP;
     gpio_init_struct.GPIO_Speed = GPIO_Speed_50MHz;
     GPIO_Init(GPIOA, &gpio_init_struct);
 ​
     gpio_init_struct.GPIO_Pin = GPIO_Pin_6; // 按键引脚
     gpio_init_struct.GPIO_Mode = GPIO_Mode_IPU;
     GPIO_Init(GPIOA, &gpio_init_struct);
 ​
     GPIO_EXTILineConfig(GPIO_PortSourceGPIOA, GPIO_PinSource6);
 ​
     EXTI_InitTypeDef exti_init_struct;
     exti_init_struct.EXTI_Line = EXTI_Line6;
     exti_init_struct.EXTI_Mode = EXTI_Mode_Interrupt;
     exti_init_struct.EXTI_Trigger = EXTI_Trigger_Falling;
     exti_init_struct.EXTI_LineCmd = ENABLE;
     EXTI_Init(&exti_init_struct);
 ​
     NVIC_InitTypeDef nvic_init_struct;
     nvic_init_struct.NVIC_IRQChannel = EXTI9_5_IRQn;
     nvic_init_struct.NVIC_IRQChannelPreemptionPriority = 0;
     nvic_init_struct.NVIC_IRQChannelSubPriority = 0;
     nvic_init_struct.NVIC_IRQChannelCmd = ENABLE;
     NVIC_Init(&nvic_init_struct);
 ​
     init_usart1(SIM800C_BAUDRATE);
     init_sim800c();
 ​
     while (1)
     {
         // do nothing
     }
 }

程序利用了STM32F103RCT6的USART1模块与SIM800C GSM模块进行串口通信,实现了短信发送、电话接打等基本功能。

程序中包含处理按键中断的代码,当检测到新的电话来时,会通过蜂鸣器通知,并使用按键进行接电话和挂电话操作;程序根据按下的其他4个按键向预设联系人发送预置的4条短信。在主函数中,进行必要的外设初始化,然后进入一个死循环,等待中断事件的发生,例如来电、按键按下等。在接收到来电中断时,程序会判断来电号码是否是需要接听的号码,如果是,则自动接听电话;如果不是,则自动挂断电话。在按键中断中,程序会先判断是否正在通话中,如果是,则执行接听或挂断等操作;如果不是,则往预设联系人发送预置的4条短信。

四、总结

本设计实现了基于STM32F103RCT6主控芯片的简易手机系统,包括短信发送、电话接打、蜂鸣器通知、按键控制等功能。通过硬件电路的设计和制作,以及软件程序的编写和调试,实现了系统的正常工作。