移植好U8g2图形库的STM32F407标准库工程模板,0.96寸OLED驱动程序

932 阅读6分钟

移植好U8g2图形库的STM32F407标准库工程模板,用的0.96寸OLED屏(SSD1306),用硬件IIC驱动。

花了一晚上时间去移植。开发板主控MCU用的是STM32F407VET6,I2C接口用I2C1,SCL接PB6,SDA接PB7。

嵌入式相关文章:blog.zeruns.tech/category/IO…

电子/电路相关文章:blog.zeruns.tech/category/el…

U8g2简介

U8g2图形库是一个用于嵌入式设备的单色图形库,支持多种单色OLED和LCD显示控制器,如SSD1306,ST7920等。U8g2库可以从Arduino IDE的库管理器安装,也可以移植到STM32等平台。U8g2库支持三种绘图模式:全屏缓存模式,页面缓存模式和U8x8字符模式。U8g2库的使用需要选择合适的构造函数,初始化显示器,设置引脚号,编写回调函数和绘图指令。

U8g2图形库的优点是可以使用多种字体,支持中文显示,提供丰富的图形程序,如线条,框,圆,位图等。U8g2图形库的缺点是需要占用一定的内存空间,速度较慢,不支持无控制器的显示屏。U8g2图形库的应用场景有:显示传感器数据,制作时钟,显示菜单,显示动画等。U8g2图形库是一个功能强大,兼容性好,易于使用的单色图形库。

效果图

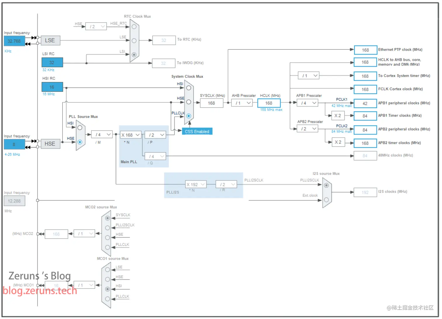
关于晶振的问题

我晶振用的8Mhz的,时钟树配置那PLL参数我修改过,使MCU工作主频168Mhz,如果换用其他频率的晶振需要修改参数,具体怎么改自行百度。

修改的地方如下:

stm32f4xx.h 文件的137行。

#define HSE_VALUE    ((uint32_t)8000000) /*!< Value of the External oscillator in Hz */
// 这里的8000000改成你的晶振频率,单位Hz

system_stm32f4xx.c 文件的364行和394行。

#if defined(STM32F40_41xxx) || defined(STM32F427_437xx) || defined(STM32F429_439xx) || defined(STM32F401xx) || defined(STM32F469_479xx)
 /* PLL_VCO = (HSE_VALUE or HSI_VALUE / PLL_M) * PLL_N */
 #define PLL_M      4
// 这里4对应下面时钟树图片中的 /M 的 /4
#if defined (STM32F40_41xxx)
#define PLL_N      168
// 这里168对应下面时钟树图片中的 *N 的 x168

元件购买地址

代码

完整工程文件下载:url.zeruns.tech/JUoKJ 提取码:t6wt

部分代码:

main.c

#include "stm32f4xx.h"
// #include "Timer.h"
#include "Delay.h"
#include "u8g2.h"
#include "OLED.h"
#include "IWDG.h"

uint8_t u8x8_gpio_and_delay(U8X8_UNUSED u8x8_t *u8x8, U8X8_UNUSED uint8_t msg, U8X8_UNUSED uint8_t arg_int, U8X8_UNUSED void *arg_ptr);
uint8_t u8x8_byte_hw_i2c(u8x8_t *u8x8, uint8_t msg, uint8_t arg_int, void *arg_ptr);
void u8g2_Init(u8g2_t *u8g2);
void draw(u8g2_t *u8g2);

int main(void)
{
      uint8_t t = 0;
      IWDG_Configuration(); // 初始化看门狗
      OLED_I2C_Init();      // 初始化OLED
      u8g2_t u8g2;
      u8g2_Init(&u8g2); // 初始化U8g2

      RCC_AHB1PeriphClockCmd(RCC_AHB1Periph_GPIOA, ENABLE); // 启用GPIOA的外设时钟

      GPIO_InitTypeDef GPIO_InitStructure;                   // 定义结构体
      GPIO_InitStructure.GPIO_Mode = GPIO_Mode_OUT;          // 设置GPIO口模式为输出
      GPIO_InitStructure.GPIO_Pin = GPIO_Pin_6 | GPIO_Pin_7; // 设置GPIO口6
      GPIO_InitStructure.GPIO_Speed = GPIO_High_Speed;       // 设置GPIO口速度100Mhz
      GPIO_InitStructure.GPIO_OType = GPIO_OType_PP;         // 设置GPIO口为推挽输出
      GPIO_InitStructure.GPIO_PuPd = GPIO_PuPd_NOPULL;       // 设置GPIO上下拉模式
      GPIO_Init(GPIOA, &GPIO_InitStructure);                 // 初始化GPIO

      Delay_ms(100);

      u8g2_DrawLine(&u8g2, 0, 0, 127, 63); // 画一条线,起始坐标(0,0),终点坐标(127,63)
      u8g2_SendBuffer(&u8g2);              // 发送缓冲区数据
      u8g2_DrawLine(&u8g2, 127, 0, 0, 63);
      u8g2_SendBuffer(&u8g2);

      Delay_ms(300);

      u8g2_ClearBuffer(&u8g2);  //清除缓冲区数据
      draw(&u8g2);
      u8g2_SendBuffer(&u8g2);
      Delay_ms(1000);
      
      u8g2_ClearBuffer(&u8g2);
      IWDG_FeedDog(); // 喂狗,防止CPU复位
      u8g2_SetFont(&u8g2, u8g2_font_ncenB14_tr);    //选择字库
      u8g2_DrawStr(&u8g2, 0, 15, "Hello World!");

      u8g2_SetFont(&u8g2, u8g2_font_wqy16_t_chinese2);
      u8g2_DrawUTF8(&u8g2, 0, 30, "H你好世界");

      u8g2_SetFont(&u8g2, u8g2_font_wqy12_t_chinese2);
      u8g2_DrawUTF8(&u8g2, 0, 43, "H你好世界");
      
      u8g2_SetFont(&u8g2, u8g2_font_fur11_tr);
      u8g2_DrawUTF8(&u8g2, 0, 59, "blog.zeruns.tech");

      u8g2_SendBuffer(&u8g2);

      Delay_ms(1300);

      while (1)
      {
            Delay_ms(100);
            u8g2_ClearBuffer(&u8g2);//清除缓冲区数据
            if (++t >= 32)
                  t = 1;
            u8g2_DrawCircle(&u8g2, 64, 32, t, U8G2_DRAW_ALL);   //画圆
            u8g2_DrawCircle(&u8g2, 32, 32, t, U8G2_DRAW_ALL);
            u8g2_DrawCircle(&u8g2, 96, 32, t, U8G2_DRAW_ALL);
            u8g2_SendBuffer(&u8g2); // 发送缓冲区数据
            GPIO_ToggleBits(GPIOA, GPIO_Pin_6);
            IWDG_FeedDog(); // 喂狗,防止CPU复位
      }
}
// https://blog.zeruns.tech
uint8_t u8x8_byte_hw_i2c(u8x8_t *u8x8, uint8_t msg, uint8_t arg_int, void *arg_ptr)
{
      static uint8_t buffer[32]; /* u8g2/u8x8 will never send more than 32 bytes between START_TRANSFER and END_TRANSFER */
      static uint8_t buf_idx;
      uint8_t *data;

      switch (msg)
      {
      case U8X8_MSG_BYTE_SEND:
            data = (uint8_t *)arg_ptr;
            while (arg_int > 0)
            {
                  buffer[buf_idx++] = *data;
                  data++;
                  arg_int--;
            }
            break;

      case U8X8_MSG_BYTE_INIT:
            /* add your custom code to init i2c subsystem */
            break;

      case U8X8_MSG_BYTE_START_TRANSFER:
            buf_idx = 0;
            break;

      case U8X8_MSG_BYTE_END_TRANSFER:
            HW_I2cWrite(buffer, buf_idx);   //硬件I2C写字节
            break;

      default:
            return 0;
      }
      return 1;
}
// https://blog.zeruns.tech
uint8_t u8g2_gpio_and_delay(U8X8_UNUSED u8x8_t *u8x8, U8X8_UNUSED uint8_t msg, U8X8_UNUSED uint8_t arg_int, U8X8_UNUSED void *arg_ptr)
{
      switch (msg)
      {
      case U8X8_MSG_GPIO_AND_DELAY_INIT:
            OLED_I2C_Init();    //初始化
            break;

      case U8X8_MSG_DELAY_MILLI:
            Delay_ms(arg_int);  //延时
            break;

      case U8X8_MSG_GPIO_I2C_CLOCK:
            break;

      case U8X8_MSG_GPIO_I2C_DATA:
            break;

      default:
            return 0;
      }
      return 1; // command processed successfully.
}

void u8g2_Init(u8g2_t *u8g2)
{
      // u8g2_Setup_ssd1306_i2c_128x64_noname_f(u8g2, U8G2_R0, u8x8_byte_sw_i2c, u8x8_gpio_and_delay); // 初始化 u8g2,软件I2C
      u8g2_Setup_ssd1306_i2c_128x64_noname_f(u8g2, U8G2_R0, u8x8_byte_hw_i2c, u8g2_gpio_and_delay); // 初始化 u8g2,硬件I2C
      u8g2_InitDisplay(u8g2);                                                                       // 根据所选的芯片进行初始化工作,初始化完成后,显示器处于关闭状态
      u8g2_SetPowerSave(u8g2, 0);                                                                   // 打开显示器
      u8g2_SetContrast(u8g2, 88);                                                                   // 设置屏幕亮度
      u8g2_ClearBuffer(u8g2);                                                                       // 清除缓冲区
}
// https://blog.vpszj.cn
void draw(u8g2_t *u8g2)
{
      u8g2_SetFontMode(u8g2, 1);              /*字体模式选择*/
      u8g2_SetFontDirection(u8g2, 0);         /*字体方向选择*/
      u8g2_SetFont(u8g2, u8g2_font_inb24_mf); /*字库选择*/
      u8g2_DrawStr(u8g2, 0, 20, "U");

      u8g2_SetFontDirection(u8g2, 1);
      u8g2_SetFont(u8g2, u8g2_font_inb30_mn);
      u8g2_DrawStr(u8g2, 21, 8, "8");

      u8g2_SetFontDirection(u8g2, 0);
      u8g2_SetFont(u8g2, u8g2_font_inb24_mf);
      u8g2_DrawStr(u8g2, 51, 30, "g");
      u8g2_DrawStr(u8g2, 67, 30, "\xb2");

      u8g2_DrawHLine(u8g2, 2, 35, 47);
      u8g2_DrawHLine(u8g2, 3, 36, 47);
      u8g2_DrawVLine(u8g2, 45, 32, 12);
      u8g2_DrawVLine(u8g2, 46, 33, 12);

      u8g2_SetFont(u8g2, u8g2_font_4x6_tr);
      u8g2_DrawStr(u8g2, 1, 54, "github.com/olikraus/u8g2");
}

OLED.c

#include "stm32f4xx.h"
#include "OLED_Font.h"
#include "Delay.h"

/*OLED屏地址*/
#define OLED_ADDRESS 0x78

//I2C等待超时时间
#define I2C_TIMEOUT 5000

/*引脚初始化*/
void OLED_I2C_Init(void)
{
	RCC_APB1PeriphClockCmd(RCC_APB1Periph_I2C1,ENABLE);	//使能I2C1时钟
	RCC_AHB1PeriphClockCmd(RCC_AHB1Periph_GPIOB,ENABLE);//使能GPIOB时钟
    
    GPIO_PinAFConfig(GPIOB,GPIO_PinSource6,GPIO_AF_I2C1);  //开启PB6的复用功能连接至I2C1
	GPIO_PinAFConfig(GPIOB,GPIO_PinSource7,GPIO_AF_I2C1);
 
	/*STM32F407芯片的硬件I2C: PB6 -- SCL; PB7 -- SDA */
	GPIO_InitTypeDef  GPIO_InitStructure;                   //定义结构体配置GPIO
    GPIO_InitStructure.GPIO_Mode = GPIO_Mode_AF;		    //设置GPIO口模式为复用IO模式
	GPIO_InitStructure.GPIO_Speed = GPIO_High_Speed;		//设置GPIO口速度100Mhz
	GPIO_InitStructure.GPIO_OType = GPIO_OType_OD;          //设置GPIO口为开漏输出
    GPIO_InitStructure.GPIO_PuPd  = GPIO_PuPd_UP;           //设置GPIO上拉模式
    GPIO_InitStructure.GPIO_Pin =  GPIO_Pin_6 | GPIO_Pin_7; //设置GPIO口
	GPIO_Init(GPIOB, &GPIO_InitStructure);
	
	I2C_DeInit(I2C1);	//将外设I2C1寄存器重设为缺省值
	I2C_InitTypeDef  I2C_InitStructure;
	I2C_InitStructure.I2C_Mode = I2C_Mode_I2C;			//工作模式
	I2C_InitStructure.I2C_DutyCycle = I2C_DutyCycle_2;	//时钟占空比,Tlow/Thigh = 2
	I2C_InitStructure.I2C_OwnAddress1 = 0x30;	//主机的I2C地址,用不到则随便写,无影响
	I2C_InitStructure.I2C_Ack = I2C_Ack_Enable;	//使能应答位
	I2C_InitStructure.I2C_AcknowledgedAddress = I2C_AcknowledgedAddress_7bit;//设置地址长度7位
	I2C_InitStructure.I2C_ClockSpeed = 400000;	//I2C传输速度,400K,根据自己所用芯片手册查看支持的速度。	
	I2C_Init(I2C1, &I2C_InitStructure);

	I2C_Cmd(I2C1, ENABLE);
}
// https://blog.zeruns.tech
void HW_I2cWrite(uint8_t *buf,uint8_t len)
{
	if(len<=0)
		return ;
	uint32_t wait_time=0;

	/* wait for the busy falg to be reset */
	while(I2C_GetFlagStatus(I2C1, I2C_FLAG_BUSY))
	{
		wait_time++;
		if(wait_time>=I2C_TIMEOUT){
			wait_time=0;
			break;
		}
	}

	I2C_GenerateSTART(I2C1, ENABLE);//开启I2C1
	while(!I2C_CheckEvent(I2C1, I2C_EVENT_MASTER_MODE_SELECT))/*EV5,主模式*/
	{
		wait_time++;
		if(wait_time>=I2C_TIMEOUT){
			wait_time=0;
			break;
		}
	}

	I2C_Send7bitAddress(I2C1, OLED_ADDRESS, I2C_Direction_Transmitter);	//器件地址 -- 默认0x78
	while(!I2C_CheckEvent(I2C1, I2C_EVENT_MASTER_TRANSMITTER_MODE_SELECTED))
	{
		wait_time++;
		if(wait_time>=I2C_TIMEOUT){
			wait_time=0;
			break;
		}
	}

	for(uint8_t i=0;i<len;i++)
	{
		I2C_SendData(I2C1, buf[i]);//发送数据
		while (!I2C_CheckEvent(I2C1, I2C_EVENT_MASTER_BYTE_TRANSMITTED))
		{
		wait_time++;
		if(wait_time>=I2C_TIMEOUT){
			wait_time=0;
			break;
			}
		}
	}
	I2C_GenerateSTOP(I2C1, ENABLE);//关闭I2C1总线
}

开源项目推荐

推荐阅读