干货 | 关于RC电路耦合、相移、滤波、微分、积分的那些事儿~

756 阅读8分钟

所谓RC电路,就是电阻R和电容C组成的一种分压电路。如下图1所示:输入电压加于RC串联电路两端,输出电压取自于电阻R或电容C。由于电容的特殊性质,对下图(a)和(b)不同的输出电压取法,呈现出不同的频率特性。

由此RC电路在电子电路中作为信号的一种传输电路,根据需要的不同,在电路中实现了耦合、相移、滤波等功能,并且在阶跃电压作用下,还能实现波形的转换、产生等功能。所以,看起来非常简单的RC电路,在电子电路中随处可见,有必要对它的基本应用加以讨论。图片图1:基本RC电路

1、RC耦合电路

RC耦合电路即阻容耦合电路,是多级放大器级间耦合方式的基本形式。如下图2所示为两级放大器,第一级的输出电压就是通过如下图3所示的RC阻容耦合电路加到第二级上的,其中C=C2,R为R5与rbe2 + ( 1+β) R6的并联,Ui就是第一级的空载输出电压,Uo就是第二级的输入电压。实际上整个放大器的输入耦合电路、输出耦合电路都是一个输出电压取自于电阻的如图3所示的RC耦合电路。对这种耦合电路输出电压可表示为:
图片
当传输信号的频率很高时,即:f>fL时:Uo=Ui,即第二级得到的输入电压等于第一级的输出电压,耦合电容相当于通路。即这种情况下,RC耦合电路将被传输的信号无衰减地、且无相移地由上级耦合到下级。
当被传输信号的频率降低到f=fL时:输出电压的大小等于输入电压大小的1/ 图片 且相位超前45度。由通频带的概念,这就是下界频率。由上可见,RC电路作为耦合电路,能否将被传送的信号顺利地耦合下去,完全由被传送信号频率和RC电路的参数比较后决定的。一般来说,RC电路的时间τ=RC远大于被传送信号的周期T,即被传输信号的频率远大于由电路参数决定的下界频率时,这种RC耦合电路中的电容相当于通路。
图片图2:两级放大电路图片图3:RC耦合电路

2、RC相移电路

RC电路作为二端传输网络,若输出电压取自于电阻,则输出电压的相位超前;若输出电压取自于电容,则输出电压的相位落后。这种超前或落后最大可达90度,但此时输出电压的幅值也趋近于0。一般在电路中,使之信号通过RC电路,既有一定的相移,又有一定的电压幅值,这样RC电路就成了一个相移电路。在电路中,根据需要的不同,将若干节RC电路串联去实现对某一频率的信号进行一定角度的相位移动。图4是一个RC相移式正弦波振荡器电路。
三节RC相移电路在振荡电路中,既是正反馈网络,又是选频网络,合理选其电路参数,对某一频率的信号通过RC相移电路,使之每一节的平均相移为60度,总相移为180度,从而满足振荡平衡条件,对这一频率的信号发生振荡。

3、滤波电路

滤波电路是一种能使有用频率信号顺利通过,而对无用频率信号起抑制和衰减作用的电子电路。由于电容阻低频通高频的基本性质,滤波电路的基本组成部分仍是一个RC电路,当输出电压取自于电阻时,它就是一个高通滤波器; 当输出电压取自于电容时,它就是一个低通滤波器。
为了隔断负载对RC电路的影响,常将RC电路和集成运放组合起来组成有源滤波器,如图5所示为一阶有源低通滤波器电路。将图中的R和C的位置互换,即得到一阶有源高通滤波器。为了使被抑制的频率成分在截止频率以外衰减更快,可以将几节RC电路串联使用,而得到高阶有源滤波器,也可将不同性质的RC电路相互串并联使用,得到所谓带通滤波器和带阻滤波器等。
图片图4:RC相移振荡电路图片图5:一阶低通滤器

3、微分电路和积分电路

前面三个问题讨论的是不同频率的正弦信号通过RC电路时,电路所反映出的性质。当电路中信号电压发生阶跃变化时,由于电容的充放电的性质,使之被传输的信号发生另一种变化,这就微分电路和积分电路。
4.1、微分电路
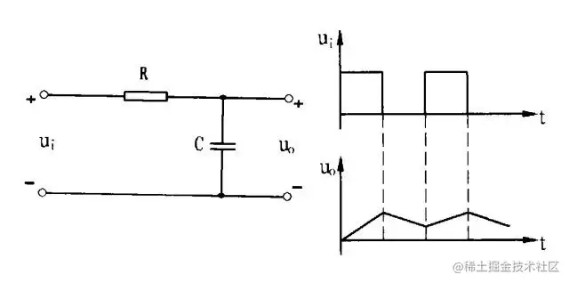
所谓微分电路仍是一节RC电路,输出电压取之于电阻R。当输入电压为阶跃变化的矩形脉冲时,且RC电路的充放电时间常数τ=RC<TK(脉冲宽度)时,能将输入的矩形脉冲变成宽度为τ的尖脉冲。如图6所示,由于时间常数远小于脉冲宽度,脉冲上升沿来到时,电容通过电阻R充电,很快充满,电路中的电流变为零,输出电压变为零,由此在R上得到一个与上升沿相对应的正的尖脉冲。
当脉冲下降沿来到时,电容通过电阻R反向放电,同理放电过程很快,在电阻R上得到一个与下降沿对应的负的尖脉冲。由于通过电容的电流为:
图片
图片图6:微分电路将矩形脉冲变成尖脉冲
即输出电压近似与输入电压的微分成正比,微分电路由此得名。为使输出电压不受负载的影响,RC电路跟运放组合接成如图7所示的形式,由于运放反向端虚地,输出电压取之于反馈电阻R。微分电路的本质仍是RC电路,运放在此起隔离和缓冲作用。
图片图7:由运放组成的微分电路
4.2、积分电路
与微分电路相反,积分电路中输出电压取之与电容。如图8所示,当RC电路的时常数τ=RC>TK(脉冲宽度)时,能将输入的矩形脉冲变成幅度随时间线性变化的锯齿波。由于RC电路的充放电时间常数τ远大于脉冲宽度TK,脉冲上升沿来到时,电容通过电阻R充电,远没有充满,即刚经过充电曲线的起始部分,脉冲下降沿来到,电容又开始放电,远没有放完,又在上升沿作用下充电,由此在电容上得到随时间近似成线性变化的锯齿波电压。图片图8:积分电路将矩形脉冲变为锯齿波
因为τ>TK在输入矩形脉冲的持续时间内,电容上的电压上升不多,即:Uo<UR,则:图片由此得到:
图片
即输出电压与输入电压的积分成正比,由此得名积分电路。同理,为使RC积分电路不受负载的影响,同样跟运放组合接成如图9形式的电路。运放反向端虚地,输出电压取之于电容。.可见积分电路的本质仍是RC电路,运放在此起隔离和缓冲作用。由上讨论可知:微分电路和积分电路从本质来说都是一节RC电路,微分电路中输出电压取之于电阻,其时间常数远小于脉冲宽度。积分电路中输出电压取之于电容,其时间常数远大于脉冲宽度。
图片图9:由运放组成的积分电路
除了上述的四种情况以外,还有一种重要的应用,即根据电容充放电时其两端电压的变化情况,在电路中起延时开关作用,在波形产生电路中和定时电路中有着广泛的应用。

5、结论

RC电路的本质就是一个分压电路,电路中的传输信号、电路状态发生变化时的跃信号都可作为RC电路的输入电压,根据需要的不同从电阻R或电容C取出输出电压,并根据电容C的充放电性质,巧妙地选取电路参数和电路结构,使RC电路成为电路中信号传输的桥梁,波形变换的转换器,选取有用信号的滤波器或选频网络。

内容直接转载于张飞实战电子公众号,来源于网络,如有侵权,请联系删除,谢谢!声明:本文为转载文章,转载此文目的在于传递更多信息,版权归原作者所有,如涉及侵权,请后台联系小编进行处理。(买电子元器件就上唯样商城)