【YOLOv5】LabVIEW+TensorRT的yolov5部署实战(含源码)

826 阅读4分钟

我正在参加「掘金·启航计划」

前言

前面我们给大家介绍了使用OpenCV以及ONNX工具包实现yolov5在LabVIEW中的部署,有英伟达显卡的朋友们可能已经感受过使用cuda加速时yolov5的速度,今天主要和大家分享在LabVIEW中使用纯TensoRT工具包快速部署并实现yolov5的物体识别,本博客中使用的智能工具包可到主页置顶博客blog.csdn.net/virobotics/… 中安装。若配置运行过程中遇到困难,欢迎大家评论区留言,博主将尽力解决。

以下是YOLOv5的相关笔记总结,希望对大家有所帮助。

内容地址链接
【YOLOv5】LabVIEW+OpenVINO让你的YOLOv5在CPU上飞起来blog.csdn.net/virobotics/…
【YOLOv5】LabVIEW OpenCV dnn快速实现实时物体识别(Object Detection)blog.csdn.net/virobotics/…
【YOLOv5】手把手教你使用LabVIEW ONNX Runtime部署 TensorRT加速,实现YOLOv5实时物体识别(含源码)blog.csdn.net/virobotics/…

一、关于YOLOv5

YOLOv5是在 COCO 数据集上预训练的一系列对象检测架构和模型。表现要优于谷歌开源的目标检测框架 EfficientDet,在检测精度和速度上相比yolov4都有较大的提高。本博客,我们以YOLOv5 6.1版本来介绍相关的部署开发。

在这里插入图片描述 YOLOv5相比于前面yolo模型的主要特点是: 1、小目标的检测精度上有明显的提高; 2、能自适应锚框计算 3、具有数据增强功能,随机缩放,裁剪,拼接等功能 4、灵活性极高、速度超快,模型超小、在模型的快速部署上具有极强优势

关于YOLOv5的网络结构解释网上有很多,这里就不再赘述了,大家可以看其他大神对于YOLOv5网络结构的解析。

二、YOLOv5模型的获取

为方便使用,博主已经将yolov5模型转化为onnx格式,可在百度网盘下载 链接:pan.baidu.com/s/15dwoBM4W… 提取码:yiku

1.下载源码

将Ultralytics开源的YOLOv5代码Clone或下载到本地,可以直接点击Download ZIP进行下载,

下载地址:github.com/ultralytics… 在这里插入图片描述

2.安装模块

解压刚刚下载的zip文件,然后安装yolov5需要的模块,记住cmd的工作路径要在yolov5文件夹下: 在这里插入图片描述 打开cmd切换路径到yolov5文件夹下,并输入如下指令,安装yolov5需要的模块

pip install -r requirements.txt

3.下载预训练模型

打开cmd,进入python环境,使用如下指令下载预训练模型:

import torch

# Model
model = torch.hub.load('ultralytics/yolov5', 'yolov5s')  # or yolov5n - yolov5x6, custom

成功下载后如下图所示: 在这里插入图片描述

4.转换为onnx模型

将.pt文件转化为.onnx文件,在cmd中输入转onnx的命令(记得将export.py和pt模型放在同一路径下):

python export.py --weights yolov5s.pt --include onnx

如下图所示为转化成功界面 在这里插入图片描述 其中yolov5s可替换为yolov5m\yolov5m\yolov5l\yolov5x 在这里插入图片描述

三、LabVIEW+TensorRT的yolov5部署实战(yolov5_trt_img.vi)

如需要查看TensorRT工具包相关vi含义,可查看:blog.csdn.net/virobotics/…

1.onnx转化为engine(onnx to engine.vi)

使用onnx_to_engine.vi,将该vi拖拽至前面板空白区域,创建并输入onnx的路径以及engine的路径,type即精度,可选择FP32或FP16,肉眼观看精度无大差别。(一般FP16模型比FP32速度快一倍) 在这里插入图片描述 转换的完整程序如下: 在这里插入图片描述

点击运行,等待1~3分钟,模型转换成功,可在刚刚设定的路径中找到我们转化好的mobilenet.engine.

Q:为什么要转换模型,不直接调用ONNX? A:tensorRT内部加载ONNX后其实是做了一个转换模型的工作,该过程时间长、占用内存巨大。因此不推荐每次初始化都加载ONNX模型,而是加载engine。

2.部署

模型初始化

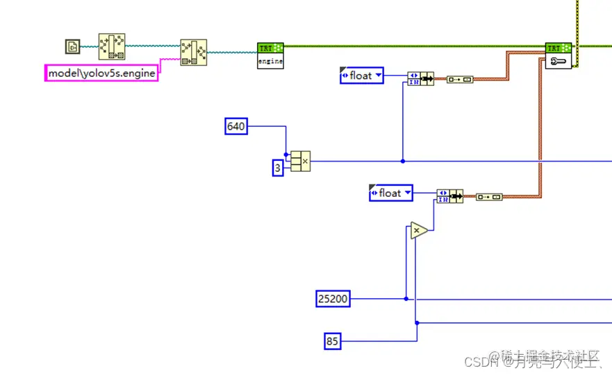
  1. 加载yolov5s.engine文件
  2. 设置输入输出缓存 • 输入大小为13640640 • 输出大小为125200*85 在这里插入图片描述

yolov5的预处理

  1. LetterBox
  2. blobFromImage,包含如下步骤:
1) img=img/255.0
2) img = img[None] #从(640,640,3)扩充维度至(1,640,640,3)
3) input=img.transpose(0,3,1,2) # BHWC to BCHW

在这里插入图片描述 在这里插入图片描述

模型推理

  1. 推荐使用数据指针作为输入给到run.vi
  2. 数据的大小为13640*640 在这里插入图片描述

获取推理结果

  1. 循环外初始化一个25200*85的二维数组
  2. 此数组作为Get_Result的输入,另一个输入为index=0
  3. 输出为25200*85的二维数组结果

在这里插入图片描述

后处理

本范例中,后处理方式和使用onnx一样

在这里插入图片描述

完整源码

在这里插入图片描述

运行结果

在这里插入图片描述

项目源码

关注微信公众号:VIRobotics,回复:yolov5_tensorRT,即可获取源码

附加说明

  • 操作系统:Windows10
  • python:3.6及以上
  • LabVIEW:2018及以上 64位版本
  • 视觉工具包:techforce_lib_opencv_cpu-1.0.0.98.vip
  • LabVIEW TensorRT工具包:virobotics_lib_tensorrt-1.0.0.22.vip
  • 运行结果所用显卡:RTX3060

总结

以上就是今天要给大家分享的内容,希望对大家有用,如果有问题可以在评论区里讨论,如您想要探讨更多关于LabVIEW与人工智能技术,欢迎加入我们的技术交流群:705637299,进群请备注:LabVIEW机器视觉

如果文章对你有帮助,欢迎✌关注、👍点赞、✌收藏、👍订阅专栏