# 干货 | 关于等效电路图画法,不得不学的几个小窍门!

763 阅读7分钟

干货 | 关于等效电路图画法,不得不学的几个小窍门!

等效电路又称“等值电路”。在同样给定条件下,可代替另一电路且对外性能不变的电路。电机、变压器等电气设备的电磁过程可用其相应的等效电路来分析研究。

等效电路是将一个复杂的电路,通过电阻等效、电容等效,电源等效等方法,化简成具有与原电路功能相同的简单电路。这个简单的电路,称作原复杂电路的等效电路 。

等效电路的画法步骤

(1)认真审题,在草稿纸上画出原图,并把开关的状态、滑动变阻器的滑片所处的位置依题意画下。(2)根据电流路径的优先走法,把没有电流经过的元件用橡皮擦擦掉,同时将断开的开关及与其串联的元件擦掉,闭合的开关用导线代替。(3)正确分析电路的连接方式,明确电流表测哪部分电路的电流,电压表测谁的电压,再将电路图整理,即画出了等效电路图。(4)把已知条件尽可能标注在等效电路图上。(5)找出所求的物理量与哪个等效图对应,然后根据串、并联电路的特点,特别注意电源电压不变,定值电阻的阻值不变,正确运用电学公式来分析解答。

等效电路的画图技巧

01、首尾相接法

第一种方法叫首尾相接法,如果是全都是首尾相连就一定是串联,如果是首首相连,尾尾相接,就一定是并联。如果是既有首尾相连,又有首首相连,则一定是混联。

02、电流流向法

第二种方法叫电流流向法,根据电流的流向,来判断和串并联的特点,来判断串联、并联和混联电路。

03、手捂法

第三种方法,叫手捂法,含义是任意去掉一个用电器,其他用电器都不能工作的一定是串联;任意去掉一个用电器,其他用电器都能工作就一定是并联;任意去掉一个用电器,其他用电器部分能工作的一定是混联。

04、节点法

(1)标出等势点。依次找出各个等势点,并从高电势点到低电势点顺次标清各等势点字母。(2)捏合等势点画草图。即把几个电势相同的等势点拉到一起,合为一点,然后假想提起该点“抖动”一下,以理顺从该点向下一个节点电流方向相同的电阻,这样逐点依次画出草图。画图时要注意标出在每个等势点处电流“兵分几路”及与下一个节点的联接关系。(3)整理电路图。要注意等势点、电阻序号与原图一一对应,整理后的等效电路图力求规范,以便计算。

八种画法详解

1、伸缩导线法

若导线上两点间无用电器连接,则可将这两点间的导线伸长或缩短,甚至可缩成一点。

例1:把图1电路改画成串、并联关系明显的等效电路。

解析:因B与D两点、A与C两点间无用电器,故可将BD、AC导线缩短。先将导线BD缩成一点得图2电路,再将导线AC缩成一点得图3电路,最后经处理可得等效电路如图4。

图片

2、拽拉导线法

将电路中的连接点向上向下、向左向右拽拉,再经处理即可得串、并联关系明显的等效电路。

例2:把图5电路改画成串、并联关系明显的等效电路。

解析:将A点先向上拉再向左拉,将B点先向下拉再向右拉得图6电路;再经处理可得图7即题中所求电路。

图片

3、合并节点法

不论导线有多长,只要其间没有连接电源、用电器,则导线两端点都可看成一点,从而找出各用电器两端的公共点。此法可用于识别不规范的电路。

例3:把图8电路改画成串、并联关系明显的等效电路。

解析:因AC和BD两导线上都没有连接用电器,故可把AC和BD导线看作A和B两个点处理;进而可知四个电阻并联在A、B两点之间,将这四个电阻并联接在A、B两点之间使其作为电阻公共点,即可得图10所示题中所求电路。

图片

4、移动节点法

一个节点可从导线上的一处移到另一处,但不可越过电源、用电器。

例4:把图11电路改画成串、并联关系明显的等效电路。

解析:将节点A向左移到左侧导线上,将节点B向右移到右侧导线上,所得图12电路即题中所求。

图片

例5:将图13电路改画成串、并联关系明显的等效电路。

解析:将节点A向上移,将节点B向下移,得图14电路即为图中所求。

5、元件拆除法

拆除法是识别较复杂电路的一种重要方法:

  • 串联电路——拆除一段电路上的用电器后,其他路段上的用电器不能正常工作。

  • 并联电路——拆除其中一条支路上的用电器后,其他支路上的用电器仍能正常工作

例6:把图15电路改画成串、并联关系明显的等效电路。

解析:L1拆除后得图16电路,L2拆除后得图17电路,L3拆除后得图18电路;分析三个图可知,无论拆除哪个灯泡其余灯泡均可正常发光,因此三灯是并联关系,再接着画等效电路图就不难了。

图片

6、简化电路法

把断开的开关或被短路的用电器去掉的方法叫简化电路法。

例7:把图19电路改画成串、并联关系明显的等效电路。

解析:去掉S、L3简化后得图20电路,拉拽导线后得图21电路即为所求。

图片

7、电表摘补法

对于有电表的电路可采取电表摘补法分析:把电压表换文字内容连接处看成断路,电流表连接处看作一根导线。由于导线、开关、电流表的阻值很小,所以在电路中可以把电压表两端导线在电路中进行等效移动,在移动中电压表两端导线可以跨过电路中任何导线、开关、电流表等电阻值很小的元件,而几乎不影响电压表的读数。

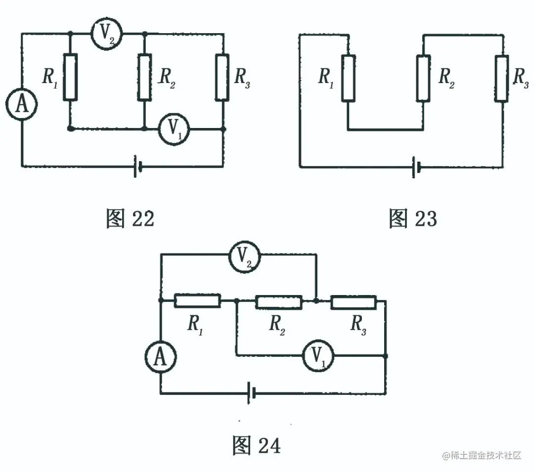
例8:把图22电路改画成串、并联关系明显的等效电路。

解析:电压表处看成断路,电流表处看作一根导线,摘掉电压表和电流表,得图23电路;将导线拉直,再补接上电压表和电流表所得图24电路即为所求。

图片

用电压表测电压时,测的是电路两端电压。但在某些接有电压表的电路中,电压表测的究竟是哪部分电路的电压,这一问题也可以用画等效电路图的方法来解决。

8、电流走向法

按电流的分流走向、用电器连接的先后关系,改画电路图的方法叫电流走向法。

例9:把图25电路改画成串、并联关系明显的等效电路。

解析:电流从电源正极流出,通过A点后分为三路(AB导线可缩为一点),经外电路巡行一周由D点流入电源负极。第一路经R直达D点,第二路经R2到达C点,第三路经R也到达C点;显然R2和R,在AC两点之间为并联关系;第二、三路汇合于C点经R,到达D点,可知Rz、R并联后,与R串联,再与R并联,所得图26所示电路即为题中所求。

图片 选元器件上唯样商城