【计算机组成原理】计算机的性能指标、数据的表示和运算、BCD码和余3码

241 阅读3分钟

计算机组成原理(二)

计算机的性能指标:

存储器的性能指标:

存储器中,MAR为存储单元的个数

MDR为机械字长也就是存储单元的长度

存储器的大小=MAR*MDR

n为二进制位能表示出几种不同的状态呢?

2的n次方种不同的状态

[外链图片转存失败,源站可能有防盗链机制,建议将图片保存下来直接上传(img-LyWAX79C-1678588323298)(C:\Users\小卢\AppData\Roaming\Typora\typora-user-images\image-20230307190530129.png)]

CPU的性能指标:

下面的周期就是时间,主频相当于频率

CPU主频:CPU内数字脉冲信号振荡的频率

CPU时钟周期的单位为微妙和纳秒

[外链图片转存失败,源站可能有防盗链机制,建议将图片保存下来直接上传(img-tQrdPCPz-1678588344503)(C:\Users\小卢\AppData\Roaming\Typora\typora-user-images\image-20230307191813626.png)]

CPU主频=1/(CPU时钟周期)

CPI为执行一条指令所需的时钟周期

执行一条指令的耗时=CPI*CPU时钟周期

例如:

Eg:某CPU主频为1000Hz,某程序包含100条指令,平均来看指令的CPI=3.
该程序在该CPU上执行需要多久?

100 *3 *(1/1000)=0.3s

IPS:每秒执行多少条指令 IPS=主频/平均CPI

系统整体的性能指标:

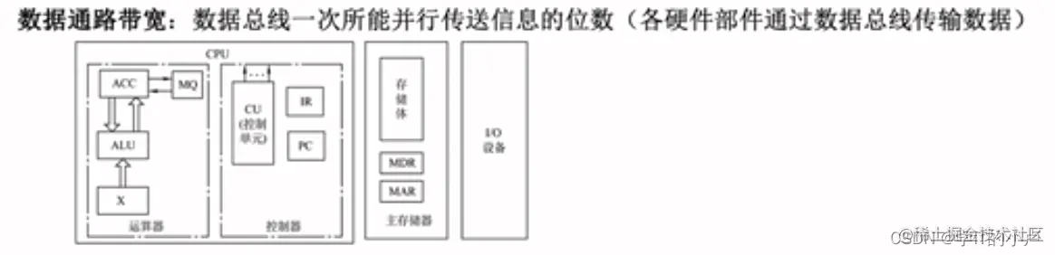
数据通路带宽:

数据总线一次所能并行传送信息的位数

[外链图片转存失败,源站可能有防盗链机制,建议将图片保存下来直接上传(img-BFqIzHKu-1678588236942)(C:\Users\小卢\AppData\Roaming\Typora\typora-user-images\image-20230307193706570.png)]

吞吐量:指系统在单位时间内处理请求的数量。
它取决于信息能多快地输入内存,CPU能多快地取指令,数据能多快地从内存取出或
存入,以及所得结果能多快地从内存送给- - 台外部设备。这些步骤中的每- -步都关系
到主存,因此,系统吞吐量主要取决于主存的存取周期
响应时间:指从用户向计算机发送-一个请求,到系统对该请求做出响应并获得它所需
要的结果的等待时间。
通常包括CPU时间(运行一个程序所花费的时间)与等待时间(用于磁盘访问、存储
器访问、/0操作、操作系统开销等时间)。

数据的表示和运算:

进位计数制:

常见的进制分为:

二进制、八进制、十进制、十六进制

各个进制表示的数字:

[外链图片转存失败,源站可能有防盗链机制,建议将图片保存下来直接上传(img-oP620FR6-1678588236943)(C:\Users\小卢\AppData\Roaming\Typora\typora-user-images\image-20230307211415649.png)]

二进制:

二进制用0or1来表示

  • 可以使用两个稳定状态的物理器件表示
  • 0和1正好对应逻辑值假、真。方便实现逻辑运算。
  • 可很方便地使用逻辑门电路实现逻辑运算

二进制与八进制or十六进制互相转换:

二进制的3位,范围是0—7,就相当于八进制的一位

因此2进制中每三位就相当于八进制中的一位

二进制的4位,范围是0—15,就相当于十六进制的一位

因此2进制中每四位相当于十六进制一位

[外链图片转存失败,源站可能有防盗链机制,建议将图片保存下来直接上传(img-r6UNDu1f-1678588236943)(C:\Users\小卢\AppData\Roaming\Typora\typora-user-images\image-20230307212829572.png)]

[外链图片转存失败,源站可能有防盗链机制,建议将图片保存下来直接上传(img-sFS9XucG-1678588236943)(C:\Users\小卢\Documents\Tencent Files\2783346860\FileRecv\MobileFile\IMG_7978.PNG)]

BCD码(8421码):

二进制:0、1

8421码的范围为0000~1001

而1010~1101没有定义

8421码的映射关系:

[外链图片转存失败,源站可能有防盗链机制,建议将图片保存下来直接上传(img-ztNiiw36-1678588236943)(C:\Users\小卢\AppData\Roaming\Typora\typora-user-images\image-20230308160609158.png)]

当十进制5+8=13,用8421码来定义如何写呢?13的二进制超过了1001

5:0101 8:1000

5+8=0101+1000=1101

1101+0110=10010(取后四位0010,来表示13)

余3码:

8421码+0011

1101+0110=10010(取后四位0010,来表示13)

余3码:

8421码+0011

在这里插入图片描述