无刷直流电机模糊PID控制

543 阅读5分钟

无刷直流电机在克服了有刷直流电机机械换相缺点的同时,又具有结构简单、运行可靠以及调速性能好等优点,在很多领域中得到了广泛的应用。

本阐述了无刷直流电机的基本结构、运行原理和数学模型,并以无刷直流电机为被控对象,根据电机的特点和控制要求确定了三闭环控制策略,分别是位置、转速及电流环控制三者之间实行串级连接。采用模糊PID控制理论,搭建无刷直流电机和控制器的仿真模型来验证电机控制策略的可行性,使要能使伺服控制器的具体性能满足:无静差,响应快,超调量小的设计要求。结合三闭环控制结构的特点,在位置环中采用模糊PID控制算法,内环中的电流环和转速环均采用PI调节器,并根据方案进行伺服控制系统的仿真设计。

对所设计的仿真模型进行调试,通过仿真结果显示,在采用模糊PID控制器下,给定初始位移输入,控制系统的动态性能和静态性能都得到了很大改善,模糊PID控制下的响应曲线与经典PID控制下的响应曲线相比,具有较快的响应时间,曲线平稳,误差小。最后输出的转速维持在给定数值,上下浮动很小,并且保持输出转矩恒定,满足系统的指标。

无刷直流电机就是用电子开关电路和位置传感器取代了有刷直流电机的机械电刷。为了达到有刷直流电机机械电刷换相的作用,无刷直流电机将电枢绕组和永磁磁钢分别放在定予和转子上,构成“倒装式直流电机”。无刷直流电机主要包括两部分:一部分是电动机本体,另一部分是位置传感器与电子开关电路组成的电子换相电路,其结构原理如图2.1所示。

image.png

电机在启动阶段要求能维持较大的允许启动力矩,可充分利用电机的过载能力,可使其获得最快启动。同时,电机在稳定运行的状态下能够实现转速无静差的效果,此外,保证电机能够实现准确的位置跟踪。为实现电机在运行中的精确可控性,在本课题中,控制系统采用三闭环控制结构,分别是位置、转速及电流环控制,三者之间实行串级连接,如图

image.png

模糊控制理论*

模糊控制是以模糊论集合、模糊语言变量以及模糊逻辑推理为基础的一种非线性控制,它是以传感器技术、计算机控制技术和自动控制理论等作为技术基础的新型控制方法。模糊控制的最大特点是不需要建立被控对象的系统模型,便可以完成系统控制。因此,对于许多难于建模和控制的系统来说,模糊控制理论得到了广泛的应用。

建立模糊控制的基础是模糊逻辑,其实质是将基于专家知识的控制策略转换为自动控制的策略。模糊控制是以被控对象输出变量的偏差e和偏差的变化率ec作为系统的输入变量,把被控量作为输出变量,通过定义模糊规则、隶属函数来确定输入变量和输出变量之间的关系及其算法结构。在实际应用中,将采集的控制信息经语言控制规则进行模糊推理和决策,得到被控制量的模糊集,在经过模糊判决得到被控制对象的精确输出量,从而实现了被控对象的模糊控制,使系统达到预期的控制效果。

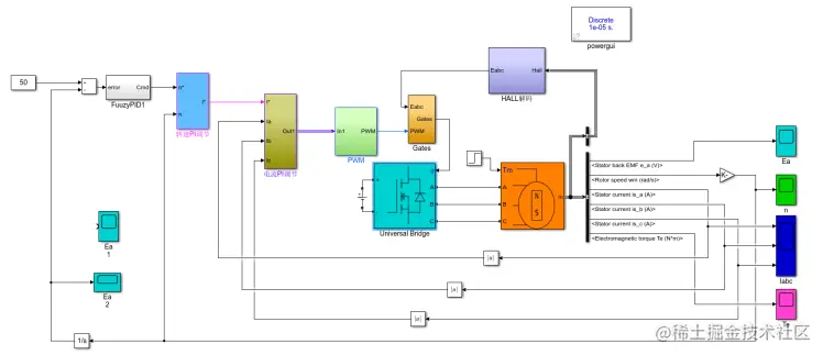
无刷直流电机控制系统的仿真图中共包括了电机主体、逆变桥、三环控制、换相以及PWM产生五个部分。下面着重介绍一下三环控制部分的仿真图,如图3.5所示。

仿真运行过程:

    给定位移量,由位置,转速,电路三环控制共同生产PWM斩波信号,通过电机的霍尔效应得到电压控制信号,两者生成全桥的阶跃信号,将标准电压通过调频改变输出的三相电压再输入给电机,从而得到对应的输出反馈给控制器。

image.png

其中,位置调节器采用模糊PID调节,图3.6为位置环的模型。相对于PID调节来说,模糊PID调节器具有更好的响应速度和消除静态误差。模糊模块的输入是转角位移的偏差和偏差变化量,输出是比例系数、积分系数和微分系数的变化增量,这三个增量在分别加上其各自的设定量,同时调节转角位移,可以保证在负载变化或外界环境变化下使系统具有更好的自调节能力。

将前面设计好的模糊文件保存到MATLAB的工作区中,再将用Simulink库建好的仿真模型中的模糊控制器模块与工作区中的模糊推理系统fis结构连接起来,再设置输入输出向量个数,这样就建立了基于Matlab的无刷直流电机的模糊仿真模型。

image.png