网络协议课后学习 | 青训营笔记

99 阅读2分钟

网络组成部分

  • 主机:客户端和服务端
  • 路由器:消息中转站
  • 网络协议:存在需要连接,就好像语言交流需要两个人进行对话
网络协议概念

网络协议是网络上所有设备(网络服务器、计算机及交换机、路由器、防火墙等)之间通信规则的集合,它规定了通信时信息必须采用的格式和这些格式的意义。大多数网络都采用分层的体系结构,每一层都建立在它的下层之上,向它的上一层提供一定的服务,而把如何实现这一服务的细节对上一层加以屏蔽。

网络协议的层次结构
  1. 结构中的每一层都规定有明确的服务及接口标准。
  2. 把用户的应用程序作为最高层。
  3. 除了最高层外,中间的每一层都向上一层提供服务,同时又是下一层的用户。
  4. 把物理通信线路作为最低层,它使用从最高层传送来的参数,是提供服务的基础。

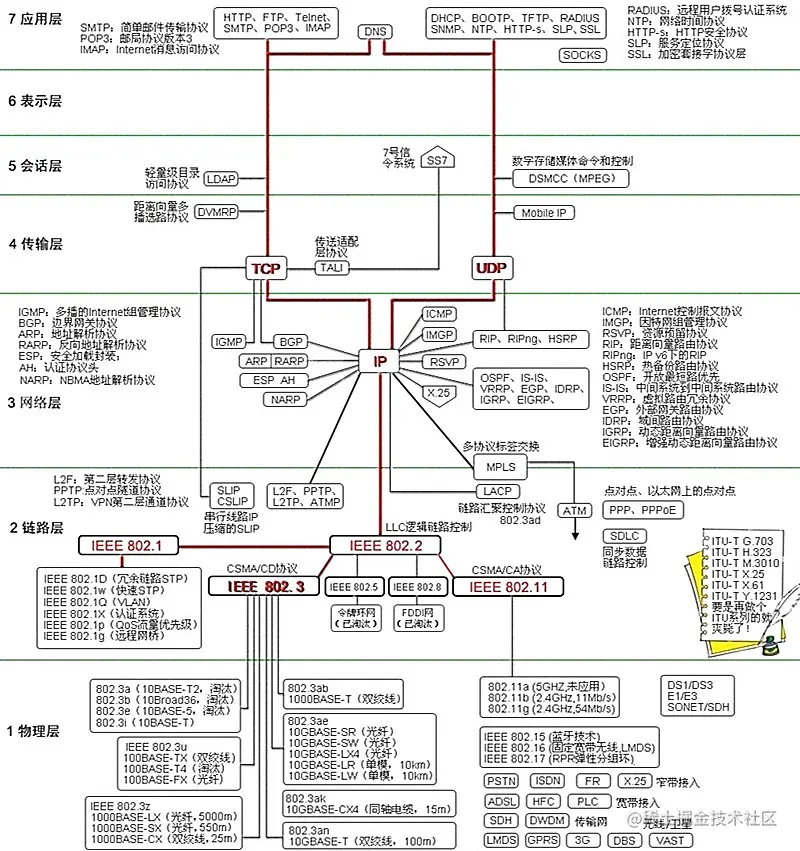
为了使不同计算机厂家生产的计算机能够相互通信,以便在更大的范围内建立计算机网络,国际标准化组织(ISO)在1978年提出了“开放系统互联参考模型”,即著名的OSI/RM模型(Open System Interconnection/Reference Model)。它将计算机网络体系结构的通信协议划分为七层,自下而上依次为:物理层(Physics Layer)、数据链路层(Data Link Layer)、网络层(Network Layer)、传输层(Transport Layer)、会话层(Session Layer)、表示层(Presentation Layer)、应用层(Application Layer)。各种网络协议与其层次划分如下所示:

image.png

  • 数据封装

image.png

  • 数据解封

716683-20160303103929830-299009717.jpg

参考文章:www.cnblogs.com/syfwhu/p/52…