优秀的流程图应该怎么绘制呢?

1,968 阅读4分钟

优秀的流程图应该怎么绘制呢?本文将带大家学习优秀流程图的绘制要点和技巧,以及讲解流程图与UML活动图、BPMN图之间的关系和区别。

1、认识流程图

流程图简单讲就是用图描述流程,这种流程可以是一种有先后顺序的操作组成,可以是系统的输入到输出的整个环节的描述,也可以是不同人员、组织或系统协同有序的处理某件事的全过程。

流程图包含以下要素

  • 流程图组件类型(形状)

  • 流程图的结构
    顺序结构

分支结构

循环结构

  • 流程图的流向/顺序控制
    绘制流程图时,按我们的阅读习惯,应遵循从左到右、从上到下的顺序排列
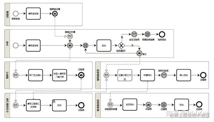
  • 流程图分区
    使用泳池泳道组件,使流程参与方的职责看起来更清晰

  • 其他相似绘图对比
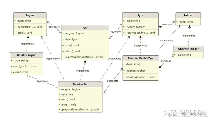
    活动图
    流程图着重描述处理过程,它的主要控制结构是顺序、分支和循环,各个处理过程之间有严格的顺序和时间关系。而UML活动图描述的是对象活动的顺序关系所遵循的规则,它着重表现的是系统的行为,而非系统的处理过程。
    UML活动图能够表示并发活动的情形,而流程图不行。
    UML活动图是面向对象的,而流程图是面向过程的。

BPMN
流程图主要是描述给人看的,BPMN主要是描述可执行模型图,需要被工作流引擎或业务流程管理系统精确解释生成代码,而且是可执行的,描述的粒度更细,符号更多,标识的含义越精确。

2、画流程图基本要求

· 复杂流程图请分为主子流程图来绘制,不要画在同一流程图中。

· 流程图禁止死循环。

· 流程图须以单一入口,单一出口特征绘制。“开始”符号只能出现一次,但是“结束”符号可以出现多次。

· 相同流程图,符号大小最好一致,看起来更美观。

· 流程图符号绘制顺序,应从上至下,从左到到右的顺序。

· 同一路径,指示箭头应只有一个,用来表示流程的执行顺序或数据的流向。

· 流程图如有参考到其他流程。可引用已定义的流程,不需要重复绘制。

· 路径符号应避免相互交叉。

1、常用流程图组件

(1)此组件表示流程的开始和结束,在此图标需标志上“开始”和“结束”。

(2)用于标识分支判断(二选一)的情况,特别是成功/失败、是/否的情况,需要在分支出口线上标识出此分支表示的情况。此标志在框中,需要说明判断的内容.

(3)调用外部数据,引用外部数据

(4)存储数据,输出存储数据

(5)表示流程中涉及的文档

(6)表示手动输入处理。如手动输入用户名和密码。或者手动录入数据等等。

(7)对于公共的流程处理或版面需要,需要本页中用一个标识符号来表示一组流程的,可以通过页内引用进行标识。页内引用必须设定一串字符来标识,并在同一个页面的其它处以相同的标识进行流程的具体描述。

(8)对于公共的流程处理或版面需要,需要再其它页中用一个标识符号来表示一组流程的,可以通过离页引用(页面外引用)进行标识。离页引用必须设定一串字符来标识,同时VISIO自动会根据字串标识自动生成一个单独的页面。

(9)预先定义的子流程。引用某一预先定义的流程进行处理。如示例,汽车空调加工子流程。

(10)流程步骤/操作

(11)标签

(12)流程流转关系与方向描述

3、绘图示例

作为PDDON在线画图的作者,又是市面上唯一完全免费的商业级画图软件,十分欢迎大家免费使用,以下绘图均是采用PDDON绘制,各位看官记得点赞收藏哦!

4、总结

如果需要画好流程图,本文的基础知识点和使用技巧也是需要流程图小白认真学习的哦,相信通过本文的学习,绘制优秀的流程图能带给你更多的收获。

PDDDON除了支持绘制流程图,还支持UML建模、流程图、思维导图、数据库模型图、鱼骨图、韦恩图、BPMN、网络拓扑图、自由风格绘图等等一系列绘图,关注PDDON在线画图公众号,再也不用担心找不到好用的画图工具了。

PDDON声明:提供的画图功能绝不收费,欢迎大家免费使用。

喜欢的朋友可以关注我,定期分享画图教程和绘图模板。

觉得不错的朋友可以点赞、喜欢、收藏哦,谢谢大家。