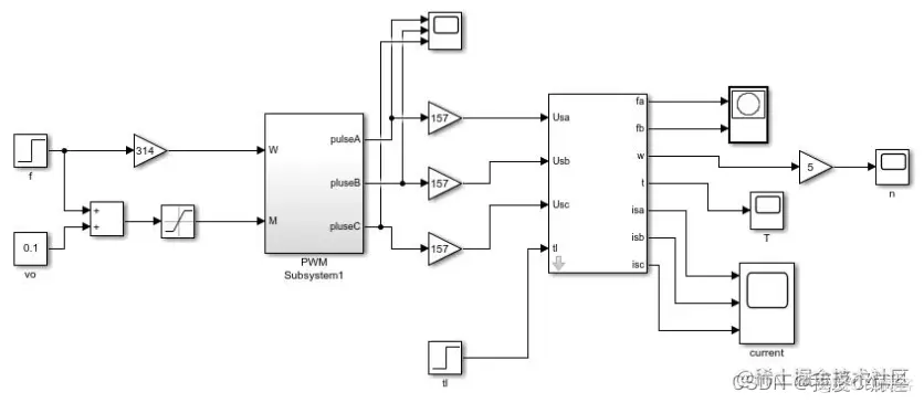
基于simulink的交流电机SPWM调速系统建模与动态仿真

380 阅读3分钟

1.算法描述

       正弦脉宽调制技术SPWM(Sine Pulse Width Modulation)是用所期望的正弦波为“调制波”(Modulation Wave),而以N倍于调制波频率的三角波为“载波”(Carrier Wave)的一种逆变器控制技术。SPWM技术的控制的特点是原理简单、通用性强、控制方便、调节灵活,能有效降低谐波分量、稳定输出电压,是一种比较好的波形改善法,在目前中小型逆变器中获得了广泛的应用。

 

      单极性SPWM法是指三角波载波信号Uc与正弦波调制信号Ur始终保持相同极性Uc为正的三角波,当Ur处于正半周期时,产生正向调制脉冲信号;当Ur处于负半周期时,通过倒向电路保持同极性,产生负向调制脉冲信号,如图1-1所示。

 

df459a8c1838590e69562b1c8276f6c0_watermark,size_14,text_QDUxQ1RP5Y2a5a6i,color_FFFFFF,t_100,g_se,x_10,y_10,shadow_20,type_ZmFuZ3poZW5naGVpdGk=.png

 

       双极性SPWM法是指三角波载波信号与正弦波调制信号的极性均为正负交替改变,如图1-2所示。载波信号Uc为正负对称的三角波,调制信号Ur直接与Uc进行比较,便可得到双极性SPWM脉冲。对于三相逆变器来说,载波信号Uc可以三相共用;由正弦波发生器产生三相相位相差120°的可变幅,变频的正弦波信号Uru、Urv和Urw分别作为三相调制信号。三相调制信号分别于Uc进行比较,可获得三相SPWM信号,利用三相SPWM信号控制相应的电子开关的开通和关断,便可得到三相双极性SPWM输出电压。

 

a92fbdef2d74ffc2802c16820ec333f8_watermark,size_14,text_QDUxQ1RP5Y2a5a6i,color_FFFFFF,t_100,g_se,x_10,y_10,shadow_20,type_ZmFuZ3poZW5naGVpdGk=.png

 

常用的生成SPWM波的控制算法主要有自然采样法和对称规则采样法(本文只介绍这两种)。

(1)自然采样法:按照正弦波与三角波的交点进行脉冲宽度与间隙时间的采样,从而生成SPWM波形,称为自然采样法,如图1-3所示,图中Tc为载波周期,δ为脉冲宽度。

自然采样法采用计算的方法寻找三角载波Uc与参考正弦波Ur的交点作为开关值以确定SPWM的脉冲宽度,这种方法误差小、精度高,但是计算量大,难以做到实时控制,用查表法将占用大量内存,调速范围有限,一般在实际的机算计控制中不采用。但是利用MATLAB/Simulink很容易建立其仿真模型。

(2)规则采样法:采用近似求Uc和Ur交点的方法,通过两个三角波峰之间中线与Uc的交点作水平线与三角波分别交与A点和B点,如图1-4所示,由交点确定SPWM的脉冲宽度,这种方法的计算量相对自然采样法小很多,但存在一定误差。

 

2.仿真效果预览

matlab2022a仿真结果如下:

3.png

4.png

5.png  

3.MATLAB核心程序

 

6fb46774a69fbf16320a9ad66e6695b0_watermark,size_14,text_QDUxQ1RP5Y2a5a6i,color_FFFFFF,t_100,g_se,x_10,y_10,shadow_20,type_ZmFuZ3poZW5naGVpdGk=.png