使用LabVIEW实现 DeepLabv3+ 语义分割(含源码)

997 阅读4分钟

前言

图像分割可以分为两类:语义分割(Semantic Segmentation)和实例分割(Instance Segmentation),前面已经给大家介绍过两者的区别,并就如何在labview上实现相关模型的部署也给大家做了讲解,今天和大家分享如何使用labview 实现deeplabv3+的语义分割,并就 Pascal VOC2012 (DeepLabv3Plus-MobileNet) 上的分割结果和城市景观的分割结果(DeepLabv3Plus-MobileNet)给大家做一个分享。


一、什么是deeplabv3+

Deeplabv3+是一个语义分割网络,使用DeepLabv3作为Encoder模块,并添加一个简单且有效的Decoder模块来获得更清晰的分割。即网络主要分为两个部分:Encoder和Decoder;论文中采用的是Xception作为主干网络(在代码中也可以根据需求替换成MobileNet,本文示例中即使用的MobileNet),然后使用了ASPP结构,解决多尺度问题;为了将底层特征与高层特征融合,提高分割边界准确度,引入Decoder部分。

Encoder-Decoder网络已经成功应用于许多计算机视觉任务,通常,Encoder-Decoder网络包含:

  • 逐步减少特征图并提取更高语义信息的Encoder模块
  • 逐步恢复空间信息的Decoder模块

请添加图片描述


二、LabVIEW调用DeepLabv3+实现图像语义分割

1、模型获取及转换

  • 下载预训练好的.pth模型文件,下载链接:share.weiyun.com/qqx78Pv5 ,我们选择主干网络为Mobilenet的模型 -
  • git上下载开源的整个项目文件,链接为:github.com/VainF/DeepL…
  • 根据requirements.txt 安装所需要的库
pip install -r requirements.txt
  • 原项目中使用的模型为.pth,我们将其转onnx模型,
  • 将best_deeplabv3plus_mobilenet_voc_os16.pth转化为deeplabv3plus_mobilenet.onnx,具体转化模型代码如下:
import network
import numpy as np
import torch
from torch.autograd import Variable
from torchvision import models
import os
import re
​
dirname, filename = os.path.split(os.path.abspath(__file__))
print(dirname)
​
def get_pytorch_onnx_model(original_model):
    # define the directory for further converted model save
    onnx_model_path = dirname
    # define the name of further converted model
    onnx_model_name = "deeplabv3plus_mobilenet.onnx"
​
    # create directory for further converted model
    os.makedirs(onnx_model_path, exist_ok=True)
​
    # get full path to the converted model
    full_model_path = os.path.join(onnx_model_path, onnx_model_name)
​
    # generate model input
    generated_input = Variable(
        torch.randn(1, 3, 513, 513)
    )
​
    # model export into ONNX format
    torch.onnx.export(
        original_model,
        generated_input,
        full_model_path,
        verbose=True,
        input_names=["input"],
        output_names=["output"],
        opset_version=11
    )
​
    return full_model_path
​
model = network.modeling.__dict__["deeplabv3plus_mobilenet"](num_classes=21, output_stride=8)
checkpoint = torch.load("best_deeplabv3plus_mobilenet_voc_os16.pth", map_location=torch.device('cpu'))
model.load_state_dict(checkpoint["model_state"])
full_model_path = get_pytorch_onnx_model(model)
​
  • 将best_deeplabv3plus_mobilenet_cityscapes_os16.pth转化为deeplabv3plus_mobilenet_cityscapes.onnx,具体转化模型代码如下:
import network
import numpy as np
import torch
from torch.autograd import Variable
from torchvision import models
import os
import re
​
​
dirname, filename = os.path.split(os.path.abspath(__file__))
print(dirname)
​
def get_pytorch_onnx_model(original_model):
    # define the directory for further converted model save
    onnx_model_path = dirname
    # define the name of further converted model
    onnx_model_name = "deeplabv3plus_mobilenet_cityscapes.onnx"
​
    # create directory for further converted model
    os.makedirs(onnx_model_path, exist_ok=True)
​
    # get full path to the converted model
    full_model_path = os.path.join(onnx_model_path, onnx_model_name)
​
    # generate model input
    generated_input = Variable(
        torch.randn(1, 3, 513, 513)
    )
​
    # model export into ONNX format
    torch.onnx.export(
        original_model,
        generated_input,
        full_model_path,
        verbose=True,
        input_names=["input"],
        output_names=["output"],
        opset_version=11
    )
​
    return full_model_path
​
​
model = network.modeling.__dict__["deeplabv3plus_mobilenet"](num_classes=19, output_stride=8)
checkpoint = torch.load("best_deeplabv3plus_mobilenet_cityscapes_os16.pth", map_location=torch.device('cpu'))
model.load_state_dict(checkpoint["model_state"])
full_model_path = get_pytorch_onnx_model(model)
​

注意:我们需要将以上两个脚本保存并与network文件夹同路径


2、LabVIEW 调用基于 Pascal VOC2012训练的deeplabv3+实现图像语义分割 (deeplabv3+_onnx.vi)

经过实验发现,opencv dnn因缺少一些算子,所以无法加载deeplabv3+ onnx模型,所以我们选择使用LabVIEW开放神经网络交互工具包【ONNX】来加载并推理整个模型,实现语义分割,程序源码如下: 在这里插入图片描述


3、LabVIEW Pascal VOC2012上的分割结果(deeplabv3+_onnx.vi)

在这里插入图片描述


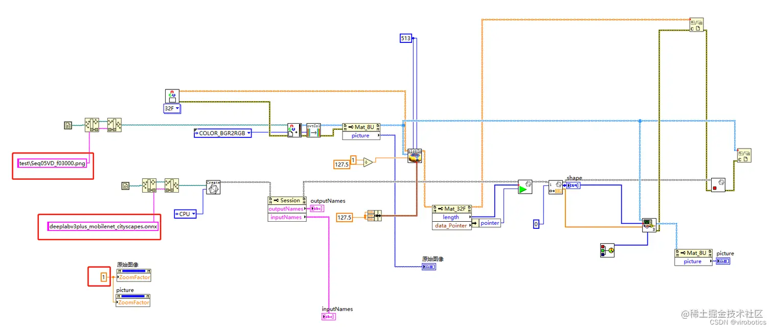
4、LabVIEW 调用基于 Cityscapes 训练的deeplabv3+实现图像语义分割 (deeplabv3+_onnx_cityscape.vi)

如下图所示即为程序源码,我们对比deeplabv3+_onnx.vi,发现其实只需要把模型和待检测的图片更换,图片尺寸比例也做一个修改即可 在这里插入图片描述


5、LabVIEW 城市景观的分割结果(deeplabv3+_onnx_cityscape.vi)

在这里插入图片描述


三、项目源码及模型下载

欢迎关注微信公众号: VIRobotics,回复关键字:deepLabv3+ 语义分割源码  获取本次分享内容的完整项目源码及模型。


附加说明


总结

以上就是今天要给大家分享的内容。如果有问题可以在评论区里讨论,提问前请先点赞支持一下博主哦,如您想要探讨更多关于LabVIEW与人工智能技术,欢迎加入我们的技术交流群:705637299。

图像分割其他实战项目传送门

《使用LabVIEW实现基于pytorch的DeepLabv3图像语义分割》

《手把手教你使用LabVIEW实现Mask R-CNN图像实例分割》

《LabVIEW+OpenVINO在CPU上部署新冠肺炎检测模型实战(含源码)》

如果文章对你有帮助,欢迎✌关注、👍点赞、✌收藏、👍订阅专栏

本文正在参加 人工智能创作者扶持计划