u-boot移植--基于正点原子iMX6ull开发板

1,954 阅读3分钟

更好的阅读体验请见: u-boot移植--基于正点原子iMX6ull开发板

添加自己的开发板

uboot的板级配置文件在顶层目录的*configs*文件夹里,

cp mx6ull_14x14_evk_emmc_defconfig mx6ull_jarvis_emmc_defconfig

复制一份mx6ull_14x14_evk_emmc_defconfig,这是NXP针对imx6ull这个板子的配置文件,复制改成自己的mx6ull_jarvis_emmc_defconfig

修改mx6ull_jarvis_emmc_defconfig,加粗部分是自己修改的。

CONFIG_SYS_EXTRA_OPTIONS="IMX_CONFIG=board/freescale/**mx6ull_jarvis_emmc**/imximage.cfg,MX6ULL_EVK_EMMC_REWORK"
CONFIG_ARM=y
CONFIG_ARCH_MX6=y
CONFIG_TARGET_**MX6ULL_JARVIS_EMMC**=y
CONFIG_CMD_GPIO=y

添加开发板对应的头文件

使用命令cp mx6ullevk.h mx6ull_jarvis_emmc.h,在 目 录 include/configs 下 添 加 开 发 板 对 应 的 头 文 件 , 复 制 include/configs/mx6ullevk.h,并重命名为mx6ull_jarvis_emmc.h

添加开发板对应的板级文件夹

cd board/freescale/
cp mx6ullevk/ -r mx6ull_jarvis_emmc
cd mx6ull_jarvis_emmc
mv mx6ullevk.c mx6ull_jarvis_emmc.c

修改*board/freescale/mx6ull_jarvis_emmc/Makefile*。

# (C) Copyright 2015 Freescale Semiconductor, Inc.
#
# SPDX-License-Identifier:  GPL-2.0+
#

obj-y  := **mx6ull_jarvis_emmc.o**

extra-$(CONFIG_USE_PLUGIN) :=  plugin.bin
$(obj)/plugin.bin: $(obj)/plugin.o
  $(OBJCOPY) -O binary --gap-fill 0xff $< $@

修改*board/freescale/mx6ull_jarvis_emmc/imximage.cfg *34行。

改为PLUGIN board/freescale/mx6ull_jarvis_emmc/plugin.bin 0x00907000

修改*board/freescale/mx6ull_jarvis_emmc/Kconfig*。

if **TARGET_MX6ULL_JARVIS_EMMC**

config SYS_BOARD
  default "**mx6ull_jarvis_emmc**"

config SYS_VENDOR
  default "freescale"

config SYS_CONFIG_NAME
  default "**mx6ull_jarvis_emmc**"

endif

修改*board/freescale/mx6ull_jarvis_emmc/MAINTAINERS*

MX6ULLEVK BOARD
M:  Peng Fan <peng.fan@nxp.com>
S:  Maintained
F:  board/freescale/mx6ull_alientek_emmc/
F:  include/configs/mx6ull_alientek_emmc.h
F:  configs/mx6ull_14x14_evk_defconfig
F:  configs/mx6ull_9x9_evk_defconfig

修改uboot图形界面配置文件*arch/arm/cpu/armv7/mx6/Kconfig*

在207行后加入

config TARGET_MX6ULL_JARVIS_EMMC
  bool "Support mx6ull_jarvis_emmc"
  select MX6ULL
  select DM
  select DM_THERMAL

然后在endif前加入

source "board/freescale/mx6ull_jarvis_emmc/Kconfig"

编译测试

修改uboot顶层Makefile

在250行添加

ARCH = arm
CROSS_COMPILE = arm-linux-gnueabihf-

如果uboot工程里没有执行过make mx6ull_jarvis_emmc_defconfig,就先执行一下,然后再执行make

烧写

拨码开关设置到USB,选择u-boot.imx文件,烧写,烧写完后设置拨码开关从EMMC启动。

看到找不到网络设备和不支持屏幕,还要修改屏幕驱动和eth相关的东西。

屏幕&网络驱动移植

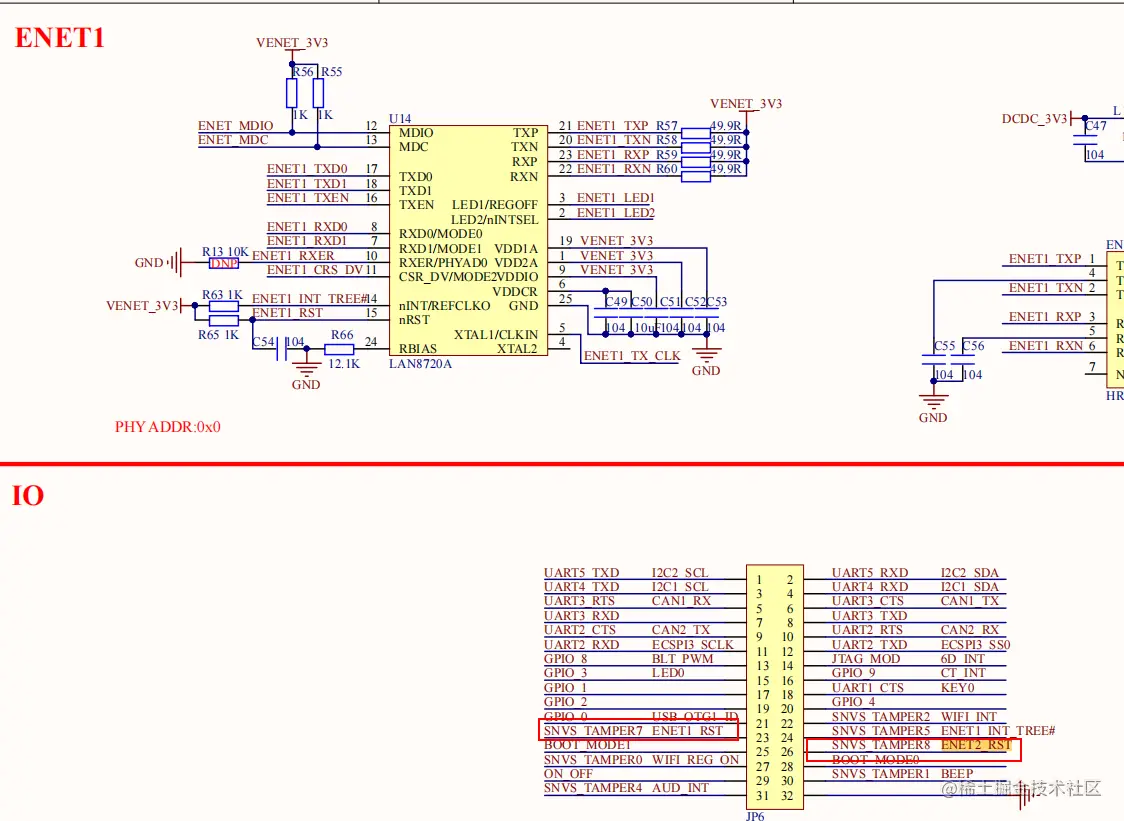
正点原子imx6ull开发板使用的PHY芯片是 LAN8720A。

原子这款开发板与NXP官方的原理图是一样的,除了phy的复位脚不同

从原理图看到ENET1,对应eth0网口,复位脚接到了GPIO5_IO07

ENET2,对应eth1网口,复位脚接到了GPIO5_IO08。

软件层面的修改

修改*include/configs/mx6ull_jarvis_emmc.h*

大概在333行的位置。

#if (CONFIG_FEC_ENET_DEV == 0)
#define IMX_FEC_BASE      ENET_BASE_ADDR
**#define CONFIG_FEC_MXC_PHYADDR          0x0**
#define CONFIG_FEC_XCV_TYPE             RMII
#elif (CONFIG_FEC_ENET_DEV == 1)
#define IMX_FEC_BASE      ENET2_BASE_ADDR
#define CONFIG_FEC_MXC_PHYADDR    0x1
#define CONFIG_FEC_XCV_TYPE    RMII
#endif
#define CONFIG_ETHPRIME      "FEC"

#define CONFIG_PHYLIB
#define **CONFIG_PHY_SMSC**
#endif

修改*board/freescale/mx6ull_jarvis_emmc/mx6ull_jarvis_emmc.c*

内容比较多,一共修改了3个文件,内容较多,输出diff。

  1. board/freescale/mx6ull_jarvis_emmc/mx6ull_jarvis_emmc.c
  2. drivers/net/phy/phy.c
  3. include/configs/mx6ull_jarvis_emmc.h

踩坑

记录我踩的一个坑,由于编译工具链版本太高,导致调用htons函数有问题。

使用GCC4.9的工具链没问题。

ps:我是哆哆,一枚二本机械狗,从华为外包逆袭到芯片原厂公司,目前从业于半导体行业,在一家芯片原厂公司任职Linux固件工程师,喜欢阅读内核源码,深入操作系统的世界,除此之外,星主还喜欢个人成长,秉承终身学习,终身成长,坚持运动。

星主从最开始玩51单片机,到stm32,然后玩Linux,逼自己看过很多书籍,自学的过程走过很多弯路,最后也如愿以偿。所以,我想把我的经验分享给朋友们。同时,打造一个嵌入式圈子,欢迎所有嵌入式行业的朋友进来。期待你的关注!