VK2C23A/B LQFP64/48 LCD液晶段码屏显示驱动IC 高抗干扰/抗噪 I2C通信接口 原厂FAE支持

105 阅读1分钟

产品型号:VK2C23A/B

产品品牌:永嘉微电/VINKA

封装形式:LQFP64/48

可定制裸片:DICE(COB邦定片);COG(邦定玻璃用)

产品年份:新年份

原厂工程服务,技术支持!

 

VK2C23A/B概述:

VK2C23A/B是一个点阵式存储映射的LCD驱动器,可支持最大224点(56SEGx4COM)或者最大416点(52SEGx8COM)的LCD屏。单片机可通过I2C接口配置显示参数和读写显示数据,也可通过指令进入省电模式。其高抗干扰,低功耗的特性适用于水电气表以及工控仪表类产品。

 

特点:

★  工作电压 2.4-5.5V

★  内置32 kHz RC振荡器

★  偏置电压(BIAS)可配置为1/3、1/4

★  COM周期(DUTY)可配置为1/4、1/8

★  内置显示RAM为56x4位、52x8位

★  帧频可配置为80Hz、160Hz

★  省电模式(通过关显示和关振荡器进入)

★  I2C通信接口

★  显示模式56x4、52x8

★  3种显示整体闪烁频率

★  软件配置LCD显示参数

★  读写显示数据地址自动加1

★  VLCD脚提供LCD驱动电压源(<5.5V)

★  内置16级LCD驱动电压调整电路

★  内置上电复位电路(POR)

★  低功耗、高抗干扰

★  封装 :LQFP48(7.0mm x 7.0mm PP=0.5mm)

LQFP64(7.0mm x 7.0mm PP=0.4mm)

DICE   COG

VK2C23  COB资料.png

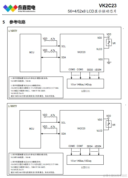
VK2C23参考电路.jpg

VK2C23电气特性.jpg