基于simulink的车用质子交换膜燃料电池(PEMFC)PID控制系统仿真

189 阅读5分钟

1.算法描述

       能源是人类社会赖以生存和发展的重要物质基础,能源的开发利用极大地推进了世界经济和人类社会的发展。随着能源危机警钟的响起,20世纪所建立起来的庞大能源体系已无法适应未来社会对高效、清洁、经济又安全的能源体系的要求,能源发展正面临着巨大的挑战。近年来,各种新兴替代能源纷纷出现,氢能也开始崭露头角。氢能的储存方式既可以为液态存储,又可以为气态存储。氢气在空气中燃烧的产物只有水。如今,尽管氢能的利用很少出现在人们的日常生活中,但工业领域对氢能的利用已相当普遍。从某种意义上讲,氢气是一种取之不尽、用之不竭的可再生能源载体,大力发展氢能对我国这样的能源消费大国的未来发展尤为重要。

 

        尽管通过电池材料的创新和系统控制策略的改进都可以在一定程度上提高燃料电池的耐久性,但是材料创新与改进是一个较为漫长的过程。从实际角度出发,在原有材料基础上通过系统控制策略的改进,从而提高车用燃料电池系统的使用寿命,这类研究更有重要的现实意义。如前文所述,过氧比的剧烈波动会直接影响燃料电池的“健康状况”。因此,当负载电流发生骤变时,采取适当的控制方法减弱过氧比的波动对延长燃料电池寿命是本文的研究重点之一。另一方面,在燃料电池系统关机或外界需求电流降低时,燃料电池系统内部残存的盈余氢气未经利用而直接排入大气,势必对系统中氢能的利用率有所影响。本文提出的控制方法也可以进一步利用燃料电池系统的盈余气体,从而改善氢能的利用率。

 

       根据各种燃料电池的应用场合,本文选用质子交换膜燃料电池(PEMFC)作为车用燃料电池,并对之进行相关的控制研究。质子交换膜燃料电池是利用质子交换聚合物作为电解质,阳极和阴极分别由含有一薄层催化剂(通常为铂黑或碳载铂)的多孔气体扩散电极组成。将电解质膜压在两电极之间,就构成了一个单一的“膜电极组件(MEA)”。这个“膜电极组件”是燃料电池单体的核心,其厚度不到1mm。以氢或净化重整气为燃料,空气或纯氧为氧化剂,带有气体流动通道的石墨或表面改性金属板为双极板,其结构如图1所示。

1.png

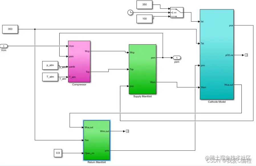
     PEM燃料电池系统是一个十分复杂的非线性系统,对PEMFC系统建模的研究工作相对较少。目前,PEM燃料电池系统模型可以分为0-D、1-D、2-D和3-D模型。其中,0-D模型为时间域上的参数集中模型,适合用于控制设计。本文选取的模型为燃料电池系统建模领域广为推崇和认可的Pukrushpan[85-86]建立的PEMFC系统模型,这是一个半机理半经验模型,该模型结构简单,控制参数单一,适合进行控制研究。本文根据反应气体流动过程,将系统模型分为几部分:空压机模型、供气管路模型、排气管路模型以及燃料电池堆模型,

 

      在燃料电池系统中,空压机为燃料电池堆提供反应所需的氧气,同时配有相应的滤清器和增湿器。空压机将环境中的空气泵入并加压,送入燃料电池空气流道。空气流过阴极时,其中的部分氧气会参与电化学反应,产生水。水和空气中氮气、剩余的氧气一起排出电堆。排出的气体中富含水分,因此可以通过冷凝器回收,回收的水分通过泵送到加湿器中循环利用。背压阀的作用是保持空气进出口两端的压差。

2.png

      空气供气管路为连接空压机和燃料电池堆阴极流道的所有空气管路的集合,其长度和体积取决于空压机和燃料电池堆的相对位置。考虑到从空压机出来的空气温度较高,空气在供气管路中的温度变化明显,不能将供气管路中空气的温度 近似等同于空压机出口处的空气温度 。根据能量守恒定律,理想气体状态方程和空气的热力学动态特性,列写式(7)和式(8)的供气管路动态方程。

 

3.png

 

        排气管路模型包括空气排气管路和氢气排气管路模型。空气排气管路模型代表空气从电堆阴极流出后所经过的所有管路的集合。

 

4.png

 

2.仿真效果预览

matlab2022a仿真结果如下:

 

5.png

6.png  

3.MATLAB核心程序

7.png

8.png

9.png

10.png

11.png

`R=8.314;                %单位J/(mol*K);

F=96485;                %法拉第常数,单位c/mol

n=381;                  %电池片数

r=1.4;                  %空气比热比

Cp=1e3;                 %air specific heat

p_atm=101325;

p_aamb=101325;                  %环境干空气压力

psat_amb=0.4e5;                 %环境温度饱和蒸气压

 

yo2=0.21;                       %氧气体积分数

Mo2=0.032;                      %氧气摩尔质量(kg/mol)

Mn2=0.028;                      %氮气摩尔质量(kg/mol)

Mv=0.018;                       %水蒸气摩尔质量(kg/mol)

Ma=0.0288;                      %干空气摩尔质量(kg/mol)

Mh2=0.002;                      %氢气摩尔质量(kg/mol)

T_atm=273+25;

LHV_H2=119.64e6;                %氢气低热值(J/kg)

%% Compressor parameters

Jcp=5e-5;                         %空压机转动惯量(kg*m2)

Ra=286.9;                         %空气气体常数(J/(kg*K))

eta1=0.82;                        %电机效率

eta2=0.85;                         %空压机效率

kt=0.0153;                        %电机参数

Rcm=0.82;                         %电机阻抗

kv=0.0153;                        %电机参数

 

%% Supply Manifold

Vol=0.02;                         %SM管道体积

k_nozzle=0.3629e-5;              

 

%% Return Manifold

Crm=0.0124;                       %管道系数

Vrm=0.005;                        %RM管道体积

%% Membrane

rhom_dry=2000;

Mm_dry=1.1;

%% Stack

gdl=300e-6;                            %GDL厚度

Afc=280e-4;                            %电堆表面积(m2)

A_fc=280e-4;`