图解LeetCode——剑指 Offer 46. 把数字翻译成字符串

188 阅读2分钟

开启掘金成长之旅!这是我参与「掘金日新计划 · 2 月更文挑战」的第 25 天,点击查看活动详情

一、题目

给定一个数字,我们按照如下规则把它翻译为字符串:0 翻译成 “a”1 翻译成 “b”,……,11 翻译成 “l”,……,25 翻译成 “z”。一个数字可能有多个翻译。请编程实现一个函数,用来计算一个数字有多少种不同的翻译方法。

二、示例

2.1> 示例 1:

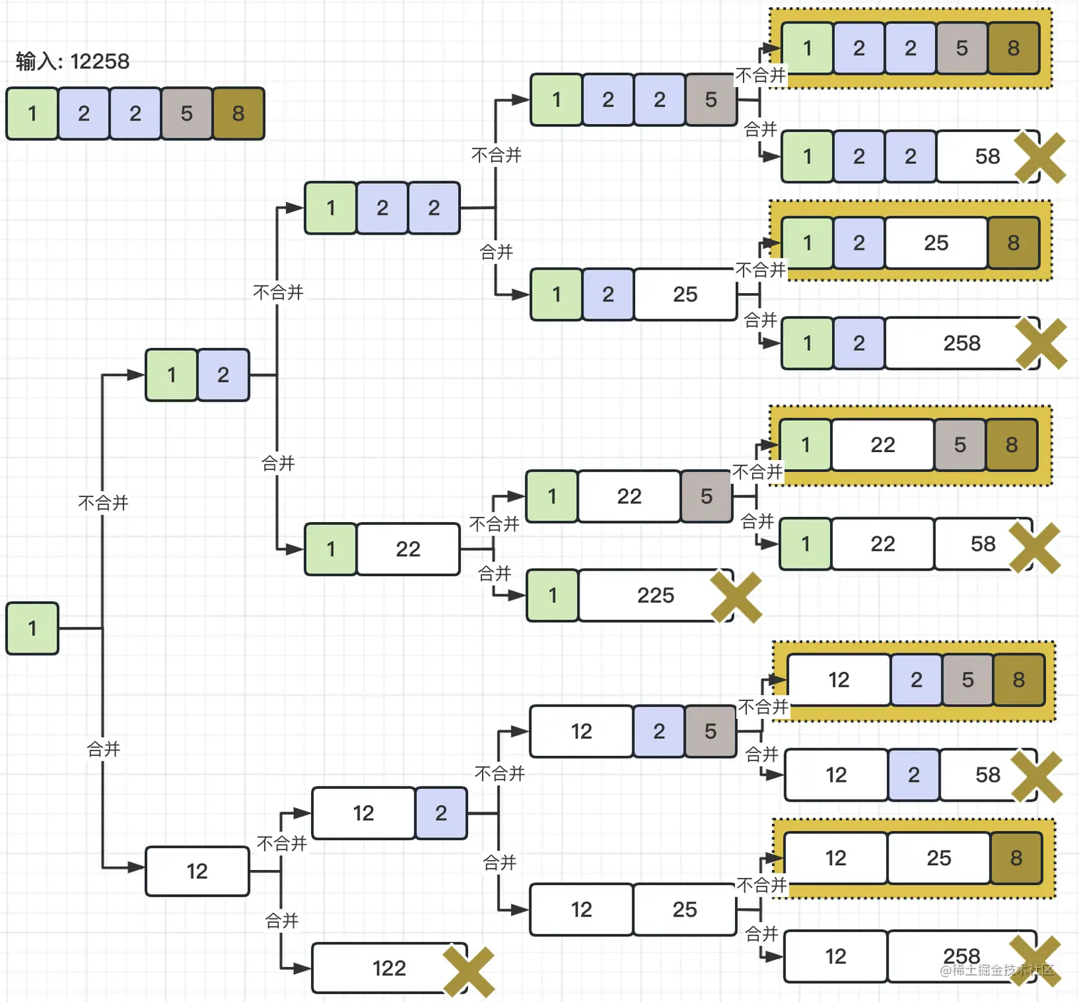
【输入】 12258
【输出】 5
【解释】 12258有5种不同的翻译,分别是"bccfi", "bwfi", "bczi", "mcfi"和"mzi"

提示:

  • 0 <= num < 2^31

三、解题思路

根据题目描述,我们要将数字翻译为字符串,那么对于一个数字来说,都可以找到一一相对应的字母;但是,如果是两个数字以上的话,就不一定了,针对数字12就有如下翻译方式:

1个数字翻译1次】1——>b,2——c;那么最终12可以被翻译为“bc”;
2个数字被翻译】那么最终12可以被翻译为“m”;

但是,如果两个数字超过了25,那么就无法被按照整体翻译了,只能一个数字翻译一次,以26为例:

2——>c;6——>g;那么最终26可以被翻译为“cg”;

通过上面的解释,大家其实可以看出一个解题思路,那就是把输入的数字进行“拆分”,看最终能合理拆分出多少种;

我们再继续分析,虽然一个数字有很多的“位”,但是其实每次进行合并后是否超过了25的对比行为都只涉及到两个相邻的数字,即:第i位与第i-1位,那么我们就可以通过这两位是否合并,来动态的计算出总的翻译结果了。具体请见下图所示,我们以输入:12258为例,看一下具体的对比过程。

看完上面的对比过程,我们就可以推导出动态转移公式了,即:

如果i可以与i-1合并】dp[i] = dp[i-1] + dp[i-2];
否则】dp[i] = dp[i-1];

四、代码实现

class Solution {
    String numStr;
    public int translateNum(int num) {
        numStr = String.valueOf(num);
        int n = numStr.length();
        if (n < 2) return 1;
        int[] dp = new int[n];
        dp[0] = 1;
        dp[1] = compare(1) ? 2 : 1;
        for (int i = 2; i < n; i++) dp[i] = compare(i) ? dp[i-1] + dp[i-2] : dp[i-1];
        return dp[n-1];
    }
    public boolean compare(int i) {
        return numStr.substring(i-1, i+1).compareTo("10")>=0 && 
            numStr.substring(i-1, i+1).compareTo("25") <= 0;
    }
}

今天的文章内容就这些了:

写作不易,笔者几个小时甚至数天完成的一篇文章,只愿换来您几秒钟的 点赞 & 分享

更多技术干货,欢迎大家关注公众号“爪哇缪斯” ~ \(^o^)/ ~ 「干货分享,每天更新」