基于simulink的PN码相关峰同步仿真

156 阅读4分钟

1.算法描述

       发射机和接收机采用高精确度和高稳定度的时钟频率源,以保证频率和相位的稳定性。但在实际应用中,存在许多事先无法估计的不确定因素,如收发时钟不稳定、发射时刻不确定、信道传输时延及干扰等,尤其在移动通信中,这些不确定因素都有随机性,不能预先补偿,只能通过同步系统消除。因此,在CDMA扩频通信中,同步系统必不可少。

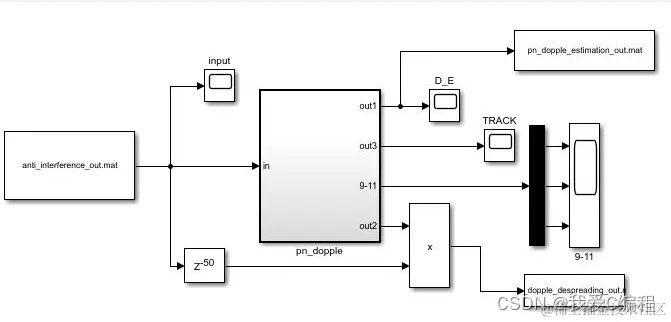
       PN码序列同步是扩频系统特有的,也是扩频技术中的难点。CDMA系统要求接收机的本地伪随机码与接收到的PN码在结构、频率和相位上完全一致,否则就不能正常接收所发送的信息,接收到的只是一片噪声。若实现了收发同步但不能保持同步,也无法准确可靠地获取所发送的信息数据。因此,PN码序列的同步是CDMA扩频通信的关键技术。

 

1.png

 

       PN码(Pseudo-Noise Code),是一具有与白噪声类似的自相关性质的0和1所构成的编码序列,最广为人知的二位元P-N Code是最大长度位移暂存器序列,简称m-序列, 他具有长 2的N次方 - 1个位元, 由一具线性回授的m级暂存器来产生。同时pn码分长码与短码,在CDMA中的担当不同的角色。

 

       伪随机(或伪噪声,Pseudorandom Noise,PN)码序列是一种常用的地址码。伪随机码序列具有类似于随机序列的基本特性,是一种貌似随机但实际上是有规律的周期性二进制序列。如果发送数据序列经过完全随机性的加扰,接收机就无法恢复原始序列。在实际系统中使用的是一个足够随机的序列,一方面这个随机序列对非目标接收机是不可识别的,另一方面目标接收机能够识别并且很容易同步地产生这个随机序列。

 

       常见PN offset就是指PN码偏置指数,在IS-95A CD MA 系统中,PN短码的周期是32768 (就是你看到的2的15次方=32768) chip,将短码每隔64 chip进行划分,于是得到了512 (= 32768 / 64)个不同相位的短码,将这些短码按0至511顺序编号,将该编号称为PN 码偏置指数。而这512个PN Offset值并不一定能全部被使用,需要根据网络的规模等实际情况确定了步长(Pilot INC)后才能最终确定可以使用的PN Offset值。

 

       PN码序列同步是扩频系统特有的,也是扩频技术中的难点。CDMA系统要求接收机的本地伪随机码与接收到的PN码在结构、频率和相位上完全一致,否则就不能正常接收所发送的信息,接收到的只是一片噪声。若实现了收发同步但不能保持同步,也无法准确可靠地获取所发送的信息数据。因此,PN码序列的同步是CDMA扩频通信的关键技术。

 

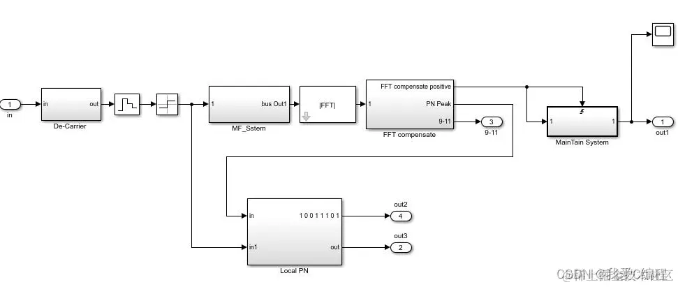
       PN码序列捕获指接收机在开始接收扩频信号时,选择和调整接收机的本地扩频PN序列相位,使它与发送的扩频PN序列相位基本一致,即接收机捕捉发送的扩频PN序列相位,也称为扩频PN序列的初始同步。在CDMA系统接收端,一般解扩过程都在载波同步前进行,实现捕获大多采用非相干检测。接收到扩频信号后,经射频宽带滤波放大及载波解调后,分别送往2N扩频PN序列相关处理解扩器(N是扩频PN序列长)。2N个输出中哪个输出最大,该输出对应的相关处理解扩器所用的扩频PN序列相位状态,就是发送的扩频信号的扩频PN序列相位,从而完成扩频PN序列捕获。

 

2.仿真效果预览

matlab2022a仿真结果如下:

 

2.png

3.png

 

3.MATLAB核心程序

 

4.png

5.png