STM32CubeMX学习笔记(43)——USB接口使用(CDC虚拟串口)

1,231 阅读6分钟

开启掘金成长之旅!这是我参与「掘金日新计划 · 2 月更文挑战」的第 16 天,点击查看活动详情

一、USB简介

USB(Universal Serial BUS)通用串行总线,是一个外部总线标准,用于规范电脑与外部设备的连接和通讯。是应用在 PC 领域的接口技术。USB 接口支持设备的即插即用和热插拔功能。USB 是在 1994 年底由英特尔、康柏、IBM、Microsoft 等多家公司联合提出的。

USB 发展到现在已经有 USB1.0/1.1/2.0/3.0 等多个版本。目前用的最多的就是 USB1.1 和 USB2.0,USB3.0 目前已经开始普及。STM32F103 自带的 USB 符合 USB2.0 规范,不过 STM32F103 的 USB 都只能用来做设备,而不能用作主机。

标准 USB 共四根线组成,除 VCC/GND 外,另外为 D+,D-; 这两根数据线采用的是差分电压的方式进行数据传输的。在 USB 主机上,D-和 D+都是接了 15K 的电阻到低的,所以在没有设备接入的时候,D+、D-均是低电平。而在 USB 设备中,如果是高速设备,则会在 D+上接一个 1.5K 的电阻到 VCC,而如果是低速设备,则会在 D-上接一个 1.5K 的电阻到 VCC。这样当设备接入主机的时候,主机就可以判断是否有设备接入,并能判断设备是高速设备还是低速设备。

STM32F103 的 MCU 自带 USB 从控制器,符合 USB 规范的通信连接;PC 主机和微控制器之间的数据传输是通过共享一专用的数据缓冲区来完成的,该数据缓冲区能被 USB 外设直接访问。这块专用数据缓冲区的大小由所使用的端点数目和每个端点最大的数据分组大小所决定,每个端点最大可使用 512 字节缓冲区(专用的 512 字节,和 CAN 共用),最多可用于 16 个单向或 8 个双向端点。USB 模块同 PC 主机通信,根据 USB 规范实现令牌分组的检测,数据发送/接收的处理,和握手分组的处理。整个传输的格式由硬件完成,其中包括 CRC 的生成和校验。

二、新建工程

1. 打开 STM32CubeMX 软件,点击“新建工程”

2. 选择 MCU 和封装

3. 配置时钟 RCC 设置,选择 HSE(外部高速时钟) 为 Crystal/Ceramic Resonator(晶振/陶瓷谐振器) 选择 Clock Configuration,配置系统时钟 SYSCLK 为 72MHz 修改 HCLK 的值为 72 后,输入回车,软件会自动修改所有配置

4. 配置调试模式 非常重要的一步,否则会造成第一次烧录程序后续无法识别调试器 SYS 设置,选择 Debug 为 Serial Wire

三、USB

3.1 参数配置

Connectivity 中选择 USB 设置,并勾选 Device(FS) 激活 USB 设备。

Parameter Settings 进行具体参数配置。

  • Speed: Full Speed 12MBit/s(固定为全速)
  • Low Power: 默认 Disabled(在任何不需要使用usb模块的时候,通过写控制寄存器总可以使usb模块置于低功耗模式(low power mode ,suspend模式)。在这种模式下,不产生任何静态电流消耗,同时usb时钟也会减慢或停止。通过对usb线上数据传输的检测,可以在低功耗模式下唤醒usb模块。也可以将一特定的中断输入源直接连接到唤醒引脚上,以使系统能立即恢复正常的时钟系统,并支持直接启动或停止时钟系统。)

3.2 引脚配置

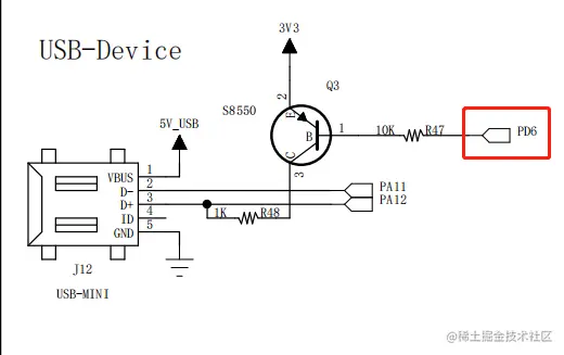
USB 的 DP 引脚必须上拉 1.5K 欧的电阻,电脑才能检测到 USB,否则检测不到。 查看野火指南者开发板原理图可知,需要将 PD6 配置为低电平使能 USB。

在右边图中找到 PD6 引脚,选择 GPIO_OutputGPIO output level 中选择 Low 输出低电平。

3.3 配置时钟

选择 Clock Configuration,USB 时钟配置为 48MHz,且来源最好是外部晶振分频得到。

3.4 USB Device

USB有主机(Host)和设备(Device)之分。一般电脑的USB接口为主机接口,而键盘、鼠标、U盘等则为设备。

部分型号的STM32芯片有1~2个USB接口。像STM32F103系列的有一个USB Device接口,STM32F407系列的有2个USB接口,既可以作为HOST,又可以作为Device,还可以作为OTG接口。

Middleware 中选择 USB_DEVICE 设置,在 Class For FS IP 设备类别选择 Communication Device Class(Virtual Port Com) 虚拟串口。

参数配置保持默认。 设备描述符保持默认。

四、生成代码

输入项目名和项目路径 选择应用的 IDE 开发环境 MDK-ARM V5 每个外设生成独立的 ’.c/.h’ 文件 不勾:所有初始化代码都生成在 main.c 勾选:初始化代码生成在对应的外设文件。 如 GPIO 初始化代码生成在 gpio.c 中。 点击 GENERATE CODE 生成代码

五、查看端口

烧录默认代码,连上电脑可在电脑上看到对用的串口

Win10系统下不需要装任何驱动就能使用USB虚拟串口,但更低版本的系统比如Win7/8则必须要安装ST官方提供的VCP驱动:www.st.com/en/developm…

六、USB串口回环发送

6.1 虚拟串口发送

添加头文件 #include "usbd_cdc_if.h"

main() 的死循环中添加 CDC_Transmit_FS() 函数。

#include "usbd_cdc_if.h"

/**
  * @brief  The application entry point.
  * @retval int
  */
int main(void)
{
  /* USER CODE BEGIN 1 */

  /* USER CODE END 1 */

  /* MCU Configuration--------------------------------------------------------*/

  /* Reset of all peripherals, Initializes the Flash interface and the Systick. */
  HAL_Init();

  /* USER CODE BEGIN Init */

  /* USER CODE END Init */

  /* Configure the system clock */
  SystemClock_Config();

  /* USER CODE BEGIN SysInit */

  /* USER CODE END SysInit */

  /* Initialize all configured peripherals */
  MX_GPIO_Init();
  MX_USB_DEVICE_Init();
  MX_USART1_UART_Init();
  /* USER CODE BEGIN 2 */

  /* USER CODE END 2 */

  /* Infinite loop */
  /* USER CODE BEGIN WHILE */
  while (1)
  {
    CDC_Transmit_FS("hello", 5);
    HAL_Delay(1000);
    /* USER CODE END WHILE */

    /* USER CODE BEGIN 3 */
  }
  /* USER CODE END 3 */
}

查看打印:

6.2 虚拟串口接收

打开 usbd_dcd_if.c 文件 找到 CDC_Receive_FS()函数,这个函数如果USB虚拟串口数据收到就会被调用,我们在这个函数中将收到的数据在发回去,只需要添加 CDC_Transmit_FS(Buf, *Len); 这一句即可。 使用串口调试助手给它发数据:

6.3 虚拟串口重定向

打开 usbd_dcd_if.c 文件

添加以下代码:

/* USER CODE BEGIN INCLUDE */
#include "stdarg.h"
/* USER CODE END INCLUDE */
-------------------------------------------------------
/* USER CODE BEGIN PRIVATE_FUNCTIONS_IMPLEMENTATION */

void usb_printf(const char *format, ...)
{
    va_list args;
    uint32_t length;

    va_start(args, format);
    length = vsnprintf((char *)UserTxBufferFS, APP_TX_DATA_SIZE, (char *)format, args);
    va_end(args);
    CDC_Transmit_FS(UserTxBufferFS, length);
}

/* USER CODE END PRIVATE_FUNCTIONS_IMPLEMENTATION */

main() 的死循环中添加 usb_printf() 函数。

/**
  * @brief  The application entry point.
  * @retval int
  */
int main(void)
{
  /* USER CODE BEGIN 1 */

  /* USER CODE END 1 */

  /* MCU Configuration--------------------------------------------------------*/

  /* Reset of all peripherals, Initializes the Flash interface and the Systick. */
  HAL_Init();

  /* USER CODE BEGIN Init */

  /* USER CODE END Init */

  /* Configure the system clock */
  SystemClock_Config();

  /* USER CODE BEGIN SysInit */

  /* USER CODE END SysInit */

  /* Initialize all configured peripherals */
  MX_GPIO_Init();
  MX_USB_DEVICE_Init();
  /* USER CODE BEGIN 2 */

  /* USER CODE END 2 */

  /* Infinite loop */
  /* USER CODE BEGIN WHILE */
  while (1)
  {
    usb_printf("\r\n****** USB-CDC Example ******\r\n\r\n");
    HAL_Delay(1000);
    /* USER CODE END WHILE */

    /* USER CODE BEGIN 3 */
  }
  /* USER CODE END 3 */
}

查看打印:

七、工程代码

链接:pan.baidu.com/s/1cvjfMMvo… 提取码:tllo

八、注意事项

用户代码要加在 USER CODE BEGIN NUSER CODE END N 之间,否则下次使用 STM32CubeMX 重新生成代码后,会被删除。 如果USB端口出现感叹号设备无法启动的问题,可适当将堆改大,如0x400


• 由 Leung 写于 2022 年 10 月 19 日

• 参考:STM32 基础系列教程 23 - USB_cdc

    使用STM32CubeMX生成USB驱动程序 USB无法检测到的问题 生成USB驱动

    STM32Cubemx配置虚拟串口

    通过CubeMX实现STM32的USB支持