磁性元件在光伏中的功率转换及应用

251 阅读21分钟

经过长期的技术发展——特别是在生态危机、化石能源困境等多个重大关键课题的刺激下,太阳能在以转换效率和成本为核心的技术和商业两方面的关键难点上取得了巨大突破。太阳能是可再生能源和可持续电力设施改造的关键形式、实现碳中和传播的重要途径,这不仅是全球共识,也是美国、欧盟等经济发达国家目前所处的实际情况。同时,中国也在出台相应的政策指导方针,大幅增加光伏发电装置的数量。为光伏发电系统选择合适的磁性元件对于太阳能的进一步普及具有重要的意义。

Part1 光伏发电应用与功率转换

以设施等级为划分依据,太阳能应用通常分为三类:住宅,x100W~xKW;商用,xKW ~ xMW;公共事业,xMW ~ xGW。由于太阳能应用广泛,且具有可扩展性,太阳能发电的相应功率转换有几种不同的方案可供选择:

在转换效率方面,有用于适应太阳辐射并根据电池温度调节输出的连续控制单元;考虑到相对发电成本和用电容量,有用于离网型发电的分布式微电网和用于栅极接电的集中式电站,尤其是当光伏板数量增加时,系统的孤岛风险和并网设备的低电压穿越(LVRT)会使得光伏发电的配置方案更复杂多变。

滤波电感、升压电感、电源变压器、电抗器等磁性元件除了应用于相应的功率转换之外,在其他方面也广泛应用;尤其是在典型的分布式光伏解决方案中,磁性元件成本更高(按百分比计),因此为光伏发电系统选择合适的磁性元件对于太阳能的进一步普及具有重要的意义。

Part2 系统中光伏发电及功率转换的原理

1、半导体基础

由于光电转换效率的关键要求,单晶硅异质结(HIT)太阳能电池(N衬底)是目前的重点发展类型(效率在25%左右)。目前占据安装规模的主要份额的类型仍然是铝背场(BSF)和PerC型如P 型基板电池(效率在 19% 和 21.5% 之间)。但随着设备和主要材料(硅材料和低温银浆)的不断研发和生产能力的提高,HIT成本将逐步降低,未来新装的太阳能电池将以HIT型为主。

在本征半导体中,P型或N型半导体通过掺杂获得足够的载流子浓度。由于其窄带隙,外界干扰(如照明电磁辐射)可以激发内部原子产生更多的电子-空穴对。当不同类型的半导体形成PN结时,n型端在内部扩散电场的作用下会积聚更多的电子;而p型端则相反,最终在两端形成驱动电压并成为电源,即电池。这种内部光电效应称为光伏效应。

相反的现象是LED通过电子空穴复合产生电光。两者的PN结工作状态为正偏,但光伏电池为电源(光辐射驱动电流,低功率密度),LED为负载(产生光的电力,高功率密度),因此,光伏电池可以提供大电流,LED 则受限于其散热结构和尺寸而无法通过大电流(烧坏)。相关二极管结构、电路符号及等效电路如下图1所示:

图1 光伏电池(HIT)和LED的结构、符号和等效电路

常见的典型的光伏电池(PV)输出电流表示为:

其中:

isc—光照射产生的激发电流;

iDo—PN结的饱和电流;

q–电子电荷为1.6×10−19C中;

K–玻尔兹曼常数为1.38×10−23J/K;

A–1~2之间的理想常数;

T–PN结温度

q/AKT是辐照的弱相互作用,随辐照强度而变化;通常较小,较大(>100KΩ),因此光伏电池的输出电压和电流主要受辐照强度和温度的影响,当辐照强度和温度稳定时,输出电流逐渐减小,PV的输出电压增加。可以看出,随着输出电压的升高,光伏电池的输出功率会先增大后减小;为实现最优的光伏发电设计,需要通过最大功率点跟踪(MPPT)技术来控制输出功率并最大化功率输出。

此外,光伏电池以及在光伏发电的功率转换中,根据具体情况使用不同的开关场效应管和二极管半导体,如:MOS、氮化镓(GaN)、碳化硅(SiC),IGBT。造成这种差异的主要原因是在不同的应用条件下(工作电压、开关频率等),不同类型的半导体在成本和性能方面具有不同的优势。从实际光伏应用中可以看出,不同类型开关设备件的控制复杂性和成本反过来也会影响特定光伏功率转换方案(升压和逆变等)的选择;同时由于功率半导体的各种影响因素在不断发展和变化,光伏产品的技术迭代和商业推广也在不断发展。

2、太阳能系统的主要考虑因素

太阳能并网发电需要满足特定的技术要求,如IEEE1547(美国)、ENEL 2010 Ed.2.1(意大利)、EN50438或中国GB/T 19939-2005、GB/Z 19964-2005。为了配置合适的并网逆变器,光伏系统需要具有多级功率转换、效率控制和完整的监控相关通信系统,并具备孤岛检测和发电量预测等必要功能(一般适用于中大型规模化光伏发电部署)。在就地消耗所发电能这一方面上,分布式离网光伏发电系统具有较低的系统配置难度和较高的灵活性,通常以微型逆变器为主要功率级,或配备储能系统以实现有效的电力调度。

典型的离网和并网光伏发电系统如下图2所示:

(a)离网光伏发电系统

(b)并网光伏发电系统

图2 两种典型的光伏系统(图来源于网络)

在并网光伏发电系统中需要考虑的主要因素当中,安全比效率更为重要,主要包括孤岛检测、绝缘检测、漏电流检测和低电压穿越等。

由于低密度分布式光伏的负载经常超过发电容量,孤岛风险的发生概率非常低,因此在这种情况下通常不需要配置孤岛检测。在集中式光伏电站中,需要主动孤岛检测来保护它,通过控制电压和频率可以将光伏发电带来的风险降到最低。

有源解决方案和无源解决方案有很多种,它们的基本原理是:当电网断电时,光伏逆变器输出电源的有功功率和无功功率负载发生明显变化,光伏逆变器的变化输出电压将直接反映在负载两端的电压变化上。同样,当逆变器输出发生变化时,负载的无功功率(出现在等效电感和电容上)也会随频率而变化(图3)。

如图所示,电网停电前后负载的电压和频率分别为1、2和1、2,有功功率和无功功率变化分别为ΔP和ΔQ,对应关系如下:

UL22−UL12=R∙∆P

(ω1−ω2)∙(1+ω1ω2∙L∙C)=ω1ω2∙L∙∆Q/UL12

图3 并网光伏发电孤岛检测原理(简化)

从简化关系可以看出,只要负载上的ΔP和ΔQ变化明显,光伏逆变器的电压变化和频率变化就能在负载端产生明显的相关反应,从而可以检测到电网系统中的光伏发电是否处于孤岛状态。当变化不明显时,需要补充载波通信等其他监控方案,主动满足安全需求。

此外,光伏发电系统的装机容量(光伏组件总标称功率)与逆变器的额定容量(总有功功率)也有性能规范(中国NB/T 10394-2020)。提高容量匹配可以保持稳定的输出功率,也可以提高相应的系统综合效率。

图4 光伏容量比与相应实际功率输出之间的关系示例

3、光伏发电的主要功率转换类型

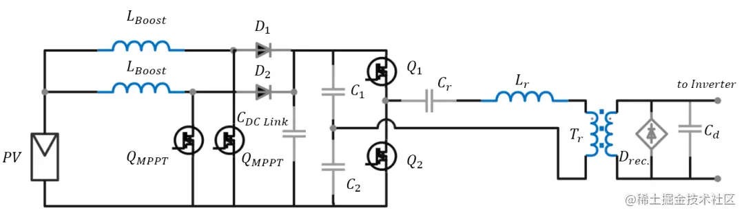
光伏发电作为电流源,其功率输出与工作电压之间存在波动关系,即在实际功率转换中,首先需要实现最大功率输出的控制。根据 MPPT 或 Power Optimizer的算法,波动的光伏发电通常先转换为直流电,即直流母线(或 DC-link)。这个过程一般是boost转换。其次,根据不同的功率等级,升压转换还可以通过交错升压或全桥控制实现更好的效率和更低的成本。同时,可根据隔离要求补充软开关或其他隔离电源转换,实现不同电压的直流要求;或者根据应用的需要可以通过全桥逆变的形式直接供给交流负载。

在组串式逆变器或中央逆变器中,除了MPPT或功率优化后的稳定直流高压外,还有许多复杂的逆变器拓扑形式,如单相或三相串联逆变器可分为两级或多级形式。由于组串式逆变器在技术和成本上都具有配置灵活性,它们逐渐成为近年来的主要发展趋势。

图5 光伏发电中的功率转换

(蓝色)微型逆变器、(绿色)串式逆变器、(红色)集中式逆变器

Part3 磁性元件在光伏中的应用

1、MPPT(或功率优化器)

光伏电池的发展经历了多次技术迭代,以210片(210mmx210mm)为代表的最新6.0时代,在25℃、1000/2辐照强度时,单片功率输出可达10~12W。通常,光伏的规格书会提供开路电压()、短路电流()、最大功率点电压(V)以及最大功率点电流()。当辐照强度降低时,显著降低,略有降低。随着温度升高,降低。相应地,V和同时发生变化。光伏的功率极限由和相乘得到,最大输出功率与功率极限的比值称为光伏组件的填充系数,该值主要由内部等效电阻和PN结材料决定,可用于衡量电池性能:

(a)TW Solar-TW210Y212A(半型光伏电池)I-V曲线

(b)TW Solar-TW210Y212A(半型光伏电池)规范

图1 210光伏电池-(a)I-V曲线(b)规格

(TW Solar-TW210Y212A(半型光伏电池))

实现MPPT的算法有很多,其中最简单的方法是电压反馈法,即预先测试特定光强下的最大功率点电压,通过调整光伏端电压来达到最大功率点,但当环境变化,效率损失比较大;最常用的方法是扰动观察法,即通过改变负载来观察光伏输出的变化,并进一步调整输出功率到最大点,但这也会造成不断的功率损耗。其他方法如功率反馈和增量电导也是类似的思路。

虽然 MPPT 可以通过多种方式实现,在某些应用中也被称为功率优化器,但从电路形式上看,基本都是通过 Boost 电路来调节,因为它始终工作在持续输入电流的状态,而无需在 PV 两端加大体积的储能电容(稳定的 DC/DC 输入电压)。另外,对于后级的DC/AC逆变器,可以提供高稳定电压,实现高逆变效率。此外,开关场效应管的一端便于接地驱动。PV输出电压可以通过调整升压转换的占空比DC%来控制(图2):

= ∙ (1−)

当 PV 电压达到(最大值)时,占空比 (DC%) 达到最低值。而当DC%逐渐增加时,光伏电压向低端移动并最终达到最大功率点Vp。 通常分布式光伏板阵列的输出电压在60-300V之间。考虑到后级DC/AC逆变器效率,微并网逆变器(输出220Vac)一般要求达到400~600V;分布式组串式逆变器(输出可能为380Vac)达到600-800V(通常为700V);集中式逆变器达到700-1500V。对于大功率(如>100KW)系列的2电平、3电平和多电平单相或三相逆变器或集中式逆变器,输入电流通过汇流箱直接逆变到电网,所以一般没有MPPT。但优化后的光伏发电会根据需要在电流汇流箱中设置MPPT功能进行平衡控制。

图2 MPPT控制的等效升压级

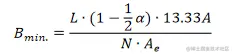
MPPT控制所需的升压电感值_应满足转换器电路处于CCM工作(连续电感电流模式)的要求,使PV工作在最佳状态,同时降低输入旁路电容。此外,电感值应足够大,以减少开关的影响MPPT控制中的FET-Q。它的值应满足:

例1:忽略转换效率,如果DC-link提供700Vx1A的逆变电源,光伏装置可以支持的最大功率为700W=170Vx4.12A,开关频率为20KHz,如果光伏的开路电压电池为 Uoc=195V,则:

=1−/ =1−195/700=72.1%

所需的相应最小电感值为:

最大电感电流为:

电感电流的 RMS 值为:

因此,升压电感所需的参数可以定义为1mH,饱和电流9A,温升电流7A(40K温升),并留有适当的余量。对于升压电感,两端的最大电压为V−pv和二者当中的较高值,当最大电压值为530V时则可以设为600V。对于 PV 终端电路,IEC 62109-1 中定义了 II 类瞬态过电压范围,适用于 2500Vdc 瞬态过电压,因此需要满足 1.6mm 的间隙(例如引脚到引脚的距离)。

图3 升压电感和电压增益的电感要求与占空比(DC%)

电感值与DC% 的关系在上述升压电感的最小电感值要求中预先设定,即由()=∙(1−)2决定:当=1/3时,电感值需求达到最大值,电感值需求从这个点开始下降。因此,对于光伏终端MPPT,DC Link的电压往往是光伏组串电压的两倍甚至多倍。据此,输出阻抗=/越低,开关频率越高,则对电感值的需求越少。图8显示了DC%对电感值要求及其对电压增益Vo/UI的影响。

因为市场上主要可用的开关FET和二极管分为三类:MOS、SiC和GaN;主要适用电压范围如图4所示。对于微型逆变器,基于应用需求可选的升压拓扑主要包括全桥和单通道升压或多通道升压(包括交错),通常施加的电压最高可达650V;此外对于中小型电力应用,还可以采用隔离的全桥反激或LLC软开关拓扑结构,以实现更高效的MPPT,满足安全要求。对于串级逆变器中功率MPPT的要求,当施加电压高达1200V时,通常采用升压或多通道升压。对于集中式大功率逆变器,前端MPPT通常是双升压;或者因为与高压PV两端直接相连,该部分通常被省略。

图4 不同类型开关FET适用范围比较

60V以下的光伏板可以使用MOSFET或者更高频率的开关场效应管,因此电感值的要求会降低;并且因为DC总线电压与输入PV电压(例如400V)相关更高,它反过来迫使DC%上升,结果是更大的输入电流纹波。因此,这种低功率MPPT或功率优化器适用于由扁线或粗直径圆线制成的大电流电感器。

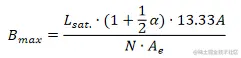
例2:忽略转换效率时,如果DC-link将提供400Vx2A的逆变电源,则为光伏安装可以支持的最大功率为800W=60Vx13.33A,开关频率100KHz,如果光伏开路电压电池为 Uoc=70V,则:

=1−/ =1−70/400=82.5%

所需的相应最小电感值为:

最大电感电流为:

电感电流的 RMS 值为:

当考虑有限封装尺寸的电感器设计和选择时,纹波电流比为:

虽然电源转换在CCM模式下工作,但为减少由大纹波电流引起的磁芯磁滞损耗,必须通过增加电感值来降低纹波比,或者通过保持电感值不变而将工作时的磁通密度峰值降低:因此,在由MPPT确定DC%(最佳工作点)的情况下,需要重新确定最佳电感值和电流纹波比,或者增加匝数N且降低芯材料的磁导率,从而实现最佳转换效率η%。

以例2为例,假设所选磁芯提供的有效横截面积为Ae,有效磁路长度为le。如果最小电感下允许的最大电感电流为它的饱和电流,则其最大工作磁通密度为:

最小工作磁通密度为:

根据铁芯损耗 (/3 ) 曲线,铁芯损耗近似为:

其中,“在最小电感值下允许的最大电感电流是它的饱和电流”并非总是如此;但在实际工作电路中,它通常不在电感器规范中的饱和电流点,当确保足够的电感值和相应的纹波电流控制在有限范围内时,该点的选择相对简单和安全;事实上,只要在DC偏压曲线下放置在芯材中的保证最大电流远离其饱和点(在相应的磁导率衰减曲线上是相对稳定的区间,例如相应的饱和电流被设置为相对于从初始点下降30%的值),只要满足或不满足以下关系即可:

(Oersted)≤-30%

因此,它更像是额外的设计裕度,以最大可能的功率损失进行评估。除铁芯损耗外,铜损耗将近似,初步评估仅考虑趋肤效应:

Pcu=IL rms2 ∙ ESR

图5 CODACA-FeSi粉末芯材:直流偏压曲线和芯材损耗曲线

以例2的科达嘉电感CPER3231-101MC为例,规范书列出了由制造商定义的关键参数,如下图所示,

图6 CODACA CPER3231-101MC产品规格书

相应的纹波电流为:

最大电感电流为:

正如假设的那样,当电感下降 30% 时,纹波电流将上升 43% 并且为 4.951.43=7.07 ,相应的最大电流将为 13.33+7.07/2=16.87 。它小于规格书所显示的 23A,上述估计可取为最大损失条件。

功率损耗计算如下:

此时电感电流的 RMS 值为:

因此,总损耗为17.88W,效率损耗约为2.24%。铁芯损耗是主要类型,因此可以通过增加绕组匝数N和降低铁芯材料的磁导率μr来实现效率优化,以减少运行中磁通密度的波动。然而,由于从60V到400V的升压比是一个高比例,为此,从节能的角度来看,输入电流必须具有较大的可波动范围。因此,光伏终端的MPPT通常会损失很多效率。

为了在有限的封装尺寸内实现较低的损耗,需要尽可能地增加电感值,以换取较低的纹波电流幅度。同时,由于直流偏压的特性和对更好材料的需求,有必要将这两个要求结合起来,以设计或获得最佳电感器选择。

在本例中,饱和电流和温升电流仍然很大,并留出空间来调整匝数和磁导率以满足最佳损耗的要求:在现有产品的基础上进行调整:将线圈匝数增加到N=38.5,并降低磁导率以保持相同的L值:(实际可用材料为标准40μr)

相应的直流电阻被调整到大约(基于相同体积的铜):

调整后的功率损失如下:

验证磁芯是否饱和:

磁芯饱和可由磁芯的直流偏压曲线确定,由于磁芯尚未达到饱和点,因此计算是有效的。调整后的功率损耗为:

此时总损耗为10.8W,效率损耗为1.35%。然而,基于:

1、在相应条件下,磁芯仍远离饱和点;

2、铜线损耗的相对比率不高,电感器可以通过增加匝数和降低磁导率来继续优化损耗或者利用封装尺寸和更高的电感值来实现。

微型逆变器光伏应用通常插入本地储能电池,以实现功率的最佳波形均衡,因此直流母线的电压可以根据所连接的电池系列进行调整,例如12V、24V、48V或更高的电池组电压。找正品元器件,上唯样商城。在这种应用中,功率优化器(或MPPT)在较低的电压下工作,并且可以在较高的开关频率下转换,因此需要较低的电感,例如4.7UH、6.8UH、10uH、22uH等。此类应用通常在较低功率水平下使用扁平铜线大电流电感器或一体成型电感器。

图7 CODACA科达嘉电感系列

2、光伏发电中的其他应用

如上所述,为了隔离光伏逆变器应用(微功率逆变器)、反激式或全桥ZVS软开关拓扑,相应地需要设计功率变压器和LLC谐振电感;为了降低功率损耗,磁芯选择的材料通常会采用MnZn铁氧体(气隙),在某些情况下也可以使用低损耗磁芯材料(如FeSiAl、低损耗FeSi磁芯、非晶等)。

在分布式光伏应用中,电压已达到数百伏或xKV,为了驱动相应的开关场效应管,必须在驱动级采用隔离:采用介质隔离的隔离器优先,也可以通过采用隔离变压器驱动器,既能满足隔离要求,又能满足系统安全要求。隔离变压器的类型需要根据 FET 的功率和栅漏电压电平要求进行设计。对应应用的栅极驱动变压器基本上是独立的,需要单独设计。

在逆变器阶段,为了降低开关噪声,隔离光伏发电端与电网之间的噪声通路,通常会配置电感量大、体积大的滤波电感,也称为ACL,对应光伏终端输入的DCL电感。为了实现非常大的电感值(低滤波频率),通常使用硅钢或非晶或多气隙铁氧体,因为横截面积也很大,因此整体体积很大。

图8 交错升压MPPT加半桥LLC谐振转换

图9 用于交流输出的全桥反激MPPT加全桥逆变器

Part4 科达嘉产品介绍

科达嘉电子成立于2001年,深耕电感及磁性元件市场,拥有以大电流电感、一体成型电感为代表的多个系列产品线。在以光伏为代表的新能源市场,科达嘉拥有从磁芯材料到产品设计、生产、测试全过程的自主研发技术,快速交货和灵活的定制服务极高地满足了光伏市场客户的实际需求。通过不断满足客户的新技术或项目需求,科达嘉在众多应用领域获得了行业客户的认可。

图10 科达嘉产品线一览