m基于FPGA的数字下变频verilog设计

224 阅读2分钟

1.算法描述

整个数字下变频的基本结构如下所示

1.jpeg  

NCO使用CORDIC算法,CIC采用h结构的CIC滤波器,HBF采用复用结构的半带滤波器,而FIR则采用DA算法结构。

 

    这里,我们首先假设不考虑中频信号输入的载波频偏问题,即发送的中频频率和本地的载波频率是一致的。

 

为了验证系统的正确性,我们首先需要设计一个发送源,由于你要求的信号带宽为20M,

 

所以整个系统我们设计的系统参数为,中频为80M,A/D采样为60M。本地接收端的载波频率为20M。

 

即发送端通过80M的中频调制之后,信号的频谱会搬移到80M附近,然后接收端通过AD60M采样后,会将频谱搬移到20M附近,且不会发生混叠现象。

 

那么系统测试方案可以简化为,一个中心频率在20M附近的中频输入测试信号进行测试。

 

首先设计一个发送测试信号。

 

信号的基本结构如下所示:

2.png

      我们首先在FPGA中设计这么一个结构得到中频测试信号,然后使用这个测试信号进行下变频测试。

 

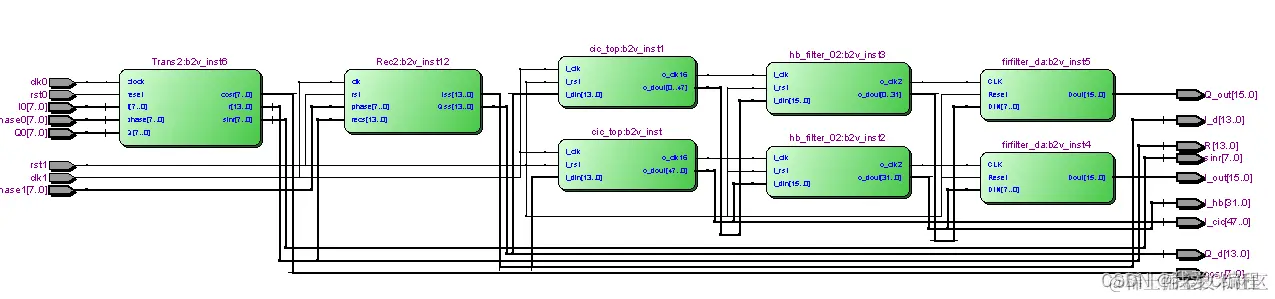
整个系统的原理框图如下所示:

3.png

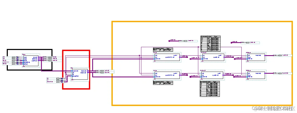
RTL图:

4.png  

综合资源占用:

5.png

2.仿真效果预览

quartusii10.0,ModelSim-Altera 6.6d Starter Edition

6.png

7.png

8.png

9.png

10.png

3.verilog核心程序 `module tops2(

reset,

clk,

clk0,

rst0,

clk1,

rst1,

I0,

phase0,

phase1,

Q0,

cosr,

I_cic,

I_d,

I_hb,

I_out,

Q_d,

Q_out,

R,

sinr

);

 

 

input wire reset;

input wire clk;

input wire clk0;

input wire rst0;

input wire clk1;

input wire rst1;

input wire [7:0] I0;

input wire [7:0] phase0;

input wire [7:0] phase1;

input wire [7:0] Q0;

output wire [7:0] cosr;

output wire [47:0] I_cic;

output wire [13:0] I_d;

output wire [31:0] I_hb;

output wire [15:0] I_out;

output wire [13:0] Q_d;

output wire [15:0] Q_out;

output wire [13:0] R;

output wire [7:0] sinr;

 

wire [47:0] I_cic_ALTERA_SYNTHESIZED;

wire [31:0] I_hb_ALTERA_SYNTHESIZED;

wire [47:0] Q_cic;

wire [31:0] Q_hb;

wire [13:0] SYNTHESIZED_WIRE_0;

wire [13:0] SYNTHESIZED_WIRE_1;

wire [13:0] SYNTHESIZED_WIRE_2;

wire SYNTHESIZED_WIRE_3;

wire SYNTHESIZED_WIRE_4;

wire SYNTHESIZED_WIRE_5;

wire SYNTHESIZED_WIRE_6;

 

assign I_d = SYNTHESIZED_WIRE_0;

assign Q_d = SYNTHESIZED_WIRE_1;

assign R = SYNTHESIZED_WIRE_2;

 

 

 

 

cic_top b2v_inst(

.i_clk(clk),

.i_rst(reset),

.i_din(SYNTHESIZED_WIRE_0),

.o_clk16(SYNTHESIZED_WIRE_3),

.o_dout(I_cic_ALTERA_SYNTHESIZED));

defparam b2v_inst.WIDTH = 48;

 

 

cic_top b2v_inst1(

.i_clk(clk),

.i_rst(reset),

.i_din(SYNTHESIZED_WIRE_1),

.o_clk16(SYNTHESIZED_WIRE_4),

.o_dout(Q_cic));

defparam b2v_inst1.WIDTH = 48;

 

 

Rec b2v_inst12(

.clk(clk1),

.rst(rst1),

.phase(phase1),

.recs(SYNTHESIZED_WIRE_2),

.Iss(SYNTHESIZED_WIRE_0),

.Qss(SYNTHESIZED_WIRE_1));

 

 

hb_filter_02 b2v_inst2(

.i_clk(SYNTHESIZED_WIRE_3),

.i_rst(reset),

.i_din(I_cic_ALTERA_SYNTHESIZED[34:19]),

.o_clk2(SYNTHESIZED_WIRE_5),

.o_dout(I_hb_ALTERA_SYNTHESIZED));

defparam b2v_inst2.h0 = 27316;

defparam b2v_inst2.h1 = 20073;

defparam b2v_inst2.h11 = 1238;

defparam b2v_inst2.h13 = -1175;

defparam b2v_inst2.h15 = -624;

defparam b2v_inst2.h3 = -4745;

defparam b2v_inst2.h5 = 965;

defparam b2v_inst2.h7 = 667;

defparam b2v_inst2.h9 = -1238;

 

 

hb_filter_02 b2v_inst3(

.i_clk(SYNTHESIZED_WIRE_4),

.i_rst(reset),

.i_din(Q_cic[34:19]),

.o_clk2(SYNTHESIZED_WIRE_6),

.o_dout(Q_hb));

defparam b2v_inst3.h0 = 27316;

defparam b2v_inst3.h1 = 20073;

defparam b2v_inst3.h11 = 1238;

defparam b2v_inst3.h13 = -1175;

defparam b2v_inst3.h15 = -624;

defparam b2v_inst3.h3 = -4745;

defparam b2v_inst3.h5 = 965;

defparam b2v_inst3.h7 = 667;

defparam b2v_inst3.h9 = -1238;

 

 

firfilter_da b2v_inst4(

.CLK(SYNTHESIZED_WIRE_5),

.Reset(reset),

.DIN(I_hb_ALTERA_SYNTHESIZED[30:23]),

.Dout(I_out));

 

 

firfilter_da b2v_inst5(

.CLK(SYNTHESIZED_WIRE_6),

.Reset(reset),

.DIN(Q_hb[30:23]),

.Dout(Q_out));

 

 

Trans b2v_inst6(

.clock(clk0),

.reset(rst0),

.I(I0),

.phase(phase0),

.Q(Q0),

.cosr(cosr),

.r(SYNTHESIZED_WIRE_2),

.sinr(sinr));

 

assign I_cic = I_cic_ALTERA_SYNTHESIZED;

assign I_hb = I_hb_ALTERA_SYNTHESIZED;

 

endmodule

01-115m`