寄存器和移位寄存器分析与建模

1,037 阅读5分钟

⭐本专栏针对FPGA进行入门学习,从数电中常见的逻辑代数讲起,结合Verilog HDL语言学习与仿真,主要对组合逻辑电路与时序逻辑电路进行分析与设计,对状态机FSM进行剖析与建模。

🔥文章和代码已归档至【Github仓库:hardware-tutorial】,需要的朋友们自取。或者关注公众号【AIShareLab】,回复 FPGA 也可获取。

寄存器及Verilog HDL建模

图中,PD3PD_3~PD0PD_0是4位数据输入端,

  • 当Load = 1时,在CP脉冲上升沿到来时,Q3=PD3Q_3 = PD_3Q2=PD2Q_2 = PD_2Q1=PD1Q_1 = PD_1Q0=PD0Q_0 = PD_0,即输入数据PD3PD0PD_3-PD_0同时存入相应的触发器;
  • 当Load = 0时,即使CP上升沿到来,输出端Q 的状态将保持不变。可见,电路具有存储输入的4位二进制数据的功能。

例 试对上图所示的寄存器进行建模。

module Reg4bit (Q,PD,CP,CLR_,Load); 
   output reg [3:0] Q;
   input wire [3:0] PD;
   input CP,CLR_,Load;

   always @(posedge CP or negedge CLR_) 
     if (!CLR_)        // 异步复位
               Q <= 4'b0000;  
     else if (Load)    // 同步加载(置数)
               Q <= PD;
     else
               Q <= Q; // 数据保持
endmodule  

例 试对图所示任意位数(带参数)的寄存器进行建模。

module Register          //Verilog 2001, 2005 syntax
  #(parameter N = 8)     //定义参数 N = 8
   (output reg [N-1:0]Q, //数据输出端口及变量的数据类型声明
    input wire [N-1:0]PD,//并行数据输入
    input CP,            //输入端口声明
    input CLR_,
    input Load 
   );
 always @(posedge CP or negedge CLR_) 
   if (~CLR_)       // 异步复位
           Q <= 0;  
   else if (Load)   // 同步加载(置数)
           Q <= PD;
   else
           Q <= Q;  // 数据保持	
  endmodule 

移位寄存器及Verilog HDL建模

(1) 移位寄存器

将若干个D触发器串接级联在一起构成的具有移位功能的寄存器,叫做移位寄存器。

移位寄存器的逻辑功能分类

(2) 4位单向右移移位寄存器

电路

image-20230202154354049

工作原理

写出激励方程:

D0=DSID1=Q0nD2=Q1nD3=Q2nD_{0}=D_{\mathrm{SI}} \quad \boldsymbol{D}_{1}=\boldsymbol{Q}_{0}{ }^{n} \quad \boldsymbol{D}_{2}=\boldsymbol{Q}_{1}^{n} \quad \boldsymbol{D}_{3}=\boldsymbol{Q}_{2}^{n}

写出状态方程:

Q0n+1=DSIQ1n+1=D1=Q0nQ2n+1=D2=Q1nQ3n+1=D3=Q2n\begin{array}{ll} Q_{0}{ }^{\mathrm{n}+1}=D_{\mathrm{SI}} & Q_{1}^{\mathrm{n}+1}=D_{1}=Q_{0}{ }^{\mathrm{n}} \\ Q_{2}{ }^{\mathrm{n}+1}=D_{2}=Q_{1}^{\mathrm{n}} & Q_{3}{ }^{\mathrm{n}+1}=D_{3}=Q_{2}^{\mathrm{n}} \end{array}

DSI=11010000D_{SI} =11010000,从高位开始输入

经过7个CP脉冲作用后,从DSI 端串行输入的数码就可以从DO 端串行输出。

(3)多功能移位寄存器工作模式简图

  • 右移: DIRQ0Q1Q2Q3DORD_{\mathrm{IR}} \rightarrow Q_{0} \rightarrow Q_{1} \rightarrow Q_{2} \rightarrow Q_{3} \rightarrow D_{\mathrm{OR}} (左入右出)
  • 左移: DOLQ0Q1Q2Q3DID_{\mathrm{OL}} \leftarrow Q_{0} \leftarrow Q_{1} \leftarrow Q_{2} \leftarrow Q_{3} \leftarrow D_{\mathrm{I}} (右入左出)
  • 右移输入并行输出: DIRQ0Q1Q2Q3D_{\mathrm{IR}} \rightarrow Q_{0} \rightarrow Q_{1} \rightarrow Q_{2} \rightarrow Q_{3} (4个CP)
  • 左移输入并行输出: Q0Q1Q2Q3DII Q_{0} \leftarrow Q_{1} \leftarrow Q_{2} \leftarrow Q_{3} \leftarrow D_{\text {II }}(4 个CP )
  • 并行输入并行输出、并行输入串行输出。

与普通移位寄存器的连接不同,输入端D连接两个不同的数据源,一个数据源为前级的输出,用于移位寄存器的操作;另一个数据来自于外部输入,作为并行操作的一部分。

控制信号Mode用来选择操作的模式,

  • 当Mode = 0时,电路实现移位操作;
  • 当Mode = 1时,则并行数据In3~In0便送到各自的输出端寄存。这两种操作都发生在时钟信号的上升沿时刻。

并行存取的移位寄存器

将移位寄存器的DSOD_{SO}(Q3)与DIND_{IN}相连,则构成环形计数器,如图所示。

若事先通过 PE\overline{P E} 端施加低电平脉冲, 将初始数据 Q0Q1Q2Q3=1000Q_{0} Q_{1} Q_{2} Q_{3}=1000 置入触发器中,

在 CP 脉冲用下, Q0Q1Q2Q3Q_{0} Q_{1} Q_{2} Q_{3} 将依次为 100001000010000110001000 \rightarrow 0100 \rightarrow 0010 \rightarrow 0001 \rightarrow 1000 \rightarrow \cdots \cdots , 即每个触发器经 过4个时钟周期输出一个高电平脉冲, 并且该高电平脉冲 沿环形路径在触发器中传递。可见, 4个触发器只有4个计数状态。

约翰逊计数器(Johnson Counter)

如果将图4.4.3电路中的Q3\overline{Q_3}与DIN相连,则构成扭环形计数器,亦称为约翰逊计数器(Johnson Counter),电路的状态将增加一倍。

扭环形计数器

例 试对下图所示的右向移位寄存器进行建模。

module ShiftReg (Q,Din,CP,CLR_);
   input Din;            //Serial Data inputs      
   input CP, CLR_;       //Clock and Reset
   output reg [3:0] Q;   //Register output
  
  always @ (posedge CP or negedge CLR_)
   if (~CLR_)            //asynchronous clear
            Q <= 4'b0000;
   else begin            //Shift right
         Q[0] <= Din;
       Q[3:1] <= Q[2:0]; 
        end
endmodule 

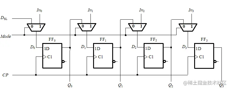
例 一个4位的双向移位寄存器框图如图所示。该寄存器有两个控制输入端(S1、S0)、两个串行数据输入端(Dsl、Dsr)、4个并行数据输入端和4个并行输出端,要求实现5种功能:异步置零、同步置数、左移、右移和保持原状态不变,其功能如表所示。试用功能描述风格对其建模。

双向移位寄存器框图

双向移位寄存器的功能表

module UniversalShift (S1,S0,Din,Dsl,Dsr,Q,CP,CLR_);
   input S1, S0;            //Select inputs
   input Dsl, Dsr;          //Serial Data inputs      
   input CP, CLR_;          //Clock and Reset
   input [3:0] Din;         //Parallel Data input
   output reg [3:0] Q;      //Register output

always @ (posedge CP or negedge CLR_)
   if (~CLR_)               //asynchronous clear
              Q <= 4'b0000;  
   else
      case ({S1,S0})
        2'b00: Q <= Q;            //No change
        2'b01: Q <= {Dsr,Q[3:1]}; //Shift right
        2'b10: Q <= {Q[2:0],Dsl}; //Shift left
        2'b11: Q <= Din;          //Parallel load input
      endcase
endmodule  

移位寄存器的应用电路

(1) 开关去“抖动” 电路

module Debounce (Out,Btn_In,CLK,CLR_);
   input  [3:0] Btn_In;    //Button inputs      
   input        CLK, CLR_; //Clock and Reset
   output [3:0] Out;       //Register output
   reg [3:0] Delay0;  
   reg [3:0] Delay1;  
   reg [3:0] Delay2;  
 always @ (posedge CLK or negedge CLR_)
  begin
   if (~CLR_) begin      //asynchronous clear
      Delay0 <= 4’b0000;
      Delay1 <= 4’b0000;
      Delay2 <= 4’b0000;
      end
   else begin            //Shift right
      Delay0 <= Btn_In;
      Delay1 <= Delay0; 
      Delay2 <= Delay1; 
      end
     end
 assign Out = Delay0 & Delay1 & Delay2;

endmodule   

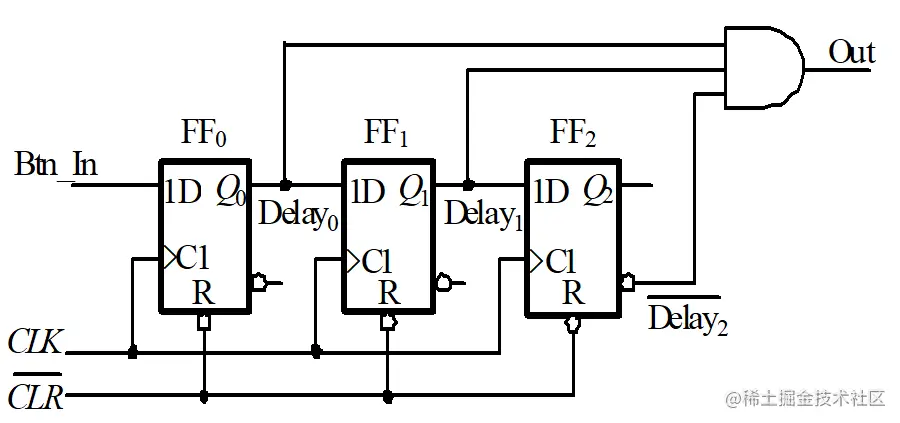
(2) 单脉冲产生电路

(1)设计块:单脉冲产生电路的代码如下:

module ClockPulse (Out, Btn_In,CLK,CLR_);
   input  Btn_In;     //Button inputs      
   input  CLK, CLR_;  //Clock and Reset
   output Out;        //Output
   reg Delay0;  
   reg Delay1;  
   reg Delay2;  
 always @ (posedge CLK or negedge CLR_)
  begin
   if (~CLR_)        //asynchronous clear
      {Delay0, Delay1, Delay2} <= 3’b000;
   else begin        //Shift right
       Delay0 <= Btn_In;
       Delay1 <= Delay0; 
       Delay2 <= Delay1; 
       end
   end
 assign Out = Delay0 & Delay1 & ~Delay2;
endmodule   

(2)激励块:给输入(CLR_、Btn_In和CLK)赋值,产生激励信号。

module Test_ClockPulse ;
   reg  Btn_In;     //Button inputs      
   reg  CLK, CLR_;  //Clock and Reset
   wire Out;        //single  clock pulse output  
  
 ClockPulse U0(Out, Btn_In,CLK,CLR_);
  
 initial begin          // CLR_
    CLR_ = 1'b0;  
    CLR_ = #20 1'b1;
    #350 $stop;         //总仿真时间为370
  end
 
 always begin           // CLK
    CLK = 1'b0;
    CLK = #10 1'b1;
    #10;
    end   
initial begin             // Btn_In
    Btn_In = 1'b0;
    Btn_In = #30 1'b1;
    Btn_In = #5 1'b0;
    Btn_In = #5 1'b1;
    Btn_In = #20 1'b0;  
    #100;
    Btn_In = 1'b1;
    Btn_In = #5 1'b0;
    Btn_In = #5 1'b1;
    Btn_In = #80 1'b0;        
  end 

endmodule

(3) 仿真波形


欢迎关注公众号【AIShareLab】,一起交流更多相关知识,前沿算法,Paper解读,项目源码,面经总结。