D触发器 (D-FF)详解

1,266 阅读5分钟

⭐本专栏针对FPGA进行入门学习,从数电中常见的逻辑代数讲起,结合Verilog HDL语言学习与仿真,主要对组合逻辑电路与时序逻辑电路进行分析与设计,对状态机FSM进行剖析与建模。

🔥文章和代码已归档至【Github仓库:hardware-tutorial】,需要的朋友们自取。或者关注公众号【AIShareLab】,回复 FPGA 也可获取。

D触发器的逻辑功能

D触发器的逻辑符号

把 CP 有效沿到来之前电路的状态称为现态,用QnQ^n表示。

把 CP 有效沿到来之后,电路所进入的新状态称为次态,用Qn+1Q^{n+1}表示。

特性表

DQnQ^nQn+1Q^{n+1}
000
010
101
111

特性方程

Qn+1=DQ^{n+1} = D

状态图

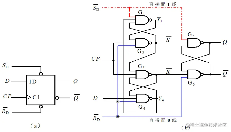
有清零输入和预置输入的D 触发器

由于直接置1和清零时跟CP信号无关,所以称置1、清零操作是异步置1和异步清零。

直接置1和直接清零的过程如下:

(1) 当 SˉD=0\bar{S}_{D}=0, RˉD=1\bar{R}_{D}=1 时, 使得 Y1=1Y_{1}=1 , Sˉ=Y1CPRˉD=CP\bar{S}=\overline{Y_{1} \cdot C P \cdot \bar{R}_{D}}=\overline{C P}, Rˉ=SˉCPY4=1\quad \bar{R}=\overline{\bar{S} \cdot C P \cdot Y_{4}}=1 ,于是 Q=1Q=1, Qˉ=0\bar{Q}=0 , 即将输出 Q 直接置 1 。

(2) 当 SˉD=1\bar{S}_{\mathrm{D}}=1, RˉD=0\bar{R}_{\mathrm{D}}=0 时, 使得 Sˉ=1\bar{S}=1 , 于是 Q=0Q=0, Qˉ=1\bar{Q}=1 , 即将输出 Q 直接清零。

有同步清零端的 D 触发器

所谓同步清零是指在清零输入信号有效,并且CP的有效边沿(如上升沿)到来时,才能将触发器清零。

(a) 实现同步清零的方案之一

(b) 实现同步清零的方案之二

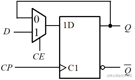
有使能端的D触发器

功能:

  • En=0,Q 保持不变。
  • En=1,在CP作用下,Q = D。

Qn+1=CEQn+CEDQ^{n+1}=\overline{C E} \cdot Q^{n}+C E \cdot D

逻辑符号

D3触发器及其应用电路的Verilog HDL建模

例1.试对图所示的带有异步清零和异步置位的边沿D触发器进行建模。

有异步输入端的D触发器

//版本1:
module Set_Rst_DFF (Q, Q_, D, CP, Rd_, Sd_); 
  output Q,Q_;
  input D,CP,Rd_,Sd_;
  wire Y1,Y2,Y3,Y4,Y5,Y6;
   assign  #5 Y1 = ~(Sd_ & Y2 & Y4);
   assign  #5 Y2 = ~(Rd_ & CP & Y1);
   assign  #5 Y3 = ~(CP  & Y2 & Y4);
   assign  #5 Y4 = ~(Rd_ & Y3 & D );
   assign  #5 Y5 = ~(Sd_ & Y2 & Y6);
   assign  #5 Y6 = ~(Rd_ & Y3 & Y5);
   assign      Q = Y5;
   assign      Q_= Y6;
endmodule

版本1: 根据该图使用连续赋值语句来建模,在assign语句中的#5表示给每个与非门加5个单位时间的传输延迟。

//版本2
module Set_Rst_DFF_bh (Q, Q_, D, CP, Rd_, Sd_); 
   output reg Q;
   output     Q_;
   input D,CP,Rd_,Sd_;

   assign Q_= ~Q;

   always @(posedge CP or negedge Sd_ or negedge Rd_) 
     if (~Sd_)     //等同于: if (Sd_== 0)
        Q <= 1'b1;   
     else if (~Rd_) 
        Q <= 1'b0; 
     else    
        Q <= D;
endmodule

版本2的特点:

采用功能描述风格,使用alwaysif-else对输出变量赋值。

negedge Sd_是一个异步事件,它与if(~Sd_)必须匹配,negedge Rd_是另一个异步事件,它与if(~Rd_)必须匹配,这是语法规定。

  • Sd_为0时,将输出Q置1;
  • Sd_=1Rd_=0时,将输出Q置0;
  • Sd_Rd_均不为0,且时钟CP的上升沿到来时,将输入D传给输出Q。

注意,如果置1事件、置0事件和时钟事件同时发生,则置1事件的优先级别最高、置0事件的次之,时钟事件的优先级最低。

例2 具有同步清零功能的上升沿D触发器。

module Sync_rst_DFF (Q, D, CP, Rd_);
     output  reg Q;
     input D, CP, Rd_;

     always @(posedge CP)
        if ( !Rd_)   // also as (~Rd_) 
                Q <= 0;
        else 
                Q <= D;
endmodule

例4 试用功能描述风格对图所示电路进行建模(2分频电路) ,并给出仿真结果。

解:(1)设计块:使用always和if-else语句对输出变量赋值,其代码如下。

`timescale 1 ns/ 1 ns
module _2Divider (Q,CP,Rd_);
   output reg Q;
   input      CP,Rd_;
   wire       D;
   assign D = ~Q;
always @(posedge CP or 
         negedge Rd_)
    if(~Rd_)  Q <= 1'b0;
    else      Q <= D;
endmodule

(2)激励块:给输入变量赋值。

`timescale 1 ns/ 1 ns
module test_2Divider();
reg CP, Rd_;   wire Q;
//调用(例化)设计块
_2Divider U1 ( .CP(CP), .Q(Q),.Rd_(Rd_) );
initial begin    //产生复位信号Rd_
        Rd_ = 1'b0;
        Rd_ = #2000 1'b1;
#8000 $stop;
end 
always begin      //产生时钟信号CP
        CP = 1'b0;
        CP = #500 1'b1;
        #500;
end 
endmodule

(3)仿真波形(用ModelSim)

由图可知,时钟CP的周期为1000ns,在2000ns之前,清零信号Rd_有效,输出Q被清零。在此之后,Rd_=1,在2500ns时,CP上升沿到来,Q=1;到下一个CP上升沿(3500ns)时,Q=0,再到下一个CP上升沿(4500ns)时,Q=1,……,如此重复,直到8000ns时,系统任务$stop被执行,仿真停止。

总之,在不考虑清零信号Rd_的作用时,每当CP上升沿到来时,触发器状态Q翻转一次。输出信号Q的频率正好是CP频率的二分之一,故称该电路为2分频电路。所谓分频电路,是指可将输入的高频信号变为低频信号输出的电路。

例5 试对图所示电路进行建模,并给出仿真结果。

4位异步二进制计数器逻辑图

解:(1)设计块:采用结构描述风格的代码如下。编写了两个模块,这两个模块可以放在一个文件中,文件名为Ripplecounter.v。

第一个主模块Ripplecounter作为设计的顶层,它实例引用分频器子模块_2Divider1共4次,第二个分频器子模块_2Divider1作为设计的底层。

`timescale 1 ns/ 1 ns
/*==== 设计块:Ripplecounter.v ====*/
module Ripplecounter (Q,CP,CLR_); 
   output [3:0] Q;  
   input        CP, CLR_;

    //实例引用分频器模块 _2Divider1 
   _2Divider1 FF0 (Q[0],CP   ,CLR_); 
    //注意, 引用时端口的排列顺序--位置关联
   _2Divider1 FF1 (Q[1],~Q[0],CLR_);
   _2Divider1 FF2 (Q[2],~Q[1],CLR_);
   _2Divider1 FF3 (Q[3],~Q[2],CLR_);
endmodule 

设计的底层模块 _2Divider1

//分频器子模块
module _2Divider1 (Q,CP,Rd_); 
   output reg Q;
   input      CP,Rd_;

   always @(posedge CP or negedge Rd_)
    if(!Rd_)  
        Q <= 1'b0;
    else       
        Q <= ~Q;
endmodule 

(2)激励块:给输入变量(CLR_和CP)赋值。

/*==== 激励块:test_Ripplecounter.v ====*/
module test_Ripplecounter();
reg        CLR_, CP;
wire [3:0] Q;

Ripplecounter i1 (.CLR_(CLR_),.CP(CP),.Q(Q));

initial begin     // CLR_
  CLR_ = 1'b0;
  CLR_ = #20 1'b1;
#400 $stop;
end 
always begin      // CP
CP = 1'b0;
CP = #10 1'b1;
#10;
end 
endmodule

(3)仿真波形:如下图所示。

由图可知,

  • 时钟CP的周期为20ns。
  • 开始时,清零信号CLR_有效(0~20ns),输出Q被清零。
  • 20ns之后,CLR_一直为高电平,
  • 在30ns时,CP上升沿到来, Q=0001;到下一个CP上升沿(50ns)时,Q=0010,
  • 再到下一个CP上升沿(70ns)时,Q=0011,……,如此重复,到310ns时,Q=1111,
  • 到330ns时,Q=0000,……,直到系统任务$stop被执行,仿真停止。

电路首先在CLR_的作用下,输出被清零。此后当CLR_=1时,每当CP上升沿到来时,电路状态Q就在原来二进制值的基础上增加1,即符合二进制递增计数的规律,直到计数值为1111时,再来一个CP上升沿,计数值回到0000,重新开始计数。故称该电路为4位二进制递增计数器(Ripplecounter:纹波计数器) 。

可见,计数器实际上是对时钟脉冲进行计数,每到来一个时钟脉冲触发沿,计数器改变一次状态。

参考文献:

  1. Verilog HDL与FPGA数字系统设计,罗杰,机械工业出版社,2015年04月
  2. Verilog HDL与CPLD/FPGA项目开发教程(第2版), 聂章龙, 机械工业出版社, 2015年12月
  3. Verilog HDL数字设计与综合(第2版), Samir Palnitkar著,夏宇闻等译, 电子工业出版社, 2015年08月
  4. Verilog HDL入门(第3版), J. BHASKER 著 夏宇闻甘伟 译, 北京航空航天大学出版社, 2019年03月

欢迎关注公众号【AIShareLab】,一起交流更多相关知识,前沿算法,Paper解读,项目源码,面经总结。