m基于matlab的无线光通信CDMA闭环链路功率控制算法仿真,对比了OOK,2PPM,4PPM,8PPM,16PPM

166 阅读5分钟

1.算法描述

        在光通信领域,多址技术主要有WDM(波分复用)、TDM(时分复用)及OCDMA(光码分多址)三种方式。OCDMA技术从70年代中期开始出现,现在引起了人们的广泛重视。将CDMA(码分多址)技术用于光通信中,不仅保持了CDMA技术在无线电中的抗干扰、保密、软容量及网络协议简单等特性,而且可以利用光载体的巨大带宽。

 

       因此,CDMA技术和光通信的结合存在着优势互补。 本文围绕OCDMA系统及其关键技术展开研究工作。在本文中,我们对OCDMA的关键技术进行了理论分析,提出了几种新的地址码,提出了一些新方案来改善系统性能。同时,开展了时域非相干OCDMA的实验工作。

 

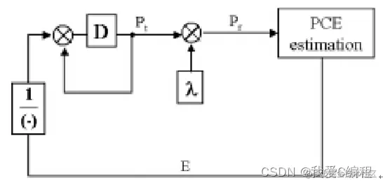
       编写无线光通信-CDMA中闭环链路的功率控制误差(Power control error)程序,其定义参考文献An Analytical Approach for Closed-Loop Power Control Error Estimations in CDMA Cellular Systems中详细说明了。仿真出功率控制误差(Power control error)在OOK 2PPM 4PPM 8PPM 16PPM的不同调制方式下;以及功率控制误差(Power control error)在1/4code rate, 1/2 code rate, 3/4 code rate不同码率下与BER的关系。通过给每个用户指定互相关为0的两个地址码分别发送1和0信号以及在接收端采用差分检测技术,避免了OOK(开关键控)光通信系统中0不发送光脉冲和OOK常规检测方式下最佳判决门限必须根椐用户数等外界环境而改变,从而提高了系统性能和降低了系统的复杂度。通过引入OPPM(重叠脉冲脉位调制)方式,进一步提高了系统的传输效率。

 

        这里我们首先建立一个cdma小区通信环境,然后根据光通信代码在CDMA的基础上,使用光通信进行通信,然后在此基础上加入功率工作,不同的调制方式以及不同的码率等进行仿真。

 

       加入功率控制PCE模块,其基本结构如下所示:

1.png

 

 对OOK,2PPM,4PPM,8PPM,16PPM五种方法进行仿真。

 

        光CDMA方式是基于OTDM和WDM之上的一种多路存取方式,它可以使相同带宽和比特率的光信号携带更多的信息。在光纤CDMA(OCDMA)中,每一位数据都被一个序列编码,每个用户都有一个单独的序列,在发送端,对要传输的数据的序列码进行光正交编码,然后实现多个用户共享同一光纤信道;在接收端,用与发送端相同的地址码进行光正交解码,恢复原用户数据。

        CDMA技术的原理是基于扩频技术,即将需传送的具有一定信号带宽信息数据,用一个带宽远大于信号带宽的高速伪随机码进行调制,使原数据信号的带宽被扩展,再经载波调制并发送出去。CDMA使用带扩频技术的模数转换(ADC).输入音频首先数字化为二进制元。传输信号频率按指定类型编码,因此只有频率响应编码一致的接收机才能拦截信号。

 

2.仿真效果预览

matlab2022a仿真结果如下:

2.png

3.png

4.png

5.png

3.MATLAB部分代码预览 `PACKET_LENGTH  = 1000;  %Packet size

PEEK_POWER     = 1;

SYMBOL_LENGTH  = 36;   %here symbol length= packet length

SLOT_LENGTH    = 4;  

TRANS_LENGTH   = 9SLOT_LENGTHPACKET_LENGTH;

pulse_drtn     = 4;

CHANNELS       = 3;

ELECTRON       = 1.6e-19;

INTERFERENCE   = 1e-3;

RECEIVER_RES   = 0.53;

COEF_RED       = 0.1550;

COEF_GREEN     = 1.7309;

COEF_BLUE      = 1.1142;

RES_RED        = 0.5200;

RES_GREEN      = 0.4800;

RES_BLUE       = 0.4000;

%Derived parameters

bit_rate       =  16e8;                          % bit rate [100Mbps]  

rms_delay      =  2e-9;                         % delay spread (1 ns)                                                      

multipath      =  3;                            % multi-path dispersion

sample_rate    =  bit_rate / 3.0 * SLOT_LENGTH;

%struct built

for i=1:CHANNELS

    sentbit(i,:)  = zeros(1,3*PACKET_LENGTH);

    signal(i,:)   = zeros(1,12*PACKET_LENGTH);

    recivbit(i,:) = zeros(1,3*PACKET_LENGTH);

end

 

dwTransmitPower           = 7;        % 发送功率

dShadowFadingStd          = 4;        % 阴影衰落标准差BS2UE dB

dUserVelocity             = 0;        % 用户移动速度0km/h,这里假设是静止的

 

MAX_Dis                   = 7;

STEP                      = 0.2;

MIN_Dis                   = 1;

 

DIS                       = [MIN_Dis:STEP:MAX_Dis];%定义用户和基站之间的距离

MTKL                      = 20;%多次仿真,计算平均值

Avgtime                   = 200;

Delay                     = 5;

 

startpow                  = -70;    

endpow                    = -40;  

powstep                   =  5;     

%**************************************************************************

 

%%

%主题函数,通过for循环,仿真不同距离下的误码率曲线

%为了对比,我们设置三组不同的SNR下的AWGN进行仿真

%由于原先的程序是基于数据组进行仿真,而基于PCE估计的算法,需要基于时间流模型,所以必须将

%仿真的方法修改下,即对每一个数据位单独的循环仿真,从而模拟出实时的效果

 

E1 = zeros(PACKET_LENGTH,1);

E2 = zeros(PACKET_LENGTH,1);

E3 = zeros(PACKET_LENGTH,1);

cnt = 0;

for jj = 0.1:0.05:0.5   

    cnt = cnt + 1;

    for mm = 1:MTKL

        jj

        mm

        %根据路径距离计算路径损耗

        PASS_LOSS = -25;

        %计算光三组元色对应的SNR值

        snr_red   = 10log10(power((power(10,PASS_LOSS/10)1e-3)(COEF_RED  /(COEF_RED+COEF_GREEN+COEF_BLUE)),2)/((ELECTRONINTERFERENCE/RES_RED)  (bit_rate(SLOT_LENGTH/pulse_drtn)/3.0)));

        snr_green = 10log10(power((power(10,PASS_LOSS/10)1e-3)(COEF_GREEN/(COEF_RED+COEF_GREEN+COEF_BLUE)),2)/((ELECTRONINTERFERENCE/RES_GREEN)(bit_rate(SLOT_LENGTH/pulse_drtn)/3.0)));

        snr_blue  = 10log10(power((power(10,PASS_LOSS/10)1e-3)(COEF_BLUE /(COEF_RED+COEF_GREEN+COEF_BLUE)),2)/((ELECTRONINTERFERENCE/RES_BLUE) (bit_rate(SLOT_LENGTH/pulse_drtn)/3.0)));

        VarR      = calc_snr(snr_red);

        VarG      = calc_snr(snr_green);

        VarB      = calc_snr(snr_blue);

 

 

        %产生随机数作为发送数据

        for i=1:CHANNELS

            sentbit(i,:) = round(rand(1,3*PACKET_LENGTH));

        end

 

 

        for times = 1:3*PACKET_LENGTH%每一时刻,发送一个数据包

            S1 = 1*(times-1) + 1;

            F1 = 1*times;

            S2 = 4*(times-1) + 1;

            F2 = 4*(times);

            

            %**********************************************************************

            %根据上一次反馈得到的E进行功率的调整

            %**********************************************************************

            %对E取倒数

            %对应公式Pt(t) = Pt(t-D)/E(t-D) = 1/r(t-D)

            Coff(1,times) = 1/jj;% 之后,根据前一次的E进行调整发送功率

            Coff(2,times) = 1/jj;% 之后,根据前一次的E进行调整发送功率

            Coff(3,times) = 1/jj;% 之后,根据前一次的E进行调整发送功率  

            

            %调制,OOK

            for i=1:CHANNELS

                signal(i,S2:F2) = func_1in4(sentbit(i,S1:F1),Coff(i,times));

            end

 

            %加多径

            if multipath~=1

               for i=1:CHANNELS

                   signa2(i,S2:F2) = add_multipath_dispersion1(signal(i,S2:F2),4,sample_rate,rms_delay);

               end

            end

 

            

            %加噪声

            signal(1,S2:F2)=add_gauss_noise(signal(1,S2:F2),length(S2:F2), VarR);      

            signal(2,S2:F2)=add_gauss_noise(signal(2,S2:F2),length(S2:F2), VarG);

            signal(3,S2:F2)=add_gauss_noise(signal(3,S2:F2),length(S2:F2), VarB);

        

 

            %解调

            for i=1:CHANNELS

                recivbit(i,S1:F1) = func_de1in4(signal(i,S2:F2),Coff(i,times));

            end

        end

 

        for i=1:CHANNELS

            error(i,:) = size(find(recivbit(i,:)~=sentbit(i,:)),2);

        end

        ERR(mm) = (error(1,:)+error(2,:)+error(3,:))/(CHANNELS3PACKET_LENGTH);

    end

    ber(cnt) = mean(ERR);

end

01_057_m`