m基于simulink的16QAM和2DPSK通信链路仿真,并通过matlab调用simulink模型得到误码率曲线

487 阅读3分钟

1.算法概述

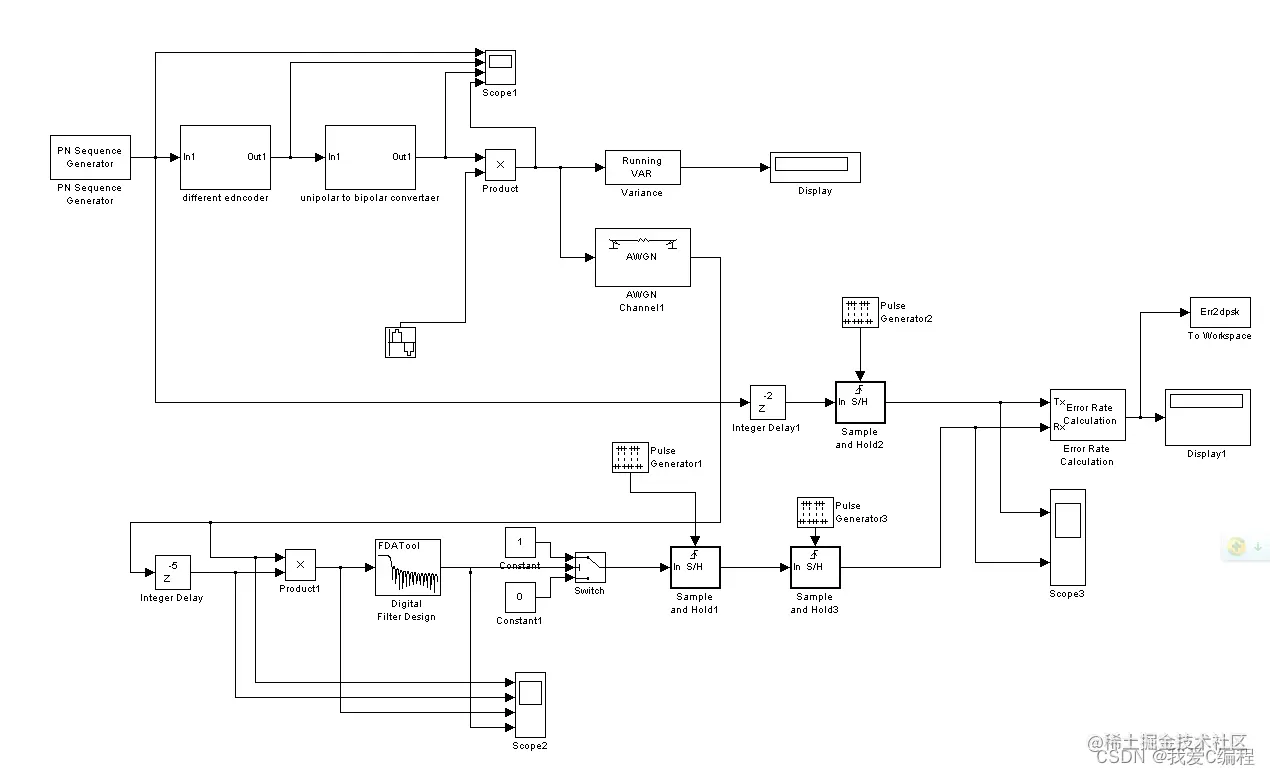
      2DPSK又称为相对相移键控,它不是利用载波相位的绝对数值传送数字信息,而是用前后码元的相对载波相位值传送数字信息。所谓相对载波相位是指本码与前一码元初相之差。

 

1.png

 

如图,这里输入的信号为1000001000_0110001010_0111101000

 

串并之后得到数据(由于延迟1个符号,数据的第一个值不计入计算,最后一位图中未显示):

 

I: 1 0 0 1 0   0 1 0 0 1   1 0 1 1 1 0

 

Q:0 0 0 0 0   1 0 0 0 0   0 1 1 0 0 0

 

·电平转化

 

对于2/4电平的转换,其实是将输入信号的4种状态(00,01,10,11)经过编码以后变为相应的4电平信号。这里我们选择的映射关系如表4-1所示。

 

2.png

 

2.仿真效果预览

matlab2022a仿真

 

 ·串并

 

3.png

 

仿真结果如下所示:

 

4.png

5.png  

其最后的速率变为了原数据的1/4了。

 

·载波调制

 

该模型的仿真结果如下所示:

 

6.png

 

·加入高斯白噪声

 

这个模块比较简单,但是需要值的注意的是:

 

 

7.png

 

 

其参数中有个输入信号的功率的输入,所以我们需要在模型中加入如下的模块:

 

 

8.png

 

这个模块就是计算信号的功率的,将5.091输入到参数设置中即可。

 

9.png

 

以上是调制部分的仿真和最后的星座图

 

下面开始仿真解调部分:

 

·下变频

 

10.png

 

其仿真结果如下所示:

 

11.png

 

·滤波

 

 

 

  这里,滤波器使用的模块为:

 

12.png

13.png  

·电平转化之后得到如下的结果:

 

14.png

 

·最后是并串转化

 

15.png

 

通过观察和之前的数据,发现完成相同, 这说明是正确的,最后加入误码率统计模块,得到其误码率为:

 

16.png

 

这个误码率是一开始传输的时候延迟多出的两个bit信息照成的。

 

下面仿真其误码率曲线图:

 

 

由于误码率曲线是在不同的SNR下仿真的,所以这里就需要借助MATLAB联合Slimulink进行仿真。

 

17.png

 

 

16QAM和2DPSK的对比:

 

18.png

 

3.MATLAB部分代码预览 `clc;

clear;

close all;

warning off;

 

SNRs   = [-2 0 2 4 6 8 10 12 14];

Length = 30000;

Err1   = zeros(1,length(SNRs));

Err2   = zeros(1,length(SNRs));

ind    = 1;

for i = 1:length(SNRs)

    i

    SNR = SNRs(i);

    sim('module_16qam.mdl');%调用simulink模块

    Err1(ind) = ErrQAM.signals.values(end,1);%将simulink的输出结果的平均值作为平均速度

    ind      = ind + 1;%计数器累加    

    clear    ErrQAM

end

ind    = 1;

for i = 1:length(SNRs)

    i

    SNR = SNRs(i);

    sim('module_2dpsk.mdl');%调用simulink模块

    Err2(ind) = Err2dpsk.signals.values(end,1);%将simulink的输出结果的平均值作为平均速度

    ind      = ind + 1;%计数器累加    

    clear    ErrQAM

end

 

figure;

semilogy(SNRs,Err1,'b-*');

grid on;

xlabel('SNR');

ylabel('Err');

legend('16QAM');

 

figure;

semilogy(SNRs,Err2,'b-*');

grid on;

xlabel('SNR');

ylabel('Err');

legend('2DPSK');

 

figure;

semilogy(SNRs,Err1,'b-*');hold on

semilogy(SNRs,Err2,'r-*');hold on

grid on;

xlabel('SNR');

ylabel('Err');

legend('16QAM','2DPSK');

01-45m`