单键低功耗/抗干扰1路单通道触摸触控IC-VK3601 FAE技术支持

111 阅读1分钟

产品品牌:永嘉微电/VINKA
产品型号:VK3601
封装形式:SOT23-6

 

概述:
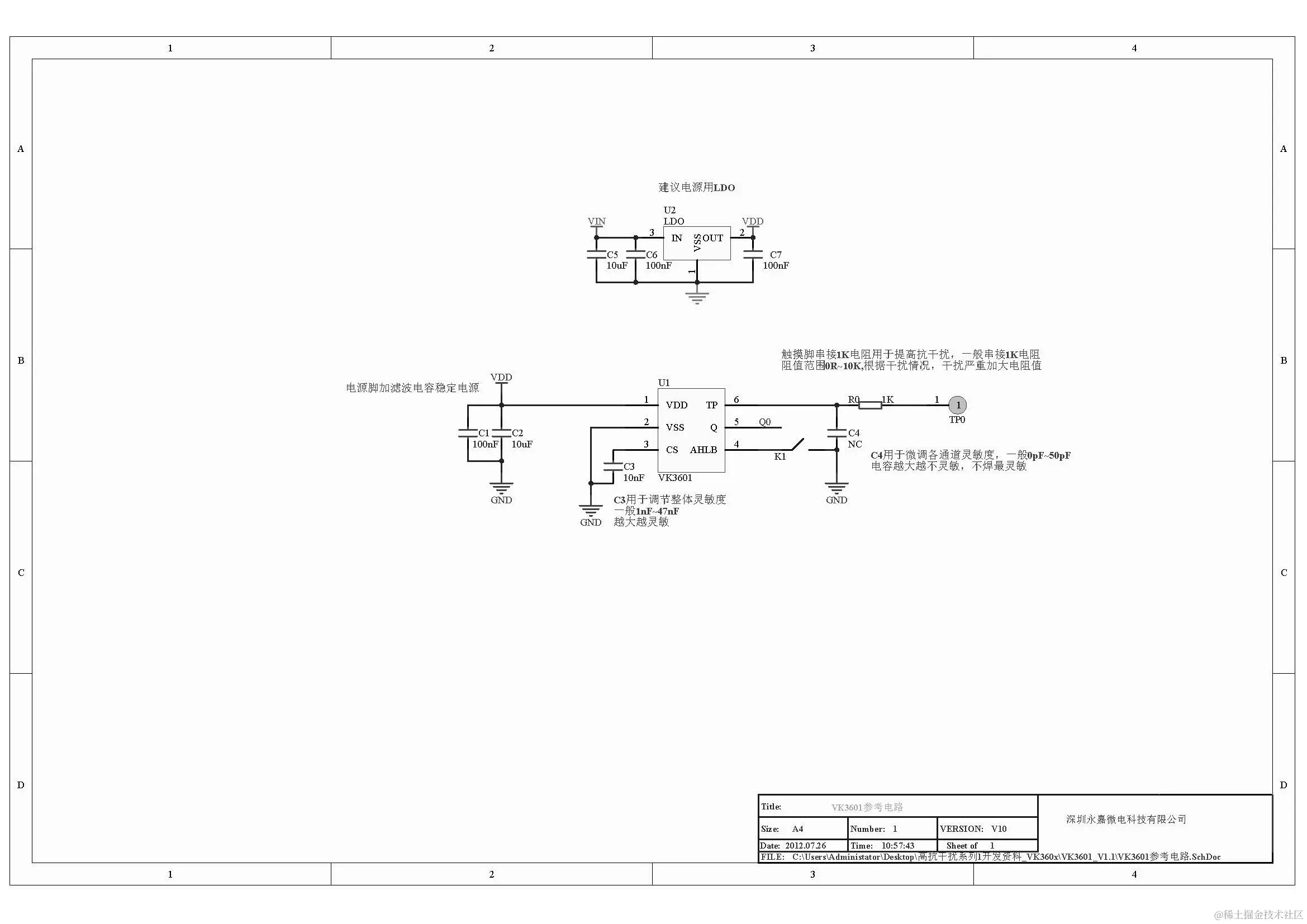
VK3601具有1个触摸按键,可用来检测外部触摸按键上人手的触摸动作。该芯片具有较 高的集成度,仅需极少的外部组件便可实现触摸按键的检测。 提供了1路直接输出功能。芯片内部采用特殊的集成电路,具有高电源电压抑制比,可 减少按键检测错误的发生,此特性保证在不利环境条件的应用中芯片仍具有很高的可靠性。 此触摸芯片具有自动校准功能,低待机电流,抗电压波动等特性,为各种触摸按键+IO 输出的应用提供了一种简单而又有效的实现方法。

特点:
**• 工作电压 2.4-5.5V
• 待机电流4uA/3.0V,8uA/5V
• 上电复位功能(POR)
• 低压复位功能(LVR)
• 触摸输出响应时间 工作模式 48mS ,待机模式160m
• CMOS输出,可通过AHLB脚选择低电平有效还是高电平有效
• 无触摸4S进入待机模式
• CS脚接对地电容调节灵敏度(1-47nF)
• 各触摸通道单独接对地小电容微调灵敏度(0-50pF)
• 上电0.25S内为稳定时间,禁止触摸
• 上电后4S内自校准周期为64mS,4S无触摸后自校准周期为1S
• 封装SOT23-6(3mm x 3mm PP=0.95mm)

1_副本.png

2.jpg