正压睡眠呼吸机硬件设计方案

159 阅读8分钟

【导读】睡眠呼吸机是用于治疗在睡眠状态下,病人上呼吸道阻塞的一种设备。睡眠的上呼吸道阻塞会造成鼾声、血氧降低、代谢紊乱等状况,长期会导致或加重各种慢性疾病:如高血压、糖尿病、心脑血管疾病、神经性疾病等。睡眠呼吸机通过对患者呼吸道持续输送一定压力的气流,从而形成气体支架,支撑患者的气道开放,保证患者的呼吸通畅,消除鼾声以及OSAHS所带来的负面影响。

本次技术型授权代理商Excelpoint世健邀请到了行业资深工程师沈工来分享他的实战设计经验。沈工及团队设计的正压睡眠呼吸机硬件方案由电机控制系统、压力/流量测量系统、气路系统、加热/加湿系统和人机界面等组成。

多数使用正压睡眠呼吸机的患者是在睡眠期间使用该设备,所以呼吸机的通气舒适度及静音性能是其重要指标。另外,睡眠呼吸机的功能之一是在系统发生异常时,能及时发现并立即采取适合的保护措施,其核心要点即是呼吸机风机的控制。

这款正压睡眠呼吸机硬件设计方案有三个重要特征。第一涵盖极高动态的电机转速范围:双水平模式下,电机转速范围会在10000rpm以内及25000rpm以上快速切换,转速切换时间可低于0.5秒。第二可维持尽可能小的噪声。呼吸机压力为10cm水柱时,一般要求低于30dB,高端的产品可以做到23dB及以下。第三具有灵活方便的系统诊断,保护机制:以方便的结合驱动器信息及相关传感器定位相关异常事件,包括呼吸面罩脱落、呼吸管路漏气、风机堵转等等。

家用正压睡眠呼吸机要求小巧的体积及极小的运行噪声,因此电机控制需要采用FOC算法,根据负载(系统压力和流量状况),控制风机稳定运行,减小转矩脉动,从而大大减少电机自身的运行噪声。通常工程师在产品开发中,会选择直接购买风机配套的驱动板,这样成本相对比较高,而且接口控制不够灵活。 沈工的方案则能以较低的成本达到更好的性能及灵活度。

1.呼吸机风机控制系统

1669878227893891.jpg

表1 呼吸机风机参数

2.jpg

图1 所用医用级风机实物图

在TMC4671和呼吸机风机参数的基础上,沈工及团队开发了风机驱动板,电机控制部分简要框图如下:

1669878207851377.png

图2 电机控制部分简要框图

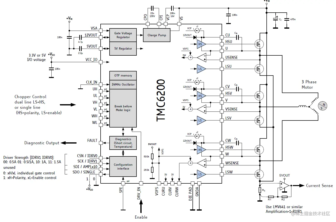
电机控制核心FOC算法及控制由ADI Trinamic的TMC4671完成,功率驱动部分及电流采样使用ADI Trinamic的TMC6200完成。TMC4671极大简化了电机控制部分的算法,解放了MCU的算力,使用户可以专注于系统应用级的设计,如更适于患者的压力流量曲线等。

压力值通过压力传感器反馈,经由MCU进行PI运算后,其输出作为TMC4671的速度给定信号,TMC4671输出风机控制SVPWM信号给TMC6200,TMC6200作为MOS管门级驱动,控制三相H桥以驱动电机运行,使呼吸机压力保持在需要的值或按给定的曲线变化。

2.核心器件介绍

1669878189304682.jpg

表2 系统核心器件

TMC4671是一款ADI Trinamic于2020年发布的全球首个具有针对BLDC/PMSM和两相步进电动机以及直流电动机和音圈的磁场定向控制的全集成伺服控制器IC、集成ADC、位置传感器接口(增量式编码器,HALL信号等)和位置插值器的完整组件。

5.png

图3 TMC4671结构框图

芯片采用级联的闭环控制架构(位置环、速度环和电流环),如下图所示。

1669878165977447.png

图4 TMC4671控制环框图

转矩环核心的FOC算法,将FOC算法包含的Park,反Park变化等时间关键性的计算都集成在硬件中。因此开发动态伺服控制器只需几行代码,这不仅减轻了处理器处理实时关键任务的负担,还优化了设计周期,缩短了上市时间。

1669878149604363.png

图5 TMC4671内部FOC算法框图

8.jpg

表3 TMC4671核心功能

TMC6200是一个大功率门驱动器,专为永磁同步电机伺服或无刷直流电机设计,可以驱动从几瓦特到几千瓦的电机;集成了FOC驱动系统的全高电压部分,适用于12V、24V或48V系统。使用TMC6200,可以最少数量的外部组件来构建具有完全保护和保护功能的坚固驱动器诊断。

TMC6200除驱动三相H桥外,还完成电流信号的采集及转换,其内置运放及PGA,适合不同功率的电机。采样相电流,非常适用于TMC4671中实现的Δ-Σ电流测量,可实现对电流的低噪声采样,提高系统的控制精度。另外TMC6200提供了完善的功率级诊断功能,方便系统的故障处理。

1669878128635663.png

图6 TMC4671+TMC6200系统架构框图

1669878116235573.png

图7 TMC6200框图

1669878104511384.jpg

表4 TMC6200告警及保护功能概览

3.系统连接和测试

TMC4671及TMC6200均采用SPI与MCU通信,官方的IDE可方便对外围连接进行标定。标定结束后,用户只需通过SPI进行相关配置即可对电机进行控制,十分方便高效。

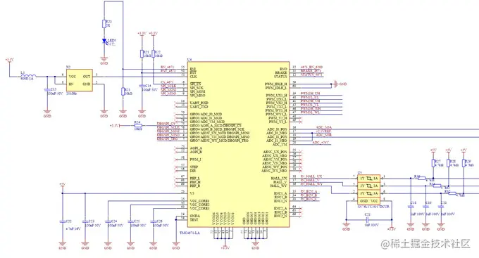
下图是TMC4671及TMC6200相关原理图。

12.jpg

图8 TMC4671及TMC6200相关原理图

13.jpg

图9 TMC4671及TMC6200相关原理图

1669878065634302.jpg

图10 TMC4671及TMC6200相关原理图

4.技术难点

PI 调节

TMC4671对电机控制参数的调整也十分便捷,通过官方的IDE可以方便的设置系统的PI控制参数,官方原装的RTMI调试器由于接口问题关系,连接自己的目标板不够灵活。沈工及团队设计了一个相同功能的模块,同时实现了调试信号的电气隔离,另外加上了电源及信号传输指示灯,接口也改成了2.54mm,也可扩展为2.0mm或1.27mm,可十分方便的转接到目标板。

15.jpg

图11 带隔离及信号指示的TMC4671调试器

1669878032801720.png

图12 HALL识别

1669878021973398.png

图13 电机参数识别

1669878011287149.png

图14 PI参数调整

1669878000277430.png

图15 转速与电流关系

1669877986288473.png

图16 使用内置双四阶滤波器优化性能

正压睡眠呼吸机硬件设计方案使用TMC4671+TMC6200的组合,大大降低了高性能电机驱动器设计的门槛,使用户可以非常快速地搭建相关的高性能电机应用,无需编写复杂费时的底层驱动,节省了了大量的调试时间;相关诊断功能使工程师在调试初期可快速定位系统故障;配合TMC IDE,用户可以方便地进行系统辨识和控制参数优化,加速产品设计定型;用户可专注于产品本身的设计优化,这是未来电机控制应用的方向。Excelpoint世健提供相关技术指导和支持,能帮助用户更好地进行设计,尽快让产品上市。

关于世健——亚太区领先的元器件授权代理商

找电子元器,上唯样商城。

世健是完整解决方案的供应商,为亚洲电子厂商包括原设备生产商(OEM)、原设计生产商(ODM)和电子制造服务提供商(EMS)提供优质的元器件、工程设计及供应链管理服务。

世健与供应商及电子厂商紧密协作,为新的科技与趋势作出定位,并帮助客户把这些最先进的科技揉合于他们的产品当中。集团分别在新加坡、中国及越南设有研发中心,专业的研发团队不断创造新的解决方案,帮助客户提高成本效益并缩短产品上市时间。世健研发的完整解决方案及参考设计可应用于工业、无线通信及消费电子等领域。世健总部设于新加坡,拥有超过700名员工,世健的业务已扩展至亚太区的49个城市和地区,遍及新加坡、马来西亚、泰国、越南、中国、印度、印度尼西亚、菲律宾及澳大利亚等十多个国家。世健集团在2021年的年营业额超过16亿美元。1993年,世健在香港设立区域总部——世健系统(香港)有限公司,正式开始发展中国业务。目前,世健在中国拥有十多家分公司和办事处,遍及中国主要大中型城市。凭借专业的研发团队、顶尖的现场应用支持以及丰富的市场经验,世健在中国业内享有领先地位。