51单片机学习笔记(郭天祥版)(8)——1602液晶

211 阅读13分钟

本文已参与「新人创作礼」活动,一起开启掘金创作之路。

右边那个用于插入1602,左边那个电位器(滑动变阻器)用于调节液晶的对比度,转动后,字符的颜色会发生深浅变化。

这样插上去,插反了容易把液晶烧坏。

1602:1行可以显示16个字符,一共两行。

还有1601,0801,0802,12864,12232、320240、320640。

12864:图形液晶,横着有128个点,竖着有64个点。要让显示东西,控制矩阵内这些任何的点就会显示图形或汉字。如果是带字库的液晶,写字的时候,直接把汉字赋给液晶的数据口,这些字体就能出来。

1602只能显示数字和字符,即数字、英文字母、符号,所有的asc码,不能显示汉字。

这种液晶就是两色,还有带有灰度值得,可以显示出动画,还有wei 彩的、真彩的就是彩色液晶,也可以由单片机驱动。


液晶比数码管有意思多了,而且比数码管简单。

1602有好几种接口,这里是并行接口。

3VL就是液晶对比度调节。

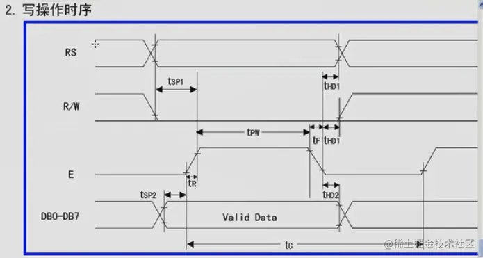
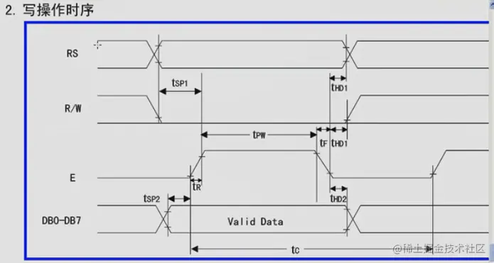
4RS液晶写数据之前要先接收命令,表示他要干什么,命令是要让液晶内部进行一些设置,数据就是直接要显示的数据。首先命令在什么位置显示什么东西,就像光标闪烁就是命令。H电平接收数据,L电平接收命令。

5RW读写数据,液晶可以写数据,也可以从里面读数据。今天简化一下,就不读数据了。

D0~D7,8位数据口。

15~16不接背光就不亮了。

设计电路板才需要考虑尺寸,所以不看了。

控制器接口这是液晶内部。

要读当前状态是否允许写,比如上一个状态还没有显示出来又写了一个,这就不行,数据会丢失。这是高速操作用的。

我们只看写,1.2:RS=L(选中了命令,命令就是指令),RW=L(写),D0~D7指令码(后面讲,D0~D7可以送指令也可以送数据,由RS决定),E=高脉冲前者为高脉冲,后者为低脉冲。输出就不管了。

1.3也是读,就不看了。

1.4:RS=H(选中数据),RW=L(写),D0~D7(数据),E=高脉冲。

数字芯片要读懂时序图。

读的就不看了,看写的。

能看到许多都是两条线,那是因为一个是写,一个是读。

我们只看写的,首先RS,RW变低,过一段时间,再给E一个高脉冲,持续一段时间,再拉为低电平,持续一段时间,再将RS、RW变回高。具体写程序再看。

延时多少时间,要看时序参数:

不同厂家操作时序不一样,这里郭天祥说按照长沙太阳人公司(就是上面这些内容的出处)的不能正常工作.....然后看了英文原版的。

 

我们可以不检测,我们做个延时,等他忙完,在进行第二个操作,可以省不少事情,不至于程序写的麻烦。

看到省略号后面还有,视频中字符是从右侧慢慢移到左边的,实际上就是写到了后面,先全部写完,有一个整屏移动指令,就全都移动出来了。还有别的方向的。但是省略号后面那些不在显示范围内。

5*7点阵:其实每个字符是由5行7列的点阵组成的

要显示东西,肯定要让D=1,光标显示关闭等会我们分别试试看看效果。

N=1,每写一个字节,地址指针自动加1,下一次直接写数据就可以了,N=0,就是倒着往前写。

80字节RAM:00~67。

数据指针,也是指令,要先设置数据指到什么位置,然后再写数据,不能直接写0-27,前面要有个80H+,80H+1地址就是01,80H就是00。

我们写的时候不按照这个,按照自己的方法。

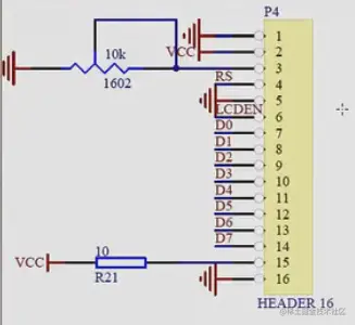
1602和51单片机的接口

这里中间74LS00那里不看,可能是自动写入方法。RD和WR第二功能还没讲,用的时候自己看。

    

15、16背光,加了一个10Ω电阻,怕直接加5V电压后电流过大把芯片烧坏,用它限流。

D0~D7数据口接了P0口,6接口是使能端,接了P3.4。然后5这个IO口和我们的不一样,因为这里只写,所以视频中直接接了低电平,4是数据命令选择端,接了P3.5,3是偏压信号,接地,液晶显示需要负电压,并用滑动变阻器调节,电压就会变化,内部对比度就会变化。


接下来程序,我们先把光标写出来

注意D0~D7连接着数码管的,写数据时,数码管也会变,实验板是usb供电,同时把数码管和液晶打开,功耗会过大,usb供电电流比较小,功耗不够,液晶就会不亮,所以我们把数码管全部关端,把锁存端关闭就可以。

然后就照着下面的图写就可以了

这里我先尝试按照视频中的电路接法,用的仿真,把RW接地。由于RW一直为低,所以就不需要tSP1的等待时间了

 1 #include<reg51.h>
 2 
 3 #define uchar unsigned char
 4 #define uint unsigned int
 5     
 6 sbit DUAN=P2^6;
 7 sbit WEI=P2^7;
 8 sbit lcden=P3^4;
 9 sbit lcdrs=P3^5;
10 //sbit lcdrw=P3^6;
11 
12 //uchar code Table[]={0x3f,0x06,0x5b,0x4f,0x66,0x6d,0x7d,0x07,0x7f,0x6f,0x77,0x7c,0x39,0x5e,0x79,0x71,0x00};
13 //                    0    1    2    3    4    5    6    7    8    9    A    B    C    D    E    F   无显示
14 
15 void Delay1ms();
16 void delay(int n);
17 void write_com(uchar com);
18 void write_data(uchar date);
19 void init();
20 
21 void main()
22 {
23     init();
24     while(1);
25 }
26 void write_com(uchar com)
27 {
28     //写命令
29     lcdrs=0;//数据命令选择端,选择命令
30     P0=com;//送指令
31     delay(5);
32     lcden=1;
33     delay(5);
34     lcden=0;
35 }
36 void write_data(uchar date)
37 {
38     //写数据
39     lcdrs=1;//数据命令选择端,选择数据
40     P0=date;//送数据
41     delay(5);
42     lcden=1;
43     delay(5);
44     lcden=0;
45 }
46 void init()
47 {
48     //第一步关闭数码管两个锁存器
49     DUAN=0;
50     WEI=0;
51     //第二步初始化液晶
52     lcden=0;//使能
53     write_com(0x38);//模式初始化
54     write_com(0x0f);//开显示,显示光标,光标闪烁
55     write_com(0x06);//光标+1,不整屏移动了
56     
57 }
58 void delay(int n)
59 {
60     while(n--)
61     {
62         Delay1ms();
63     }
64 }
65 void Delay1ms()        //@12.000MHz
66 {
67     unsigned char i, j;
68 
69     i = 2;
70     j = 239;
71     do
72     {
73         while (--j);
74     } while (--i);
75 }

代码是成功的,我们也可以让光标不闪烁,即将0x0f改为0x0e;

但是会发现,前面有一个黑块,这这么回事?

本以为没有初始化光标,所以在init中write_com(0x06)后面加了一个write_com(0x80);结果不行,光标没了...

可能是一开始有数据,我们先清屏一下,加上write_com(0x01)

 1 #include<reg51.h>
 2 
 3 #define uchar unsigned char
 4 #define uint unsigned int
 5     
 6 sbit DUAN=P2^6;
 7 sbit WEI=P2^7;
 8 sbit lcden=P3^4;
 9 sbit lcdrs=P3^5;
10 //sbit lcdrw=P3^6;
11 
12 //uchar code Table[]={0x3f,0x06,0x5b,0x4f,0x66,0x6d,0x7d,0x07,0x7f,0x6f,0x77,0x7c,0x39,0x5e,0x79,0x71,0x00};
13 //                    0    1    2    3    4    5    6    7    8    9    A    B    C    D    E    F   无显示
14 
15 void Delay1ms();
16 void delay(int n);
17 void write_com(uchar com);
18 void write_data(uchar date);
19 void init();
20 
21 void main()
22 {
23     init();
24     while(1);
25 }
26 void write_com(uchar com)
27 {
28     //写命令
29     lcdrs=0;//数据命令选择端,选择命令
30     P0=com;//送指令
31     delay(5);
32     lcden=1;
33     delay(5);
34     lcden=0;
35 }
36 void write_data(uchar date)
37 {
38     //写数据
39     lcdrs=1;//数据命令选择端,选择数据
40     P0=date;//送数据
41     delay(5);
42     lcden=1;
43     delay(5);
44     lcden=0;
45 }
46 void init()
47 {
48     //第一步关闭数码管两个锁存器
49     DUAN=0;
50     WEI=0;
51     //第二步初始化液晶
52     lcden=0;//使能
53     write_com(0x38);//模式初始化
54     write_com(0x0f);//开显示,显示光标,光标闪烁
55     write_com(0x06);//光标+1,不整屏移动了
56     write_com(0x01);//显示清零,数据指针清零
57     write_com(0x80);//数据地址指针初始化00
58     
59 }
60 void delay(int n)
61 {
62     while(n--)
63     {
64         Delay1ms();
65     }
66 }
67 void Delay1ms()        //@12.000MHz
68 {
69     unsigned char i, j;
70 
71     i = 2;
72     j = 239;
73     do
74     {
75         while (--j);
76     } while (--i);
77 }

光标有了,接下来可以写数据了,我们先写一个1

 1 #include<reg51.h>
 2 
 3 #define uchar unsigned char
 4 #define uint unsigned int
 5     
 6 sbit DUAN=P2^6;
 7 sbit WEI=P2^7;
 8 sbit lcden=P3^4;
 9 sbit lcdrs=P3^5;
10 //sbit lcdrw=P3^6;
11 
12 //uchar code Table[]={0x3f,0x06,0x5b,0x4f,0x66,0x6d,0x7d,0x07,0x7f,0x6f,0x77,0x7c,0x39,0x5e,0x79,0x71,0x00};
13 //                    0    1    2    3    4    5    6    7    8    9    A    B    C    D    E    F   无显示
14 
15 void Delay1ms();
16 void delay(int n);
17 void write_com(uchar com);
18 void write_data(uchar date);
19 void init();
20 
21 void main()
22 {
23     init();
24     write_data('1');
25     while(1);
26 }
27 void write_com(uchar com)
28 {
29     //写命令
30     lcdrs=0;//数据命令选择端,选择命令
31     P0=com;//送指令
32     delay(5);
33     lcden=1;
34     delay(5);
35     lcden=0;
36 }
37 void write_data(uchar date)
38 {
39     //写数据
40     lcdrs=1;//数据命令选择端,选择数据
41     P0=date;//送数据
42     delay(5);
43     lcden=1;
44     delay(5);
45     lcden=0;
46 }
47 void init()
48 {
49     //第一步关闭数码管两个锁存器
50     DUAN=0;
51     WEI=0;
52     //第二步初始化液晶
53     lcden=0;//使能
54     write_com(0x38);//模式初始化
55     write_com(0x0e);//开显示,显示光标,光标闪烁
56     write_com(0x06);//光标+1,不整屏移动了
57     write_com(0x01);//显示清零,数据指针清零
58     write_com(0x80);//数据地址指针初始化00
59     
60 }
61 void delay(int n)
62 {
63     while(n--)
64     {
65         Delay1ms();
66     }
67 }
68 void Delay1ms()        //@12.000MHz
69 {
70     unsigned char i, j;
71 
72     i = 2;
73     j = 239;
74     do
75     {
76         while (--j);
77     } while (--i);
78 }

成功并且光标后移1位

如果我们直接写write_com(1)

那么显示就不对。

这里可以看一个手册

这里给出了每个字符对应的16进制数,即asc值。

这就是各个字符的16进制编码,从图中可以看到1的是31,a是41,之前串口通信的时候我们也看到过。

我们写'1'就是给了1的asc

如果我们直接给了0x31,那么也是输出1

如果我们想多输入几个,那么主函数如下

1 void main()
2 {
3     init();
4     write_data('1');
5     delay(20);
6     write_data('b');
7     while(1);
8 }

接下来我们写两行,第一行:I LIKE MCU!  第二行:123456789,那么为了简便,我们要用到循环,不过有的人可能会这么写:

 1 #include<reg51.h>
 2 
 3 #define uchar unsigned char
 4 #define uint unsigned int
 5     
 6 sbit DUAN=P2^6;
 7 sbit WEI=P2^7;
 8 sbit lcden=P3^4;
 9 sbit lcdrs=P3^5;
10 //sbit lcdrw=P3^6;
11 
12 //uchar code Table[]={0x3f,0x06,0x5b,0x4f,0x66,0x6d,0x7d,0x07,0x7f,0x6f,0x77,0x7c,0x39,0x5e,0x79,0x71,0x00};
13 //                    0    1    2    3    4    5    6    7    8    9    A    B    C    D    E    F   无显示
14 uchar code Table[]="I LIKE MCU!";
15 uchar code Table1[]="123456789";
16 void Delay1ms();
17 void delay(int n);
18 void write_com(uchar com);
19 void write_data(uchar date);
20 uchar num=0;
21 void init();
22 
23 void main()
24 {
25     init();
26     for(num=0;num<11;num++)
27     {
28         write_data(Table[num]);
29         delay(5);
30     }
31     for(num=0;num<9;num++)
32     {
33         write_data(Table1[num]);
34         delay(5);
35     }
36     while(1);
37 }
38 void write_com(uchar com)
39 {
40     //写命令
41     lcdrs=0;//数据命令选择端,选择命令
42     P0=com;//送指令
43     delay(5);
44     lcden=1;
45     delay(5);
46     lcden=0;
47 }
48 void write_data(uchar date)
49 {
50     //写数据
51     lcdrs=1;//数据命令选择端,选择数据
52     P0=date;//送数据
53     delay(5);
54     lcden=1;
55     delay(5);
56     lcden=0;
57 }
58 void init()
59 {
60     //第一步关闭数码管两个锁存器
61     DUAN=0;
62     WEI=0;
63     //第二步初始化液晶
64     lcden=0;//使能
65     write_com(0x38);//模式初始化
66     write_com(0x0e);//开显示,显示光标,光标闪烁
67     write_com(0x06);//光标+1,不整屏移动了
68     write_com(0x01);//显示清零,数据指针清零
69     write_com(0x80);//数据地址指针初始化00
70     
71 }
72 void delay(int n)
73 {
74     while(n--)
75     {
76         Delay1ms();
77     }
78 }
79 void Delay1ms()        //@12.000MHz
80 {
81     unsigned char i, j;
82 
83     i = 2;
84     j = 239;
85     do
86     {
87         while (--j);
88     } while (--i);
89 }

一行哪有那么多字符额...

所以我们要换行

 1 #include<reg51.h>
 2 
 3 #define uchar unsigned char
 4 #define uint unsigned int
 5     
 6 sbit DUAN=P2^6;
 7 sbit WEI=P2^7;
 8 sbit lcden=P3^4;
 9 sbit lcdrs=P3^5;
10 //sbit lcdrw=P3^6;
11 
12 //uchar code Table[]={0x3f,0x06,0x5b,0x4f,0x66,0x6d,0x7d,0x07,0x7f,0x6f,0x77,0x7c,0x39,0x5e,0x79,0x71,0x00};
13 //                    0    1    2    3    4    5    6    7    8    9    A    B    C    D    E    F   无显示
14 uchar code Table[]="I LIKE MCU!";
15 uchar code Table1[]="123456789";
16 void Delay1ms();
17 void delay(int n);
18 void write_com(uchar com);
19 void write_data(uchar date);
20 uchar num=0;
21 void init();
22 
23 void main()
24 {
25     init();
26     for(num=0;num<11;num++)
27     {
28         write_data(Table[num]);
29         delay(5);
30     }
31     write_com(0x80+0x40);//换行,第一行0-27H,第二行40H-60H
32     for(num=0;num<9;num++)
33     {
34         write_data(Table1[num]);
35         delay(5);
36     }
37     while(1);
38 }
39 void write_com(uchar com)
40 {
41     //写命令
42     lcdrs=0;//数据命令选择端,选择命令
43     P0=com;//送指令
44     delay(5);
45     lcden=1;
46     delay(5);
47     lcden=0;
48 }
49 void write_data(uchar date)
50 {
51     //写数据
52     lcdrs=1;//数据命令选择端,选择数据
53     P0=date;//送数据
54     delay(5);
55     lcden=1;
56     delay(5);
57     lcden=0;
58 }
59 void init()
60 {
61     //第一步关闭数码管两个锁存器
62     DUAN=0;
63     WEI=0;
64     //第二步初始化液晶
65     lcden=0;//使能
66     write_com(0x38);//模式初始化
67     write_com(0x0e);//开显示,显示光标,光标闪烁
68     write_com(0x06);//光标+1,不整屏移动了
69     write_com(0x01);//显示清零,数据指针清零
70     write_com(0x80);//数据地址指针初始化00
71     
72 }
73 void delay(int n)
74 {
75     while(n--)
76     {
77         Delay1ms();
78     }
79 }
80 void Delay1ms()        //@12.000MHz
81 {
82     unsigned char i, j;
83 
84     i = 2;
85     j = 239;
86     do
87     {
88         while (--j);
89     } while (--i);
90 }

如果想让每一个字符出现的慢一点,就把delay加长。

接下来我们让所有字符从右往左移动出来。

之前的不全,少了这个指令

cursor光标,display shift显示移动

在不改变DD RAM的情况下,他会移动光标或显示

 00:光标左移

01:光标右移

10:显示左移,光标跟随显示移动

11:显示右移

写一条指令移动一下

首先我们就不能写在00了,就要从10开始

 1 #include<reg51.h>
 2 
 3 #define uchar unsigned char
 4 #define uint unsigned int
 5     
 6 sbit DUAN=P2^6;
 7 sbit WEI=P2^7;
 8 sbit lcden=P3^4;
 9 sbit lcdrs=P3^5;
10 //sbit lcdrw=P3^6;
11 
12 //uchar code Table[]={0x3f,0x06,0x5b,0x4f,0x66,0x6d,0x7d,0x07,0x7f,0x6f,0x77,0x7c,0x39,0x5e,0x79,0x71,0x00};
13 //                    0    1    2    3    4    5    6    7    8    9    A    B    C    D    E    F   无显示
14 uchar code Table[]="I LIKE MCU!";
15 uchar code Table1[]="123456789";
16 void Delay1ms();
17 void delay(int n);
18 void write_com(uchar com);
19 void write_data(uchar date);
20 uchar num=0;
21 void init();
22 
23 void main()
24 {
25     init();
26     for(num=0;num<11;num++)
27     {
28         write_data(Table[num]);
29         delay(5);
30     }
31     write_com(0x80+0x53);//换行,第一行0-27H,第二行40H-60H
32     for(num=0;num<9;num++)
33     {
34         write_data(Table1[num]);
35         delay(5);
36     }
37     for(num=0;num<16;num++)
38     {
39         write_com(0x1c);//显示左移1次
40         delay(100);
41     }
42     while(1);
43 }
44 void write_com(uchar com)
45 {
46     //写命令
47     lcdrs=0;//数据命令选择端,选择命令
48     P0=com;//送指令
49     delay(5);
50     lcden=1;
51     delay(5);
52     lcden=0;
53 }
54 void write_data(uchar date)
55 {
56     //写数据
57     lcdrs=1;//数据命令选择端,选择数据
58     P0=date;//送数据
59     delay(5);
60     lcden=1;
61     delay(5);
62     lcden=0;
63 }
64 void init()
65 {
66     //第一步关闭数码管两个锁存器
67     DUAN=0;
68     WEI=0;
69     //第二步初始化液晶
70     lcden=0;//使能
71     write_com(0x38);//模式初始化
72     write_com(0x0e);//开显示,显示光标,光标闪烁
73     write_com(0x06);//光标+1,不整屏移动了
74     write_com(0x01);//显示清零,数据指针清零
75     write_com(0x80+0x10);//数据地址指针初始化10
76     
77 }
78 void delay(int n)
79 {
80     while(n--)
81     {
82         Delay1ms();
83     }
84 }
85 void Delay1ms()        //@12.000MHz
86 {
87     unsigned char i, j;
88 
89     i = 2;
90     j = 239;
91     do
92     {
93         while (--j);
94     } while (--i);
95 }

怪异,视频中是0x10,我的必须是0x1c,方向和上面的数据手册相反,下次实验板试试好了

仿真用0x1c,单片机用0x18