LabVIEW+OpenVINO在CPU上部署新冠肺炎检测模型实战

918 阅读4分钟

前言

之前博客:【YOLOv5】LabVIEW+OpenVINO让你的YOLOv5在CPU上飞起来给大家介绍了在LabVIEW上使用openvino加速推理,在CPU上也能感受丝滑的实时物体识别。那我们今天就一起来看一下如何使用LabVIEW+OpenVINO在CPU上部署新冠肺炎CT图像病害分割,本次实战模型主要是来自大佬:翼达口香糖,博客:blog.csdn.net/weixin_4756…

一、LabVIEW视觉工具包下载与配置

1、视觉工具包的下载安装

可在如下链接中下载工具包:juejin.cn/post/712459…

2、OpenVINO toolkit下载安装

下载地址:英特尔® Distribution of OpenVINO™ 工具套件 1)点击Dev Tools

在这里插入图片描述 2)选择版本,选择如下版本,并DownLoad:

在这里插入图片描述 3)下载后,运行安装即可!(建议安装到默认路径) 在这里插入图片描述 4)可以选择安装路径,具体安装可以参考官方文档:docs.openvino.ai/cn/latest/o…

5)安装完成后,请记得配置环境变量,即在电脑的环境变量-->系统变量-->path种添加如下变量

在这里插入图片描述

二、模型获取

openvino工作流程,和其他的部署工具都差不多,训练好模型,解析成openvino专用的.xml和.bin,随后传入Inference Engine中进行推理。本实战中的模型来自:blog.csdn.net/weixin_4756…,你可以在这里下载到模型:下载模型链接

三、语义分割之Unet

1、语义分割在医疗影像上的应用

随着人工智能的崛起,将神经网络与医疗诊断结合也成为研究热点,智能医疗研究逐渐成熟。在智能医疗领域,语义分割主要应用于肿瘤图像分割,龋齿诊断等。(下图分别是龋齿诊断,头部CT扫描紧急护理诊断辅助和肺癌诊断辅助) 在这里插入图片描述 在这里插入图片描述

2、Unet简介

U-Net 起源于医疗图像分割,整个网络是标准的encoder-decoder网络,特点是参数少,计算快,应用性强,对于一般场景适应度很高。原始U-Net的结构如右图所示,由于网络整体结构类似于大写的英文字母U,故得名U-net。左侧可视为一个编码器,右侧可视为一个解码器。编码器有四个子模块,每个子模块包含两个卷积层,每个子模块之后通过max pool进行下采样。由于卷积使用的是valid模式,故实际输出比输入图像小一些。具体来说,后一个子模块的分辨率=(前一个子模块的分辨率-4)/2。U-Net使用了Overlap-tile 策略用于补全输入图像的上下信息,使得任意大小的输入图像都可获得无缝分割。同样解码器也包含四个子模块,分辨率通过上采样操作依次上升,直到与输入图像的分辨率基本一致。该网络还使用了跳跃连接,以拼接的方式将解码器和编码器中相同分辨率的feature map进行特征融合,帮助解码器更好地恢复目标的细节。 在这里插入图片描述

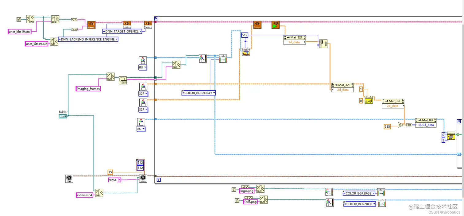
四、LabVIEW+OpenVINO在CPU上部署新冠肺炎检测模型(covid_main.vi )

运行本项目,请务必安装新版工具包及OpenVINO toolkit,否则会报错无法运行

1、实现过程

  • dnn模块调用IR模型(模型优化器)
  • 设置计算后台与计算目标设备(推理引擎加速)
  • 读取待检测的影像图片
  • 图像预处理(blobFromImage)
  • 推理
  • 后处理
  • 绘制分割出的感染区域
  • 添加logo和标题,并将其保存为MP4 在这里插入图片描述
  • 后处理中
  • 先将mat reshape 成512*512
  • 进行二值化阈值处理
  • 寻找轮廓
  • 绘制轮廓
  • 在指定地方绘制logo
  • 将其在前面板显示并保存为MP4,保存为MP4之前记得进行颜色空间转换。 在这里插入图片描述

2、程序源码

在这里插入图片描述 在这里插入图片描述

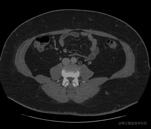
3、推理运行

请将下载的项目放在不包含中文的路径下,打开covid_main.vi,修改检测影像路径为实际路径,运行检测 在这里插入图片描述 有如下四个文件夹可选 在这里插入图片描述

注意:readNetFromModelOptimizer.vi中IR模型路径不可以包含中文

4、运行效果

154279555-aaa47111-c976-4e77-8d23-aac96f45872f.gif

五、项目源码及模型下载

大家可关注微信公众号: VIRobotics,回复关键字:新冠肺炎检测实战  获取本次分享内容的完整项目源码及模型。

附加说明

  • 操作系统:Windows10
  • python:3.6及以上
  • LabVIEW:2018及以上 64位版本
  • 视觉工具包:techforce_lib_opencv_cpu-1.0.0.73.vip
  • OpenVINO:2021.4.2

总结

以上就是今天要给大家分享的内容。 如您想要探讨更多关于LabVIEW与人工智能技术,欢迎评论区评论

如果文章对你有帮助,欢迎✌关注、👍点赞、✌收藏、👍订阅专栏