第五章 中央处理器

136 阅读4分钟

本文已参与「新人创作礼」活动,一起开启掘金创作之路。

CPU的功能和基本结构

CPU的功能

  1. 中央处理器是由运算器和控制器组成。
    1. 运算器:对数据进行加工
    2. 控制器:负责协调并控制计算机各部件执行程序的指令序列(取指令、分析指令、执行指令)
    3. 功能:指令控制、操作控制、时间控制、数据加工、中断处理

CPU的基本结构

  1. 运算器
组成功能
算术逻辑单元ALU进行算术/逻辑运算
暂存寄存器暂存从主存读来的数据,对应用程序元透明
累加寄存器ACC暂存ALU运算结果信息,可作为加法运算的一个输入端
通用寄存器组用于存放操作数
程序状态字寄存器PSW保留由算术逻辑运算指令或测试指令的结果而建立的各种状态信息
移位器对操作数或运算结果进行移位运算
计数器CT控制乘除运算的操作步数
  1. 控制器
组成功能
程序计数器PC用于指出下一条指令在主存中的存放地址
指令寄存器IR用于保存当前正在执行的那条指令
指令译码器
存储器地址寄存器MAR用于存放要访问的主存单元的地址
存储器数据寄存器MDR用于存放向主存写入的信息或从主存读出的信息
时序系统用于产生各种时序信号,它们都由统一时钟CLOCK分频得到
微操作信号发生器

指令执行过程

指令周期

概念解释
指令周期CPU从主存中取出并执行一条指令的时间,常用若干机器周期来表示
机器周期包含若干个时钟周期
时钟周期CPU操作的最基本单位

一个完整的指令周期应包括取值、间址、执行和中断4个周期。

  • 取址周期为了取指令
  • 间址周期为了取有效地址
  • 执行周期为了取操作数
  • 中断周期为了保存程序断点

指令周期的数据流

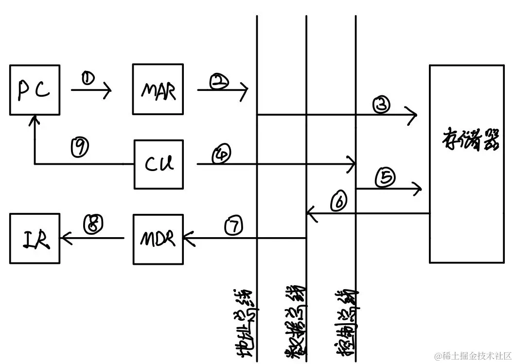
取指周期:根据PC中的内容从主存中取出指令代码并存放在IR中

  • PC → MAR → 地址总线 → 主存
  • CU → 控制总线 → 主存
  • 主存 → 数据总线 → MDR → IR
  • CU → PC

在这里插入图片描述

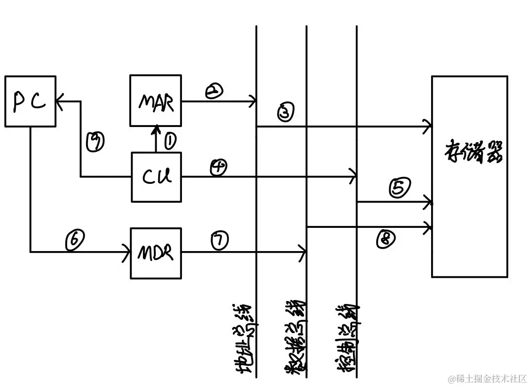
间址周期:取操作数有效地址

  • IR → MAR → 地址总线 → 主存
  • CU → 控制总线 → 主存
  • 主存 → 数据总线 → MDR

在这里插入图片描述

执行周期:取操作数,并根据IR中的指令字的操作码通过ALU操作产生执行结果

中断周期:保存断点,送中断向量,处理中断请求

在这里插入图片描述

在这里插入图片描述

指令执行方案

单指令周期

  1. 对所有指令都选用相同的执行时间来完成
  2. 指令之间串行执行
  3. 指令周期取决于执行时间最长的指令的执行时间
  4. 会降低整个系统的运行速度

多指令周期

  1. 对不同类型的指令选用不同的执行步骤
  2. 指令之间串行执行
  3. 需要更复杂的硬件设计

流水线方案

  1. 指令之间可以并行执行的方案

数据通路的功能和基本结构

数据通路的功能

数据在功能部件之间传送的路径称为数据通路

数据通路的功能是实现CPU内部的运算器与寄存器及寄存器之间的数据交换

数据通路的基本结构

基本结构优缺点
CPU内部单总线方式结构比较简单,容易实现,数据传输存在较多的冲突现象,性能较低
CPU内部三总线方式可以同时在多个总线上传送不同的数据
专用数据通路方式基本不存在数据冲突现象,性能较高,但硬件量大,不易实现
  • 内部总线是指同一部件
  • 系统总线是指同一台计算机系统的各部件

在这里插入图片描述

  1. 寄存器之间的数据传送
// 以PC为例
PC → Bus	Pcount有效,PC内容送总线
Bus → MAR	MARin有效,总线内容送MAR
  1. 主存与CPU之间的数据传送
// 以CPU从主存读指令为例
PC → Bus → MAR		PCout和MARin有效
1 → R 				CU发出读命令
MEM(MAR) → MDR		MDRin有效
MDR → Bus → IR 		MDRout和IRin有效
  1. 执行算术或逻辑运算
// 以加法运算为例
Ad(IR) → Bus → MAR		MDRout和MARin有效
1 → R					CU发出读命令
MEM → 数据线 → MDR		
	
MDR → Bus → Y
(ACC) → (Y) → Z
Z → ACC

注:配合上图一起理解

控制器的功能和工作原理

控制器的结构和功能

在这里插入图片描述

异常和中断机制

在这里插入图片描述

指令流水线

在这里插入图片描述 在这里插入图片描述

多处理器的基本概念

在这里插入图片描述