主存储器与CPU的连接

204 阅读2分钟

持续创作,加速成长!这是我参与「掘金日新计划 · 10 月更文挑战」的第22天,点击查看活动详情

主存储器与CPU的连接

存储器芯片的输入输出信号

image.png

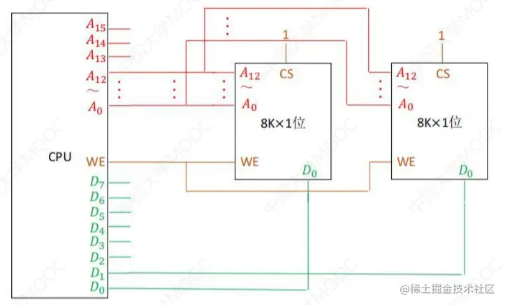
增加主存的存储字长-位扩展

image.png image.png

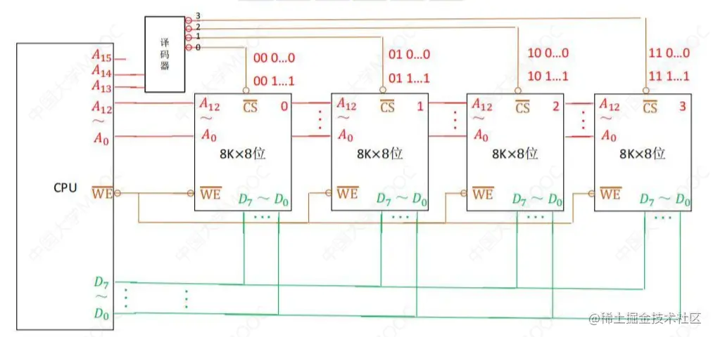
增加主存的存储字数-字扩展

image.png image.png image.png image.png

线选法译码片选法
n条线->n个选片信号n条线->2的n次方个选片信号
电路简单电路复杂
地址空间不连续地址空间可连续

主存容量扩展-字位同时扩展

image.png

译码器

image.png image.png image.png image.png

双端口RAM和多模块存储器

双端口RAM

image.png 作用:优化多核CPU访问一根内存条的速度 需要有两组完全独立的数据线、地址线、控制线。CPU、RAM中也要有更复杂的控制电路

两个端口对同一主存操作有以下4种情况:

  1. 两个端口同时对不同的地址单元存取数据
  2. 两个端口同时对同一地址单元读出数据
  3. 两个端口同时对同一地址单元写入数据 (写入错误)
  4. 两个端口同时对同一地址单元,一个写入数据,另一个读出数据(读出错误)

解决方法:置“忙”信号为0,由判断逻辑决定暂时关闭一个端口(即被延时),未被关闭的端口正常访问,被关闭的端口延长一个很短的时间段后再访问

多体并行存储器

image.png 应该去几个“体” 采用“流水线”的方式并行存取(宏观上并行,微观上串行) 宏观上,一个存储周期内,m体交叉存储器可以提供的数据量为单个模块的m倍。 存取周期为T,存取时间为r,为了流水线不间断,应保证模块数m>=T/r 存取周期为T,总线传输周期为r,为了使流水线不间断,应保证模块数m>=T/r image.png

多模块存储器

image.png 多体并行存储器 每个模块都有相同的容量和存取速度 各模块都有独立的读写控制电路、地址寄存器和数据寄存器。它们既能并行工作,又能交叉工作。 image.png 单体多字存储器 每个存储单元存储m个字 总线宽度也为m个字 一次并行读出m个字 每次只能同时取m个字,不能单独取其中某个字 指令和数据在主存内必须是连续存放的