4、跳跃表

48 阅读4分钟

一、简介

跳跃表(skiplist)是一种有序数据结构,它通过在每个节点中维持多个指向其他节点的指针,从而达到快速访问节点的目的。
跳跃表支持平均O(logN)、最坏O(N)复杂度的节点查找,还可以通过顺序性操作来批量处理节点。
在大部分情况下,跳跃表的效率可以和平衡树相媲美,并且因为跳跃表的实现比平衡树要来得更为简单,所以有不少程序都使用跳跃表来代替平衡树。
Redis使用跳跃表作为有序集合键的底层实现之一,如果一个有序集合包含的元素数量比较多,又或者有序集合中元素的成员(member)是比较长的字符串时,Redis就会使用跳跃表来作为有序集合键的底层实现。

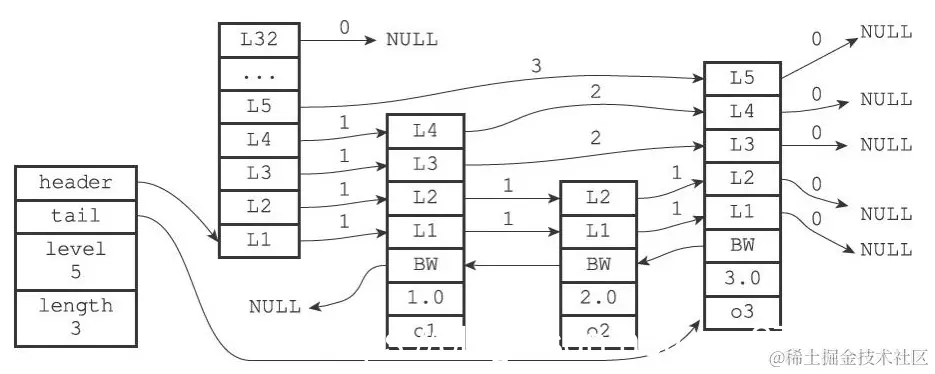
以下是一个跳跃表

在这里插入图片描述

位于图片最左边的是zskiplist结构,该结构包含以下属性:

  • header:指向跳跃表的表头节点。
  • tail:指向跳跃表的表尾节点。
  • level:记录目前跳跃表内,层数最大的那个节点的层数(表头节点的层数不计算在内)。
  • length:记录跳跃表的长度,也即是,跳跃表目前包含节点的数量(表头节点不计算在内)。
    位于zskiplist结构右方的是四个zskiplistNode结构,该结构包含以下属性:
  • 层(level):节点中用L1、L2、L3等字样标记节点的各个层,L1代表第一层,L2代表第二层,以此类推。每个层都带有两个属性:前进指针和跨度。前进指针用于访问位于表尾方向的
    其他节点,而跨度则记录了前进指针所指向节点和当前节点的距离。在上面的图片中,连线上带有数字的箭头就代表前进指针,而那个数字就是跨度。当程序从表头向表尾进行遍历时,
    访问会沿着层的前进指针进行。
  • 后退(backward)指针:节点中用BW字样标记节点的后退指针,它指向位于当前节点的前一个节点。后退指针在程序从表尾向表头遍历时使用。
  • 分值(score):各个节点中的1.0、2.0和3.0是节点所保存的分值。在跳跃表中,节点按各自所保存的分值从小到大排列。
  • 成员对象(obj):各个节点中的o1、o2和o3是节点所保存的成员对象。

注意表头节点和其他节点的构造是一样的:表头节点也有后退指针、分值和成员对象,不过表头节点的这些属性都不会被用到,所以图中省略了这些部分,只显示了表头节点的各个层。

二、重点

2.1 结构体

/*
 * 跳跃表节点
 */
typedef struct zskiplistNode {
    // 成员对象
    robj *obj;
 
    // 分值
    double score;

     // 后退指针,只能后退到前一个节点
    struct zskiplistNode *backward;
 
    // 层
    struct zskiplistLevel {
 
        // 前进指针,可以跳跃式前进
        struct zskiplistNode *forward;

         // 跨度---前进指针所指向节点与当前节点的距离
        unsigned int span;
 
    } level[];
 
} zskiplistNode;

 
/*
 * 跳跃表
 */
typedef struct zskiplist {
     // 表头节点和表尾节点
    struct zskiplistNode *header, *tail;
 
    // 表中节点的数量
    unsigned long length;
 
    // 表中层数最大的节点的层数
    int level;

 } zskiplist;

每次创建一个跳跃表节点时,程序都会根据幂次定律(power law,越大的数出现的概率越小)随机生成1~32之间的值作为level数组的大小,这个大小就是层的高度。

2.2 遍历方式

1)迭代程序首先访问跳跃表的第一个节点(表头),然后从第四层的前进指针移动到表中的第二个节点。

2)在第二个节点时,程序沿着第二层的前进指针移动到表中的第三个节点。

3)在第三个节点时,程序同样沿着第二层的前进指针移动到表中的第四个节点。

4)当程序再次沿着第四个节点的前进指针移动时,它碰到一个NULL,程序知道这时已经到达了跳跃表的表尾,于是结束这次遍历。\

三、总结

  • 跳跃表是有序集合的底层实现之一。
  • Redis的跳跃表实现由zskiplist和zskiplistNode两个结构组成,其中zskiplist用于保存跳跃表信息(比如表头节点、表尾节点、长度),而zskiplistNode则用于表示跳跃表节点。
  • 每个跳跃表节点的层高都是1至32之间的随机数。
  • 在同一个跳跃表中,多个节点可以包含相同的分值,但每个节点的成员对象必须是唯一的。
  • 跳跃表中的节点按照分值大小进行排序,当分值相同时,节点按照成员对象的大小进行排序。