国产车规通用型MCU介绍

1,109 阅读30分钟

本文已参与「新人创作礼」活动,一起开启掘金创作之路。

最近两年,由于国外车规芯片的缺货,使得国产车规芯片有了发展的机会。尤其是最近半年,许多主机厂都对Tier1提出了要有国产化方案作为备用方案,MCU作为汽车电子产品的关键器件,俨然成为国产替换的重要目标。笔者结合自身和客户交流的信息以及网上搜集的内容,整理了能够提供符合AEC-Q100的通用型MCU的主要国产半导体厂商的信息,详情介绍如下文。

车规通用型MCU指的是能适用于大部分车身电子应用的MCU,不局限于某一个特殊应用。与之对应的是专用型MCU,如专门用于汽车TFT仪表的MCU会集成2D、3D GPU,如专门用于无刷电机应用的MCU会集成三相栅极驱动器。

武汉杰开科技(AutoChips)

公司简介

武汉杰开科技有限公司(北京四维图新科技股份有限公司之孙公司,合肥杰发科技有限公司之控股子公司),为中国领先之汽车电子芯片设计企业,总部位于武汉东湖高新区,并在深圳、合肥、上海等地设有研发中心。公司以汽车“新四化”产业发展方向为引导,专注于车用核心智能芯片的研发与设计,目前,公司产品主要包括车用微控制器、车用MEMS传感器、汽车功率半导体器件,及车用无线传输芯片等。

杰开科技之核心团队在汽车电子芯片设计、核心算法研究、系统软硬件开发及市场运营等核心能力上均拥有十年以上之成熟经验。杰开科技之多款汽车电子芯片产品已成功量产,并已被多家自主品牌车厂和合资品牌车厂所前装使用,作为“中国芯”力量打破欧美传统芯片大厂的垄断。

主推型号

杰开科技目前主推的型号为AC7801x系列和AC7811x系列,更高性能的AC7840x系列暂时还没量产。

AC7801x

概述:

AC7801x系列是基于ARM® Cortex-M0+内核的车规级MCU,主要应用于汽车电子和高可靠性工业领域。AC7801x符合AEC-Q100规范,配备先进的CAN-FD总线接口,丰富的外设及大容量的Flash,适配灵活,功耗低,可靠性高。

主要特性:

  • ARM® Cortex-M0+内核,48MHz(or 72 MHz)

  • 单周期指令32位乘法器,支持硬件除法及均方根运算单元

  • 增强型闪存加速引擎

  • CAN-FD ×1,兼容CAN2.0B

  • UART LIN ×2

  • 车规标准:AEC-Q100 Grade 1

  • 工作温度:-40℃~125℃

  • 工作电压:2.7~5.5V

  • ESD:HBM 4KV

  • 128位唯一识别码(UUID)

  • 封装信息:LQFP48、QFN32、TSSOP20

芯片框图:

img

目标应用:

  • HVAC
  • 汽车照明

AC7811x

概述:

AC781x系列是基于ARM® Cortex-M3内核的车规级MCU,主要应用于汽车电子和高可靠性工业领域。AC781x符合AEC-Q100规范,是国内首颗32bit车规MCU,具备出色的EMC/ESD能力。

主要特性:

  • ARM® Cortex-M3内核,up to 100MHz

  • 单周期指令32位乘法器

  • 增强型闪存加速引擎

  • 兼容CAN2.0B x2, HW LIN x1, UART LIN x1

  • 车规标准:AEC-Q100 Grade 1

  • 工作温度:-40℃~125℃

  • 工作电压:2.7~5.5V

  • ESD:HBM 8KV,CDM 750V

  • 128位唯一识别码(UUID)

  • 封装信息:LQFP80、LQFP64

芯片框图

img

目标应用:

  • IVI协处理器
  • 汽车照明
  • DCM

AC7840x

概述:

AC7840x是基于ARM® Cortex-M4F内核的车规级MCU,符合ISO26262功能安全ASIL-B,支持AUTOSAR V4.3,提供MCAL及配置工具;支持SHE,支持通信加密及安全启动,并且拥有更大Flash与更多的引脚,是AutoChips MCU产品布局的又一突破,如今AC7840x电机算法已经完成,芯片验证工作还在进行中,预计2022年年底正式量产,拓展国产MCU在汽车电子领域的应用。

**主要特性:**暂无信息

**芯片框图:**暂无信息

**目标应用:**暂无信息

资料获取方式

杰开的官网地址如下:

武汉杰开科技有限公司 (autochips.com)

进入杰开科技官网之后,选择产品分类->MCU,能够分别看到AC7801和AC7811的资料下载选项,如下图:

image-20220511231509290

芯旺微电子(ChipON)

公司简介

上海芯旺微电子(ChipON)是一家聚焦汽车级、工业级混合信号8位/32位MCU&DSP芯片的高新技术企业,十多年来专注基于自主KungFu处理器架构的高可靠、高品质MCU器件的研发设计,是国内最早面向汽车和工业领域的芯片设计公司之一。

核心产品线车规级MCU通过AEC-Q100品质认证,实现汽车前装市场批量商用,广泛覆盖车身控制、汽车电源与电机、汽车照明和智能座舱等场景。

主推型号

目前从芯旺微官网查看到的车规MCU主要是KF8A系列和KF32A系列。

KF8A系列

概述:

KF8A系列包含了17款车规MCU-KF8A100和KF8A200,采用了自主的KungFu8内核架构。KF8A系列MCU均通过了AEC-Q100汽车电子系统质量标准认证。温度等级达到Grade1,满足-40℃~125℃工作温度范围,同时具备高可靠性、强抗干扰能力,可抵抗各式噪声干扰,如电源噪声、RF干扰、电源波动等, 所有管脚均可承受8KV ESD(人体模式)接触放电;芯片可以轻松通过4.2KV EFT 干扰测试 。

主要特性:

  • **自主内核架构处理器和开发工具:**KF8A100和KF8A200均采用了ChipON自主研发的KungFu8内核架构处理器。该处理器采用流水线结构,经过了10年的验证,极大提高了指令运行效率和稳定性。同时还配套有自主研发的开发工具,真正意义上实现了从芯片到工具链的全自主。
  • **高可靠性,车规级品质:**KF8A100和KF8A200全部通过了AEC-Q100汽车电子系统质量标准认证,具有高可靠性,温度等级达到Grade1,满足-40℃~125℃工作温度范围,所有管脚均可承受8KV ESD(人体模式)接触放电;芯片可以轻松通过4.2KV EFT 干扰测试。
  • **资源丰富 数模混合:**KF8A100和KF8A200共计17款车规级MCU,Flash从4KB-64KB,管脚从14PIN-100PIN,采用模数混合设计思维,提供更为丰富的外设资源,基本覆盖汽车车载电子控制模块的应用,已被广泛应用于汽车照明、汽车开关面板、门窗控制、声音控制、水泵控制、汽车仪表面板显示等汽车电子控制模块中。

**芯片框图:**暂无信息

目标应用:

  • 汽车照明
  • 汽车空调面板
  • 汽车车窗控制

KF32A系列

概述:

KF32A是芯旺微电子为汽车电子领域用户重磅打造的32位车规级MCU系列产品,聚焦汽车整车芯片应用市场解决方案。

主要特性:

  • 3级流水线&高效指令集:16位/32位混合指令,13 个 32 位通用寄存器/1 个链接寄存器/1 个堆栈指针寄存器
  • 统一存储空间:32 位地址位宽,支持 4GB 存储空间
  • 算术运算:32位单周期硬件乘法,32位硬件除法,支持加、减、移位、逻辑运算
  • 丰富中断:支持 64个外设中断+16 个内核中断请求,支持16 个中断优先级
  • 存储器访问权限:可编程存储器访问权控制,可单独加密Flash
  • 定时器:支持 24 位系统节拍定时器
  • 多种休眠模式:普通休眠(内核不运行,时钟运行),深度休眠(内核不运行,时钟不运行,外设运行)
  • 高性能:UP TO 512KB Flash,UP TO 120M/150DMIPS处理速度
  • 高抗干扰高可靠:ESD 8KV,EFT 4.2KV;
  • 耐高温:车规级Grade 1温度等级,-40℃~125℃;
  • 高集成度:Touch+CAN+LCD+AMP+CMP等多种资源组合
  • 安全性:AES128加密/CRC32校验
  • 高集成度:ADC/DAC/DMA/CAN/LIN/USART/USB/AMP/CMP/CFGL(可编程逻辑门单元)

芯片框图:

image-20220517224526918

目标应用:

  • 汽车照明
  • 汽车空调面板
  • 汽车车窗控制
  • T-BOX

资料获取方式

芯旺微的官网地址如下:

ChipON | 芯旺微电子官网-车规、工业级高可靠 低功耗8&32位MCU (chipon-ic.com)

芯旺微官网没有车规MCU的数据手册等资料,建议根据官网的联系方式找芯旺微原厂申请资料。

苏州国芯科技(C*Core)

公司简介

苏州国芯科技股份有限公司自成立以来,始终坚持“国际主流兼容和自主创新发展”相结合的原则,以摩托罗拉授权的“M*Core指令集”、IBM授权的“PowerPC指令集”和开源的“RISC-V指令集”为基础,高起点建立具有自主知识产权的高性能低功耗32位RISC嵌入式CPU技术。历经近二十年的持续研发、创新与沉淀,公司已成功实现基于上述三种指令集的8大系列40余款CPU内核,形成了深厚的嵌入式CPU IP储备;同时,公司基于自主的嵌入式CPU内核和丰富的外围IP建立面向关键领域应用的SoC芯片设计平台,可根据客户的具体需求提供嵌入式CPU IP授权与芯片定制服务。

主推型号

目前苏州国芯官网能够查询到的车规MCU有7款,其中三款已经量产,剩下4款处于在研状态。

  • 量产:CCFC2002BC,CCFC2003PT,CCFC2006PT
  • 在研:CCFC2007PT,CCFC2012BC,CCFC2013PT,CCFC3007PT

下面主要介绍量产的三款芯片,CCFC2002BC,CCFC2003PT和CCFC2006PT。

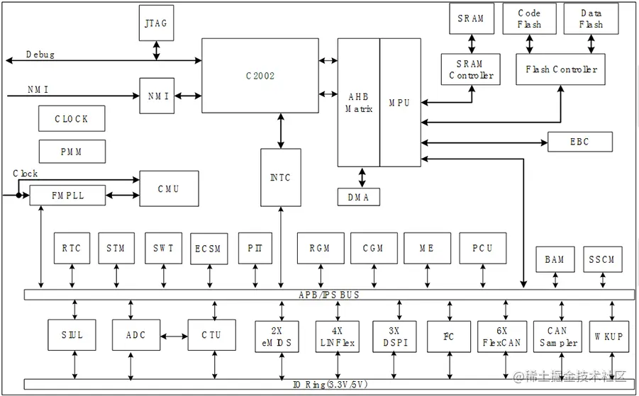
CCFC2002BC

概述:

CCFC2002BC是苏州国芯自主设计的一款基于PowerPC指令集MCU芯片,其CPU采用国芯C2002 CPU,具备一个DMA,集成SRAM控制器,独立的代码闪存和数据闪存,6路CAN总线控制器,两组eMIOS,4路Lin控制器,一个ADC和其他外围模块。CCFC2002BC符合汽车电子零缺陷设计要求,采用汽车电子专用工艺,特别适合汽车网关和车身控制等汽车电子和其他的工业控制等应用。CCFC2002BC芯片设计、生产加工和封装测试全部实现国产化。对标芯片:NXP MPC5604。

主要特性:

  • C2002 CPU内核:兼容NXP PowerPC e200z0核,工作频率在64MHz。

  • eFlash:支持64位SEC/DED ECC保护,具有独立的768KB指令闪存和256KB数据闪存

  • SRAM: 96KB 静态存储单元

  • BAM模块:支持串行下载代码(CAN或者Lin)

  • DSPI接口:3路

  • ADC模块:支持36通道,10位精度

  • LinFlex接口:4路

  • SIUL模块:1个

  • FlexCAN接口:6路,CAN总线,全兼容2.0B版本

  • I2C接口:2路

  • eMIOS模块:2组,2路定时器各支持28个通道,一个全局分频器

  • EBI接口:每个片选支持256MB,支持8位/16位和32位设备

  • RTC接口:3个可选择计数器时钟源(128KHz,32KHz,16MHz),32位计数器

  • 封装形式:144-Pin LQFP

  • 温度范围:工作温度-40℃~125℃,存储温度-55℃~150℃

芯片框图:

image-20220515142400036

目标应用:

  • 网关
  • T-BOX

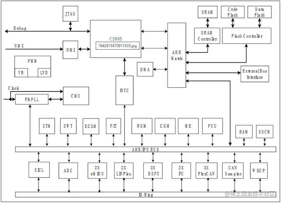
CCFC2003PT

概述:

CCFC2003PT是苏州国芯自主设计的一款基于PowerPC指令集MCU芯片,其CPU采用国芯C2003 CPU,具备一个DMA,集成SRAM控制器,独立的代码闪存和数据闪存,3路CAN总线控制器,两组eMIOS,2路Lin控制器,一个ADC和其他外围模块。CCFC2003PT符合汽车电子零缺陷设计要求,采用汽车电子专用工艺,特别适合汽车动力总成等汽车电子和其他的工业控制等应用。CCFC2003PT芯片设计、生产加工和封装测试全部实现国产化。功能对标芯片:NXP MPC5634。

主要特性:

  • C2003 CPU内核:兼容NXP PowerPC e200z3核,工作频率为80MHz

  • eFlash:支持64位SEC/DED ECC保护,Bank0为512KB闪存,Bank1为1024KB闪存

  • SRAM:128KB 静态存储单元

  • BAM模块:支持串行下载代码(CAN或者Lin)

  • DSPI接口:3路

  • ADC模块:支持36通道,10位精度

  • LinFlex接口:2路

  • SIUL模块:1个

  • FlexCAN接口:3路,CAN总线全兼容2.0B版本

  • I2C接口:2路

  • eMIOS模块:2组,2路定时器各支持28个通道,一个全局分频器;输入脉冲宽度和周期监测;变模计数器;输入脉冲宽度/频率调制

  • EBI接口:每个片选支持256MB,支持8位/16位和32位设备

  • 封装形式:208-Pin LQFP

  • 温度范围:工作温度-40℃~125℃,存储温度-55℃~150℃

芯片框图:

image-20220515145328656

目标应用:

  • BCM
  • IVI协处理器

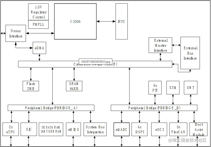
CCFC2006PT

概述:

CCFC2006PT是苏州国芯自主设计的一款基于PowerPC指令集MCU芯片,其CPU采用国芯C2006 CPU,具备一个eDMA,集成SRAM控制器,独立的代码闪存和数据闪存,三路CAN总线控制器,一组24通道eMIOS,两路eSCI控制器,两路eTPU模块,四路DSPI模块,一个eQADC模块,有32位可实现周期中断的PIT,一个STM和其他外围模块。CCFC2006PT符合汽车电子零缺陷设计要求,采用汽车电子专用工艺,特别适合汽车动力总成等汽车电子应用。CCFC2006PT芯片设计、生产加工和封装测试全部实现国产化。对标芯片:NXP MPC5554。

主要特性:

  • C2006 CPU内核:兼容NXP PowerPC e200z6核

  • eFlash模块:ECC具有单位校正、双位检测功能,具有独立的4MB闪存

  • SRAM: 192KB 静态存储单元

  • EBI接口:每个片选支持24位外部Pin脚,支持16位和32位设备

  • DSPI接口:4路

  • eSCI接口:2路

  • CAN接口:支持3路CAN总线,全兼容2.0B版本

  • ADC模块:支持40通道,四对差分模拟输入通道,12位精度

  • eMIOS模块:支持24个通道,一个全局分频器

  • FMPLL模块:输入时钟频率从8Mhz到20Mhz

  • eTPU模块:2路,eTPU引擎每路最多32个通道,每个通道与一个I/O信号对相关联

  • 封装形式:416-Pin BGA

  • 温度范围:工作温度-55℃~125℃,存储温度-65℃~150℃

芯片框图:

image-20220515145603688

目标应用:

  • BCM
  • T-BOX

资料获取方式:

苏州国芯的官网地址如下:

苏州国芯科技股份有限公司-Suzhou C*Core Technology Co., Ltd. (china-core.com)

苏州国芯官网只有车规MCU的大概参数和芯片框图等少量信息,数据手册等资料在官网没有找到,建议根据官网的联系方式找苏州国芯原厂申请资料。

琪埔维半导体(CHIPWAYS)

公司简介

CHIPWAYS(上海琪埔维半导体有限公司)是一家汽车半导体芯片设计公司,专注于汽车智能核心芯片的研发与销售。 公司拥有一系列智能汽车传感和控制芯片的关键核心技术,并获得多项专利。公司现已量产销售车规级霍尔传感器芯片XL3600系列、车规级微控制器MCU芯片XL6600系列、新能源汽车多节电池组监控器BMS AFE芯片XL8812系列以及车规级数字通讯隔离芯片XL8820系列。目前公司在汽车电子车身控制领域上取得领先优势。

主推型号

目前琪埔维官网上只有一颗车规MCU的信息,型号为XL6600,详细情况如下。

XL6600

概述:

XL6600是一颗满足AEC-Q100和ISO26262汽车安全ASIL B的车用微控制器芯片。它基于32位ARM®Cortex-M3内核,专注于低功耗和高性能,并针对成本敏感型应用进行了优化。该款MCU提供具有可扩展性的解决方案,适合于车身电子的广泛应用。此外,还支持MDK等开发工具,提供BLDC电机控制等参考设计,帮助客户快速入手。

主要特性:

  • 应用广泛:满足汽车车身电子系统的使用需求,支持2.7V~5.5V的电压范围;
  • 低功耗:多种省电模式(slow-down/sleep/stop/wake-up);
  • 高性能:提供基于ARM的经济高效的解决方案,各业务模块功能强大;
  • 高安全性和可靠性:集成过温保护、短路保护,时钟故障检测等,具有强大的电磁兼容性和高安全ESD等级;
  • 满足严格的汽车测试AEC-Q100可靠性标准要求;
  • 满足ISO26262汽车安全ASIL B标准要求;
  • 支持48/64/80 LQFP三种封装形式。

芯片框图:

image-20220517225311875

目标应用:

  • 车身控制(BCM)
  • 车内空调控制(HVAC)
  • BLDC电机控制
  • 车窗/天窗/车门
  • 座椅/后视镜/雨刮器
  • 后备箱/安全带控制

资料获取方式

琪浦微官网地址如下:

CHIPWAYS

琪浦微官网显示的相关文档和软件很多,但是基本都是灰色的,无法打开,只有一个选型手册可以查看,如果想要了解更多信息,建议使用官网提供的联系方式和原厂进一步沟通。

智芯科技(ZHIXIN)

公司简介

智芯半导体科技有限公司创立于2019年8月,是一家高科技半导体公司,聚焦于安全、可靠和稳定的汽车电子芯片解决方案。总部位于天津,目前在上海、苏州和合肥已设立分支机构。

主推型号

智芯目前官网显示有三个系列的MCU,分别是Z20K11x系列,Z20K14x系列和Z20K3xx系列。其中,Z20K11x已经量产,有完整的SDK包支持;Z20K14x目前应该处于样品阶段,相应的软件包还没发布;Z20K3xx还处于规划中。详细介绍如下。

Z20K11x系列

概述:

Z20K11x系列是基于ARM CORTEX M0+的中低端微控制器,高达256K P FLASH + 128K D FLASH,2路CANFD接口,4路UART/LIN接口,多种封装类型,适用于车身控制、空调控制、照明控制、中小功率电机控制等各种应用

主要特性:

  • 基于ARM CORTEX M0+
  • 主频高达64 MHz
  • 工作电压:2.7~5.5V
  • 提供两块物理独立的大容量FLASH(256KB Code FLASH + 128KB Data FLASH)
  • 32KB SRAM
  • 2路CANFD接口,每路CAN支持64个报文邮箱
  • 4路UART, 支持硬件LIN Frame,节省CPU负荷
  • 高达16路DMA,适用于多路数据传输
  • AEC-Q100 Grade 1认证

芯片框图:

目标应用:

  • 电动座椅,电动车窗,电动天窗,电动尾门,门模块
  • 空调控制
  • 灯光控制
  • 底盘控制,制动控制等
  • 新能源类应用,PTC,空调压缩机,ACDC, DCDC等
  • 无刷电机控制

Z20K14x系列

概述:

基于ARM CORTEX M4F的中高端微控制器,主频高达160 MHz,高达2M P FLASH + 128K D FLASH, 8路CANFD,6路UART/LIN接口,满足ASIL-B,适用于车身控制、空调控制、照明控制、电子换挡器、安全带预紧、新能源类的各种应用。

主要特性:

  • 基于ARM CORTEX M4F的中高端微控制器
  • 主频高达160 MHz
  • 高达2M P FLASH + 128K D FLASH
  • 提供两块物理独立的大容量FLASH(2M P FLASH + 128KB Data FLASH)
  • 8路CANFD
  • 6路UART/LIN接口
  • 满足ASIL-B

**芯片框图:**暂无信息

目标应用:

  • 适用于车身控制
  • 空调控制
  • 照明控制
  • 电子换挡器
  • 安全带预紧
  • 新能源类的各种应用

Z20K3xx系列

概述:

基于ARM高端内核的高端微控制器,主频320MHz,提供双核至6核多种选择,满足ASIL-B/D,适用于域控制器、区域控制器、动力总成、底盘与安全类的各种应用

主要特性:

  • 基于ARM高端内核的高端微控制器
  • 主频320 MHz
  • 提供双核至6核多种选
  • 满足ASIL-B/D

**芯片框图:**暂无信息

目标应用:

  • 域控制器
  • 区域控制器
  • 动力总成
  • 底盘与安全类

资料获取方式

智芯科技的官网地址为:

智芯半导体科技有限公司官方网站 (zhixin-semi.com)

从智芯官网可以看到Z20K11x系列的资料还是比较多的,但是只有资料列表,没有下载渠道,可以通过官网的联系方式向原厂申请资料。

比亚迪半导体(BYD Micro)

公司简介

比亚迪半导体股份有限公司是国内领先的半导体企业,主要从事功率半导体、智能控制IC、智能传感器、光电半导体,半导体制造及服务,覆盖了对光、电、磁等信号的感应、处理及控制, 产品广泛应用于汽车、能源、工业和消费电子等领域,具有广阔的市场前景。比亚迪半导体矢志成为高效、智能、集成的新型半导体供应商。

主推型号

目前从比亚迪官网能够找到的车规MCU主要是两款,BF7112A和BF7006AMxx系列,下面详细介绍一下

BF7112A

概述:

BF7112A 是一款基于 8051 内核的通用型 8 位 Flash 存储 MCU,主频为 24MHZ,基 于标准 8051 指令流水线结构,包含 32K 字节 FLASH、256 字节(内部)+768 字节(外部) SRAM 存储单元、2K 字节 EEPROM,最多可支持 25 个 I/O 及其他一些外围设备。

主要特性:

  • 工作电压:2.7~5.5V
  • 工作温度:-40°C~+125°C
  • 32KFLASH,2KEEPROM
  • 8051内核,工作频率24MHz
  • 最多支持25个GPIO,23个电容按键输入
  • 4个定时器,3个外部中断
  • 低电压检测
  • 带看门狗功能

芯片框图:

image-20220515201828646

目标应用:

  • 门锁
  • 雨刷

BF7006AMxx系列

概述:

BF7006AMXX 作为一款满足汽车 AECQ100 GRADE1 品质等级的 32 位通用 MCU,依照 ISO26262 ASIL-B 等级标准要求设计;其内部集成 CAN、LIN、UART 等多种通信模块,多路计数器、计时器及 PWM 功能,并包含有高精度 ADC,存储支持 EEPROM 即时数据保存等多种通用模块。封装形式为 LQFP64、LQFP48、TSSOP28,适合如电动车窗、电动座椅、雨刮、汽车照明、门锁等多种汽车电子车身控制应用。

主要特性:

  • 工作电压:3.3V~5.5V

  • 工作温度:-40°C~+125°C

  • Cortex-M0内核,工作频率最高32MHz

  • FLASH最大96KB,EEPROM最大2KB,SRAM最大4KB

  • 支持1路CAN,2路SCI,1个ADC,支持8-24路外部通道

  • 支持低压监测,模块上电自检,Flash的ECC校验等

  • 封装有 LQFP64、LQFP48、TSSOP28

芯片框图:

image-20220515202108093

目标应用:

  • 电动车窗
  • 电动座椅
  • 雨刮
  • 汽车照明
  • 门锁

资料获取方式

比亚迪半导体官网地址如下:

比亚迪半导体 (bydmicro.com)

上面介绍的两款系列芯片的数据手册在官网可以直接下载,方式如下图所示。如果需要更详细的资料,可以联系比亚迪原厂。

image-20220515203214106

小华半导体(XHSC)

公司简介

小华半导体前身为华大半导体下属MCU事业部,面向家电、工业、汽车、物联网等领域,专注于核心智能控制芯片的设计,为客户提供通用控制、电机控制、汽车电子、超低功耗四大产品线,以及相应算法和软件在内的一整套系统及解决方案。

主推型号

从网上收集的资料了解到,华大目前车规MCU主要是两款,分别是HC32A136和HC32A460,情况如下:

HC32A136

概述:

YTM32B1L是一款Cortex M0+内核,宽电压供电的低功耗MCU,支持AES-128硬件加密。

主要特性:

  • 工作电压:1.8V~5.5V
  • 工作温度(Ta):-40°C~+85°C(AEC-Q100 Grade 3)
  • Cortex-M0+内核,工作频率最高48MHz
  • FLASH最大64KB,RAM最大8KB
  • 支持SPI、UART、I2C、ADC等外设
  • 支持看门狗,RTC模块
  • 支持AES-128,带4*40 LCD驱动
  • 封装只有 LQFP64

芯片框图:

image-20220517220410346

目标应用:

  • 小尺寸汽车仪表
  • 汽车小电机应用

HC32A460

概述:

YTM32B1L是一款Cortex M4内核的MCU,有着丰富的外设支持,包含CAN,SDIO,USB等。

主要特性:

  • 工作电压:1.8V~3.6V
  • 工作温度(Ta):-40°C~+105°C(AEC-Q100 Grade 2)
  • Cortex-M4内核,工作频率最高168MHz
  • FLASH最大512KB,RAM最大192KB(包含4KB的Retention RAM)
  • 支持CAN、SDIO、QSPI、SPI、UART、USB、I2C、ADC等外设
  • 支持多种类型定时器
  • 支持AES-128,HASH和TRNG
  • 封装只有 LQFP100

芯片框图:

image-20220517221308550

目标应用:

  • 通用电机应用
  • T-BOX

资料获取方式

小华半导体官网地址如下:

小华半导体有限公司 (xhsc.com.cn)

小华半导体官网没有车规MCU的资料,建议通过官网联系方式找原厂获取资料。

兆易创新(GigaDevice)

公司简介

兆易创新是一家全球化的芯片设计公司,也是集存储器、微控制器、传感器于一体的领先的半导体解决方案供应商,致力于设计研发各类存储器、控制器及周边产品,并将其广泛应用于手机、平板电脑等手持移动终端、消费类电子产品、物联网终端、个人电脑及周边和汽车电子及工业控制设备等领域。主要业务为闪存芯片产品、微控制器产品(MCU)和传感器模块和动态随机存取存储器(DRAM)的研发技术支持和销售。

主推型号

兆易创新目前还没有量产的车规MCU,计划今年推出的是GD32A503,明年推出GD32A-BC2。两款芯片的大概情况如下:

GD32A503

概述:

GD32A503是一款Cortex-M33内核的MCU,主频最高100MHz,支持2路CAN FD,3路LIN,封装种类较多

主要特性:

  • 工作电压:2.7V~5.5V
  • 工作温度:最大范围是-40°C~+125°C
  • Cortex-M33内核,工作频率最高100MHz
  • FLASH最大384KB,RAM最大48KB
  • 支持2路CAN、SPI、I2C、UART、ADC等外设
  • 带看门狗,RTC,支持低压检测,Flash、RAM带ECC校验
  • 支持的封装有QFN32,LQFP48/64/100

芯片框图:

image-20220517222940104

目标应用:

  • IVI协处理器
  • 电动尾门控制
  • 汽车照明
  • HVAC

GD32A-BC2

概述:

GD32A-BC2是一款内核为Cortex-M7内核的MCU,主频高达300MHz,支持6路CAN FD,6路LIN和1路百兆以太网,符合ASIL-B功能安全等级。

主要特性:

  • 工作电压:2.7V~5.5V
  • 工作温度:最大范围是-40°C~+125°C
  • Cortex-M7内核,工作频率最高300MHz,ASIL-B
  • FLASH最大4MB,RAM最大412KB
  • 持6路CAN FD,6路LIN和1路百兆以太网
  • 带看门狗,RTC,支持低压检测,Flash、RAM带ECC校验
  • 支持的封装有LQFP100/144/176,BGA257

芯片框图:

image-20220517223629901

目标应用:

  • BCM, T-BOX
  • 网关,车身域控制器

资料获取方式

兆易创新官网地址为:

兆易创新 (gd32mcu.com)

兆易创新官网还没有车规MCU的信息,建议按照官网的联系方式找原厂要一下相关的介绍资料。

云途半导体(YT micro)

公司简介

苏州云途半导体有限公司(简称云途)是一家专注于车规级芯片的无晶圆厂半导体和集成电路设计公司,致力于为客户提供全面的车规级芯片解决方案,为全球智能化出行技术的创新提供保障。

云途成立于2020年7月,总部位于苏州,在上海、深圳、成都等地设有研发中心和办事处。 云途已经建立了完善的汽车集成电路设计和验证平台,严格遵循AEC-Q100及ISO-26262开发流程体系和技术规范,成功地开发出多款具有自主知识产权的车规级MCU芯片,申请了多项相关技术专利。

未来云途将专注于在汽车车身控制、域控制器、BMS控制器、ADAS、汽车跨界处理器等汽车核心零部件领域的产品研发和市场布局。

主推型号

从云途的官网上可以看到目前主要有四款车规MCU系列,分别是YTM32B1L系列,YTM32B1M系列,YTM32B1H系列和YTM32Z系列。下面简单介绍一下。

YTM32B1L系列

概述:

YTM32B1L是一款Cortex M0+内核的MCU,有着丰富的外设支持,宽电压供电,封装种类较多。

主要特性:

  • 工作电压:2.7V~5.5V

  • 工作温度(Ta):-40°C~+105°C

  • Cortex-M0+内核,工作频率最高48MHz

  • FLASH最大128KB,RAM最大16KB

  • 支持1路CAN FD,以及常用的SPI、UART、I2C、ADC等外设

  • 支持低压监测,看门狗,Flash、RAM的ECC校验等

  • 封装有 LQFP64、LQFP48、LQFP32

芯片框图:

image-20220515212534388

目标应用:

  • 通用电机应用
  • 电动尾门应用

YTM32B1M系列

概述:

YTM32B1L是一款Cortex M33内核的MCU,主频最高120MHz,有着丰富的外设支持,宽电压供电,封装种类较多。

主要特性:

  • 工作电压:2.7V~5.5V
  • 工作温度(Ta):-40°C~+125°C
  • Cortex-M33内核,工作频率最高120MHz
  • FLASH最大2MB,RAM最大256KB
  • 支持CAN FD、LinFlex、I2C、SPI、QSPI、以太网、ADC等外设
  • 支持多种定时器:eTMR, pTMR, lpTMR, TMR, RTC
  • 支持Flash、RAM的ECC校验、时钟监测、外设保护单元等
  • 支持多种加密算法:AES、SM4、SHA、TRNG
  • 封装有 LQFP144、LQFP100、LQFP64

芯片框图:

image-20220517212649711

目标应用:

  • 车身控制器BCM

YTM32B1H系列

概述:

YTM32B1H是一款Cortex M7锁步核的MCU,主频高达300MHz,有着丰富的外设支持。

主要特性:

  • 工作温度(Ta):-40°C~+125°C

  • Cortex-M7锁步核,工作频率最高300MHz,功能安全达到ASIL-D

  • FLASH最大8MB,RAM最大1MB

  • 支持8路CAN FD、16路LIN、I2C、SPI、带AVB/TSN的百兆以太网、ADC等外设

  • QSPI外设支持XIP,方便外扩Flash运行程序

  • 带HSM模块

芯片框图:

image-20220517213424663

目标应用:

  • 车身域控制器

YTM32Z系列

概述:

YTM32B1L是一款Cortex M0+内核的MCU,有着丰富的外设支持,宽电压供电,封装种类较多。同时还集成了高压LDO,CAN、LIN收发器,LED驱动,电机预驱等外围器件。

主要特性:

  • 工作电压:12V-24V

  • 工作温度(Ta):-40°C~+125°C

  • Cortex-M0+内核,工作频率最高48MHz

  • FLASH最大64KB,RAM最大8KB

  • 支持1路CAN FD,以及常用的SPI、UART、I2C、ADC等外设

  • 集成了高压LDO,CAN、LIN收发器,LED驱动,电机预驱等外围器件

  • 封装有LQFP32、TSOP20

芯片框图:

image-20220517214203287

目标应用:

  • 汽车照明,门锁

资料获取方式

云途官网地址为:

云途半导体-真正的32bit车规级MCU供应商 (ytmicro.com)

云途官网主要介绍了相关MCU的主要特性,框图以及目标应用,如果需要详细的资料,可以通过官网的联系方式向原厂申请资料。

赛腾微电子 (Sine Micro)

公司简介

赛腾微电子有限公司(简称赛腾微)是—家专注于汽车级/工业级MCU & SOC和周边配套模拟/电源类芯片的集成电路设计企业。公司注册成立于安徽省芜湖市,在上海、 深圳分别设有研发与销售中心。 赛腾微成立以来陆续推出两大系列、多款通过AEC—Q100标准认证的车规级MCU,成功应用于汽车LED动态流水灯、车载无线充电发射器以及车窗玻璃升降器等汽车电子零部件中,并批量供货给多家知名汽车厂商。 截至2019年10月,赛腾微车身控制MCU已累计出货100万颗,装车10余万辆,实现了国产MCU在汽车前装车身控制领域产业化的重大突破。

主推型号

赛腾微官网没有车规MCU的信息,只能通过网上的信息了解到有两款车规MCU,分别是ASM87A系列和ASM3xA系列,相关信息笔者暂时没有收集到。

ASM87A系列

概述: 暂无信息

主要特性: 暂无信息

芯片框图: 暂无信息

目标应用: 暂无信息

ASM3XA系列

概述: 暂无信息

主要特性: 暂无信息

芯片框图: 暂无信息

目标应用: 暂无信息

资料获取方式

赛腾微官网地址为:

安徽赛腾微电子有限公司 (sinemicro.com)

赛腾微官网暂无车规MCU的信息,如果有感兴趣的,可以通过官网的联系方式和原厂沟通。