微机原理第十章

291 阅读2分钟

微机原理笔记分享 课程链接:www.bilibili.com/video/BV1qv…

微机原理第十章

A/D转换与D/A转换

概述

为什么要进行A/D转换和D/A转换?

image.png

D/A转换(DAC0832芯片)

D/A转换原理

  • 运算放大器:

    image.png

    • 虚短:两输入视为等电位
    • 虚断:输入电流非常小,近似断路那么 V0= - (Rf/R0)Vr
  • 权电阻网络

    image.png

  • DAC主要技术指标

    • 分辨率

      • 输入数据发生1LSB的变化时对应的输出模拟量的变化(最小输出电压与最大输出电压之比)

        image.png

        • 如:8位DAC: ∆= FSR/256 = 0.39%×FSR 12位DAC: ∆= FSR/4096 = 0.0244%×FSR
      • 精度(绝对精度,转换精度)

      • 建立时间

      • 线性误差

  • DAC0832

    image.png

    • 内部R/2R网络,NSC产品

    • 主要性能指标:分辨率:8位

    • 转换时间:1μs

    • 满度误差: ±1LSB

    • 参考电压: ±10V

    • 单电源:+5 ~ ±15V

    • 可直接与8086/8088、MCS~ 51等连用

    • DAC0832工作方式

      • 直通方式

        image.png

        • 输入数字量直接D/A转换
        • 无需控制
        • 如:波形发生器等
      • 单缓冲方式

        image.png

        image.png

        • 单模式缓冲例-三角波

          image.png

          • 输出三角波:

            • 端口地址:0278H
            • 最大输出值5V,对应数字量:FFH
            • 最小输出值0V,对应数字量:00H
      • 双缓冲方式

        image.png

A/D转换(ADC0809芯片)

A/D转换工作原理

  • 常见的A/D转换器:

    • (1)计数器式
    • (2)逐次逼近式(常用)
    • (3)双积分式
    • (4)并行式
  • 逐次逼近式A/D转换

    • 又称为逐位比较式,其转换实质是逐次把设定在逐次逼近寄存器中的数字量经D/A转换后得到的模拟量Vc,与待转换的模拟量VX进行比较(高位到低位逐次进行比较,确定0或1)。

      image.png

ADC0809简介

  • 性能特点

    • 8通道(8路)输入
    • 8位字长
    • 逐位逼近型
    • 转换时间100μs
    • 内置三态输出缓冲器
  • 主要引脚

    • D7~D0:输出数据线(三态)
    • IN0~IN7:8通道(路)模拟输入
    • ADDA、ADDB、ADDC:通道地址
    • ALE:通道地址锁存
    • START:启动转换
    • EOC:转换结束状态输出
    • OE:输出允许(打开输出三态门)
    • CLK:时钟输入(10KHz~1.2MHz)

image.png

  • ADC0809工作时序

    image.png

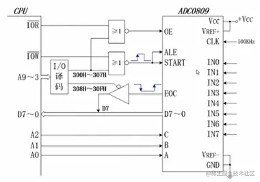
  • ADC0809接口电路

    • 功能与引脚

      image.png

  • ADC0809应用举例

    image.png

A转换.png