VK36N2D SOP8 高抗干扰两/2键2路2通道触摸触控IC,抗干扰能力强

131 阅读2分钟

产品品牌:永嘉微电/VINKA
产品型号:VK36N2D
封装形式:SOP8


概述:
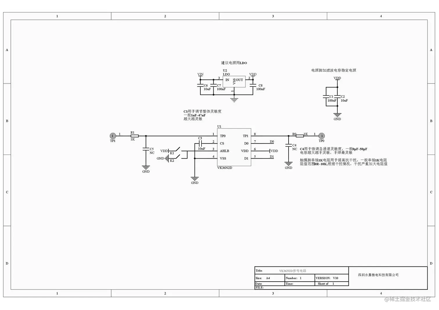
VK36N2D SOP8具有2个触摸按键,可用来检测外部触摸按键上人手的触摸动作。该芯片具有较高的集成度,仅需极少的外部组件便可实现触摸按键的检测。提供了2个1对1输出脚,可通过IO脚选择上电输出电平,有直接输出和锁存输出2个型号可选。芯片内部采用特殊的集成电路,具有高电源电压抑制比,可减少按键检测错误的发生,此特性保证在不利环境条件的应用中芯片仍具有很高的可靠性。此触摸芯片具有自动校准功能,低待机电流,抗电压波动等特性,为各种触摸按键+1对1 直接输出的应用提供了一种简单而又有效的实现方法。

特点:
• 工作电压 2.2-5.5V
• 待机电流10uA/3.0V
• 上电复位功能(POR)
• 低压复位功能(LVR)
• 触摸输出响应时间:工作模式 48mS ,待机模式160mS
• 通过AHLB脚选择上电输出高电平或者低电平
• 输出为2个1对1输出脚
• 支持多键同时触摸
• 防呆功能,有效键最长输出时间:13S
• 无键触摸4S进入待机模式
• 通过CS脚接对地电容调节整体灵敏度(1-47nF)
• 各触摸通道单独接对地小电容微调灵敏度(0-50pF)
• 上电0.3S内为稳定时间,禁止触摸
• 上电后无触摸时,环境变化自动校准基准值
• 抗电压波动,抗干扰性能好
• 型号 VK36N2DD 直接输出 VK36N2DT 锁存输出
• 封装:
SOP8(150mil)(6.0mm x 3.9mm PP=1.27mm)
DFN8L(2.0mm x 2.0mm PP=0.5mm)

1.png

2.jpg

3.png

4.png