计算机网络学习笔记——第二章 网络数据通信

213 阅读18分钟

2.1 数据通信的基本概念

2.1.1 信息、数据与信号

  • 信息(Information):是数据所包含的内容,它的载体是数字、文字、语音、图形、图像等。

  • 数据:通常把语言和声音、音乐、文字、符号、数据、图像等统称为数据。

  • 信号:描写与数据相对应的电信号或光信号,是传递信息的载体。

    • 模拟信号:是一种连续变化的电脉冲序列,例如电话语音信号、电视信号等,它是随时间变化的函数曲线;
    • 数字信号:是离散的不连续的电信号, 通常用“高”和“低”电平脉冲序列组成的编码来表示数据。

    image-20220921001252256

    • 模拟信号和数字信号在一定条件下可以相互转化.模拟信号可以通过采样、量化、编码等步骤变成数字信号,而数字信号可以通过编码、平滑等步骤恢复为模拟信号

2.1.2 基带信号和宽带信号

  • 基带信号:指信源发出的没有经过调制的原始信号。其特点是频率比较低,一般用在较近距离的数据通信中。在计算机局域网中,主要就是采用这种传输方式。
  • 宽带信号:又称为频带信号,在远距离通信中,由于基带信号具有频率很低的频谱分量,出于抗干扰和提高传输速率的考虑一般不宜直接传输,需要将基带信号变换为频带适合在信道中传输的信号,变换后的信号就是频带信号;
  • 频带传输:把数字信息调制成模拟音频信号后再发送和传输,到达接收端时再把音频信号解调成原来的数字信号的传输技术。

2.1.3 信道及其分类

  • 信道:信道表示向某一个方向传送信息的媒体,包括传输介质和通信设备。
  • 信道的分类:
    • 有线信道和无线信道
    • 物理信道和逻辑信道
    • 数字信道和模拟信道

2.1.4 数据通信的技术指标

  • 传输速率:是指信道中传输信息的速度,是描述数据传输系统的重要技术指标之一。传输速率一般有两种表示方法,即信号速率和调制速率

  • 波特率:是一种调制速率,也称波形速率。在数据传输过程中,线路上每秒载波调制状态改变的次数就是波特率,其单位是波特(Baud)

  • 信号带宽:指信道中传输的信号在不失真的情况下占用的频率范围,单位用赫兹(Hz)表示。数据通信中的带宽就是所能传输电磁波最大有效频率减去最小有效频率得到的值

  • 信道容量:是衡量一个信道传输数字信号的重要参数。信道的传输能力是有一定限制的,某个信道传输数据的速率是有一个上限,即单位时间内信道上所能传输的最大比特数,单位为比特/秒(bit/s),将其称为信道容量

  • 误码率:指信息传输的错误率,也称错误率。是衡量数据在规定时间内数据传输精确性的指标

    • Pe=Ne/N
  • 通信方式

    • 单工通信:只能有一个方向的通信而没有反方向的交互。

    • 半双工通信:通信双方都可以发送信息,但不能双方同时发送(也不能同时接收)

    • 全双工通信:通信的双方可以同时发送和接收信息

  • 传输方式

    • 串行通信:将待传送的每个字符的二进制代码按由低到高的顺序依次发送
    • 并行通信:数据以成组的方式在多个并行信道上同时传输
    • 串行通信与并行通信比较:
      • 传输速度:并行通信速度角较快,一个时间单位内可传输一个字符,而串行通信只能一位一位的传输
      • 通信成本:串行通信成本较低,只需一个信道,而并行通信每位都需要单独信道支持
      • 传输距离:由于信道间的电容感应,并行通信不适用于远距离传输,可靠性较低,串行通信抗干扰能力强适合远距离传输,目前计算机网络基本是串行传输
        • 串行传输可分为:异步通信方式和同步通信方式
          • 异步方式:实现比较简单,适合于低速通信
          • 同步方式:附加位少,一般用在高速传输数据的系统中,如计算机间的数据通信
  • 数据通信的基本结构

    • 资源子网

    • 通信子网

2.2 传输介质及其主要特性

2.2.1 传输介质的主要类型

  • 常见的网络传输介质可以分为两类:一类是有线的,另一类是无线的

2.2.2 双绞线

  • 双绞线:是一种综合布线工程中最常用的传输介质,是由两根具有绝缘保护层的铜导线组成的。把两根绝缘的铜导线按一定密度互相绞在一起,每一根导线在传输中辐射出来的电波会被另一根线上发出的电波抵消,有效降低信号干扰的程度

2.2.3 同轴电缆

  • 同轴电缆:由绕同一轴线的两个导体所组成,即内导体(铜芯导线)和外导体(屏蔽层),外导体的作用是屏蔽电磁干扰和辐射,两导体之间用绝缘材料隔离

2.2.4 光纤

  • 光纤:是一种由石英玻璃纤维或塑料制成的,直径很细,能传导光信号的媒体

2.3 数据编码技术

2.3.1 数据编码类型

  • 根据数据通信类型的不同,通信信道可分为两类:模拟信道和数字信道.相应的,数据编码的方法也分为模拟数据编码和数字数据编码

2.3.2 数字数据的模拟信号编码

  • 模拟数据编码:模拟信号传输的基础是载波,载波可以表示为:

    ​ u(t)=V*sin(ωt+φ)

    其中,载波具有三大要素:幅度V、频率ω和相位φ。

    通过变化载波的三个要素来进行编码,就出现了移频键控法、移相键控法和振幅键控法三种基本的编码方式

    • 振幅键控法ASK:通过改变载波的振幅V来表示数字1,0
    • 频移键控法FSK:通过改变载波的角频率ω来表示数字1,0
    • 移相键控法PSK:通过改变载波的相位φ的值来表示数字1,0
      • PSK包括两种类型:绝对调相,即用相位的绝对值表示数字1、0;相对调相,即用相位的相对偏移值表示数字1、0

2.3.3 数字数据的数字信号编码

  • 数字数据编码:

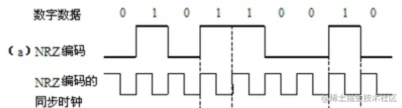
    • 非归零码NRZ:用低电平表示“0”,用高电平表示“1”,但必须在发送非归零码的同时,用另一个信号同时传送同步信号

    image-20220921194305027

    • 曼彻斯特编码:编码规则是:每比特的周期T分为前T/2与后T/2。前T/2传送该比特的反码,后T/2传送该比特的原码

    image-20220921194334885

    • 差分曼彻斯特编码:编码规则是:每比特的值根据其开始边界是否发生电平跳变来决定。一个比特开始处出现电平跳变表示“0”,不出现跳变表示“1”,每比特中间的跳变仅用做同步信号

    image-20220921194357475

image-20220921194422092

2.4 数据传输技术

2.4.1 基带传输技术

  • 基带:指基本频带,即信源发出没有经过调制的原始电信号所固有的频带(频带带宽),就是数字信号占用的基本频带
  • 基带传输:指在通信线路上原封不动地传输由计算机或终端产生的“0”或“1”数字脉冲信号

2.4.2 频带传输技术

  • 频带传输:也称宽带传输,是指将数字信号调制成音频信号后再发送和传输,到达接收端时再把音频信号解调成原来的数字信号。我们将这种利用模拟信道传输数字信号的方法称为频带传输技术
  • 调制解调器的基本功能:
    • 调制和解调
    • 数据压缩
    • 差错控制
  • 调制解调器的分类:
    • 按接入Internet方式分类:拨号调制解调器和专线调制解调器
    • 按数据传输方式分类:同步调制解调器和异步调制解调器
    • 按通信方式分类:单工、半双工和全双工调制解调器
    • 按接口类型分类:外置、内置和PC卡式移动调制解调器

2.4.3 多路复用技术

  • 多路复用技术的分类
    • 频分多路复用:多路数字信号被同时输入到频分多路复用编码器中,经过调制后,每一路数字信号的频率分别被调制到不同的频带,这样就可以将多路信号合起来放在一条信道上传输
    • 时分多路复用:将信道用于传输的时间划分为若干个时间片,给每个用户分配一个或几个时间片,使不同信号在不同时间段内传送。在用户占有的时间片内,用户使用通信信道的全部带宽来传输数据
    • 波分多路复用:不同的信号使用不同波长的光波来传送数据,在传送端,两根光纤连到一个棱柱或衍射光栅,每根光纤里的光波处于不同的波段上,这样两束光通过棱柱或衍射光栅合到一根共享的光纤上,到达目的地后,再将两束光分解开来
    • 码分多路复用:每比特时间被分成m个更短的时间槽,称为码片(Chip),通常情况下每比特有64或128个码片。每个站点(通道)被指定一个唯一的m位的代码或码片序列。当发送1时站点就发送码片序列,发送0时就发送码片序列的反码。当两个或多个站点同时发送时,各路数据在信道中被线形相加

2.5 数据交换技术

2.5.1 电路交换

  • 通信的三个阶段:在一对主机之间建立一条专用数据通路,实现数据通信需经过建立连接、数据传输、释放连接三个步骤

image-20220921195140512

  • 电路交换的优点:
    • 信息传输时延短
    • 信息传输效率高
    • 对用户提供"透明"传输通路
    • 适合传输信息量大,通信对象比较确定的用户
  • 电路交换的缺点:
    • 呼叫时间大大长于数据的传送时间
    • 通信线路的利用率不高
    • 整个系统也不具备存储数据的能力
    • 无法发现与纠正传输过程中发生的数据差错,系统效率较低
    • 对通信双方而言,必须做到双方的收发速度、编码方法、信息格式和传输控制等一致才能完成通信

2.5.2 存储转发交换

  • 存储转发交换:存储转发交换是指网络节点(交换设备)先将途经的数据按传输单元接受并存储下来,然后选择一条适当的链路转发出去。

    • 报文交换:报文交换指网络中的每一个节点先将整个报文完整地接收并存储下来,然后选择合适的链路转发到下一个节点。每个节点都对报文进行如此存储转发,最终到达目的地

    • 报文交换的优点:

      • 源节点和目标节点在通信时不需要建立一条专用的通路,与电路交换相比,报文交换没有建立连接和释放连接所需的等待和时延
      • 线路的利用率高,任何时刻一份报文只占用一条链路的资源,不必占用通路上的所有链路资源,提高了网络资源的共享性
      • 数据传输的可靠性高,每个结点在存储转发中,都进行差错控制,即进行检错和纠错
    • 报文交换的缺点:

      • 由于每一个结点都采用了对完整报文的存储/转发,因此传输时延较长,报文交换方式适合于电报等非实时的通信业务,不适合传输话音、传真等实时的或交互式的业务
    • 分组交换:分组交换又称包交换,与报文交换同属于存储/转发式交换,它们之间的差别在于参与交换的数据单元长度不同

      • 数据报分组交换:在数据包方式中,每个报文分组被称为一个数据报,若干个数据报构成一次要传送的报文或数据块。每个数据报在传输的过程中,都要进行路径选择,各个数据报可以按照不同的路径到达目的地。各数据报不能保证按发送的顺序到达目的结点,有些数据报甚至还可能在途中丢失。在接收端,再按分组的顺序将这些数据报组重新合成一个完整的报文image-20220921200152636
      • 数据包分组交换的特点:
        • 每个分组都必须带有数据、源地址和目的地址,其长度受到限制,一般为2000比特以内,典型长度为128个字节
        • 同一报文的分组可以由不同的传输路径通过通信子网,到达目的结点时可能出现乱序、重复或丢失现象
        • 传输延迟较大,适用于突发性通信,不适用于长报文、会话式通信
    • 虚电路分组交换:虚电路分组交换将数据报方式与线路交换方式的优点结合起来,发挥两者的优势,达到最佳数据交换的效果。整个通信过程分为三个阶段:虚电路的建立、数据传输、虚电路的释放三个步骤

    • 虚电路分组交换的特点:

      • 虚电路每次报文分组发送之前,必须在源节点与目的节点间建立一条逻辑连接
      • 报文分组不必带目的地址、源地址等辅助信息,只需要携带虚电路标识号。报文分组到达目的结点时也不会出现丢失、重复或乱序的现象
      • 报文分组通过每个虚电路上的节点时,节点只需要做差错检测,而不需要做路径选择
    • 分组交换与报文交换相比的优点:

      • 分组交换比报文交换减少了时间延迟。当第一个分组发送给第一个节点后,接着可发送第二个分组,随后可发送其他分组,这样多个分组可同时在网中传播,总的延时大大减少,网络信道的利用率大大提高

      • 分组交换把数据的最大长度限制在较小的范围内,这样每个结点所需要的存储量减少了,有利于提高结点存储资源的利用率

      • 数据出错时,只需要重传错误分组,而不要重发整个报文,这样有利于迅速进行数据纠错,大大减少每次传输发生错误的概率以及重传信息的数量

      • 易于重新开始新的传输。可让紧急报文迅速发送出去,不会因传输优先级较低的报文而堵塞

        image-20220921200452118

2.6 无线通信技术

2.6.1 电磁波谱

  • 描述电磁波的参数有三个,分别是波长、频率和光速 三者间的关系为:C=λf 其中,λ为波长,f为频率,C为光速
  • 按照频率由低到高的顺序排列,不同频率的电磁波可以分为无线电、红外线、可见光、紫外线、X射线和γ射线

2.6.2 无线通信方式

  • 无线通信方式的特点:
    • 传播距离较远,容易穿过建筑物,而且无线电波是全方向传播的,因此无线电波的发射和接收装置不必要求精确对准
    • 无线电波极易受到电子设备的各种电磁干扰 ,并且其传播特性与频率密切相关
    • 中、低频(频率在1MHz以下)无线电波沿地球表面传播,能轻易地绕过一般障碍物,但其能量随着传播距离的增大而急剧下降,且通信带宽较低
    • 高频和甚高频(频率在3MHz~1GHz之间)无线电波趋于直线传播,易受障碍物的阻挡并将被地球表面吸收

2.6.3 卫星通信

  • 卫星通信的特点:
    • 通信距离远、容量大、质量稳定、可靠性高。在电波覆盖范围内,任何一处都可以通信,且通信费用与通信距离无关
    • 信号受陆地灾害影响小,易于实现广播通信和多址通信
    • 卫星通信的缺点是通信费用高,延时较大,不管两个地面站之间的地面距离是多少,传播的延迟时间都为270ms,这比地面电缆的传播延迟时间要高几个数量级
  • 卫星通信的分类
    • 以数据传输为主的小型数据地球站,对于这些VSAT系统,所有小站间的数据通信都要经过中心站进行存储转发
    • 以语音传输为主并且兼容数据传输的小型电话地球站,对于这些能够进行电话通信的VSAT系统,小站之间的通信在呼叫建立阶段要通过中心站,但在连接建立之后,两个小站之间的通信就可以直接通过卫星进行了

2.6.4 移动通信

  • 1~5G

2.7 差错控制技术

2.7.1 差错类型及产生原因

  • 差错产生的原因:通常发送的数据与通过通信信道后接收到的数据不一致的现象称为传输差错,简称差错,在数据通信中,各种引起差错的因素都可能会使接收端受到的二进制位数和发送端实际发送的二进制数位不一致,从而造成“0”和“1”识别错误的差错image-20220921201242918
  • 差错的类型:传输中的差错分为随即差错和突发差错。两类差错都是由噪声引起的,而噪声有两大类,一类是信道固有的、持续存在的随机热噪声;另一类是由外界特定的短暂原因所造成的冲击噪声

2.7.2 误码率

  • 误码率:误码率指二进制码元在数据传输系统中被传错的概率,在数值上近似等于Pe=Ne/N。其中N为传输的二进制码元总数,Ne为被传错的码元数
    • 误码率是衡量数据传输系统正常工作状态下传输可靠性的参数
    • 对于一个实际的数据传输系统,不能笼统地说误码率越低越好,要根据实际传输要求提出误码率指标;在数据传输速率确定后,误码率越低,传输系统设备越复杂,造价也越高
    • 对于实际数据传输系统,如果传输的不是二进制码元,要换算成二进制码元来计算

2.7.3 差错的控制

  • 差错控制的方法有两种
    • 第一种方法是改善通信线路的性能,使错码出现的概率降低到满足系统要求的程度,但这种方法受经济和技术的限制,达不到理想的效果。
    • 第二种方法是采用抗干扰编码和纠错编码将传输中出现的某些错码检测出来,并用某种方法纠正检出的错码,以达到提高实际传输质量的目的5、奇偶校验法及其特点
  • 奇偶校验:奇偶校验是以字符为单位的校验方法,是最简单的一种校验方法。在每个字符编码的后面另外增加一个二进制校验位,主要目的是使整个编码中1的个数成为奇数或偶数。如果使编码中1的个数成为奇数则称为奇校验;反之,则称为偶校验
  • 方块校验:方块校验其实是在奇偶校验的基础上,在一批字符传输之后,另外再增加一个检验字符,该检验字符的编码方法是使每一位纵向代码的1的个数也称为的奇数或偶数
  • 奇偶校验的主要特点:
    • 只能发现单个比特差错,如果有多个比特出错,奇偶校验法无效
    • 一般只能用于对通信要求较低的异步传输和同步传输环境中
  • 循环冗余码校验:循环冗余码是在发送端产生一个循环冗余码,附加在信息数据帧后面一起发送到接收端,接收端收到的信息按发送端形成循环冗余码同样的算法进行除法运算,若余数为“0”,就表示接收的数据正确,若余数不为“0”,则表明数据在传输的过程中出错,发送端重传数据
    • 生成多项式
    • 基本思想和运算规则
    • 检验和信息编码的求取方法