Java NIO与IO的区别和比较

118 阅读10分钟

传统的socket IO中,需要为每个连接创建一个线程,当并发的连接数量非常巨大时,线程所占用的栈内存和CPU线程切换的开销将非常巨大。使用NIO,不再需要为每个线程创建单独的线程,可以用一个含有限数量线程的线程池,甚至一个线程来为任意数量的连接服务。由于线程数量小于连接数量,所以每个线程进行IO操作时就不能阻塞,如果阻塞的话,有些连接就得不到处理,NIO提供了这种非阻塞的能力。

小量的线程如何同时为大量连接服务呢,答案就是就绪选择。这就好比到餐厅吃饭,每来一桌客人,都有一个服务员专门为你服务,从你到餐厅到结帐走人,这样方式的好处是服务质量好,一对一的服务,VIP啊,可是缺点也很明显,成本高,如果餐厅生意好,同时来100桌客人,就需要100个服务员,那老板发工资的时候得心痛死了,这就是传统的一个连接一个线程的方式。

老板是什么人啊,精着呢。这老板就得捉摸怎么能用10个服务员同时为100桌客人服务呢,老板就发现,服务员在为客人服务的过程中并不是一直都忙着,客人点完菜,上完菜,吃着的这段时间,服务员就闲下来了,可是这个服务员还是被这桌客人占用着,不能为别的客人服务,用华为领导的话说,就是工作不饱满。那怎么把这段闲着的时间利用起来呢。这餐厅老板就想了一个办法,让一个服务员(前台)专门负责收集客人的需求,登记下来,比如有客人进来了、客人点菜了,客人要结帐了,都先记录下来按顺序排好。每个服务员到这里领一个需求,比如点菜,就拿着菜单帮客人点菜去了。点好菜以后,服务员马上回来,领取下一个需求,继续为别人客人服务去了。这种方式服务质量就不如一对一的服务了,当客人数据很多的时候可能需要等待。但好处也很明显,由于在客人正吃饭着的时候服务员不用闲着了,服务员这个时间内可以为其他客人服务了,原来10个服务员最多同时为10桌客人服务,现在可能为50桌,60客人服务了。

这种服务方式跟传统的区别有两个:

1、增加了一个角色,要有一个专门负责收集客人需求的人。NIO里对应的就是Selector。

2、由阻塞服务方式改为非阻塞服务了,客人吃着的时候服务员不用一直侯在客人旁边了。传统的IO操作,比如read(),当没有数据可读的时候,线程一直阻塞被占用,直到数据到来。NIO中没有数据可读时,read()会立即返回0,线程不会阻塞。

NIO中,客户端创建一个连接后,先要将连接注册到Selector,相当于客人进入餐厅后,告诉前台你要用餐,前台会告诉你你的桌号是几号,然后你就可能到那张桌子坐下了,SelectionKey就是桌号。当某一桌需要服务时,前台就记录哪一桌需要什么服务,比如1号桌要点菜,2号桌要结帐,服务员从前台取一条记录,根据记录提供服务,完了再来取下一条。这样服务的时间就被最有效的利用起来了。

导读:

J2SE1.4以上版本中发布了全新的I/O类库。NIO库提供的一些新特性:非阻塞I/O,字符转换,缓冲以及通道。NIO和IO都在rt.jar包中。

一、NIO的简介 NIO包(java.nio.*)引入了四个关键的抽象数据类型,它们共同解决传统的I/O类中的一些问题。 1. Buffer:它是包含数据且用于读写的线形表结构。其中还提供了一个特殊类用于内存映射文件的I/O操作。 2. Charset:它提供Unicode字符串影射到字节序列以及逆影射的操作。 3. Channels:包含socket,file和pipe三种管道,它实际上是双向交流的通道。 4. Selector:它将多元异步I/O操作集中到一个或多个线程中(它可以被看成是Unix中select()函数或Win32中WaitForSingleEvent()函数的面向对象版本)。

二、IO的传统方式

以网络应用为例,传统方式需要监听一个ServerSocket,接受请求的连接为其提供服务(服务通常包括了处理请求并发送响应)图一是服务器的生命周期图,其中标有粗黑线条的部分表明会发生I/O阻塞。

image.png

图一

可以分析创建服务器的每个具体步骤。首先创建ServerSocket ServerSocket server=new ServerSocket(10000); 然后接受新的连接请求 Socket newConnection=server.accept(); 对于accept方法的调用将造成阻塞,直到ServerSocket接受到一个连接请求为止。一旦连接请求被接受,服务器可以读客户socket中的请求。

 1 InputStream in = newConnection.getInputStream(); 2 
 3 InputStreamReader reader = new InputStreamReader(in); 4 
 5 BufferedReader buffer = new BufferedReader(reader); 6 
 7 Request request = new Request(); 8 
 9 while(!request.isComplete()) { 10 
11     String line = buffer.readLine(); 12 
13 request.addLine(line); 14 }

这样的操作有两个问题,首先BufferedReader类的readLine()方法在其缓冲区未满时会造成线程阻塞,只有一定数据填满了缓冲区或者客户关闭了套接字,方法才会返回。其次,它回产生大量的垃圾,BufferedReader创建了缓冲区来从客户套接字读入数据,但是同样创建了一些字符串存储这些数据。虽然BufferedReader内部提供了StringBuffer处理这一问题,但是所有的String很快变成了垃圾需要回收。

同样的问题在发送响应代码中也存在

1 Response response = request.generateResponse(); 2 
 3 OutputStream out = newConnection.getOutputStream(); 4 
 5 InputStream in = response.getInputStream(); 6 
 7 int ch; 8 
 9 while(-1 != (ch = in.read())) { 10 
11 out.write(ch); 12 
13 } 14 
15 newConnection.close();

类似的,读写操作被阻塞而且向流中一次写入一个字符会造成效率低下,所以应该使用缓冲区,但是一旦使用缓冲,流又会产生更多的垃圾。

传统的解决方法 通常在Java中处理阻塞I/O要用到线程(大量的线程)。一般是实现一个线程池用来处理请求,如图二

image.png

图二 线程使得服务器可以处理多个连接,但是它们也同样引发了许多问题。每个线程拥有自己的栈空间并且占用一些CPU时间,耗费很大,而且很多时间是浪费在阻塞的I/O操作上,没有有效的利用CPU。

三、NIO的详细介绍 1.** Buffer** 传统的I/O不断的浪费对象资源(通常是String)。新I/O通过使用Buffer读写数据避免了资源浪费。Buffer对象是线性的,有序的数据集合,它根据其类别只包含唯一的数据类型。 java.nio.Buffer 类描述 java.nio.ByteBuffer 包含字节类型。 可以从ReadableByteChannel中读在 WritableByteChannel中写 java.nio.MappedByteBuffer 包含字节类型,直接在内存某一区域映射 java.nio.CharBuffer 包含字符类型,不能写入通道 java.nio.DoubleBuffer 包含double类型,不能写入通道 java.nio.FloatBuffer 包含float类型 java.nio.IntBuffer 包含int类型 java.nio.LongBuffer 包含long类型 java.nio.ShortBuffer 包含short类型 可以通过调用allocate(int capacity)方法或者allocateDirect(int capacity)方法分配一个Buffer。特别的,你可以创建MappedBytesBuffer通过调用FileChannel.map(int mode,long position,int size)。直接(direct)buffer在内存中分配一段连续的块并使用本地访问方法读写数据。非直接(nondirect)buffer通过使用Java中的数组访问代码读写数据。有时候必须使用非直接缓冲例如使用任何的wrap方法(如ByteBuffer.wrap(byte[]))在Java数组基础上创建buffer。

2. 字符编码 向ByteBuffer中存放数据涉及到两个问题:字节的顺序和字符转换。ByteBuffer内部通过ByteOrder类处理了字节顺序问题,但是并没有处理字符转换。事实上,ByteBuffer没有提供方法读写String。 Java.nio.charset.Charset处理了字符转换问题。它通过构造CharsetEncoder和CharsetDecoder将字符序列转换成字节和逆转换。

3. 通道**(Channel)**
你可能注意到现有的java.io类中没有一个能够读写Buffer类型,所以NIO中提供了Channel类来读写Buffer。通道可以认为是一种连接,可以是到特定设备,程序或者是网络的连接。通道的类等级结构图如下

image.png

图三 图中ReadableByteChannel和WritableByteChannel分别用于读写。 GatheringByteChannel可以从使用一次将多个Buffer中的数据写入通道,相反的,ScatteringByteChannel则可以一次将数据从通道读入多个Buffer中。你还可以设置通道使其为阻塞或非阻塞I/O操作服务。 为了使通道能够同传统I/O类相容,Channel类提供了静态方法创建Stream或Reader

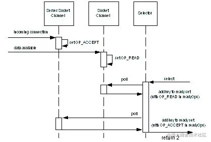
4.** Selector** 在过去的阻塞I/O中,我们一般知道什么时候可以向stream中读或写,因为方法调用直到stream准备好时返回。但是使用非阻塞通道,我们需要一些方法来知道什么时候通道准备好了。在NIO包中,设计Selector就是为了这个目的。SelectableChannel可以注册特定的事件,而不是在事件发生时通知应用,通道跟踪事件。然后,当应用调用Selector上的任意一个selection方法时,它查看注册了的通道看是否有任何感兴趣的事件发生。图四是selector和两个已注册的通道的例子

image.png

图四 并不是所有的通道都支持所有的操作。SelectionKey类定义了所有可能的操作位,将要用两次。首先,当应用调用SelectableChannel.register(Selector sel,int op)方法注册通道时,它将所需操作作为第二个参数传递到方法中。然后,一旦SelectionKey被选中了,SelectionKey的readyOps()方法返回所有通道支持操作的数位的和。SelectableChannel的validOps方法返回每个通道允许的操作。注册通道不支持的操作将引发IllegalArgumentException异常。下表列出了SelectableChannel子类所支持的操作。

1 ServerSocketChannel OP_ACCEPT 2 
3 SocketChannel OP_CONNECT, OP_READ, OP_WRITE 4 
5 DatagramChannel OP_READ, OP_WRITE 6 
7 Pipe.SourceChannel OP_READ 8 
9 Pipe.SinkChannel OP_WRITE

四. 举例说明

1. 简单网页内容下载 这个例子非常简单,类SocketChannelReader使用SocketChannel来下载特定网页的HTML内容。 package examples.nio;

package com.yineng.mycat; import java.nio.ByteBuffer; import java.nio.channels.SocketChannel; import java.nio.charset.Charset; import java.net.InetSocketAddress; import java.io.IOException; /** * @author kzfy
 * @data 2015/12/21 */
public class SocketChannelReader{ private Charset charset=Charset.forName("UTF-8");//创建UTF-8字符集

    private SocketChannel channel; public void getHTMLContent(){ try{
            connect();
            sendRequest();
            readResponse();
        }catch(IOException e){
            System.err.println(e.toString());
        }finally{ if(channel!=null){ try{
                    channel.close();
                }catch(IOException e){}
            }
        }
    } private void connect()throws IOException{//连接到CSDN InetSocketAddress socketAddress= new InetSocketAddress("http://www.csdn.net",80);
        channel=SocketChannel.open(socketAddress); //使用工厂方法open创建一个channel并将它连接到指定地址上 //相当与SocketChannel.open().connect(socketAddress);调用 } private void sendRequest()throws IOException{
        channel.write(charset.encode("GET /document\r\n\r\n"));//发送GET请求到CSDN的文档中心 //使用channel.write方法,它需要CharByte类型的参数,使用 //Charset.encode(String)方法转换字符串。
 } private void readResponse()throws IOException{//读取应答
        ByteBuffer buffer=ByteBuffer.allocate(1024);//创建1024字节的缓冲
        while(channel.read(buffer)!=-1){
            buffer.flip();//flip方法在读缓冲区字节操作之前调用。
 System.out.println(charset.decode(buffer)); //使用Charset.decode方法将字节转换为字符串
            buffer.clear();//清空缓冲
 }
    } public static void main(String [] args){ new SocketChannelReader().getHTMLContent();
    }
}