计算机组成原理—CPU与简单模型机设计

2,470 阅读5分钟

本文已参与「新人创作礼」活动,一起开启掘金创作之路。

计算机组成原理—CPU与简单模型机设计

一、实验目的:

1.1掌握一个简单 CPU 的组成原理。
1.2在掌握部件单元电路的基础上,进一步将其构造一台基本模型计算机。
1.3为其定义五条机器指令,编写相应的微程序,并上机调试掌握整机概念。

二、实验设备:

PC 机一台,TD-CMA 实验系统一套。

三、实验原理:

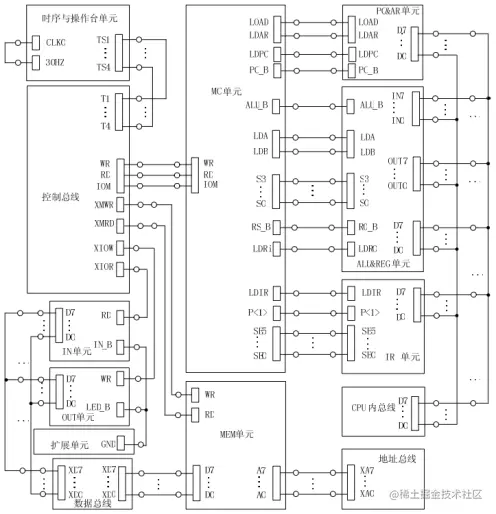
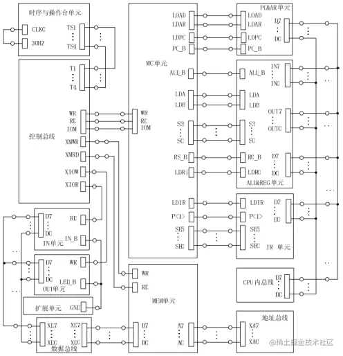
本实验要实现一个简单的CPU,并且在此CPU的基础上,继续构建一个简单的模型计算机。CPU 由运算器(ALU)、微程序控制器(MC)、通用寄存器(R0),指令寄存器(IR)、程序计 数器(PC)和地址寄存器(AR)组成,如图1所示。这个CPU在写入相应的微指令后,就 具备了执行机器指令的功能,但是机器指令一般存放在主存当中,CPU 必须和主存挂接后,才有实际的意义,所以还需要在该 CPU 的基础上增加一个主存和基本的输入输出部件,以构成一个简单的模型计算机。

image.png

图1 基本 CPU 构成原理图
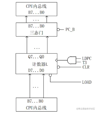
除了程序计数器(PC),其余部件在前面的实验中都已用到,在此不再讨论。系统的程序计 数器(PC)和地址寄存器(AR)集成在一片 CPLD 芯片中。CLR连接至CON 单元的总清端CLR,按下CLR 按钮,将使 PC 清零,LDPC 和 T3 相与后作为计数器的计数时钟,当LOAD为低时,计数时钟到来后将CPU内总线上的数据打入 PC。

image.png

图2 程序计数器(PC)原理图

四、实验内容与完成情况

4.1实验内容

image.png

图3 实验接线图
首先按照图3连接实验线路,然后将时序与操作台单元的开关 KK1、KK3 置为‘运行’档,按动 CON 单元的总清按钮 CLR, 将使程序计数器 PC、地址寄存器 AR 和微程序地址为 00H,程序可以从头开始运行,暂存器 A、 B,指令寄存器 IR 和 OUT 单元也会被清零。
将时序与操作台单元的开关 KK2 置为‘单步’档,每按动一次 ST 按钮,即可单步运行一 条微指令,对照微程序流程图,观察微地址显示灯是否和流程一致。每运行完一条微指令,观 测一次 CPU 内总线和地址总线,对照数据通路图,分析总线上的数据是否正确。
当模型机执行完 JMP 指令后,检查 OUT 单元显示的数是否为 IN 单元值的 2 倍,按下 CON 单元的总清按钮 CLR,改变 IN 单元的值,再次执行机器程序,从 OUT 单元显示的数判别程序 执行是否正确。

4.2完成情况

image.png

图4 线路连接实物图
正确的连接完成实验线路,并成功运行使OUT 单元显示的数值为 IN 单元值的 2 倍(输入IN值为07,输出OUT值为0E),输出结果正确。

image.png

图5 实验结果图

五、出现的的问题及解决方案(列出遇到的问题和解决办法,列出没有解决的问题)

5.1遇到的问题
5.1.1实验运行路线与预期相差较大,并且实验结果出现错误,未正确输出预期的结果。
5.1.2在刚开始实验时,由于对该实验不够了解不知道该实验该实验要做些什么,对一些知识点比较陌生,不知道从何下手耽搁了一些时间。

5.2解决办法
5.2.1根据实验接线图仔细检查线路,改正连接错误的线路,并反复多次检查,确保线路连接正确。
5.2.2查阅相关资料与需求老师和同学的帮助。

5.3未解决问题
未找到方法可以快速的得出实验结果。

六、实验小结

通过本次CPU与简单模型机设计实验,了解了CPU的大致运行原理与过程,对课本的理论知识在实践中有了理解。
但在刚开始实验时,由于对该实验不够了解不知道该实验该实验要做些什么,对一些知识点比较陌生,不知道从何下手耽搁了一些时间。后来通过队实验原理的深入解读与老师与同学的帮助,渐渐明白了实验该如何进行及预期得到怎么的结果。因此在以后的实验中一定会在预习过程中更加深入的了解实验。
“人非圣贤,孰能无过”,在实验操作过程中,由于疏忽没有按照实验线路图正确的连接实验线路,导致实验结果出现了预期之外的错误。实验要完整无错误的进行,首先要确保实验接线图连线的正确性才能确保在进行实验时数据通路流向以及数据的的正确性,这样才能到达实验的目的。因此在以后的实验中一定会更加细心的连接线路,多次检查确保线路的正确连接,以得到正确的实验结果。
最后,通过这次实验学到了很多计算机组成原理的知识,同时也学到了实验过程中解决错误的方法。在以后的学习中,会加强自己的理解性和掌握程度,实验前要理解实验原理,以便于提高实验效果速率,并提高准确率,希望自己能够做到更好!