深度学习——LSTM

242 阅读2分钟

携手创作,共同成长!这是我参与「掘金日新计划 · 8 月更文挑战」的第28天,点击查看活动详情

LSTM网络的全称是“Long Short Term Memory networks”,中文名叫“长短期记忆网络”,是一种改进版的RNN。所以,在介绍LSTM之前,先来了解一下RNN。

1.RNN简介

在实际生活中,我们所面临的很多问题都是具有顺序性的。比如说,你在阅读文章的时候,都是通过联系上文来理解你当前看到的词的真正含义。但是传统的人工神经网络并不会根据先前信息来对之后的信息进行推断。RNN(Recurent Neural Networks,递归神经网络)弥补了这一缺陷,它将神经元的输出再接回神经元的输入,使其具有“记忆力”,从而可以解决具有顺序性的问题。如下图所示,右图是将左图按照时间点展开得到的结果,图中共有3个时间点,依次是“t-1”“t”“t+1”。

图注:

X是神经网络的输入,是t时间点神经网络的输入;

O是神经网络的输出,是t时间点神经网络的输出;

(U,V,W)是神经网络的参数,在展开图中W是t-1时间点的输出,但是作为t时间点的输入。

S是隐藏状态,代表着神经网络的“记忆”。在展开图中是t时间点神经网络的隐藏状态,它是当前时间点的输入、前一个时间点的隐藏状态以及参数U和W共同评估的结果。

然而,世界上没有十全十美的事物……RNN也不例外,虽然它有“记忆力”,但是,他的“记忆力”有点差。如果相关信息和当前预测的位置间隔很小,RNN可以学会使用先前信息,如果位置间隔很大,RNN就记不住了……为此深度学习专家Schmidhuber提出了LSTM模型。

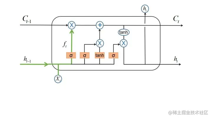
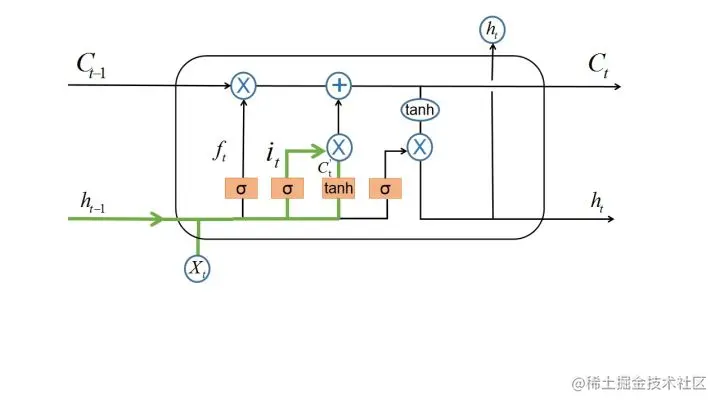
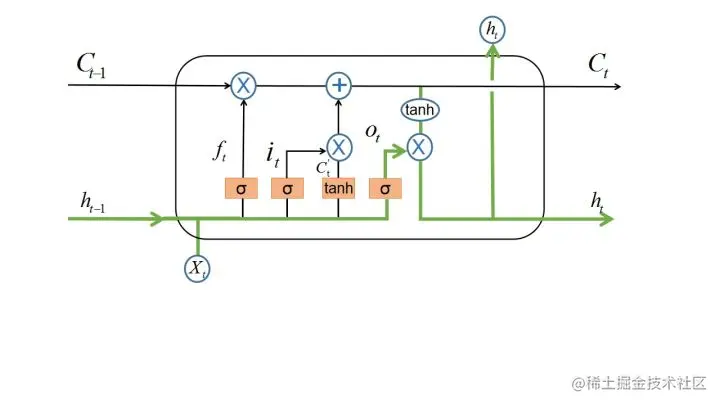
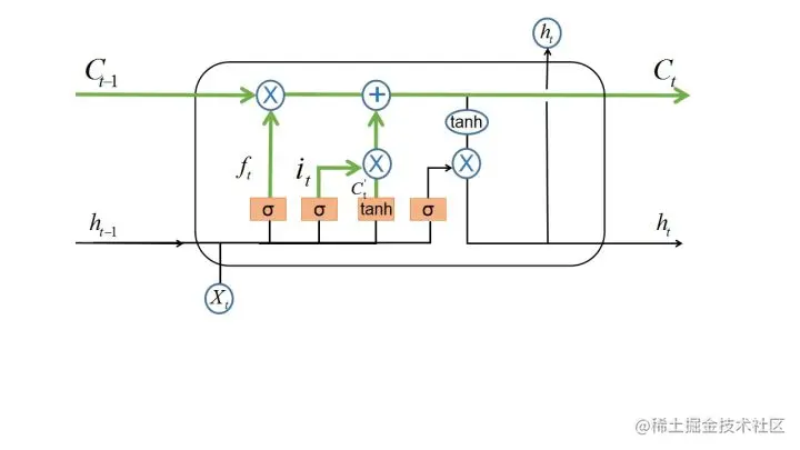
2.LSTM

emmmm接下来有请哪吒给大家介绍一下LSTM模型!