汇编语言程序设计技巧详解(附实例)

702 阅读7分钟

携手创作,共同成长!这是我参与「掘金日新计划 · 8 月更文挑战」的第10天,点击查看活动详情

汇编语言程序设计技巧

四种基本结构:顺序结构分支结构循环结构和子程序

1、顺序结构

】将R0单元内的两位BCD码拆开并转换成ASCII码,存入RAM两个单元中R2 (存高位)和R1 (存低位)中 。

参考程序:

        ORG  2000H

                MOV  A,R0      ;取值

        ANL   A,#0FH  ;取低4位

        ADD  A,#30H   ;转换成ASCII码

        MOV  R1,A       ;保存结果

        MOV  A,R0       ;取值

        SWAP  A             ;高4位与低4位互换

        ANL  A,#0FH   ;取原来的高4位      

        ADD  A,#30H   ;转换成ASCII码

        MOV  R2,A       ;保存结果

        SJMP  $  

               END

2、分支结构

(1)先建立可供条件转移指令测试的条件。

(2)选用合适的条件转移指令。

(3)在转移的目的地址处设定标号。

】求R2中补码绝对值,正数不变,负数变补。

             MOV A,R2

             JNB ACC.7,NEXT;为正数?

             CPL A          ;负数变补

             INC A

             MOV R2,A

    NEXT:SJMP NEXT  ;结束

多重分支程序

a.多次使用条件转移指令,形成两个以上判断框。

求符号函数Y=SGN(X)

+1  当 X>0

SGN(X)=      0  当 X=0

-1  当 X<0

SYMB: MOV  A,40H    ;取X

          JZ     STOR                     ;X=0,Y=X

       JB     ACC7,MINUS;X<0

       MOV  A,# 1      ;X>0,Y=+1

          SJMP  STOR

MINUS:MOV  A,#0FFH;X<0,Y= -1

STOR:  MOV  41H,A   ;保存Y

                RET

b.按分支号转移

如:分支号=0,程序转移到ADDR0处;当分支号=1,程序转移到ADDR1处;… 。

(1)用地址表法。设分支号已存入A。

MTJS:MOV   DPTR,#TAB  ;取表首地址

         CLR     C     

         RLC     A                      ;分支号×2

         MOV   R2,A

        INC      A

         MOVC A,@A+DPTR;取分支地址低位

         PUSH   ACC         ;入栈保存

         MOV    A,R2

         MOVC  A,@A+DPTR;取分支地址高位

         PUSH   ACC         ;入栈保存

         RET                     ;分支地址→PC,转移

TAB:  DW          ADDR0            ;分支地址表

            DW         ADDR1     

                     … 

ADDR0:      …                 ;程序段0  …

(2)转移表法。用分支转移指令 JMP @A+DPTR

】根据R0的值转向7个分支程序。R0<10,转向SUB0; R0<20,转向SUB1;… …R0<60,转向SUB5; R0>=60,转向SUB6;

分析:这里应该利用JMP @A+DPTR

指令直接给PC赋值,使程序实现转移

参考程序如下:

ORG    2000H

MOV DPTR,#TAB;取转移指令表首地址

MOV  A,R0           ;取数     

MOV      B,#10

     ……

DIV  AB                  ;A/10,商在A中       

CLR C

RLC    A                ;A←2A

JMP   @A+DPTR     ;PC ← A+DPTR

TAB: AJMP     SUB0  ;转移指令表

AJMP  SUB1

AJMP     SUB2

      ……

AJMP     SUB6

3、循环结构

循环程序结构是汇编语言程序中常见的一种程序结构。所谓循环,就是让计算机反复执行某一段程序。使用循环程序可以省略很多类似的代码,提高程序的代码密度。

循环程序主要包含以下三个方面:

(1)循环初始化

设置循环的初始状态,如工作单元的清零,循环次数的设置等。在设置初始条件时要小心,否则很容易让程序多执行(或少执行)一次。

(2)循环体

即循环程序的主体,是要求计算机重复执行的部分。这部分程序应该特别注意精简,因为要重复多次,所以这部分的精简程度决定了整个循环程序的执行效率。

(3)循环控制

包括对循环计数器的修改和循环结束条件的判断等内容。

】把内部RAM中从ST1地址开始存放的数据传送到以ST2开始的存储区中,数据块长度未知,但已知数据块的最后一个字节内容为00H,而其它字节均不为0。并设源地址与目的地址空间不重叠。 

    分析:显然,我们可以利用判断每次传送的内容是否为 0 这一条件来控制循环。利用判A转移控制的循环流程图如下图所示。

参考程序如下:

START:MOV      R0,#ST1

       MOV       R1,#ST2

 LOOP: MOV    A, @R0      

         JZ      ENT

       MOV  @R1,A

         INC    R0         

         INC    R1                        

         SJMP LOOP                                   

        ENT:  RET       

例:求n个单字节数据的累加,设数据串已在43H起始单元,数据串长度在42H单元,累加和不超过2个字节。

编辑

 SUM:   MOV      R0,#42H;设指针

              MOV      A,@R0

              MOV      R2,A      ;循环计数器←n

              CLR A       ;结果单元清0

              MOV      R3,A

ADD1:INC   R0     ;修改指针

              ADD       A,@R0  ;累加

              JNC   NEXT    ;处理进位

              INC R3     ;有进位,高字节加1

NEXT:     DJNZ     R2,ADD1 ;循环控制:数据是否加完?

              MOV      40H,A  ;循环结束,保存结果

              MOV      41H,R3

              RET

多重循环循环体中套循环结构

例将内存一串单字节无符号数升序排序。

步骤:

每次取相邻单元的两个数比较,决定是否需要交换数据位置。

第一次循环,比较N-1次,取到数据表中最大值。

第二次循环,比较N-2次,取到次大值。

    …

第N-1次循环:比较一次,排序结束。

编辑

 程序:

SORT:  MOV    A,#N-1    ;N个数据排序

                MOV  R4,A         ;外循环次数

LOOP1: MOV   A,R4

                MOV  R3,A         ;内循环次数

                MOV  R0,#TAB   ;设数据指针

LOOP2: MOV   A,@R0      ;取二数

                MOV  B,A

                INC    R0

                MOV  A,@R0

                CJNE A,B,L1 ;比较

L1:         JNC    UNEX          ;A≥B,不交换

                DEC    R0        ;否则交换数据

                XCH   A ,@R0

                INC    R0

                MOV  @R0,A

UNEX:  DJNZ R3,LOOP2    ;内循环结束?

                DJNZ R4,LOOP1   ;外循环结束?

                RET

4、子程序

能完成某项特定功能的独立程序段,可被反复调用。

子程序设计

(1)子程序入口用标号作为子程序名。

(2)调用子程序之前设置好堆栈

(3)用返回指令RET结束子程序,并保证堆栈栈顶为调用程序的返回地址。

(4)子程序嵌套须考虑堆栈容量。

(5)提供足够的调用信息:

如:子程序名、子程序功能、入口参数和出口参数、子程序占用的硬件资源、子程序中调用的其他子程序名。

选用不同的参数传递方式。

1.寄存器传送参数

2.存储器传送参数

3.堆栈传送参数

【例】将R4R5R6中三个字节数据对半分解,变成6个字节, 存入显示缓冲区(DISMEM0~DISMEM5)。

1)子程序UFOR1的功能:将A累加器中单字节数据,对半分解成两个字节,存入R0所指向的相邻两个单元

UFOR1:MOV  @R0,#0

               XCHD A,@R0   ;保存低半字节

               INC  R0      ;修改指针

               MOV  @R0,#0

               SWAP A

               XCHD A,@R0   ;保存高半字节

               RET

2)调用子程序UFOR1之前,将待分解的内容送A,存放地址送R0。

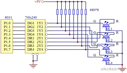
】利用MCS-51仿真实验板,外部扩展四个双色发光二极管HL1、HL2、HL3和HL4分别模拟北(HL1)、西(HL2)、东(HL3)、南(HL4)四个方向交通灯,连接电路如下图所示:

编辑

 分析: 双色发光二极管有一个阴极,两个阳极G和R,当G极为高电平时,发光二极管呈现绿色,当R极为高电平时,发光二极管呈现红色,当G和R极都为高电平时,发光二极管呈现黄色,根据题意要求和图3.19的电路连接情况可以知道P1口的控制状态如下表所示:

编辑

编辑

编辑

编辑

参考程序如下:

             ORG 1000H

START:MOV  R0,#0

             MOV  R1,#0   ;南北绿灯亮5秒钟,东西红灯亮

             MOV  P1,#10010110B ;南北绿灯亮红灯灭,东西红灯亮绿灯灭,为状态1

SNDL5:  MOV R1, #10

            ACALL   DL500ms    ;调用延时500ms程序10次,实现延时5秒

            DJNZ  R1, SNDL5   ;南北绿灯闪烁3次,每次1秒(亮0.5秒,灭0.5秒)

SS1:    MOV  P1,#10011111B;南北绿灯和红灯都灭,东西红灯亮绿灯灭,为状态2

            ACALL  DL500ms        ;延时500ms

            MOV  P1,# 10010110B  ;南北绿灯亮红灯灭,东西红灯亮绿灯灭,为状态1

            ACALL  DL500ms       ;延时500ms

            INC         R0

            CJNE      R0,#03H,SS1   ;闪烁3次,南北黄灯亮2秒

            MOV      P1,#00000110B  ;南北黄灯亮,东西红灯亮绿灯灭,为状态3

SNDL2:  MOV R1, #4

             ACALL   DL500ms ;调用延时500ms程序4次,实现延时2秒

             DJNZ  R1, SNDL2       ;东西绿灯亮5秒钟,南北红灯亮

             MOV P1,#01101001B  ;东西绿灯亮红灯灭,南北红灯亮绿灯灭,为状态4

EWDL5:  MOV R1, #10

             ACALL   DL500ms  ;调用延时500ms程序10次,实现延时5秒

             DJNZ  R1, EWDL5 ;东西绿灯闪烁3次,每次1秒(亮0.5秒,灭0.5秒)

SS2:  MOV P1,#01101111B ;东西绿灯和红灯都灭,南北红灯亮绿灯灭,为状态5

             ACALL  DL500ms       ;延时500ms

           MOV  P1,# 01101001B ;东西绿灯亮红灯灭,南北红灯亮绿灯灭,为状态4

             ACALL  DL500ms        ;延时500ms

              INC  R0

             CJNE    R0,#03H,SS2   ;闪烁3次,东西黄灯亮2秒

              MOV  P1,#00001001B  ;东西黄灯亮,南北红灯亮绿灯灭,为状态6

SNDL2:  MOV R1, #4

            ACALL   DL500ms       ;调用延时500ms子程序4次,实现延时2秒

            DJNZ  R1, SNDL2

            SJMP  START          ; 500ms 秒延时子程序

DL1500mS: MOV  R7,#5 ;500ms 秒延时子程序,假定为6MHz晶振

   DL2: MOV  R6,#200

   DL1: MOV  R5,#250

             DJNZ    R5,$

             DJNZ    R6,DL1

             DJNZ    R7,DL2

             RET          

             END

模块化设计

模块化设计是指把一个具体的功能分解成多个小的模块,各个模块之间相互独立,而又可以相互传递参数。分解成的小模块程序功能单一,易于调试和修改,而在模块内部要注意多使用子程序调用,一个子程序可以被多次调用,节省空间而且便于阅读。在程序中应该尽量使用循环结构,这样可以节省内存,提高执行效率,不过要注意循环的初始值和循环的结束条件。

注意:由于中断是随机产生的,因此在处理中断程序时,一定要注意保存程序现场(保护标志寄存器和中断处理程序用到的寄存器),以便执行完毕后恢复。在进行子程序调用时,经常使用累加器A(参数多时还可以使用寄存器或存储器)进行参数传递。