我的学习之路_stm32f103c8t6_Day2

128 阅读1分钟

电灯实验

stm32cube mx 配置

1、如下图所示,将PC13(看电路图),设置为推挽输出 day_2 电灯1.png

day_2 点灯2.png

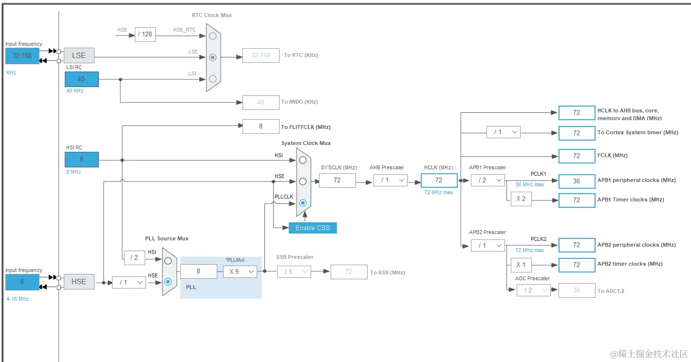
2、配置时钟也是看电路图上是多大的晶振 day_2电灯3.png

3、配置输出的内容 day_2电灯4.png

4、copy all used libraries into project folder 将所有的库函数都加载到工程中虽然大但是方便二次编程 day_2点灯5.png

5、main中while(1) 中添加:

    HAL_Delay(300);
    HAL_GPIO_WritePin(LED_Board_GPIO_Port, LED_Board_Pin, GPIO_PIN_SET);
    HAL_Delay(300);
    HAL_GPIO_WritePin(LED_Board_GPIO_Port, LED_Board_Pin, GPIO_PIN_RESET);

总结

加油!!!