CC2530_ZigBee+华为云IOT:设计一套属于自己的冷链采集系统

236 阅读9分钟

本文分享自华为云社区《基于CC2530_ZigBee+华为云IOT设计的冷链信息采集系统【玩转华为云】》,作者: DS小龙哥 。

1、前言

近年来,随着人们消费需求的不断提高,连锁超市、便利店、大卖场等商超不但提供了各种各样的新鲜食品,而且采用统一进货和冷链储藏的方式,从而不但使得商品质量有保证,而且购物环境良好,越来越成为人们购物的主要场所。超市作为冷链物流产品的末端,在分销以及零售过程中都对产品质量、运营成本和功耗等方面有着较高的要求,而冷链系统的压力参数作为保证这一品质的重要参数之一,实现智能压力检测和控制对于时刻掌握冷链的工作状态非常重要,可以保证运营的安全性和经济性。因此,如果能够设计一款针对冷链系统数据采集系统,就可以实现对冷链系统进行实时监控,达到经济性运营的目的,对提高企业经济效益具有非常重要的意义。

2、设计需求

以CC2530单片机为核心器件,设计一个冷链环境信息采集系统,利用传感器技术对冷藏仓内的环境参数进行采集,上传到物联网云平台,然后通过手机端或移动端进行显示,便于分析,观察冷链环境信息。

硬件选型:

(1)ESP8266-WIFI 用于与上位机进行通信,实现数据传输

(2)CC2530单片机,本身是51内核,与普通的51单片机编程一样,它内部多了一个ZigBee 模块,能实现ZigBee 组网。

(3)DHT11 温湿度传感器。这是一款有已校准数字信号输出的温湿度传感器。其精度湿度±5%RH, 温度±2°C,量程湿度595%RH, 温度-20+60°C。

(4)蜂鸣器。当设置阀值超出标准时,可以发出警报提醒。

image.png

3、硬件选型

3.1 CC2530+WIFI模块

image.png

3.2 DHT11温湿度模块

image.png

3.3 蜂鸣器

image.png

4、物联网云端配置与应用

4.1 华为云IoTDA介绍

当前的设计中,用的物联网平台服务是华为云的设备接入服务(IoTDA),IoTDA提供海量设备连接上云、设备和云端双向消息通信、批量设备管理、远程控制和监控、OTA升级、设备联动规则等能力,并可将设备数据灵活流转到华为云其他服务。

使用物联网平台构建一个完整的物联网解决方案主要包括3部分:物联网平台、业务应用和设备。

物联网平台作为连接业务应用和设备的中间层,屏蔽了各种复杂的设备接口,实现设备的快速接入;同时提供强大的开放能力,支撑行业用户构建各种物联网解决方案。

设备可以通过固网、2G/3G/4G/5G、NB-IoT、Wifi等多种网络接入物联网平台,并使用LWM2M/CoAP、MQTT、HTTPS协议将业务数据上报到平台,平台也可以将控制命令下发给设备。

业务应用通过调用物联网平台提供的API,实现设备数据采集、命令下发、设备管理等业务场景。

image.png

接下来就详细把整个物联网平台的使用流程进行介绍。

4.2 产品创建

地址: www.huaweicloud.com/

image.png

image.png

查看平台接入地址:

image.png

image.png

点击右上角创建产品:

image.png

根据自己的产品信息填充:

image.png

image.png

根据产品的传感器属性创建服务器的属性字段:

image.png

image.png

image.png

image.png

image.png

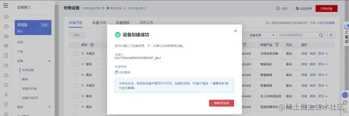
4.3 设备创建

详细创建流程,看下面的截图:

image.png

image.png

image.png

保存设备信息,接下来的MQTT登录需要使用。

{
 "device_id": "62e732be3a884835598654f7_dev1",
 "secret": "12345678"
}

4.4 MQTT三元组信息生成

在这里可以使用华为云提供的工具快速得到MQTT三元组进行登录。

support.huaweicloud.com/devg-iothub…

image.png

工具的页面地址:

iot-tool.obs-website.cn-north-4.myhuaweicloud.com/

根据提示填入信息,然后生成三元组信息即可。 这里填入的信息就是在创建设备的时候生成的信息。

image.png

ClientId 62e732be3a884835598654f7_dev1_0_0_2022080102
Username  62e732be3a884835598654f7_dev1
Password  13483ebeadd786ea107527a3c92c5463a8f3c71377cd33276143ffe2fb85c1dc

4.5 MQTT主题订阅与发布格式

//订阅主题: 平台下发消息给设备
$oc/devices/62e732be3a884835598654f7_dev1/sys/messages/down
//设备上报数据
$oc/devices/62e732be3a884835598654f7_dev1/sys/properties/report
//上报的属性消息 (一次可以上报多个属性,在json里增加就行了)
{"services": [{"service_id": "server_id","properties":{"温度":23.4}},{"service_id": "server_id","properties":{"湿度":80.5}}]}

4.6 设备模拟登录测试

image.png

image.png

4.7 应用侧开发接口介绍

在设备上云之后,为了能方便管理设备,方便用户设备入网,都需要开发一款手机APP或者微信小程序、桌面软件等,进行数据交互,设备管理。

华为云IOT提供了应用侧开发的API对接接口,这里就介绍一下使用应用侧开发的流程。这个API接口里常用的接口包括:产品创建、设备创建、设备属性获取、设备删除、查询设备等管理接口,可以通过API主动获取产品下面某个设备的属性,要求设备上报最新的数据过来。整个开发过程,都是基于HTTP协议的API接口进行交互,不依赖开发环境,不依赖开发语言。 不管是桌面软件,还是手机APP、微信小程序、web网页等,核心代码基本都是一样,都是HTTP协议交互。下面的例子里,我是采用C++编写的,采用QT框架库完成整个开发,了解了整个思路,你就可以采用自己熟悉的语言完成相同的功能。

官方帮助文档: support.huaweicloud.com/usermanual-…

image.png

5、CC2530程序设计

5.1 IAR环境搭建

完整的安装整个配套环境,需要安装以下的软件,具体的版本型号也介绍了,直接百度搜索就能找到;最简单的办法是,淘宝搜索一下CC2530的开发板,店铺里一般都有配套的资料包下载,里面基本都包含了下面这些软件,直接白嫖就行:

安装集成开发环境: IAR-EW8051-8.10.1。

安装仿真器“SmartRF4EB”的驱动程序。

安装代码烧写工具: Setup_SmartRF_Programmer_1.10.2。

安装 TI 的 Zigbee 协议栈: ZStack-CC2530-2.5.1a。

安装过程截图请看另外的文档。

image.png

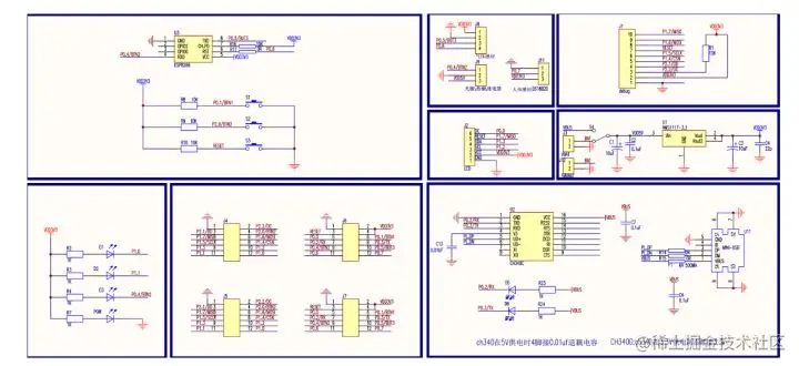
5.2 硬件原理图

image.png

5.3 IAR程序工程图

image.png

5.4 DHT11.c代码

#include "uart.h"
/*
函数功能:串口0初始化
*/
void Init_Uart0(void)
{
 PERCFG&=~(1<<0); //串口0的引脚映射到位置1,即P0_2和P0_3
 P0SEL|=0x3<<2; //将P0_2和P0_3端口设置成外设功能
 U0BAUD = 216; //32MHz的系统时钟产生115200BPS的波特率
 U0GCR&=~(0x1F<<0);//清空波特率指数
 U0GCR|=11<<0; //32MHz的系统时钟产生115200BPS的波特率
 U0UCR |= 0x80; //禁止流控,8位数据,清除缓冲器
 U0CSR |= 0x3<<6; //选择UART模式,使能接收器
}
/*
函数功能:UART0发送字符串函数
*/
void UR0SendString(u8 *str)
{
 while(*str!='\0')
 {
 U0DBUF = *str; //将要发送的1字节数据写入U0DBUF
 while(UTX0IF == 0);//等待数据发送完成
 UTX0IF = 0; //清除发送完成标志,准备下一次发送
    str++;
 }
}
/*
函数功能: 模仿printf风格的格式化打印功能
*/
char USART0_PRINT_BUFF[200]; //格式化数据缓存数据
void USART0_Printf(const char *format,...)
{
  char *str=NULL;
 /*1. 格式化转换*/
 va_list ap; // va_list---->char *
 va_start(ap,format); //初始化参数列表
 vsprintf(USART0_PRINT_BUFF,
        format,
        ap); //格式化打印
 va_end(ap); //结束参数获取
 /*2. 串口打印*/
  str=USART0_PRINT_BUFF;//指针赋值
 while(*str!='\0')
 {
 U0DBUF=*str; //发送一个字节的数据
    str++; //指针自增,指向下一个数据
 while(UTX0IF == 0);//等待数据发送完成
 UTX0IF = 0; //清除发送完成标志,准备下一次发送
 }
}

5.5 ESP8266.c代码

#include "esp8266.h"
uint lenU1 = 0;
uchar tempRXU1;
uchar  RecdataU1[MAXCHAR];
//"AT+CIPSEND=0,10\r\n"   //长度10
//返回">" 之后就可以正常发送数据了
//发送成功返回 "SEND OK"
//发送数据
void ESP8266_SendData(char *p,int len)
{
   int i=0;
   char buff[50];
 sprintf(buff,"AT+CIPSEND=0,%d\r\n",len);
 clearBuffU1();
 Uart1_Send_String(buff); //发送指令
 DelayMs(1000); //等待
 for(i=0;i<len;i++)
 {
 Uart1_Send_Char(p[i]);
 }
 //等待发送完成
 DelayMs(1000);
   RecdataU1[lenU1]='\0';
 UR0SendString(RecdataU1);
 clearBuffU1();
}
/****************************************************************************
* 名 称: SetWifi()
* 功 能: 设置LED灯相应的IO口
* 入口参数: 无
* 出口参数: 无
****************************************************************************/
void SetWifi(void)
{
 P0DIR |= 0x40; //P0.6定义为输出
 IGT = 0; //高电平复位
 DelayMs(500);
 IGT = 1; //低电平工作
}
/*
设置WIFI为AP模式+TCP服务器
*/
void SetESP8266_AP_TCP_Server()
{
 clearBuffU1();
 Uart1_Send_String("AT\r\n");
 DelayMs(2000);
   RecdataU1[lenU1]='\0';
 UR0SendString(RecdataU1);
 clearBuffU1();
 Uart1_Send_String("ATE0\r\n");
 DelayMs(2000);
   RecdataU1[lenU1]='\0';
 UR0SendString(RecdataU1);
 clearBuffU1();
 Uart1_Send_String("AT+CWMODE=2\r\n");
 DelayMs(2000);
   RecdataU1[lenU1]='\0';
 UR0SendString(RecdataU1);
 clearBuffU1();
 Uart1_Send_String("AT+RST\r\n");
 DelayMs(2000);
 DelayMs(2000);
 DelayMs(2000);
   RecdataU1[lenU1]='\0';
 UR0SendString(RecdataU1);
 clearBuffU1();
 Uart1_Send_String("ATE0\r\n");
 DelayMs(2000);
   RecdataU1[lenU1]='\0';
 UR0SendString(RecdataU1);
 clearBuffU1();
 Uart1_Send_String("AT+CWSAP=\"wifi_cc2530\",\"12345678\",1,4\r\n");
 DelayMs(2000);
 DelayMs(2000);
 DelayMs(2000);
 DelayMs(2000);
   RecdataU1[lenU1]='\0';
 UR0SendString(RecdataU1);
 clearBuffU1();
 Uart1_Send_String("AT+CIPMUX=1\r\n");
 DelayMs(2000);
 DelayMs(2000);
   RecdataU1[lenU1]='\0';
 UR0SendString(RecdataU1);
 clearBuffU1();
 Uart1_Send_String("AT+CIPSERVER=1,8089\r\n");
 DelayMs(2000);
 DelayMs(2000);
   RecdataU1[lenU1]='\0';
 UR0SendString(RecdataU1);
 clearBuffU1();
 Uart1_Send_String("AT+CIFSR\r\n");
 DelayMs(2000);
 DelayMs(2000);
   RecdataU1[lenU1]='\0';
 UR0SendString(RecdataU1);
}
unsigned char dataRecv;
unsigned char Flag = 0;
/*===================UR1初始化函数====================*/
void Init_Uart1()
{
 PERCFG = 0x00;//位置1  P0.4/P0.5口
 P0SEL |= 0x30;//P0.4,P0.5用作串口(外部设备功能)
 U1CSR |= 0x80;//设置为UART方式
 U1GCR |= 11;//BAUD_E        
 U1BAUD |= 216;//BAUD_M 波特率设为115200
 UTX1IF = 0; //UART1 TX中断标志初始置位0
 U1CSR |= 0X40; //允许接收 
 IEN0 |= 0x88; // 开总中断,UART1接收中断 
}
void clearBuffU1(void)
{
  int j;
 for(j=0;j<MAXCHAR;j++)
 {
    RecdataU1[j]=0x00;
 }
  lenU1=0;
}
/*******************************************************************************
串口1发送一个字节函数
*******************************************************************************/
void Uart1_Send_Char(char Data)
{
U1CSR &= ~0x40; //禁止接收
U1DBUF = Data;
while(UTX1IF == 0);
UTX1IF = 0;
U1CSR |= 0x40; //允许接收
}
/*******************************************************************************
串口1发送字符串函数
*******************************************************************************/
void Uart1_Send_String(char *Data)
{
 while(*Data!='\0')
 {
 Uart1_Send_Char(*Data);
        Data++;
 }
}
/**************************************************************** 
串口接收一个字符: 一旦有数据从串口传至CC2530, 则进入中断,将接收到的数据赋值给变量temp. 
****************************************************************/ 
#pragma vector = URX1_VECTOR 
__interrupt void UART1_ISR(void) 
{ 
 if(lenU1<81)
 {
    tempRXU1 = U1DBUF;
    RecdataU1[lenU1]=tempRXU1;
 URX1IF = 0; // 清中断标志 
    lenU1++;
 }
}

6、总结

随着业务的发展,越来越多的企业选择结合物联网技术来实现自身效益增长。相比企业自建MQTT集群,使用华为云IoT服务低成本构建物联网解决方案,在能力、成本、运维、安全、生态等诸多方面具有突出优势。广泛支持IoT主流的接入协议及私有协议,满足各类设备和接入场景要求;与主流模组、芯片预集成,实现多网络、多协议接入,简化设备接入难度,实现小时级设备极简接入。

点击关注,第一时间了解华为云新鲜技术~