【数字电路】集成逻辑门电路

730 阅读3分钟

本文已参与「新人创作礼」活动,一起开启掘金创作之路。

【数字电路】集成逻辑门电路

写在前面

本系列文章用于哈工大(威海)数字电路复习,基于石代锋老师2020年为软件专业同学所讲述的数字逻辑设计的ppt和录课,本系列文章已完结,目录链接:【数字逻辑设计】复习大纲

3.1 基本概念

门电路

  • 定义:用来实现逻辑关系的电路

  • 分类:

    • 分立元件门电路
    • 集成门电路:DTL,TTL双极行,N/P/CMOS集成门

逻辑电平

指的是一个范围,0和1表示相对的低或高电压

3.2 半导体的开关特性

半导体的基本知识(了解)

  • 本征半导体
  • 杂质半导体:加入低价产生P,加入高价产生N
  • PN结:把P和N型半导体放在一起,形成从N到P的内电场,此时P(正)到N(负)的电流可以导通

二极管的特性

在这里插入图片描述
在这里插入图片描述

三极管的特性

在这里插入图片描述
在这里插入图片描述
在这里插入图片描述
在这里插入图片描述

MOS管的特性

  • NMOS:高电压通,低电压截止
  • PMOS:低电压通,高电压截止
    在这里插入图片描述

3.3 分立元件门电路

二极管

  • 与门:
    在这里插入图片描述
  • 或门:
    在这里插入图片描述

三极管

  • 非门:
    在这里插入图片描述
  • 或非门:
    在这里插入图片描述

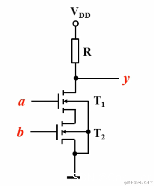
MOS管

  • NMOS非门:
    在这里插入图片描述
  • NMOS与非门:
    在这里插入图片描述

3.4 TTL(输入输出均为3极管)集成门电路

TTL与非门

在这里插入图片描述
在这里插入图片描述
在这里插入图片描述
在这里插入图片描述
在这里插入图片描述
在这里插入图片描述
在这里插入图片描述

在这里插入图片描述

OC门(集电极开路的门电路)

  • 由来: Y = ¬ ( A B ) ¬ ( C D ) Y = \neg(AB)\neg(CD) Y=¬(AB)¬(CD),两个与非门的输出通过与门,或线与(普通的门电路是不能直接线与的)

  • 电路结构与逻辑符号:
    在这里插入图片描述

  • 作用:

    • 实现线与功能
    • 实现电平转换
    • 驱动较大的电流负载

TS门(三态输出门电路)

  • 由来:增加二极管,使得en为0时,T4也不导通,

  • 电路结构与逻辑符号:
    在这里插入图片描述

  • 作用:

    • 构造数据总线结构,通过en端保证分时(不冲突)传输
    • 实现数据双向传输,通过同一个en端控制一个高电平,一个低电平使能

TTL系列门电路

在这里插入图片描述
在这里插入图片描述
在这里插入图片描述
在这里插入图片描述

3.5 CMOS逻辑门电路(NMOS和PMOS互补成对出现,连在同一个输入)

典型CMOS电路

在这里插入图片描述
在这里插入图片描述
在这里插入图片描述

其它CMOS电路

在这里插入图片描述
在这里插入图片描述
在这里插入图片描述
在这里插入图片描述

CMOS逻辑门性能

在这里插入图片描述
在这里插入图片描述

3.6 集成门电路的使用注意事项

TTL与CMOS门电路性能对比

在这里插入图片描述
在这里插入图片描述
在这里插入图片描述

  • TTL门不可以直接驱动CMOS,输出电压的最小值不满足大于输入电压的最小值
    在这里插入图片描述
    在这里插入图片描述
  • 用CMOS电路可以直接驱动TTL

在这里插入图片描述