前言
有了原理图,可以设计硬件PCB,在设计PCB之间还有一个协同优先动作,就是映射封装,原理图库的元器件我们是自己设计的。为了更好的表述封装设计过程,本文描述了一个创建asm1117-3.3V封装,将原理图的元器件关联引脚封装。
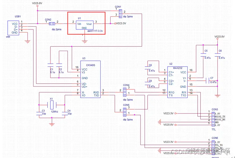
原理图封装剖析

- 序号1:USB口封装,查看datasheet创建
- 序号2:COM封装,使用dip2.54,2dip
- 序号3:ASM1117-3.3V封装,查看datasheet创建
- 序号4:COM封装,使用dip2.54,3dip
- 序号5:电容封装,选用0603创建
- 序号6:CH340G封装,查看datashee创建
- 序号7:晶振封装,查看datasheet创建
- 序号8:MAX232元器件封装,查看datasheet创建
- 序号9:CON封装,使用dip2.54,5dip 以上,其实com有通用的,0603这些也都是通用标准的封装。
创建ASM1117-3.3V封装
ASM1117-3.3V的封装尺寸图
创建Pad焊盘(长方形,SMT贴片焊盘,123引脚)
创建Pad焊盘(长方形,SMT贴片焊盘,4引脚)
创建SOT-223封装
原理图关联封装
步骤一:打开原理图项目
步骤二:双击需要添加封装的元器件