硬件开发笔记(八): 硬件开发基本流程,制作一个USB转RS232的模块(七):创建基础DIP元器件(晶振)封装并关联原理图元器件

289 阅读1分钟

前言

  有了原理图,可以设计硬件PCB,在设计PCB之间还有一个协同优先动作,就是映射封装,原理图库的元器件我们是自己设计的。为了更好的表述封装设计过程,本文描述了创建晶振封装(DIP),将原理图的元器件关联引脚封装。


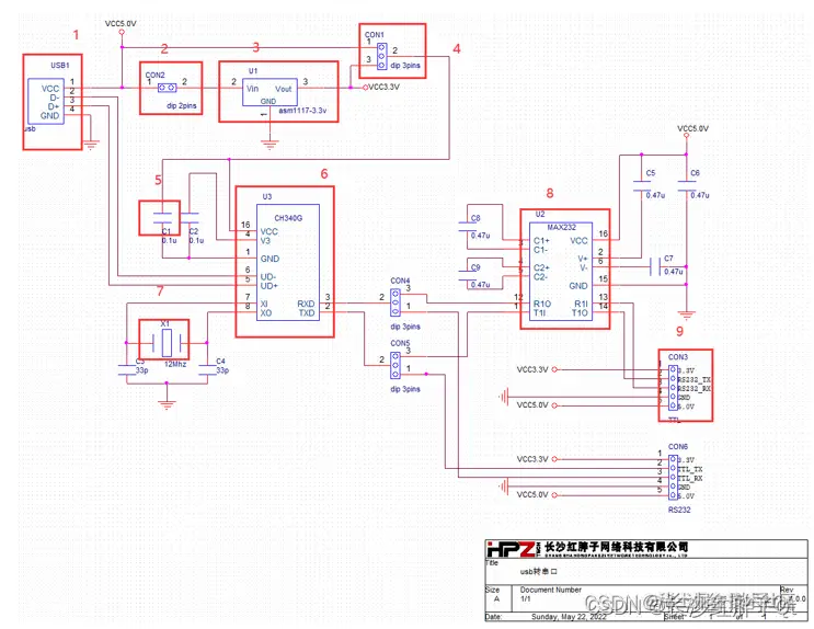
原理图封装剖析

  在这里插入图片描述

  • 序号1:USB口封装,查看datasheet创建
  • 序号2:CON封装,使用dip2.54,2dip
  • 序号3:ASM1117-3.3V封装,查看datasheet创建
  • 序号4:CON封装,使用dip2.54,3dip
  • 序号5:电容封装,选用0603创建
  • 序号6:CH340G封装,查看datashee创建
  • 序号7:晶振封装,查看datasheet创建
  • 序号8:MAX232元器件封装,查看datasheet创建
  • 序号9:CON封装,使用dip2.54,5dip

  以上,其实com有通用的,0603这些也都是通用标准的封装。


创建晶振封装

晶振的封装尺寸图

  在这里插入图片描述

  dip的和贴片的,我们选用的是dip的。

创建Pad焊盘(圆形,外径1.5mm,内径1.0mm)

  不用创建了,一般的dip都是0.6左右的,之前的可以通用:   在这里插入图片描述


创建元器件封装

  在这里插入图片描述   在这里插入图片描述   在这里插入图片描述   在这里插入图片描述   在这里插入图片描述   在这里插入图片描述   在这里插入图片描述   在这里插入图片描述   在这里插入图片描述   在这里插入图片描述   在这里插入图片描述


原理图关联封装

步骤一:打开原理图项目

  在这里插入图片描述   在这里插入图片描述

步骤二:双击需要添加封装的元器件

  在这里插入图片描述   在这里插入图片描述