硬件开发笔记(七): 硬件开发基本流程,制作一个USB转RS232的模块(六):创建0603封装并关联原理图元器件

187 阅读2分钟

前言

  有了原理图,可以设计硬件PCB,在设计PCB之间还有一个协同优先动作,就是映射封装,原理图库的元器件我们是自己设计的。为了更好的表述封装设计过程,本文描述了贴片电阻电容0603芯片封装,创建贴片焊盘,关将原理图的元器件关联引脚封装。


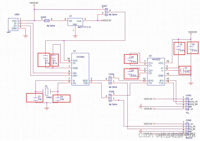
原理图封装剖析

  在这里插入图片描述

  • 序号1:USB口封装,查看datasheet创建
  • 序号2:CON封装,使用dip2.54,2dip
  • 序号3:ASM1117-3.3V封装,查看datasheet创建
  • 序号4:CON封装,使用dip2.54,3dip
  • 序号5:电容封装,选用0603创建
  • 序号6:CH340G封装,查看datashee创建
  • 序号7:晶振封装,查看datasheet创建
  • 序号8:MAX232元器件封装,查看datasheet创建
  • 序号9:CON封装,使用dip2.54,5dip

  以上,其实com有通用的,0603这些也都是通用标准的封装。


创建0603封装

  0603主要是电容,电阻等基本传感器的常用封装。   电阻相同阻值功率不同,0805功率是1/8W,0603功率是1/10W,所以两者的功率不同。   电容一般容量和耐压不同,0805最大工作电压和最大负载电压是400V和800V,0603最大工作电压和最大负载电压是200V和400V,所以两者的耐压不同。

0603的封装尺寸图

  在这里插入图片描述

其他类似的封装尺寸图(仅示意)

  在这里插入图片描述   在这里插入图片描述   在这里插入图片描述

创建Pad焊盘(长方形,SMT贴片焊盘)

  在这里插入图片描述   在这里插入图片描述   在这里插入图片描述   在这里插入图片描述   在这里插入图片描述   在这里插入图片描述   查看:   在这里插入图片描述

创建0603元器件封装

  在这里插入图片描述   在这里插入图片描述   在这里插入图片描述   在这里插入图片描述   在这里插入图片描述   在这里插入图片描述   在这里插入图片描述   在这里插入图片描述   在这里插入图片描述   在这里插入图片描述   删掉多余的C,保留的是top的:   在这里插入图片描述   删掉引脚序号:   在这里插入图片描述


原理图关联封装

步骤一:打开原理图项目

  在这里插入图片描述   在这里插入图片描述

步骤二:双击需要添加封装的元器件

  在这里插入图片描述    在这里插入图片描述