硬件开发笔记(六): 硬件开发基本流程,制作一个USB转RS232的模块(五):创建USB封装库并关联原理图元器件

116 阅读2分钟

前言

  有了原理图,可以设计硬件PCB,在设计PCB之间还有一个协同优先动作,就是映射封装,原理图库的元器件我们是自己设计的。为了更好的表述封装设计过程,本文描述了一个创建USB封装,创建DIP焊盘,关将原理图的元器件关联引脚封装。   该USB是完全定义建立的封装,DIP带固定柱。


原理图封装剖析

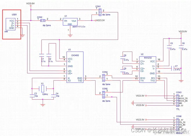
  在这里插入图片描述

  • 序号1:USB口封装,查看datasheet创建
  • 序号2:CON封装,使用dip2.54,2dip
  • 序号3:ASM1117-3.3V封装,查看datasheet创建
  • 序号4:CON封装,使用dip2.54,3dip
  • 序号5:电容封装,选用0603创建
  • 序号6:CH340G封装,查看datashee创建
  • 序号7:晶振封装,查看datasheet创建
  • 序号8:MAX232元器件封装,查看datasheet创建
  • 序号9:CON封装,使用dip2.54,5dip

  以上,其实com有通用的,0603这些也都是通用标准的封装。


创建USB公口封装

USB口的封装尺寸图

   在这里插入图片描述   其中引脚上的0.92的pin,我们可以直接使用1.0的pin,所以引脚焊盘这个可以通用之前的:    在这里插入图片描述

创建Pad焊盘(圆形,固定焊盘/也可当作引脚)

  在这里插入图片描述   在这里插入图片描述   在这里插入图片描述   在这里插入图片描述   下面是要覆铜层的最终大小,多余的蓝色就是覆铜,新建立pad的时候需要设置完这个才会有蓝色的,蓝色就是后续焊接的面积。

创建元器件封装

  在这里插入图片描述   在这里插入图片描述   在这里插入图片描述   在这里插入图片描述   在这里插入图片描述   在这里插入图片描述   放入第一个焊盘:   在这里插入图片描述   在这里插入图片描述   在这里插入图片描述   继续放入的时候,发现grid间隔太小了,改成引脚与引脚的间隔方便布线(间隔为2mm):   在这里插入图片描述    在这里插入图片描述   继续添加2,3,4号引脚(这里1和2,3和4之间为2.5mm,2和3之间为2mm):   在这里插入图片描述   然后放置2个固定的焊盘:   在这里插入图片描述   在这里插入图片描述   在这里插入图片描述   在这里插入图片描述   在这里插入图片描述   在这里插入图片描述   然后开始绘制外形:   在这里插入图片描述   在这里插入图片描述   在这里插入图片描述    在这里插入图片描述   保存出现错误“Symbol is missing a refdes.”,因为是自己创建的(未使用向导,所以没有添加,添加如下:   在这里插入图片描述   在这里插入图片描述   保存成功:   在这里插入图片描述


原理图关联封装

步骤一:打开原理图项目

  在这里插入图片描述   在这里插入图片描述

步骤二:双击需要添加封装的元器件

  在这里插入图片描述   在这里插入图片描述