LabVIEW控制Arduino采集多路DS18B20温度数值(进阶篇—3)

534 阅读4分钟

1、项目概述

DS18B20是美国DALLAS半导体公司的数字化单总线智能温度传感器,与传统的热敏电阻相比,它能够直接读出被测温度,并且可根据实际要求通过简单的编程实现9~12位的数字值读数方式。从DS18B20读出信息或写入信息仅需要一根线(单总线)读写,总线本身也可以向所挂接的设备供电,而无需额外电源。

本篇博文将实现LabVIEW控制Arduino采集多路DS18B20温度数值,关于LabVIEW控制Arduino在基础篇已经讲解过很多种类温度传感器的采集方法。具体可参见以下链接:

LabVIEW控制Arduino采集LM35温度传感器数值(基础篇—12)LabVIEW控制Arduino采集热敏电阻温度数值(基础篇—13)

2、项目架构

本项目将介绍使用2个DS18B20传感器、Arduino Uno和LabVIEW组成多路温度数字测量系统,多路温度数字测量系统框图如下图所示:

​其中,2个DS18B20温度传感器并联接至单总线,Arduino Uno作为下位机,负责DS18B20的读写以及数据传输;LabVIEW编写的显示软件作为上位机,上下位机利用USB-TTL接口实现通信。

项目工程下载请参见:LabVIEW控制Arduino采集多路DS18B20温度数值-单片机文档类资源

3、硬件环境

将DS18B20温度传感器的Vcc和GND分别连接至Arduino Uno控制器的+5V和GND,以给DS18B20提供电源,DS18B20的DQ引脚接至Arduino Uno控制器数字引脚D2,且连接4.7KΩ的上拉电阻,因为DS18B20的DQ引脚正常工作需要添加上拉电阻。多路温度数字测量系统硬件连接图如下图所示:

​4、Arduino功能设计

在基于Arduino与LabVIEW的上下位机温度监测系统中,Arduino Uno控制板需要完成以下功能:接收和判断命令与采集和传输温度数据,Arduino Uno控制板通过串口接收上位机发来的命令,分析得到有效命令,读写DS18B20传感器以获取温度,并将温度数据上传至LabVIEW软件。

Arduino Uno控制器负责读取LabVIEW上位机发来的温度采集命令,并读取对应的DS18B20传感器从而获取温度数据,通过串口发送回上位机LabVIEW软件。Arduino Uno控制器的程序代码如下所示:

#include <OneWire.h>
#include <DallasTemperature.h>
#define ONE_WIRE_BUS 2     //DS18B20接至Arduino数字口2
 
#define T1_COMMAND  0x80   //采集命令字
#define T2_COMMAND  0x81   //采集命令字
 
OneWire oneWire(ONE_WIRE_BUS);
DallasTemperature sensors(&oneWire);
 
byte comdata[3]={0};      //定义数组数据,存放串口命令数据
void receive_data(void);    //接收串口数据
void test_do_data(void);    //测试串口数据是否正确并执行命令
 
void setup()
{
  Serial.begin(9600);     
  // Start up the library
  sensors.begin();
}
 
void loop()
{
  while (Serial.available() > 0)        //不断检测串口是否有数据
   {
        receive_data();             //接受串口数据
        test_do_data();             //测试数据是否正确并执行命令
   }
}
 
void receive_data(void)      
{
   int i ;
   for(i=0;i<3;i++)
   {
      comdata[i] =Serial.read();
 //延时一会,让串口缓存准备好下一个字节,不延时可能会导致数据丢失
      delay(2);
   }
}
 
void test_do_data(void)      //测试并执行命令
{
  if(comdata[0] == 0x55)    //0x55和0xAA均为判断是否为有效命令
   {
     if(comdata[1] == 0xAA)
     {
       switch (comdata[2])
        {
            case T1_COMMAND: 
            sensors.requestTemperatures(); //ratures
            Serial.print(sensors.getTempCByIndex(0));           
            break;
            case T2_COMMAND:  
            sensors.requestTemperatures(); // Set temperatures
            Serial.print(sensors.getTempCByIndex(1));         
          break;
        }
      }
   }
}

5、LabVIEW功能设计

LabVIEW上位机部分需要完成以下功能:向下位机Arduino控制器发送温度采集命令,Arduino控制器通过串口接收上位机命令,完成温度数据的采集之后将数据回传,LabVIEW软件将回传的温度数据显示在前面板上。

5.1、前面板设计

LabVIEW前面板分为温度显示和传感器选择端,传感器选择端用于决定当前监测的传感器,波形数据用于显示温度数据的变化趋势,多路温度数字测量系统的LabVIEW上位机前面板如下图所示:

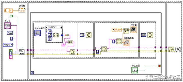
5.2、程序框图设计

LabVIEW上位机主程序的结构为顺序结构+While循环。首先,在顺序结构中的第帧中,通过设置的串口号来初始化串口通信,并将波形图清空。然后,程序进入While循环和平铺式顺序结构,向Arduino Uno控制器发送传感器1或传感器2温度测量的命令码,等待100ms,接收到返回的温度之后,显示在前面板上并显示出温度波形。最后关闭串口通信。

通过前面板上单选按钮来选择所需测量的传感器,然后向Arduino Uno控制器发送对应的温度采集命令码,传感器1命令码为0x55AA80,传感器2命令码为0x55AA81,并通过延时800毫秒,以达到每秒采样1次的功能。传感器1和传感器2对应的程序框图如下图所示:

​项目工程下载请参见:LabVIEW控制Arduino采集多路DS18B20温度数值-单片机文档类资源