基于STM32+华为云IOT设计的酒驾监控系统

235 阅读9分钟

持续创作,加速成长!这是我参与「掘金日新计划 · 6 月更文挑战」的第10天,点击查看活动详情

1. 前言

随着人们生活水平的提高,为了减少和杜绝车的现象越来越多,所引发的交通事故也引起了人们的重视,为了减少和杜绝酒后驾车导致事故发生,当前设计了一种安装在驾驶室内,能根据具体功能进行鉴别酒精浓度的系统,当识别到酒驾之后会发出警报,并发送短信给指定紧急联系人,通知家人通知酒驾,一起监督行车安全。并将GPS数据上传到华为云物联网平台,调用地图模块显示具体位置,主控芯片采用STM32单片机,GSM模块采用IM800C。系统还带了一块LCD显示屏,可以实时显示检测的酒精含量,酒精超标后,本地蜂鸣器也会发出警报,提醒驾驶员。

测量酒驾的标准是:

(1)饮酒驾车是指车辆驾驶人员血液中的酒精含量大于或者等于20mg/100ml,小于80mg/100ml的驾驶行为。(2)醉酒驾车是指车辆驾驶人员血液中的酒精含量大于或者等于80mg/100ml的驾驶行为。

需要使用的硬件如下:

(1)STM32系统板

(2)酒精检测传感器

(3)LCD显示屏

(4)供电模块

(5)SIM800C模块

(6)蜂鸣器模块

(7)GPS模块--采用SIM800C内部的GPS功能获取GPS数据。

image-20220416132842388

image-20220416142024166

image-20220416142138765

为了测试,搞了几口二锅头。

image-20220418112125021

上位机采用QT开发,调用华为云的应用侧接口获取设备上传的数据。再调用百度接口,获取GPS定位的位置。

image-20220418111126481

2. 登录华为云创建云端设备

2.1 创建产品

华为运官网: www.huaweicloud.com/

在这里可以查看接入的协议的端口号和地址。

 MQTT (1883) a161a58a78.iot-mqtts.cn-north-4.myhuaweicloud.com   

我们设备接入的协议选择MQTT,端口对应是1883

接下来继续创建产品,点击产品页面,点击右上角创建产品:

image-20220418105309516

image-20220418105322907

2.2 创建设备

image-20220418105431921

image-20220418105452823

这是我的设备信息:

 设备ID
 625cd29cecf9c41c38215ba5_1126626497
 ​
 设备密钥
 1126626497
     
 {
     "device_id": "625cd29cecf9c41c38215ba5_1126626497",
     "secret": "1126626497"
 }

2.3 产品模型定义

这一步就是设置上报设备的属性,也就是设备的数据类型定义。

image-20220418105604435

image-20220418105637800

image-20220418105649052

image-20220418111355804

2.4 生成MQTT登录密匙

创建完产品、设备之后,接下来就需要知道如何通过MQTT协议登陆华为云服务器。

官方的详细介绍在这里: support.huaweicloud.com/devg-iothub…

MQTT设备登陆密匙生成地址: iot-tool.obs-website.cn-north-4.myhuaweicloud.com/

下面就得到了MQTT协议设备登录的参数。

2.5 使用MQTT客户端软件登录

所有的参数已经得到,接下来采用MQTT客户端登录华为云进行测试。

华为云物联网平台的域名是: a161a58a78.iot-mqtts.cn-north-4.myhuaweicloud.com

华为云物联网平台的IP地址是: 121.36.42.100

在软件里参数填充正确之后,就看到设备已经连接成功了。

接下来打开设备页面,可以看到设备已经在线了。

2.6 上报数据

官方文档: support.huaweicloud.com/devg-iothub…

在这个文档里介绍了MQTT上报数据的格式。

总结的格式:

 //订阅主题: 平台下发消息给设备
 $oc/devices/625cd29cecf9c41c38215ba5_1126626497/sys/messages/down
 ​
 //设备上报数据
 $oc/devices/625cd29cecf9c41c38215ba5_1126626497/sys/properties/report
 ​
 //上报的属性消息 (一次可以上报多个属性,在json里增加就行了)
 {"services": [{"service_id": "MQ3","properties":{"MQ3":50}}]}

到此,设备数据已经上报成功,如果需要增加更多的属性,按照流程继续增加即可。

3. STM32代码实现

酒精浓度传感器的预热时间要20秒~1分钟左右,这段时间之后采集的数据才会稳定。预热模块会发热,烫手,这个是正常现象。

STM32连接华为云IOT的工程代码Get: download.csdn.net/download/xi…

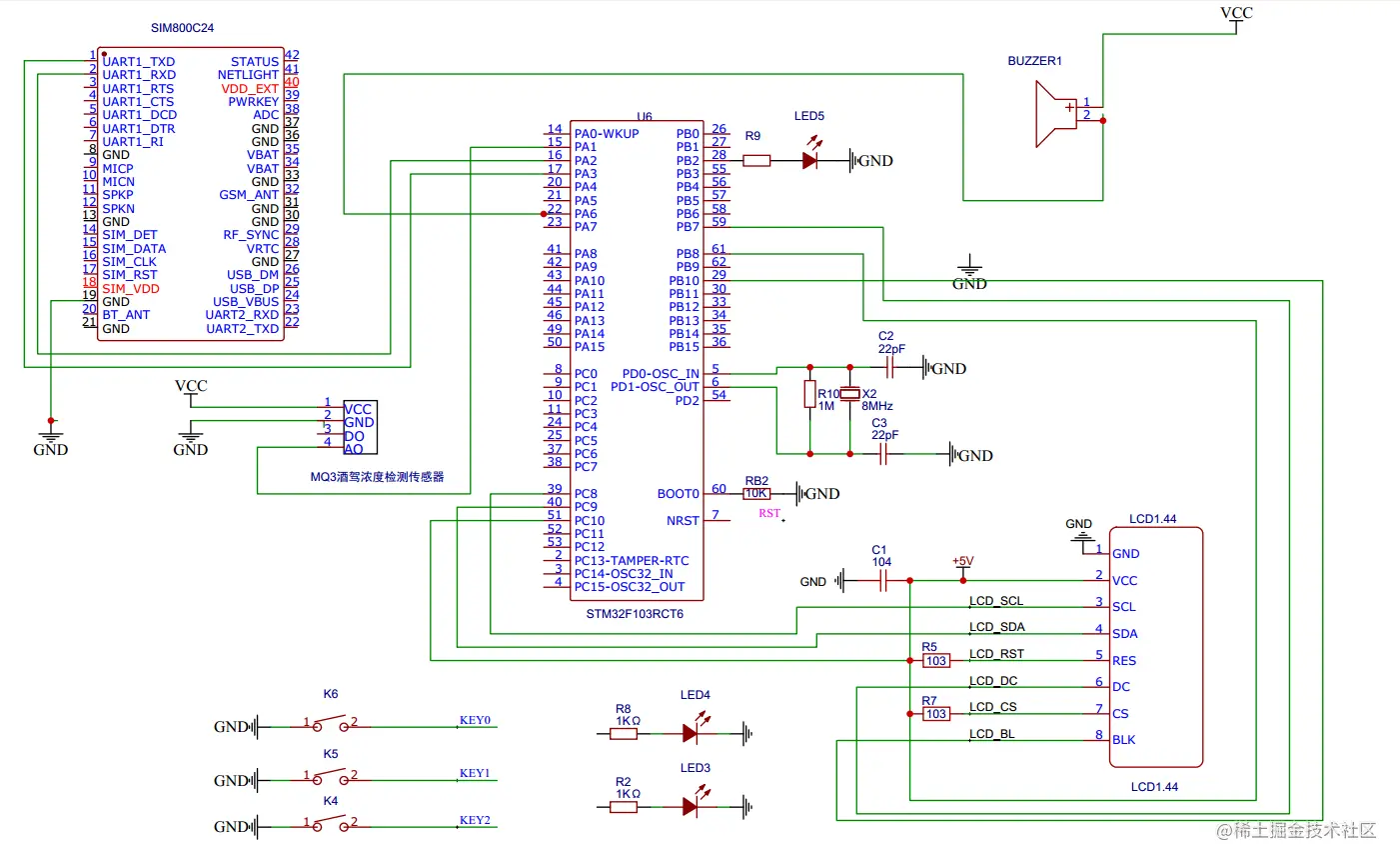
3.1 系统原理图

image-20220412152110776

image-20220412155048985

3.2 程序下载

通过USB进行程序下载: 下载软件在软件包目录下。

点击开始编程之后,点击板子上的复位键即可下载程序,如果失败,重试几次即可。正常的效果如下。

image-20220416125527488

正常程序运行之后,打开串口调试助手看到的初始化信息如下:

image-20220416131945457

3.3 字体取模

image-20220416134432091

3.4 main.c代码

MQTT协议连接华为云IOT源码工程参考: download.csdn.net/download/xi…

 #include "stm32f10x.h"
 #include "led.h"
 #include "delay.h"
 #include "key.h"
 #include "usart.h"
 #include <string.h>
 #include "timer.h"
 #include "oled.h"
 #include "adc.h"
 #include <string.h>
 #include <stdlib.h>
 #include "font.h"
 #include "sim800c.h"
 #include "mqtt.h"
 ​
 /*
 硬件连接方式:
 1. TFT 1.44 寸彩屏接线
 GND   电源地
 VCC   接5V或3.3v电源
 SCL   接PC8(SCL)
 SDA   接PC9(SDA)
 RST   接PC10
 DC    接PB7
 CS    接PB8
 BL    接PB11
 ​
 2. 蜂鸣器
 VCC--->3.3V
 DAT--->PA6
 GND--->GND
 ​
 3. 酒精检测传感器MQ3
 VCC--->3.3V
 GND--->GND
 DAT--->PA1
 ​
 4. 板载LED灯接线
 LED1---PA8
 LED2---PD2
 ​
 5. 板载按键接线
 K0---PA0 
 K1---PC5 
 K2---PA15
 ​
 6. SIM800C--GSM模块
 GND----GND
 VCC--->3.3V
 PA2----SIM800C_RXD
 PA3----SIM800C_TXD
 */
 ​
 //华为物联网服务器的设备信息
 #define MQTT_ClientID "62381267575fb713ee164ad2_xl_1_0_0_2022032106"
 #define MQTT_UserName "62381267575fb713ee164ad2_xl_1"
 #define MQTT_PassWord "124344feff3e3d96ff6af13cf36af36766619ff1eeee40e99cbae9b7b9739fe4"
 ​
 //订阅与发布的主题
 #define SET_TOPIC  "$oc/devices/62381267575fb713ee164ad2_xl_1/sys/messages/down"  //订阅
 #define POST_TOPIC "$oc/devices/62381267575fb713ee164ad2_xl_1/sys/properties/report"  //发布
 //设置连接的路由器信息
 #define CONNECT_WIFI  "Xiaomi_meizi6"   //将要连接的路由器名称 --不要出现中文、空格等特殊字符
 #define CONNECT_PASS "12170307yu"       //将要连接的路由器密码
 ​
 #define CONNECT_SERVER_IP "a161a58a78.iot-mqtts.cn-north-4.myhuaweicloud.com"   //服务器IP地址
 #define CONNECT_SERVER_PORT 1883            //服务器端口
 ​
 //JTAG模式设置,用于设置JTAG的模式
 //mode:jtag,swd模式设置;00,全使能;01,使能SWD;10,全关闭;    
 #define JTAG_SWD_DISABLE   0X02
 #define SWD_ENABLE         0X01
 #define JTAG_SWD_ENABLE    0X00       
 void JTAG_Set(u8 mode)
 {
     u32 temp;
     temp=mode;
     temp<<=25;
     RCC->APB2ENR|=1<<0;     //开启辅助时钟       
     AFIO->MAPR&=0XF8FFFFFF; //清除MAPR的[26:24]
     AFIO->MAPR|=temp;       //设置jtag模式
 }
 ​
 ​
 u16 MQ3_data=0; //酒精浓度
 float MQ3_data_float=0; //mg/l
 ​
 char data_buff[100];
 //酒精超标提示
 u8 sim800c_buff[100]="Drunk driving reminder";
 ​
 int main()
 {
     u8 state=0;
     u8 key=0;
     u32 time_cnt=0;
     JTAG_Set(JTAG_SWD_DISABLE); //释放PA15
     LED_Init();  //LED灯初始化
     BEEP_Init(); //蜂鸣器初始化
     KEY_Init();  //按键初始化
     USART1_Init(115200); //串口1初始化-打印调试信息
     Lcd_Init();    //LCD初始化
     Lcd_Clear(0);  //清屏为黑色
     LCD_LED_SET;   //通过IO控制背光亮      
     AdcInit();     //ADC初始化--检测酒精传感器的值
     TIMER2_Init(72,20000);//辅助串口2接收,超时时间为20ms
     USART2_Init(115200); //可能的波特率(测试):  57600 、9600、115200
     USART3_Init(115200);//串口-WIFI
     TIMER3_Init(72,20000); //超时时间20ms
     
     //预热视频
     LCD_ShowChineseFont(0,16*3,16,HZ_FONT_16[20],RED,0);
     LCD_ShowChineseFont(16,16*3,16,HZ_FONT_16[21],RED,0);
     LCD_ShowChineseFont(16*2,16*3,16,HZ_FONT_16[22],RED,0);
     LCD_ShowChineseFont(16*3,16*3,16,HZ_FONT_16[23],RED,0);
     LCD_ShowChineseFont(16*4,16*3,16,HZ_FONT_16[24],RED,0);
     LCD_ShowChineseFont(16*5,16*3,16,HZ_FONT_16[25],RED,0);
     LCD_ShowChineseFont(16*6,16*3,16,HZ_FONT_16[26],RED,0);
     LCD_ShowChineseFont(16*7,16*3,16,HZ_FONT_16[27],RED,0);
     //delay_ms(30000); //初始化时间30秒
     delay_ms(5000); //初始化时间5秒
     Lcd_Clear(0);  //清屏为黑色
     
    //采集数据的真实数据
    LCD_ShowChineseFont(0,16*2,16,HZ_FONT_16[0],RED,0);
    LCD_ShowChineseFont(16,16*2,16,HZ_FONT_16[1],RED,0);
    LCD_ShowChineseFont(16*2,16*2,16,HZ_FONT_16[2],RED,0);
    LCD_ShowChineseFont(16*3,16*2,16,HZ_FONT_16[3],RED,0);
    
    //酒精含量计算结果
    LCD_ShowChineseFont(0,16*3,16,HZ_FONT_16[4],RED,0);
    LCD_ShowChineseFont(16,16*3,16,HZ_FONT_16[5],RED,0);
    LCD_ShowChineseFont(16*2,16*3,16,HZ_FONT_16[6],RED,0);
    LCD_ShowChineseFont(16*3,16*3,16,HZ_FONT_16[7],RED,0);
 ​
     //酒精超标显示
     Gui_DrawFont_GBK16(0,16*4,RED,0,(u8*)"        ");
     LCD_ShowChineseFont(0,16*4,16,HZ_FONT_16[16],RED,0);
     LCD_ShowChineseFont(16,16*4,16,HZ_FONT_16[17],RED,0);
     LCD_ShowChineseFont(16*2,16*4,16,HZ_FONT_16[18],RED,0);
     LCD_ShowChineseFont(16*3,16*4,16,HZ_FONT_16[19],RED,0);
 ​
     //初始化SIM800C
     state=SIM800C_InitCheck();
     printf("SIM800C初始化状态:%d\r\n",state);
     DelayMs(1000);
     
     //设置文本模式
     state=SIM800C_SetNoteTextMode();
     printf("设置文本模式状态:%d\r\n",state);
     DelayMs(1000);
     
     //
     
       printf("正在初始化WIFI请稍等.\r\n");
     
     for(i=0;i<5;i++)
     {
         if(ESP8266_Init()==0)
         {
             esp8266_state=1;
             break;
         }
         else
         {
             esp8266_state=0;
             printf("ESP8266硬件检测错误.\n");  
         }
     }
   
    if(esp8266_state)
    {
        printf("准备连接服务器....\r\n");
         //非加密端口
         printf("WIFI:%d\n",ESP8266_STA_TCP_Client_Mode(CONNECT_WIFI,CONNECT_PASS,CONNECT_SERVER_IP,CONNECT_SERVER_PORT,1));
          
         //2. MQTT协议初始化  
         MQTT_Init(); 
 ​
         //3. 连接服务器  
         for(i=0;i<5;i++)
         {
             if(MQTT_Connect(MQTT_ClientID,MQTT_UserName,MQTT_PassWord)==0)
             {
                 esp8266_state=1;
                 break;
             }
             esp8266_state=0;
             printf("服务器连接失败,正在重试...\n");
             delay_ms(500);
         }
         printf("服务器连接成功.\n");
 ​
         //3. 订阅主题
         if(MQTT_SubscribeTopic(SET_TOPIC,0,1))
         {
            printf("主题订阅失败.\n");
         }
         else
         {
            printf("主题订阅成功.\n");
         } 
    }
     
    while(1)
    {
         key=KEY_Scan();
         if(key)
         {
             printf("key=%d\r\n",key);
         }
        
         //控制LED灯
         if(key==2)
         {
             LED2=!LED2;
         }    
         
         //手动控制蜂鸣器测试
         //手动发送短信测试
         if(key==1)
         {
             BEEP=1;
             delay_ms(100);
             BEEP=0;
 ​
             sprintf((char*)sim800c_buff,"Drunk driving reminder:%d",MQ3_data);
             //发送短信
             if(SIM800C_SendNote((u8*)"13800138000",sim800c_buff,strlen((char*)sim800c_buff))==0)
             printf("短信发送成功\r\n");
             else
             printf("短信发送失败\r\n");
         }
         
         //轮询时间到达
         if(time_cnt>300)
         {
             time_cnt=0;
             LED1=!LED1;
             //获取空气质量
             MQ3_data=GetAdcCHxDATA(1);
             printf("采集MQ3数据:%d\r\n",MQ3_data);
           
              //上报数据
             sprintf(data_buff,"{"services": [{"service_id":"STM32","properties":{"MQ3":%d}]}",
             MQ3_data);
             
             MQTT_PublishData(POST_TOPIC,data_buff,0);
             
                //上报数据
             sprintf(data_buff,"{"services": [{"service_id":"STM32","properties":{"MQ3":%d}]}",
             MQ3_data);
             
             MQTT_PublishData(POST_TOPIC,data_buff,0);
             
             //LCD屏实时显示酒精浓度     
             //采集数据
             sprintf(data_buff,"%d",MQ3_data);
             Gui_DrawFont_GBK16(72,16*2,RED,0,(u8*)"       ");
             Gui_DrawFont_GBK16(72,16*2,RED,0,(u8*)data_buff);
             
             //酒精含量
             //MQ3_data_float=((float)MQ3_data*(5.0/4096))*0.36-1.08;
             MQ3_data_float=((float)MQ3_data*(5.0/4096))*0.36;
             sprintf(data_buff,"%0.2f mg/L",MQ3_data_float);
             printf("计算酒精浓度:%s\r\n",data_buff);
             Gui_DrawFont_GBK16(72,16*3,RED,0,(u8*)"        ");
             Gui_DrawFont_GBK16(72,16*3,RED,0,(u8*)data_buff);  
             
              //判断酒精浓度是否超标,设置阀值
             if(MQ3_data>2000)
             {
                 sprintf((char*)sim800c_buff," :%d",MQ3_data);
                 //发送短信
                 if(SIM800C_SendNote((u8*)"18171571217",sim800c_buff,strlen((char*)sim800c_buff))==0)
                 printf("短信发送成功\r\n");
                 else
                 printf("短信发送失败\r\n");
             }
             
             //采集的值越小,表明酒精浓度越高。反之越大。
             //根据阀值显示不同的文字提示
             if(MQ3_data>2000)
             {
                  //你已酒驾
                 Gui_DrawFont_GBK16(0,16*4,RED,0,(u8*)"        ");
                 LCD_ShowChineseFont(0,16*4,16,HZ_FONT_16[8],RED,0);
                 LCD_ShowChineseFont(16,16*4,16,HZ_FONT_16[9],RED,0);
                 LCD_ShowChineseFont(16*2,16*4,16,HZ_FONT_16[10],RED,0);
                 LCD_ShowChineseFont(16*3,16*4,16,HZ_FONT_16[11],RED,0);
             }
             //正常稳定范围采集的值是500左右
             else
             {
                 //安全范围
                 Gui_DrawFont_GBK16(0,16*4,RED,0,(u8*)"        ");
                 LCD_ShowChineseFont(0,16*4,16,HZ_FONT_16[16],RED,0);
                 LCD_ShowChineseFont(16,16*4,16,HZ_FONT_16[17],RED,0);
                 LCD_ShowChineseFont(16*2,16*4,16,HZ_FONT_16[18],RED,0);
                 LCD_ShowChineseFont(16*3,16*4,16,HZ_FONT_16[19],RED,0);
             }
         }
         
         DelayMs(10);
         time_cnt++;
      }
 }